eMCONTROL1 Remote Controls and Interfaces Digital Wall Control
User Manual
eMCONTROL1
REMOTE CONTROLS AND INTERFACES
Digital wall control
IMPORTANT WARNING
![]()
The lightning flash with arrowhead symbol within an equilateral triangle is intended to alert the user to the presence of uninsulated “dangerous voltage” within the product’s enclosure that may be of sufficient magnitude to constitute a risk of electric shock to persons.
The exclamation point within an equilateral triangle is intended to alert the user to the presence of important operating and maintenance (servicing) instructions in the literature accompanying the appliance.
WARNING: to prevent electric shock or fire hazard, do not expose this equipment to rain or moisture.
WARNING: apparatus with Class I construction must be connected to a mains socket outlet with a protective earthing connection.
IMPORTANT SAFETY INSTRUCTIONS
- Read these instructions.
- Keep these instructions.
- Heed all warnings.
- Follow all instructions.
- Do not use this apparatus near water.
- Clean only with dry cloth.
- Do not block any ventilation openings. Install in accordance with the manufacturer’s instructions.
- Do not install near any heat sources such as radiators, stoves or other apparatus that produce heat, including amplifiers.
- Do not defeat the safety purpose of the polarized or grounding-type plug. A polarized plug has two blades with one wider than the other. A grounding type plug has two blades and a third grounding prong. The wide blade or the third prong are provided for your safety. If the provided plug does not fit into your outlet, consult an electrician for replacement of the obsolete outlet.
- Protect the power cord from being walked on or pinched particularly at plugs, convenience receptacles, and the point where they exit from the apparatus.
- Only use attachments/accessories specified by the manufacturer.
- Unplug this apparatus during lightning storms or when unused for long periods of time.
- Refer all servicing to qualified service personnel. Servicing is required when the apparatus has been damaged in any way, such as power supply cord or plug is damaged, liquid has been spilled or objects have fallen into the apparatus, the apparatus has been exposed to rain or moisture, does not operate normally, or has been dropped.
- Mains disconnection: turning off the POWER switch stops all the device functions and indicators from operating, but complete disconnection is achieved by disconnecting the mains power cable from its connector. For this reason, it shall remain readily operable.
- The unit is connected to a protective earthing plug via the power cord.
- Part of the product labelling is located at the base of the product.
- This apparatus should not be exposed to dripping or splashing and no objects filled with liquids, such as vases, should be placed on the apparatus.
WARNING: this product must not be disposed of as unsorted household waste under any circumstances. Go to the nearest electrical and electronic waste recycling facility.
NEEC AUDIO BARCELONA, S.L declines any responsibility for damages caused to people, animals or objects due to non-compliance with the above warnings.
IMPORTANT NOTE
Thank you for choosing our eMCONTROL1 digital wall control.
It is VERY IMPORTANT to carefully read this manual and to fully understand its contents before any connection to maximize your use and get the best performance.
To ensure optimal operation of this device, we strongly recommend that its maintenance be carried out by our authorised Technical Services.
Ecler eMCONTROL1 comes with a 3-year warranty.
INTRODUCTION
eMCONTROL1 is a digital wall control, compatible with HUB series (zone managers with DSP), configurable through HANGAR web application (embedded in HUB
devices). It allows you to configure source selection, volume control and equalization for a given zone, including all or some of the functions. Compatible with HUB Series and eMIMO1616.
It can be combined with a WPa series wall panel, connecting both with a single CAT5 cable or better to the HUB device, transmitting the mono and balanced audio signal
(line level) along with the necessary control data and DC power supply.
The main features of the eMCONTROL1 digital control are:
- Digital control panel compatible with HUB series and eMIMO1616
- Volume adjustment, source selection and EQ (programmable)
- Compatible with WPa series panels with audio connector, for sending audio, control and DC power supply signals over a single CAT5 cable or better
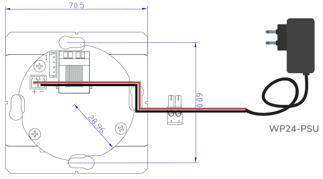
- Optional external power supply (24VDC). Compatible with Ecler WP24-PSU power supply unit
- Styling designed in collaboration with Italdesign Giugiaro
- Compatible with round electrical installation boxes. 60mm internal diameter
- Surface installation box included
INSTALLATION
To install an eMCONTROL1 unit, follow these steps:
Installation of a single unit recessed or surface mounted:
- Remove the front panel cover held by magnets. You can use the magnet provided as a tool to make contact in the upper right-hand corner of the cover and gently pull on it.
- Connect the RJ-45 connector of the CAT5 cable or better to one of the REMOTE inputs of the HUB device. If necessary (see note below), connect an external power supply.
- Screw the device to the surface mount box or flush mount box.
- Put the front panel back in place and secure the rotary encoder knob.
Installation of an eMCONTROL1 unit next to a WPaMIX-T wall panel, recessed or surface mounted:
Note: a WPa2FMBOX double installation box is required to flush mount the two devices side by side. Otherwise, for surface mounting, a WPa2SMBOX dual box is required. Both WPa2FMBOX and WPa2SMBOX are sold separately.
- Remove the front panel covers held by magnets on both devices (eMCONTROL1 and WPaMIX-T). You can use the magnet provided as a tool to make contact in the upper right-hand corner of the cover and gently pull on it.
- Mount both devices in the WPa2SMBOX or WPa2FMBOX frame. WPaMIX-T is mounted ON the frame, while eMCONTROL1 is mounted BEHIND the frame.
- Connect the RJ-45 connector of the CAT5 cable or better to one of the REMOTE inputs of the eMIMO1616. If necessary (see note below), connect an external power supply.
- Interconnect both devices (eMCONTROL1 and WPaMIX-T) with the supplied cable. See Figure 1.
- Screw the device to the surface mount box or flush mount box.
- Put the front panels back in place and secure the rotary encoder knob.
Figure 1: eMCONTROL1 + WPaMIX-T connection diagram
Note: the maximum lengths for CAT5 cable or better connecting an eMCONTROL1 to a HUB unit depend on the AWG category of the cable used. Examples:
| AWG24 Cable | AWG23 Cable | AWG22 Cable | |
| eMCONTROL1 | Max. length 270 meters | Max. length 340 meters | Max. length 425 meters |
| eMCONTROL1 + WPaMIX-T | Max. length 85 meters | Max. length 105 meters | Max. length 130 meters |
If the cable is too long, eMCONTROL1 may work properly but noise will be superimposed on the signal entering the WPaMIX-T. The solution to this possible problem is to supply the eMCONTROL1 digital control with an external 24VDC power supply (we recommend using the Ecler WP24-PSU power supply unit). The digital data exchange between the HUB unit and the eMCONTROL1 unit, using external power supply and good quality CAT5E cable, has been successfully tested with a wiring distance of 600 meters.
OPERATING THE UNIT
6.1 Controls
eMCONTROL1 has 2 controls on its front panel:
- Rotating Encoder
- Selection key
The main screen displays the label or name of the controlled zone, the source selection in that zone, and its volume control.
Using the selection key (short press), you can navigate between the source selection and the volume control. The editable option is displayed on a white background. On the other hand, the VOL or SEL indicator will be framed and blinking when this option is selected.
- Volume control (VOL): turn the rotary encoder to change the volume of the zone indicated on the control. Changes are applied in real time.
- MUTE: press and hold the encoder for 2 seconds to enable/disable the MUTE function in this zone.
- Source selection (SEL): turn the encoder to scroll through the different available sources*. No changes are made during scrolling. The name corresponding to each source will start flashing. Press the encoder to select the desired source and apply the change. After a few seconds without selecting a source, the previous state is restored without any change being applied.
* The available sources are selected though the HANGAR application (see the
HANGAR web application manual for more information).
6.2 Equalization screen
The equalization screen is accessed by holding down the select key for 2 seconds.
Once on this screen, press the selection key (short press) to navigate between the different tone controls, and adjust them as desired using the rotary encoder.
You can return to the main screen by pressing the selection key for 2 seconds. After a few seconds without activity in this screen, the main screen returns automatically.
6.3 Information messages
- INFORMATION: press and hold the 2 control keys for a few seconds to access the information screen. It shows the name or label of eMCONTROL1 (it can be different from the name or label of the main screen area – it is programmed using the HANGAR web application) and the firmware version*.
* The firmware version is automatically updated when connecting to a HUB device, ensuring you have the latest compatible version. Therefore, eMCONTROL1 does not require manual firmware updates. See chapter 7 for more information. - DISABLED: displayed when the device is disabled (Unit global enable – HANGAR web application).

- OFFLINE: displayed when the device is not connected to a HUB unit, or there is a problem with the connection.

- DISABLED CONTROL: displayed when trying to use a control (volume, source selection or equalization) that is disabled for that eMCONTROL1 panel.

- PANEL LOCKED: displayed when the temporary lock is activated for the user. To activate/deactivate this lock, press and hold selection key and rotary encoder for approx. 5 seconds. After 2 seconds the information screen will be displayed, but keep the controls pressed until the block message is displayed on the screen. The unlocking is done with the same sequence of keys. This “hidden” function is useful to temporarily protect the system from manipulation by unauthorized users (e.g. during an event when you want to prevent the attendees from making changes to the sound content or its volume).

- PANIC ACTIVE: displayed when the PANIC button (the 16 muted audio outputs) is active (accessible from the HANGAR web application).

NOTES
- When connecting an eMCONTROL1 unit to a HUB device, the eMCONTROL1 unit will check whether its firmware needs to be updated, and if so, automatically performs update, without external manual intervention. This process takes a few seconds to be carried out, while the message “UPDATING FIRMWARE” will be displayed.
- When connecting an eMPAGE paging station to the PAGER port of a running (powered on) HUB unit, it is normal to have to restart all other connected paging stations and eMCONTROL1 controllers, a process that takes a few seconds to complete, and after which all eMPAGE stations and eMCONTROL1 controllers become fully functional.
FRONT PANEL
Front panel faceplate- LCD screen
- Selection button
- Rotary encoder
BACK PANEL

- External power supply connector 24VDC
- Connector for WPaMIX-T interconnection
- RJ-45 connector
BLOCK DIAGRAM

TECHNICAL SPECIFICATIONS
Digital characteristics
| Control keys | Encoder, SELECTION key |
| Indicators | LCD display – 128×128 pixels |
| Communication standard | RS485 |
Supply characteristics
| Nominal power supply | From RJ45 remote input: 12VDC From External Input: 24VDC |
| Minimum external power supply | From RJ45 remote input without WPaMIX-T: 9.5V From RJ45 remote input with WPaMIX-T: 11V From External Input: 18VDC |
| Maximum power consumption | From RJ45 remote input without WPaMIX-T: 60mA From RJ45 remote input with WPaMIX-T: 80mA From External Input: 25mA @ 24VDC |
Miscellaneous
| Connector | RJ45 remote port |
| Finished colour | White (RAL 9016) |
| Dimensions (W x H x D) | 86 x 86 x 45mm |
| Weight | 150g |
| Included accessories | Cable to interconnect with WPaMIX-T |
MOUNTING DRAWINGS
PACKAGE CONTENTS
- eMCONTROL1
- Frame for mounting a mechanism in a system
- Screws for fixing to surface or flush mounting box
- Magnet for cover removal
- Surface mounting box
- Cable for direct connection to WPaMIX-T
- Quick User Guide
- Warranty card
All product characteristics are subject to variation due to production tolerances.
NEEC AUDIO BARCELONA S.L. reserves the right to make changes or improvements in the design or manufacturing that may affect these product specifications.
For technical queries contact your supplier, distributor or complete the contact form on our website,in Support/Technical requests
Motors, 166‐168 08038
Barcelona ‐ Spain ‐ (+34) 932238403
[email protected]
www.ecler.com
* The firmware version is automatically updated when connecting to a HUB device, ensuring you have the latest compatible version. Therefore, eMCONTROL1 does not require manual firmware updates. See chapter 7 for more information.




Front panel faceplate
















