vogel s 2005 and 2008 RISE Motorized Display Lift Floor Wall Solution

Important Safety Information
Important safety information for both installer and user
Installer: Before starting the installation read the safety instructions, the mounting regulations and rest of this product manual carefully. Failure to read, thoroughly understand, and follow all instructions can result in serious personal injury, damage to equipment, or voiding of factory warranty! It is the certified installer’s responsibility to make sure all mounting systems/accessories are properly assembled and installed using the instructions provided. User: Please carefully read the below safety information and user manual (if included) before using the height adjustable mount or trolley. This ensures a proper working unit and avoids accidents.
Electrical Safety
Connect unit to a properly grounded outlet only. Make sure, the unit can be immediately separated from the power outlet. Only use unit in dry rooms, protect it from water and other liquids. Only wipe unit with dry cloth. Do not open lift unit. RISK OF ELECTRIC SHOCK. There are no serviceable parts inside. In case of dysfunction unplug unit from power outlet and call an authorised technical service person. Do not overrun line cord or damage it in any other way. Replace damaged line cords immediately with new identical ones.
Mechanical safety
Assure installation of unit by authorized service person only. Only use original mounting parts provided with the system and do not use attachments not recommended by the manufacturer. Do not improperly load unit: For the max. load of unit please refer to the page with the specification sheet in this manual. Do not exceed: Use with heavier screens may result in instability causing tipping over resulting in death or serious injury! The height adjustable feature of this unit will not function properly if the weight exceeds the given maximum load. Use this mounting system only for its intended use as described in these instructions. Do not hang on unit. VERY HEAVY UNIT. Severe risk of injury when unit tips over due to improper usage.
The socket connections of the unit and the wall socket must be easily accessible. Disconnect mains plug before moving the product. The unit is not dripping or splash water protected. Do not place objects filled with liquids on or spray the unit. To reduce the risk of electric shock: Always unplug the unit from the electrical outlet before cleaning. Always keep product’s motion path free from obstacles. Before moving the unit up or down assure at least a safety distance of 20 cm/ 7.9 inch from any part of the unit to any other fitment in order to avoid shear traps or squeezing points. In case of accident please release operating panel. Movement of unit will stop immediately.
Anti-Collision – Function and intended use
Collision detection is a system to detect contact between the display lift system and an object, in order to mitigate the effects of the impact. This collision detection system is intended for protection of the display lift hardware, however is explicitly not intended as a safety mechanism to prevent personal injury.
Does your unit have wheels?
Only operate unit on plane and stable floors. Move unit on plane floors only. Risk of tilting when overrunning floorunevennesses, door sills and similar. VERY HEAVY UNIT. Severe risk of injury when unit tips over. Lock brakes of front wheels when operation unit. Always move your trolley with the screen in the lowest position.
Mounting regulations WARNING
A correct mounting is extremely important and this is not the responsibility of Vogel’s Products. Faulty mounting may result in injury to persons or damage to equipment. Vogel’s Products will not be responsible in any way if the product has been mounted incorrectly. Mounting fittings are not included with the product for reasons of safety, since the properties and bearing strength of walls/ceilings are specific for each case. Suitable mounting fittings must be selected based on the material of the wall/ ceiling. Obtain advice from a specialist in the field or from a specialist shop concerning the choice of mounting fittings. It is the responsibility of the installer to ensure that the wall/ceiling can support at least four times the combined weight of the screen/projector and bracket. The maximum load for this product is given in these mounting instructions. The instructions for installation and use of the screen/projector must also be followed with respect to the location and attachment of the screen/projector.
In case of technical issues please contact your installer.
Additional safety information
- Power rating: Technical guideline
The lifting system is equipped with an Y-cable. The first lead of the Y-cable is used for the internal power supply of the lift system (400W). The installer has the possibility to connect a screen and other peripherals of max 900W to the other lead of the Y-cable. The total system (lift system + peripherals) can therefore draw a maximum of 900W + 400W = 1300W. - Stability of equipment
Never place the equipment in an unstable location. A monitor/whiteboard set may fall, causing serious personal injury or death.
Many injuries, particularly to children, can be avoided by taking simple precautions such as:- Using stands/ frame recommended by the manufacturer of the motorized display lift, monitor and whiteboard sets.
- Ensuring the monitor and whiteboard set are not overhanging the edge of the sup porting frame.
- Educating children about the dangers of climbing on furniture to reach the monitor and whiteboard set or its controls. If the existing set is going to be retained and relocated, the same considerations as above should be applied. To prevent injury, the equipment set must be securely attached to the floor/ wall and the trolley must be in a stable location in accordance with the installation instructions.
- Caution:
This stand or carrier is intended for use only with a display/ monitor of max. 86 inch and/or whiteboard RISE A2ef where: e: Can be 1 or 3 for a whiteboard mounted on a wall-mounted model and 2 or 4 for a whiteboard mounted on a trolley or stand; f: Can be 6 for a 65 inch whiteboard or 7 for a 75 inch white board or 8 for a 86 inch whiteboard. Use with other equipment may result in instability causing injury.
UK DECLARATION OF CONFORMITY
Name and address of
manufacturer / EU-AR:
Vogel’s Products
Hondsruglaan 93
5628 DB Eindhoven
Netherlands
THIS DECLARATION OF CONFORMITY IS ISSUED UNDER THE SOLE RESPONSIBILITY OF:
Product identification: RISE Motorized Display Lift Floor Stand/Floor-Wall/Trolley See appendix A for a list of all products covered by this declaration
THE PRODUCTS MENTIONED IN THIS DECLARATION ARE IN CONFORMITY WITH:
EU Community Legislation Machinery Directive 2006/42/EC ElectroMagnetic Compatibility (EMC) Directive 2014/30/EU Restriction of Hazardous Substances (RoHS) Directive 2011/65/EU
Harmonized standards Safety of machinery
- EN ISO 12100:2010
- EN ISO 13857:2019
Safety of electrical equipment
- EN IEC 62368-1:2020+A11:2020
Electromagnetic Compatibility (EMC)
- EN 55014-1:2017
- EN 55014-2:2015
- EN IEC 61000-3-2:2019
- EN 61000-3-3:2013+A1:2017
Restricted substances in electrical products
- EN IEC 63000:2018
SIGNED FOR AND ON BEHALF OF:
Place and date of issue: Eindhoven, 18 January 2022
Signature:
Name, function:
Company name:
Gerard Kanters, Quality Manager
Vogel’s Products
APPENDIX A:
The following products are covered by this EU declaration of conformity:
- RISE 2005 MOTORIZED WALL 50 Art. Nr. 7320050, 7320051, 7320052, 7320053, 7320054, 7320055
- RISE 2008 MOTORIZED WALL 80 Art. Nr. 7320080, 7320081, 7320082, 7320083, 7320084, 7320085
- RISE 5105 MOTORIZED STAND 50 Art. Nr. 7351050, 7351051, 7351052, 7351053, 7351054, 7351055
- RISE 5108 MOTORIZED STAND 80 Art. Nr. 7351080, 7351081, 7351082, 7351083, 7351084, 7351085
- RISE 5205 MOTORIZED TROLLEY 50 Art. Nr. 7352050, 7352051, 7352052, 7352053, 7352054, 7352055
- RISE 5305 MOTORIZED TROLLEY 50 Art. Nr. 7353050, 7353051, 7353052, 7353053, 7353054, 7353055
- RISE 5208 MOTORIZED TROLLEY 80 Art. Nr. 7352080, 7352081, 7352082, 7352083, 7352084, 7352085
- RISE 5308 MOTORIZED TROLLEY 80 Art. Nr. 7353080, 7353081, 7353082, 7353083, 7353084, 7353085
EU DECLARATION OF CONFORMITY
Name and address of
manufacturer / EU-AR:
Vogel’s Products
Hondsruglaan 93
5628 DB Eindhoven
Netherlands
THIS DECLARATION OF CONFORMITY IS ISSUED UNDER THE SOLE RESPONSIBILITY OF:
Product identification: RISE Motorized Display Lift Floor Stand/Floor-Wall/Trolley See appendix A for a list of all products covered by this declaration
THE PRODUCTS MENTIONED IN THIS DECLARATION ARE IN CONFORMITY WITH:
EU Community Legislation Machinery Directive 2006/42/EC ElectroMagnetic Compatibility (EMC) Directive 2014/30/EU Restriction of Hazardous Substances (RoHS) Directive 2011/65/EU
Harmonized standards Safety of machinery
- EN ISO 12100:2010
- EN ISO 13857:2019
Safety of electrical equipment
- EN IEC 62368-1:2020+A11:2020
Electromagnetic Compatibility (EMC)
- EN 55014-1:2017
- EN 55014-2:2015
- EN IEC 61000-3-2:2019
- EN 61000-3-3:2013+A1:2017
Restricted substances in electrical products
- EN IEC 63000:2018
SIGNED FOR AND ON BEHALF OF:
Place and date of issue: Eindhoven, 18 January 2022
Signature:
Name, function:
Company name:
Gerard Kanters, Quality Manager
Vogel’s Products
APPENDIX A:
The following products are covered by this EU declaration of conformity:
- RISE 2005 MOTORIZED WALL 50 Art. Nr. 7320050, 7320051, 7320052, 7320053, 7320054, 7320055
- RISE 2008 MOTORIZED WALL 80 Art. Nr. 7320080, 7320081, 7320082, 7320083, 7320084, 7320085
- RISE 5105 MOTORIZED STAND 50 Art. Nr. 7351050, 7351051, 7351052, 7351053, 7351054, 7351055
- RISE 5108 MOTORIZED STAND 80 Art. Nr. 7351080, 7351081, 7351082, 7351083, 7351084, 7351085
- RISE 5205 MOTORIZED TROLLEY 50 Art. Nr. 7352050, 7352051, 7352052, 7352053, 7352054, 7352055
- RISE 5305 MOTORIZED TROLLEY 50 Art. Nr. 7353050, 7353051, 7353052, 7353053, 7353054, 7353055
- RISE 5208 MOTORIZED TROLLEY 80 Art. Nr. 7352080, 7352081, 7352082, 7352083, 7352084, 7352085
- RISE 5308 MOTORIZED TROLLEY 80 Art. Nr. 7353080, 7353081, 7353082, 7353083, 7353084, 7353085
Mounting Instructions










User Instructions
THE MAXIMUM LOAD OF THIS PRODUCT IS 120 KG / 264 LBS.
Do not place objects under the lift system
BUTTON FUNCTIONALITY RISE

- Function Required action
- Going up Press Up button
- Going down Press Down button
- Reset system 1. Move system to lowest position.
- Press Down button 10 sec.
- Press Down button again to finish action.
- Hard System Reset 1. Unplug power cable, wait for 30+ seconds and plug in the power cable.
- Move system to lowest position.
- Press Down button 10 sec.
- Press Down button again to finish action.
- Unlock child lock Press Up and Down button 2 seconds simultaneously
- Lock child lock System automatically locks 5 minutes after the last interaction
- Unlock child lock Press Up and Down button 20 seconds simultaneously
- permanently until column movement
TROUBLESHOOTING GUIDE:
- Check whether all cables are still connected (power cable, handset cable, gyroscope cable, etc.)
- Check whether the system obstructed by an object (for example: a desk)
- Check if the system’s child lock is unlocked. Not sure? Unlock the system.
- If there is no object obstructing the lift, run a system reset.
- If a System Reset, doesn’t solve it, try to un a Hard System Reset.
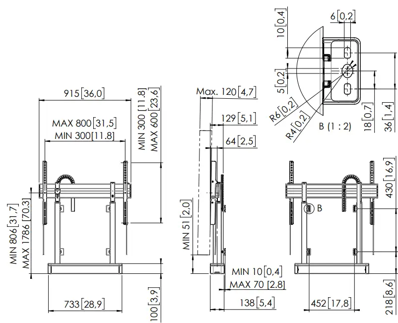
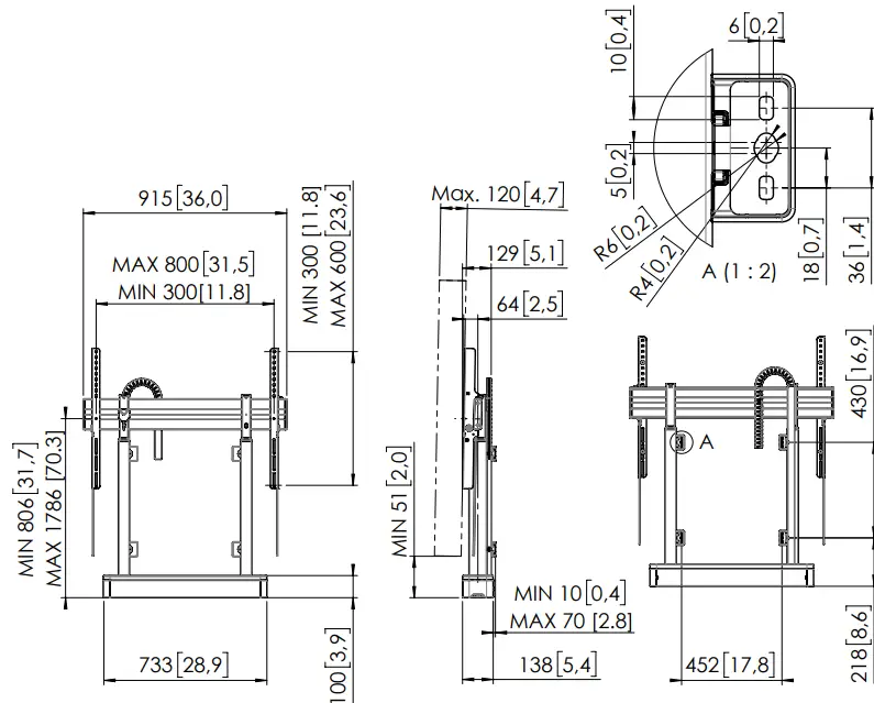
Product Data Sheet
RISE 2005 Motorized display lift floor-wall solution 50 mm/s
- Screen sizes: 55 inch – 86 inch
- Max load: 140 kg / 308,6 lbs
- Net weight: 28,5 kg / 62,8 lbs
- Gross weight: 29,8 kg / 65,7 lbs
- Power supply: 100-240V ~ 50/60Hz
- Rated current: EU/UK: 6A, US/CA: 15A
- Power consumption lift system: 400W
- Max power external devices: 900W

RISE 2008 Motorized display lift floor-wall solution 80 mm/s
- Screen sizes: 55 inch – 86 inch
- Max load: 140 kg / 308,6 lbs
- Net weight: 29,5 kg /65.0 lbs
- Gross weight: 30,8 kg / 67,9 lbs
- Power supply: 100-240V ~ 50/60Hz
- Rated current: EU/UK: 6A, US/CA: 15A
- Power consumption lift system: 400W
- Max power external devices: 900W

Checklist
RISE Motorized Display Lift Floor-Wall Solution: 2005 & 2008
- Check whether the maximum total weight of screen + peripherals does not exceed 120kg
- Check whether the maximum power of screen + peripherals does not exceed 900W
- Check whether the power cord has strain relief
- Check that all cables are neatly fixated, concealed and do not come into contact with sharp edges
- Check if the gyroscope is mounted correctly
- Check whether the correct choice of mounting materials has been made, in combination with the material of the wall
- Check if component E (Figure 15) is attached
- Check if the handset is mounted correctly
- Check whether the plug is easily accessible
- Check that there are no obstacles in the movement area of the product (bottom + top)
- Check whether the child lock is functioning correctly
- Check whether there is at least a distance of 51mm between floor and screen in the lowest position
Vogel’s Products BV
HONDSRUGLAAN 93,
5628 DB EINDHOVEN,
THE NETHERLANDS
T +31 (0)40 264 74 00
E [email protected]
W www.vogels.com
Subject to printing errors and technical amendments.
Designed and engineered in the Netherlands. More information on: www.vogels.com


















