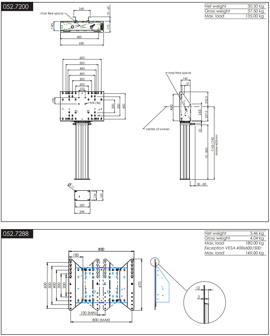
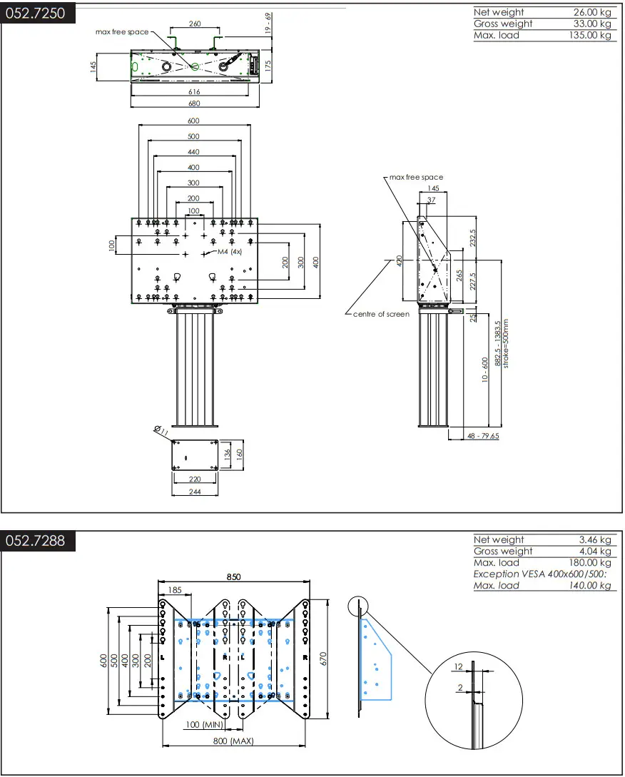
052.7200/50 Floor lift (XL/mini) for touch screen 86 inch, 135 kg
Instruction Manual

IMPORTANT SAFETY INFORMATION
Important safety information for both installer and user
Installer:
Before starting the installation read the safety instructions, the mounting regulations, and the rest of this product manual carefully. Failure to read, thoroughly understand, and follow all instructions can result in serious personal injury, damage to equipment, or voiding of factory warranty! It is the certified installer’s responsibility to make sure all mounting systems/accessories are properly assembled and installed using the instructions provided.
User:
Please carefully read the below safety information and user manual (if included) before using the height-adjustable mount or trolley. This ensures a failure-free working unit and avoids accidents.
Electrical Safety
Connect the unit to a properly grounded outlet only. Make sure, the unit can be immediately separated from the power outlet.
Only use the unit in dry rooms, protect it from water and other liquids. Only wipe the unit with a dry cloth.
Do not open the lift unit. RISK OF ELECTRIC SHOCK. There are no serviceable parts inside.
In case of dysfunction unplug the unit from the power outlet and call an authorized technical service person.
Do not overrun the line cord or damage it in any other way. Replace damaged line cords immediately with new identical ones.
The socket connections of the unit and the wall socket must be easily accessible.
Disconnect the mains plug before moving the product.
The unit is not dripping or splash water protected. Do not place objects filled with liquids on or spray the unit.
To reduce the risk of electric shock: Always unplug the unit from the electrical outlet before cleaning.
Mechanical safety
Assure installation of the unit by authorized service personnel only.
Only use original mounting parts provided with the system and do not use attachments not recommended by the manufacturer.
Do not improperly load unit: For the max. a load of the unit please refer to the page with the specification sheet in this manual. Do not exceed: Use with heavier screens may result in instability causing tipping over resulting in death or serious injury! The height adjustable feature of this unit will not function properly if the weight exceeds the given maximum load.
Use this mounting system only for its intended use as described in these instructions. Do not hang on the unit. VERY HEAVY UNIT. Severe risk of injury when the unit tips over due to improper usage.
Always keep the product’s motion path free from obstacles.
Before moving the unit up or down assure at least a safety distance of 20 cm/ 7.9 inch from any part of the unit to any other fitment in order to avoid shear traps or squeezing points.
In case of an accident please release the operating panel. Movement of the unit will stop immediately.
Does your unit have anti-collision?
In case of an accident with a lift with anti-collision, it is very important to release the operating panel: continuing to push results in overruling anti-collision!
Also, consider carefully that anti-collision only comes into operation after approx. 1 second after the lift has been activated.
Please read the separate chapter in this manual on this topic for its exact operation.
Does your unit have wheels?
Only operate the unit on wheels on a plane and stable floors. Move unit on plane floors only.
Risk of tilting when overrunning floor unevennesses, door sills, and similar. VERY HEAVY UNIT.
Severe risk of injury when the unit tips over.
Lock the brakes of the front wheels when operating the unit.
Always move your trolley with the screen in the lowest position.
MOUNTING REGULATIONS
WARNING
A correct mounting is extremely important and this is not the responsibility of SmartMetals Mounting Solutions. Faulty mounting may result in injury to persons or damage to equipment. SmartMetals will not be responsible in any way if the product has been mounted incorrectly.
Mounting fittings are not included with the product for reasons of safety, since the properties and bearing strength of walls/ceilings are specific for each case. Suitable mounting fittings must be selected based on the material of the wall/ceiling.
Obtain advice from a specialist in the field or from a specialist shop concerning the choice of mounting fittings. It is the responsibility of the installer to ensure that the wall/ceiling can support at least four times the combined weight of the screen/ projector and bracket. The maximum load for this product is given in these mounting instructions. The instructions for installation and use of the screen/projector must also be followed with respect to the location and attachment of the screen/projector.
GUARANTEE TERMS AND CONDITIONS
Guarantee terms and conditions
- SmartMetals Mounting Solutions guarantees that a product that SmartMetals has determined to be defective as a result of deficient manufacture or material will be repaired or – if necessary – replaced or you will be provided with a replacement part (the previous always to be determined by SmartMetals), without cost, on condition that a claim is made within the period of warranty, which is 5 years.
- In the event of a claim being made under the terms of the warranty, the product needs to be returned to SmartMetals accompanied by an RMA form, which we will send on request. The freight costs back and forth will always be borne by the owner.
- The guarantee provided by SmartMetals shall lapse:
• if a defect arises as the result of incorrect or inexpert assembly or installation.
• in case of improper use or any use not in accordance with the instructions.
• in case of normal wear and tear.
• if, without obtaining the written consent of SmartMetals, the customer or a third party has introduced changes to the product or has attempted to do so, if other items have been attached to the product that should not be attached, if products were processed or revised in some way other than was instructed.
• if a customer or a third party engaged by the customer performed repairs without the written consent of SmartMetals beforehand.
DECLARATION OF CONFORMITY
GB Declaration of conformity
Manufacturer:
SmartMetals Mounting Solutions BV
Pascalweg 13
4104 BE CULEMBORG
THE NETHERLANDS
hereby declares that:
Floor lift
052.7200, 052.7250
are compliant with the following directives:
Machinery Directive 2006/42/EG
EMC Directive 2014/35/EG
References to the relevant harmonized standards used, or references to the specifications in relation to which conformity is declared:
EN IEC 60204-1: 2016: Safety of machines – Electrical equipment of machines – Part 1: General Requirements.
EN ISO14120: 2015: Safety of machines – Guards – General requirements for the design and construction of fixed and movable guards.
EN IEC 60335-1: 2012: Household and similar electrical appliances – Safety – Part 1: General requirements
EN 614-1: 2006 + A1: 2009: Machine safety – Ergonomic design principles – Part 1: Terminology and general principles
Culemborg, 30 September 2015
Gerard Kanters
Quality Manager
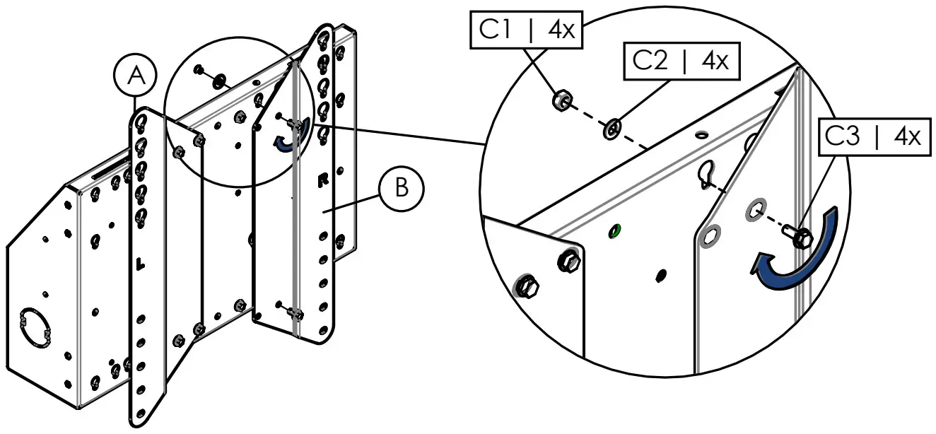
MOUNTING INSTRUCTIONS





| VESA | Fixate to position | Fixate to position |
| 800 x 600/500/400/300/200 | VESA 600 | VESA 500 |
| 700 x 600/500/400/300/200 | VESA 500 | VESA 400 |
| 600 x 600/500 | VESA 400 | VESA 300 |
| 500 x 600/500 | VESA 300 | VESA 200 |
Max. load 180 kg

| VESA | Fixate to position | Fixate to position |
| 400 x 600/500 | VESA 200 | – |
Max. load 140 kg

| VESA | Fixate to position | Fixate to position |
| 300 x 600/500 | VESA 500 | VESA 600 |
| 200 x 600/500 | VESA 400 | VESA 500 |
| 100 x 600/500 | VESA 300 | VESA 400 |
Max. load 180 kg

USER MANUAL

INSTRUCTIONS RESET CONTROL BOX

SPECIFICATION SHEET


WIRING DIAGRAM

SmartMetals Mounting Solutions B.V.
Pascalweg 13
4104 BE CULEMBORG
The Netherlands
T +31 (0)88 70 60 100
E [email protected]
W www.smartmetals.nl


















