ALCAD KVS-54121 Enara 4,3 Inch 1puls Active View Black

ELEMENTS AND DIMENSIONS


ENTRANCE PANEL – INSIDE MODULES

INSTALLATION OF ADDITIONAL ELEMENTS
HOW TO CONNECT AC ELECTRIC LOCK

HOW TO CONNECT INVERSE ELECTRIC LOCK

ADDITIONAL MONITORS OR TELEPHONES


EXTENSION WITH MONITORS OR TELEPHONES:
It is possible to install up to 6 devices (monitors or telephones) which respond to the same call from the entrance panel. When the devices are connected, program them following the installation instructions which accompany the devices
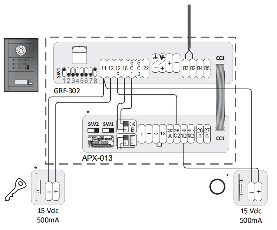
HOW TO CONNECT A MOTORIZED GATE (using accessory APX-013, not included in the kit)

HOW TO CONNECT A SECOND PEDESTRIAN DOOR (using accessory APX-013, not included in the kit) SW1

INSTALLING INSTRUCTIONS
POWER SUPPLY UNIT
See the safety instructions at the end of this booklet. Protect the power supply unit by complying with existing regulations governing electrical installations (avoid high-temperature locations and strong magnetic fields, ensure correct fusing, etc.).



MONITOR SUPPORT
Choose an area of wall which is smooth, even and hard. Bear in mind the dimensions of the monitor whichwill later be connected to the connection bracket. Avoid places where there are sources of direct light, thereby preventing undesired reflections on the screen of the monitor. Similarly, avoid sources of strong heat, damp or steam, which could reduce the operational life of the equipment.
MONITOR
When the connections have been made, attach it as shown in the illustration.
FLUSH MOUNTED BOX
Break off the perforated holes that you need to pass the cables through, and place the flush-mounted box in position so that the top is 1.7 m high.

ENTRANCE PANEL
Fit the audio unit inside the flush-mounted box. Then slide the pushbutton identifi cation cards of the entrance panel into place.

PUSHBUTTON IDENTIFICATION CARDS:
You can use either the preprinted cards which are provided or print your own using the template available from the Alcad web site: www.alcadelectronics.com/qr/9660082

Adjust the volume of the entrance panel and monitor and set the camera to the desired angle.
FRONTAL ORIENTATION OF THE CAMERA:
Remove the front of the camera, attach the panel to the wall, and set the angle of orientation of the camera. When this has been done, put the front of the camera back in place
TECHNICAL CHARACTERISTICS
VIDEO UNIT TCB-074
| TCB-074 | |
| SENSOR: | 1/3” WDR CMOS ACTIVE VIEW |
| LIGHTING: | White leds |
| VIEW ANGLE: | H: 60O V: 45O |
| ORIENTATION: | 10O |
| OPERATING TEMPERATURE: | -10.. +55 OC |
POWER SUPPLY UNIT ALS-020
| ALS-020 | ||
| MAINS SUPPLY: | Voltage: | 230 V~ ±15% 50/60Hz |
| Current: | 350 mA (max.) | |
| OUTPUTS: | Voltage: | 18 V |
| Current: | 2 A (max.) | |
| OPERATING TEMPERATURE: | -10.. +65 OC | |
AUDIO UNIT GRF-302
| GRF-302 | ||
| POWER SUPPLY: | Voltage: | 12,5 – 18 V |
| Current: | 350 mA (max.) | |
| OPERATING TEMPERATURE: | -10.. +55 OC | |
NORMAL VOLTAGES DEPENDING ON THE STATE OF THE EQUIPMENT
| TERMINALS | AT REST | WORKING |
| +,– | 12,5 – 18 V | |
| B3, B2 | 12,5 – 18 V | |
| B5, B4 | 12,5 – 18 V | |
| 22, 18 | 3,3 V ±10% | 0 V |
| SC1, 18 | 0 V | 4,5 V ±10% |
| SC0, 18 | 0 V | 4,5 V ±10% |
| 12, 11 | 0 V | 12,5 – 18 V (1) |
| 12c, 11 | 12,5 – 18 V (1) | 0 V |
(1) Values are valid provided that no special power supply is used for the electric lock.
ENARA MONITOR MVC-141
| System | 2 wires |
| screen | TFT Colour 4,3” |
| On-screen menu | Yes |
| Communication | Free hands |
| call volume regulation | “Do not disturb”; 0-8 |
| Buttons for auxiliary functions | 1 |
| Capture Photo/Video | Yes/Yes |
| WiFi | No |
| Imput Voltage | Through the 2-wires BUS (12,5 … 18Vdc) |
| Consumption (mA) | 40 mA (rest); 375 mA (active) |
| Work temperature | +5… +55 ºC |
| Connetions | Pluggable terminals |
| Integrated load and bypass | Yes, configurable by micro-switches |
| Installation | Surface mount |
| Proportions | 120mm X 168mm X 26mm |
TROUBLE SHOOTING
Nothing works
Check whether the LED of the power supply unit is unlit With LED unlit: a) check the mains voltage,
b) disconnect terminals B3, B2 and B1, B2 of the power supply unit and check the voltage in the terminals. If no voltage is detected in these terminals, the power supply unit may be defective.
With LED lit: check the voltage between terminals B3, B2 and B1, B2. Disconnect terminals B3, B2 and B1, B2 of the power supply unit and re-check the voltage in the terminals.
If no fault is detected, the power supply unit or the audio unit may be defective.
The pilot of the lighting pushbutton does not light up
Check connection 30 between the speaker module and the audio unit. If no fault is detected, the speaker module may be defective.
The card-holders do not light up
Configure the lighting in continuous mode (see page 9).
If the card-holders remain unlit, check the connection of the pushbuttons with the audio unit. If no fault is detected, the audio unit may be defective.
If the card-holders light up, check connection 30 between the speaker-microphone module and the audio unit. If no fault is detected, the speaker module may be defective.
The entrance panel does not emit any sound when a call is made
Check whether the call rings on the monitor; if it does, see the following paragraph. Check the connection of the pushbuttons with the audio unit. Check also that there is a bridge of red cable in the IN connector of the pushbutton cartridge. If the source of the problem is not detected, the audio unit or the pushbutton cartridge may be defective.
The call rings on the monitor but the entrance panel does not emit any sound when the call pushbutton is pressed
Check connection 30 between the speakermicrophone module and the audio unit. Check the adjustment of the volume control in the entrance panel. If no fault is detected, the audio unit or the speaker unit may be defective.
The entrance panel emits beeping tones when a call is made
The call does not ring in the monitor. Make sure that the monitor has been programmed.Check that the programming switch of the connections bracket is in the ON position. Verify the B1, B2 connection of the power supply to the monitor.
Feedback is produced
Adjust the volume controls in the audio unit and in the monitor.
The sound quality seems hoppy
Lower the volume from the control of the same monitor. If the source of the problem is not detected, other noises from inside the house or flat may be the cause of the problem.
Safety Instructions
Do not place the equipment where water can drip or splash onto it. Do not place objects containing liquid, such as glasses, on the equipment. Do not place sources of naked flame, such as burning candles, on the equipment. Do not block the ventilation slots of the equipment with objects such as newspapers, curtains, etc. When installing the equipment, leave some free space around it to provide adequate ventilation. Install the equipment in such a way that the mains supply plug or the connector of the equipment can be easily reached.
The illustrations in this document are for reference only and may not correspond to the product in every detail.
CUSTOMER SERVICE
ALCAD Electronics, S.L.
Pol. Ind. Arreche-Ugalde, 1
Apdo. 455 | 20305 IRUN – Spain
Tel. (+34) 943 63 96 60
[email protected]
www.alcadelectronics.com












