
CDZ-N2EFR32-00
DATASHEET
Software:
| Customer | Approve | Date |
| Design | Check | Version | Date |
| V1.0 | 2019.01.20 |
CHINA DRAGON TECHNOLOGY LIMITED
Phone: (86 755) 81449957
Fax: (86 755) 81449967
E-mail: [email protected]
Website: http://www.cdtech.cn
Reversion History:
| Version | Date | Modification |
| 1.0 | 2019.01.20 | |
Overview
CDZ-N2EFR32-00 is A highly integrated Zigbee module built-in a EFR32MG21 chip, The Silicon EFR32MG21 using the Industry`s advanced CMOS low-power process integrated ARM Cortex-M33 32-bit with DSP instruction and floating-point unit(FPU) for efficient signal processing.
Features
- Support Zigbee
- RF transmit power with level control, support
- GFSK receiver sensitivity
- Builted-in ARM Cortex-M3 processor, 32-bit fixed-point core
- Supports Cypress proprietary data rate up to 2Mbps
- Supports UART interface for debug and programming, I2C, ADC , SPI, and
- PWM interface
General Specification
| Model | CDZ-N2EFR32-00 |
| Product Name | Zigbee module |
| Major Chipset | EFR32MG21A010F512 IM32 |
| Wireless Standard | 802.15.4 |
| Profiles | Zigbee , ZigbeePRO , ZigbeeRF4CE , 6LoWPAN |
| Modulation Method | 2GFSK |
| Frequency Band | 2.400~2.483.5 GHz |
| Operation Range | Up to 150 meters in open space |
| Supply Voltage (Vbat) | DC +3.0V ~ +3.8V |
| Power current(Zigbee) | Up to 33.1 mA (+10 dB) |
| Driver current (PWM) | 16 mA |
| Operating Temperature | -40~ +125°C ambient temperature |
| Maximum Junction Temperature | +135°C |
| Storage Temperature | -50 ~ 150°C ambient temperature |
| Humidity | 5 to 90 % maximum (non-condensing) |
| ESD Protection | 2KV |
| Dimension | 20.0 x 14.7 x 2.5 mm (LxWxH) ±0.15mm |
Pin Description

| NO | Name | Description |
| 1 | VDD | POWER(+3.0~+3.8V Input) |
| 2 | GND | Ground |
| 3 | PWM | Configure PWM |
| 4 | PWM | Configure PWM |
| 5 | PWM | Configure PWM |
| 6 | PWM | Configure PWM |
| 7 | ADC | Analogue programmable input |
| 8 | GND | Ground |
| 9 | GND | Ground |

RST—-RESET
PA01—SW_CLK
PA02— SW_DIO
PA03—SWO
PA05—UART_TX
PA06—UART_RX
PC04—PTI_DATA
PC05—PTI_SYNC
Critical material
| Crystal | 38.4Mhz | TXC |
| SOC | EFR32MG21A010F512 | Silicon |
| PCBA VER | 132-N2EFR32-01 | A , O |
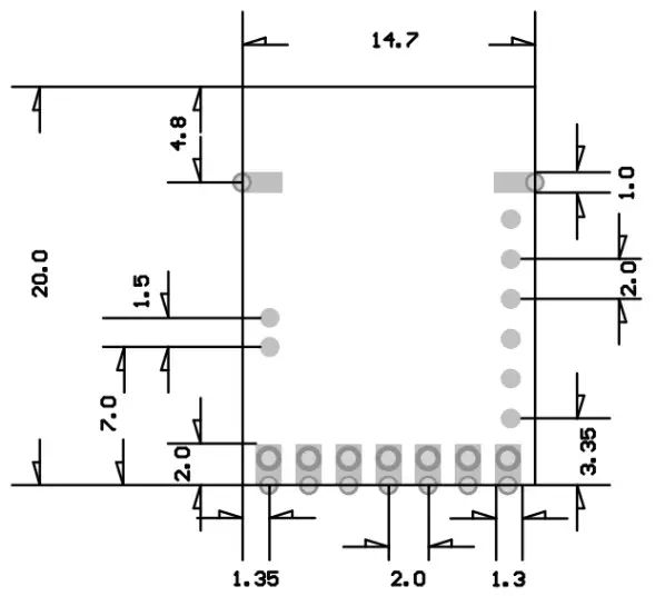
Recommended PCB Layout
UNIT: MM ±0.15
Recommended Reflow Profile
Referred IPC/JEDEC standard.
Peak Temperature : <250°C
Number of Times : 2 times
Package
ESD CAUTION
The CDZ-N2EFR32-00 is ESD (electrostatic discharge) sensitive device and may be damaged with ESD or spike voltage. Although CDZ-N2EFR32-00 is with built-in ESD protection circuitry, please handle with care to avoid the permanent malfunction or the performance degradation.
Federal Communication Commission Interference Statement
This device complies with Part 15 of the FCC Rules. Operation is subject to the following two conditions:
- This device may not cause harmful interference, and
- this device must accept any interference received, including interference that may cause undesired operation.
This equipment has been tested and found to comply with the limits for a Class B digital device, pursuant to Part 15 of the FCC Rules. These limits are designed to provide reasonable protection against harmful interference in a residential installation. This equipment generates, uses and can radiate radio frequency energy and, if not installed and used in accordance with the instructions, may cause harmful interference to radio communications. However, there is no guarantee that interference will not occur in a particular installation. If this equipment does cause harmful interference to radio or television reception, which can be determined by turning the equipment off and on, the user is encouraged to try to correct the interference by one of the following measures:
- Reorient or relocate the receiving antenna.
- Increase the separation between the equipment and receiver.
- Connect the equipment into an outlet on a circuit different from that to which the receiver is connected.
- Consult the dealer or an experienced radio/TV technician for help. FCC Caution: Any changes or modifications not expressly approved by the party responsible for compliance could void the user’s authority to operate this equipment. This transmitter must not be co-located or operating in conjunction with any other antenna or transmitter.
FCC ID:ROW-CDZ-N2EFR3200
IC:23734-N2EFR32
Radiation Exposure Statement:
This equipment complies with FCC radiation exposure limits set forth for an uncontrolled environment. This equipment should be installed and operated with minimum distance 20cm between the radiator & your body. This device is intended only for OEM integrators under the following conditions:
- The antenna must be installed such that 20 cm is maintained between the antenna and users, and
- The transmitter module may not be co-located with any other transmitter or antenna.
As long as 2 conditions above are met, further transmitter test will not be required. However, the OEM integrator is still responsible for testing their end-product for any additional compliance requirements required with this module installed
IMPORTANT NOTE: In the event that these conditions can not be met (for example certain laptop configurations or co-location with another transmitter), then the FCC authorization is no longer considered valid and the FCC ID can not be used on the final product. In these circumstances, the OEM integrator will be responsible for re-evaluating the end product (including the transmitter) and obtaining a separate FCC authorization.
End Product Labeling
This transmitter module is authorized only for use in device where the antenna may be installed such that 20 cm may be maintained between the antenna and users. The final end product must be labeled in a visible area with the following: “Contains FCC ID: ROW-CDZ-N2EFR3200”. The grantee’s FCC ID can be used only when all FCC compliance requirements are met. Manual Information To the End User The OEM integrator has to be aware not to provide information to the end user regarding how to install or remove this RF module in the user’s manual of the end product which integrates this module. The end user manual shall include all required regulatory information/warnin
IC statement
This device contains licence-exempt transmitter(s)/receiver(s) that comply with Innovation, Science and Economic Development Canada’s licence-exempt RSS(s). Operation is subject to the following two conditions: This device may not cause interference. This device must accept any interference, including interference that may cause undesired operation of the device.



















