HQ-POWER LEDA03C DMX Controller Output LED Power and Control Unit

Controller Output LED Power and Control Unit
How to turn the controller line from 3- pins into 5-pins (plug and socket) 
Introduction
To all residents of the European Union
Important environmental information about this product
This symbol on the device or the package indicates that disposal of the device after its lifecycle could harm the environment.
Do not dispose of the unit (or batteries) as unsorted municipal waste; it should be taken to a specialized company for recycling.
This device should be returned to your distributor or to a local recycling service. Respect the local environmental rules.
If in doubt, contact your local waste disposal authorities.
Thank you for buying the LEDA03C! It should come with a controller and this manual. If the device was damaged in transit, don’t install or use it and contact your dealer. Please read the manual thoroughly before bringing this device into service.
Safety Instructions
| Be very careful during the installation: touching live wires can cause life-threatening electroshocks. |
| Always disconnect mains power when device not in use or when servicing or maintenance activities are performed. Handle the power cord by the plug only. |
| Keep this device away from children and unauthorized users. |
| Caution: device heats up during use. |
| There are no user-serviceable parts inside the device. Refer to an authorized dealer for service and/or spare parts. |
- This device falls under protection class It is therefore essential that the device be earthed. Have a qualified person carry out the electric connection.
- Make sure that the available voltage does not exceed the voltage stated in the specifications of this
- Do not crimp the power cord and protect it against Have an authorised dealer replace it if necessary.
- Respect a minimum distance of 5m between the connected light output and any illuminated surface.
- Do not stare directly at the connected light source, as this may cause epileptic seizure in sensitive people
General Guidelines
Refer to the Velleman® Service and Quality Warranty on the last pages of this manual.
Indoor use only. Keep this device away form rain, moisture, splashing and dripping liquids.
Keep this device away from dust and extreme heat. Make sure the ventilation openings are clear at all times.
Protect this device from shocks and abuse. Avoid brute force when operating the device.
- Familiarize yourself with the functions of the device before actually using it. Do not allow operation by unqualified people. Any damage that may occur will most probably be due to unprofessional use of the device.
- All modifications of the device are forbidden for safety Damage caused by user modifications to the device is not covered by the warranty.
- Only use the device for its intended All other uses may lead to short circuits, burns, electroshocks, lamp explosion, crash, etc. Using the device in an unauthorized way will void the warranty.
- Damage caused by disregard of certain guidelines in this manual is not covered by the warranty and the dealer will not accept responsibility for any ensuing defects or
- A qualified technician should install and service this
- Do not switch the device on immediately after it has been exposed to changes in Protect the device against damage by leaving it switched off until it has reached room temperature.
- Lighting effects are not designed for permanent operation: regular operation breaks will prolong their
- Use the original packaging if the device is to be
- Keep this manual for future
Features
- Auto-, sound-, DMX or master / slave mode
- 18 preset colours + 6 built-in programs with or without DMX
- Sound activation possible via DMX mode
- Connection possibility for up to 12 x LEDA03 (not )
- Indoor use only
Overview
Refer to the illustrations on page 2 of this manual
| A | ON/OFF-switch | C | display |
|
B | Menu button | D | output port (RJ45) |
| Enter button | E | DMX input | |
| Up (…) button | F | DMX output | |
| Down (,..) button | G | power cord |
| Hardware setup | 4 | splitter | |
| 1 | External DMX controller | 5 | LED lamp |
| 2 | LEDA03C | 6 | DMX cable |
| 3 | linking cable | 7 | DMX terminator |
| Note: [1], [3], [4], [5], [6] and [7] not included. [2], 1x included. [3] + [4] + [5] = LEDA03 | |||
Hardware installation
Refer to the illustrations on page 2 of this manual.
- The LEDA03C can be used stand alone or in combination with other LEDA03C Note that each
LEDA03C requires its own power supply (mains outlet).
- A LEDA03C can control up to 12 LED-lamps (LEDA03, not ) via the RJ45 output [D].
Mounting
- Have the device installed by a qualified person, respecting EN 60598-2-17 and all other applicable
- Install the device in a location with few passers-by and inaccessible to unauthorized
- Have a qualified electrician carry out the electrical
- Make sure there is no flammable material within a 50cm radius of the device Make sure the ventilation openings are clear at all
- Connect one or more (max. 12) LEDA03s to the output Refer to the illustration on page 2 of this manual and to the user manual that comes with the LEDA03 for more information.
- Connect the device to the mains with the power plug. Don’t connect it to a dimming pack.
- The installation has to be approved by an expert before the device is taken into Service.
DMX-512 connection
Refer to the illustrations on page 2 of this manual.
- When applicable, connect an XLR cable to the female 3-pin XLR output of a controller ([1], not ) and the other side to the male 3-pin XLR input [E] of the LEDA03C. Multiple LEDA03Cs can be linked through serial linking. The linking cable should be a dual core, screened cable with XLR input and output connectors.
- A DMX terminator is recommended for installations where the DMX cable has to run a long distance or is in an electrically noisy environment (e.g. discos). The terminator prevents corruption of the digital control signal by electrical The DMX terminator is simply an XLR plug with a 120Ω resistor between pins 2 and 3, which is then plugged into the XLR output socket [F] of the last device in the chain.
Operation
Refer to the illustrations on page 2 of this manual.
- The LEDA03C can work in 3 modes: automatic (pre-programmed), sound controlled or DMX-
- Make sure all connections are properly made and plug the power cord [G] into a suitable mains
- Switch on the LEDA03C with the ON/OFF-switch [A]. The system will start up in the same mode it was in when it was switched
- Use the control buttons [B] to configure the
Note: press and hold the control buttons for faster setting.
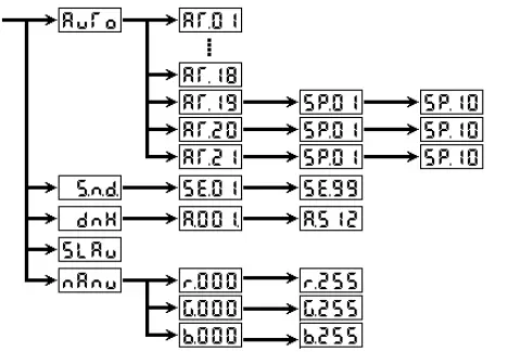
menu overview
- Auto mode
- In this mode, you can select one of the 18 preset static colours or 3 build-in programs to run the whole system
- Press the menu button and press the up- or down button until the display [C] shows .
- Press the enter button and use the up- or down button to select the desired output

- When selecting , AR19 AR20, or AR21 , press the enter button again and use the up- or down button to set the changing speed

- Sound mode
- In this mode, colour step changing is activated by the beat of the
- Press the menu button and press the up- or down button until the display [C] shows 5 nd.
- Press the enter button and use the up- or down button to set the sound sensitivity:
5301: very high sensitivity
53.99: very low sensitivity
- DMX mode
- In DMX mode, the system can be controlled via 6
- All DMX-controlled devices need a digital start address so that the correct device responds to the This digital start address is the channel number from which the device starts to “listen” to the DMX controller. The same starting address can be used for a whole group of devices or an individual address can be set for every device.
- When all devices have the same address, all the units will “listen” to the control signal on one particular In other words: changing the settings of one channel will affect all devices simultaneously. If you set individual addresses, each device will “listen” to a separate channel number. Changing the settings of one channel will only affect the device in question.
- In case of the 6-channel LEDA03C, you will have to set the start address of the first unit to 001, the second unit to 007 (1 + 6), the third to 013 (7 + 6), and so
- Press the menu button and press the up- or down button until the display [C] shows dnh .
- Press the enter button and use the up- or down button to set the DMX address:
![]()
| CH1 | 0 – 150: colour mixing | 151 – 230: colour macros and auto programs | 231 – 255: sound activation |
| CH2 | red: 0-100% | select 18 colours or 2 programs | – |
| CH3 | green: 0-100% | speed: slow to fast | – |
| CH4 | blue: 0-100% | – | – |
| CH5 | strobe: 0-20: no function 21-255: slow to fast | strobe: 0-20: no function 21-255: slow to fast | – |
| CH6 | dimming: 0: intensity 100% 255: intensity 0% | dimming: 0: intensity 100% 255: intensity 0% | – |
- When the value of channel 1 is between 151 and 230, the function of channel 2 is given below:
| 1 ~ 12 | red | 92 ~103 | orange | 182 ~ 195 | chocolate |
| 13 ~ 25 | green | 104 ~ 116 | purple | 195 ~ 207 | light blue |
| 26 ~ 38 | blue | 117 ~ 129 | yellow/green | 208 ~ 220 | violet |
| 39 ~ 51 | yellow | 130 ~ 142 | pink | 221 ~ 233 | gold |
| 52 ~ 64 | magenta | 143 ~ 155 | sky blue | 234 ~ 246 | step change |
| 65 ~77 | cyan | 156 ~ 168 | orange/red | 247 ~ 255 | cross fade |
| 78 ~ 91 | white | 169 ~ 181 | pale green | ||
- When the value of channel 1 is between 231 and 255, the system is running in sound Set the sound sensitivity level according to desired effect and ambient noise levels
Slave mode
- In slave mode, the LEDA03C will respond according to the control signals it receives on the DMX input [E] and forwards these signals on its output [F]. This way multiple devices can run.
- Press the menu button and press the up- or down button until the display [C] shows SLA u .
Note: the first LEDA03C in the DMX-chain can not be set to slave. It can run an internal program or can be connected to an external DMX controller (not incl.). The last LEDA03C in the chain must have a terminator installed to avoid DMX signal corruption.
Manual mode
- In manual mode, you can set the red, green and blue LED outputs individually, thus creating your own output
- Press the menu button and press the up- or down button until the display [C] shows nAnu.
- Press the enter button and use the up- or down button to select a Press the up- or down button to set the intensity (0 = off, 255 = full brightness):

Technical specifications
| Power supply | 230VAC ~ 50Hz |
| Power consumption | max. 36W |
| Data output | RJ45 |
| Dimensions | 125 x 70 x 194mm |
| Weight | 1.65kg |
| Ambient temperature | max. 45°C |
Use this device with original accessories only. Vellemannv cannot be held responsible in the event of damage or injury resulted from (incorrect) use of this device. For more info concerning this product, please visit our website www.hqpower.eu. The information in this manual is subject to change without prior notice.
COPYRIGHT NOTICE
This manual is copyrighted. The copyright to this manual is owned by Velleman nv. All worldwide rights reserved. No part of this manual may be copied, reproduced, translated or reduced to any electronic medium or otherwise without the prior written consent of the copyright holder



















