LUMASCAPE Nero NE2 LS333ANS-2COB Underwater Luminaire

Please read and follow all safety instructions carefully. Failure to do so will void warranty.
WARNING: Product Warranty is void if product is not installed as per installation instructions and in compliance with all local and provincial codes.
- Ensure installation complies with local electrical rules and regulations.
- ll electrical work must be performed by a licensed electrician.
- Class III product SELV (symbol 3).
- For LED Options 2,700K, 3,000K, Red, Green, Blue, RGBA, RGBW, Tunable White: This product contains a light source of energy efficiency class G.
- For LED Options 3,500K, 4,000K, 5,000K: This product contains a light source of energy efficiency class F.
- l luminaires may become hot. Use discretion on where the luminaire is mounted. Take care when setting luminaire as it may become hot.
- luminaire should only be used complete with protective shield. If protective shield is cracked, immediately stop using luminaire. Isolate light source, keep it dry and immediately contact Lumascape for replacement of protective shield (symbol 10).
- If the external flexible cable or cord of this luminaire is damaged, it shall be exclusively replaced by Lumascape or their service agent in order to avoid a hazard.
- The light source contained in this luminaire shall only be replaced by Lumascape or their service agent.\
- To reduce the risk of strangulation the flexible wiring connected to this luminaire shall be effectively fixed to the wall if the wiring is within arm’s reach.
- Ensure mains input power is surge protected.
- Terminal block not included. Installation must be performed by a qualified person.
- For operation only with safety isolating transformer (symbol 22).
- Never make or break connections while the circuit is energized.
- Do not make modifications or alter the product.
- Keep luminaire clean and free of debris.
- Only clean with warm water.
- Do not use chemicals or abrasives to clean luminaire as this may void the product warranty.
- Connections are to be kept clean and dry at all times.
- Suitable for use in pools and spas.
MODEL
- LS333ANS-2COB/2LED
PART NUMBER
- LS333ANS-2COB-xxW xxx xx xx x xxx
- LS333ANS-2LED-xxW xxx xx xx x xxx
INSTALLATION TYPE
- UNDERWATER
IP RATING
- IP68
SUPPLY VOLTAGE
- Low Voltage 30 Vdc (LS333ANS-2COB)
- Low Voltage 24 Vdc (LS333ANS-2LED)
INSTRUCTIONS COVER
- D5 DIMMABLE
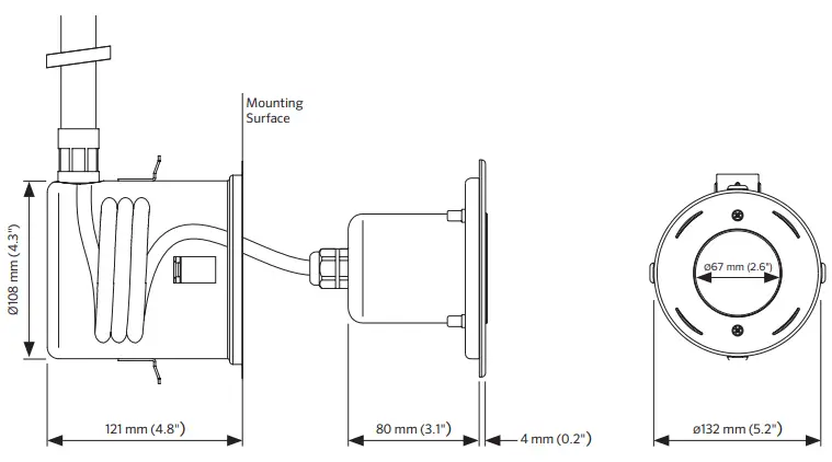
DIMENSIONS (LxWxH)
- Refer to included drawings
WEIGHT
- 35 lbs (1.6 kg)
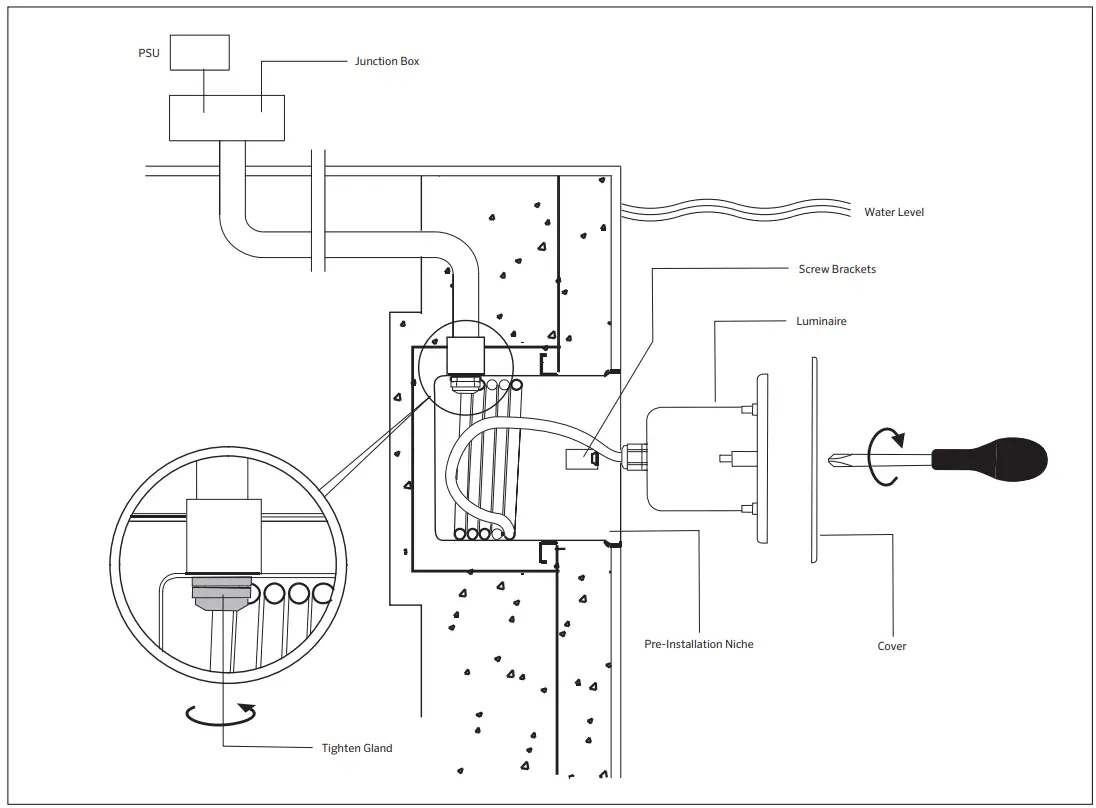
Tools Required

Included Components
- Instructions

- Luminaire

- Pre-Installation Kit

- Lid

- Shield

- Screws (International)

- Conduit (International)

- Washers (North America)

- O-Rings (North America)

Assembly Instructions


Wiring Designations
Single Color Dimmable
Designation Color
Positive Red
Negative Black
PWM + Orange
PWM – Gray
Single Color Non-Dimmable
Designation Color
Positive White or Red
Negative Black
Dimensions
International Configuration

North America Configuration



























