ARGB 360 Aqua ARGB 360 Liquid Cooler
User Manual
INSTALL CONTENTS

PREPARATION
Intel LGA115X / 1200 / 1366 / 775

SPECIFICATIONS
| Product Name | POSEIDON LT ARGB 360 |
| CPU Socket | Intel Socket LGA 775 / 1155 / 1156 / 1200 / 1366 / 1700 / 2011 / 2066 (Core i3 / i5 / i7 CPU) AMD TR4 / AM5 / AM4 / FM2 / FM1 / AM3+ / AM3 / AM2+ / AM2 CPU |
Water Block & Pump
| Dimensions (WxDxH) | 60 x 60 x 50 mm |
| Cold Plate Material | Copper |
| Pump Speed | 3200 ± 10% R.P.M |
| Rated Voltage | 12 VDC |
| Rated Current | 0.39 A |
| Power Consumption | 4.68 W |
| Connector | SATA & 5V RGB |
Radiator
| Type | 360mm |
| Dimension (WxDxH) | 274 x 120 x 27mm |
| Material | Aluminum |
Tubing
| Material | Durable Rubber with Sleeves |
| Length | 400 mm |
Fans
| Fan Model | VA120 ARGB |
| Fan Quantity | 3 |
| Dimensions (WxDxH) | 120 x 120 x 25 mm |
| Bearing Type | Hydraulic bearing |
| Fan Speed | 600-2000 ± 200 R.P.M |
| Air Flow | 74.47 CFM (Max.) |
| Air Pressure | 2.78 mm-H2O (Max.) |
| Acoustic Noise | 39.55 dBA (Max.) |
| Rated Voltage | 12 VDC |
| Rated Current | 0.32 A |
| Power Consumption | 3.36 W ± 10% |
| Cable Length | Fan power: 600 mm |
| Connector & Control | 4 Pin PWM |
PACKAGE CONTAINS
| POSEIDON LT ARGB 360 x 1 | VA120 ARGB x 3 | Wireless Controller x1 |
| Mounting Kit x 1 | 1 to 2 Fan Splitter x 1 | User Manual x 1 |
Intel LGA20XX

Intel LGA1700

AMD

PREPARATION
AMD TR4

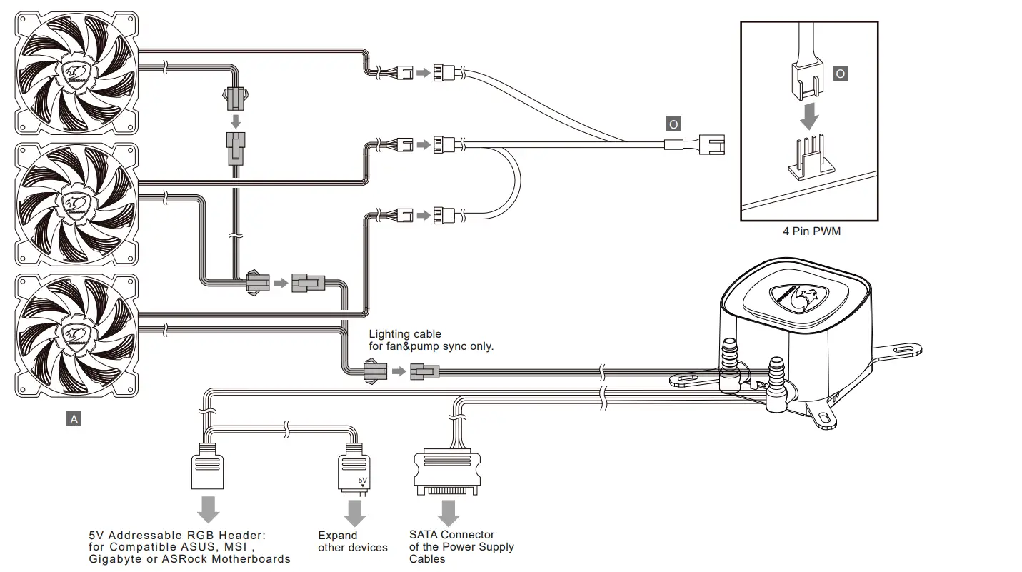
INSTALLATION


If you want to synchronize the lighting effects with more ARGB devices, we recommend you to use our Core Box V3/V2 (sold separately). They have compatible motherboard’s 3-pin 5V Addressable RGB headers for system-wide synchronization.
* CORE BOX V3 / CORE BOX V2 are NOT included, please purchase separately.
MODE SWITCHING
Poseidon LT ARGB must be connected to 5V Addressable RGB header.
Default: Remote Controller
→Press Once: Motherboard Driver RGB Control
→Press Again: Turn Off RGB Lighting
REMOTE CONTROLLER

Press and hold for 5 seconds until the device’s backlight changes to red :
Bind your Poseidon LT ARGB to this Controller (If a nearby controller is interfering with your Poseidon LT ARGB, youcan make use of the binding functionality to prevent that Poseidon LT ARGB from receiving commands from any controller other than the one it’s bound to)
Press and hold for 5 seconds until the device’s backlight changes to white :
Unbind Your Poseidon LT ARGB (If you lose your controller after binding, use the new Controller to unbindthe Poseidon LT ARGB before using it)
GLOBAL WARRANTY POLICY
WARRANTY PERIODS OF COUGAR GAMING DEVICES
Product : COUGAR POSEIDON LT ARGB series CPU liquid cooler
Warranty : 5 Years
This warranty gives you specific legal rights. You may also have other rights granted under local law. These rights may vary.
WARRANTY AGREEMENT
- If the product has defects in material or manufacture, COUGAR will provide product repair and replacement service within the warranty period.
- Our warranty service is based on the date of the invoice or warranty card (must be affixed with the store stamp).
If you lose the aforementioned evidence, we will apply the original shipping date of the product as the beginning date of warranty period. The shipping date will be identified by the product serial number(S/N).
CONDITIONS WHERE FREE MAINTENANCE IS NOT PROVIDED
- Any fault or damage caused by natural disasters (including storm, fire, flood, thunder, earthquake, etc).
- Any fault or damage caused by accidental factors and man-made reasons (including hit, scrape, crash, moving, compression, stain, corrosion, use of incurred on unsuitable voltage, computer virus, riot, misuse, malicious damage, etc).
- Use in an improper operating environment (including high temperature, high humidity, water inflow, etc).
- Inability to provide the product warranty card, purchase receipt or invoice to prove the product is still within the warranty period and the shipping date of the product is out of warranty.
- The warranty card or product serial number has been altered or its number is hard to identify.
- The warranty period has expired.
- Any fault or damage caused by non-compliance with regulations stated on the user manual or improper, rough and careless treatment.
- Any fault or damage caused by use of parts not certified by COUGAR original manufacturer.
- The problem is caused by improper repair or adjustment by the buyer or any manufacturer without authorization from COUGAR.
- The product is not acquired from an authorized distributor of the company or is acquired from illicit sources.
- Paper carton, instruction and other accessories are not warranted.
DISCLAIMERS
- COUGAR product is not authorized for use as critical components in life support device or for incorrect application software or malfunction of the product.
- COUGAR is not liable for the death or damage of person or loss of property when product is using as, including but not limited to, medical equipment, military equipment, traffic equipment and disaster prevention system.
- COUGAR is not liable for any damages, expenses, lost data, lost revenues, lost savings, lost profits, or any incidental or consequential damages due to using defect product of COUGAR.
If you have any question about the warranty, please feel free to contact us.
Customer support: https://cougargaming.com/support/contact/upload/
LEGAL NOTICES
This manual was created by Compucase Enterprise and may not be completely or partially copied, passed on, distributed or stored without written consent by Compucase Enterprise.
COUGAR® is a registered brand of Compucase Enterprise Other product and company names mentioned in this documentation may be brands or trademarks of their respective owners.
Compucase Enterprise reserves the right to make changes concerning the contents of the manual and the technical data of the product without previous announcement.
MANUFACTURER CONTACT
Official website
www.cougargaming.com
COUGAR USA Technical Service
Tel: (833) 256-3778
Mail:[email protected]
Compucase Enterprise Co.,Ltd.
All rights reserved. Made in China


















