

DEMO MANUAL DC2362A
LT3033
3A, 0.95V to 10V Very Low Dropout Linear
Regulator with Programmable Current Limit
DESCRIPTION
Demonstration circuit 2362A is an adjustable 3A linear regulator featuring the LT® 3033. The LT3033 is a very low dropout voltage (VLDO™) linear regulator that operates from a single input supply down to 0.95V. The device supplies a 3A output current with 95mV typical dropout voltage. The LT3033 is ideal for the low input voltage to low output voltage applications, providing comparable electrical efficiency to a switching regulator.
The LT3033 optimizes stability and transient response with low ESR ceramic output capacitors as small as 10µF. A 10nF bypass capacitor at REF/BYP pin typically reduces
output voltage noise to 60µVRMS in a 10Hz to 100kHz bandwidth. Soft-start time is directly proportional to the REF/BYP capacitor value.
The LT3033’s current limit, accurate to ±12% over a wide input voltage and temperature range, can be programmed by a single resistor. When the input-to-output differential voltage exceeds 5V, the foldback current limit lowers the internal current limit level, which may override the external programmable current limit.
LT3033 has a PWRGD pin which indicates when the ADJ pin is within 8% of its nominal value. By connecting an external pull-up resistor from PWRGD to either the IN or OUT pin, PWRGD is pulled low when the output falls below 90.1% of the regulated voltage. As the output voltage rises above 92% of its regulated voltage, the PWRGD pin voltage is pulled up.
The LT3033 features output current monitoring by connecting a resistor from the IMON pin to GND. The IMON pin is the collector of a PNP current mirror that outputs 1/2650th of the power PNP current. This circuitry is active for VIMON ≤ (VOUT – 400mV). The LT3033 also features shutdown, reverse-battery protection, thermal limiting with hysteresis, and reverse current protection.
The LT3033 is available as an adjustable device with an output voltage down to the 200mV reference. The device is available in a thermally enhanced, low profile 3mm × 4mm × 0.75mm QFN package.
The LT3033 data sheet gives a complete description of the part, operation, and application information. The data sheet must be read in conjunction with this quick start guide for demo circuit 2362A.
Design files for this circuit board are available.
All registered trademarks and trademarks are the property of their respective owners.
PERFORMANCE SUMMARY
Specifications are at TA = 25°C
| PARAMETER | CONDITIONS | MIN | TYP | MAX | UNITS |
| Input Voltage Range | Your = 0.9V | 1. | 10 | V | |
| Output Voltage V0u-r | Shunt at 0.9V for JP2 | 0.863 | 0.899 | 0.935 | V |
| Shunt at 1V for JP2 | 0.966 | 1.006 | 1.046 | V | |
| Shunt at 1.2V for JP2 | 1.152 | 1.2 | 1.248 | V | |
| Shunt at 1.5V for JP2 | 1.44 | 2.5 | 2.56 | V | |
| Shunt at 1.8V for JP2 | 1.74 | 2.81 | 2.88 | V | |
| Shunt at 5V for JP2 | 4.86 | 5.06 | 5.26 | V | |
| Maximum Output Current | Shunt at 2A for JP3 | 1.8 | 2 | 2.2 | A |
QUICK START PROCEDURE
Demonstration circuit 2362A is easy to set up to evaluate the performance of the LT3033. Refer to Figure 1 for proper measurement equipment setup and follow the procedure
below.
NOTE: The shutdown jumper JP1 shunt is required to be in the OFF or ON position for proper operation.
NOTE: The PWRGD jumper JP4 shunt is required to be in the IN or OUT position for proper operation.
- Use JP2 to set the desired output voltage. Use JP3 to set the output current limit at 2A or NA (NA = not applicable; internal current limit). Place the JP1 shunt in the ON position.
- With power off, connect the power supply, load, and meters as shown in Figure 1.
- Turn on the power at the input.
NOTE: Make sure that the input voltage does not exceed 10V. - Check for the proper output voltage.
NOTE: If there is no output, temporarily disconnect the load to make sure that the load is not set too high or is shorted. - Once the proper output voltage is established, adjust the input voltage and load current within the operating range and observe the output voltage regulation, ripple voltage, efficiency, and other parameters.
NOTE: When measuring the input or output voltage ripple, care must be taken to avoid a long ground lead on the oscilloscope probe. Measure the output voltage ripple by touching the probe tip directly across the +VOUT and GND terminals. See Figure 2 for the proper scope probe technique.
NOTE: Make sure that the power dissipation is limited below the thermal limit.


PARTS LIST
Required Circuit Components
| ITEM | QTY | REFERENCE | PART DESCRIPTION | MANUFACTURER/PART NUMBER |
| 1 | 1 | C1 | CAP., TANT., 33µF, 16V, 20% 6032 | AVX, TAJW336M016 |
| 2 | 2 | C2, C3 | CAP., X7R, 10µF, 25V, 10% 1206 | MURATA, GRM31CR71E106KA12L |
| 3 | 1 | C6 | CAP., X7R, 10nF, 25V, 10% 0402 | MURATA, GRM155R71E103KA01D |
| 4 | 2 | R1, R3 | RES., CHIP, 100k, 1/16W, 1% 0402 | VISHAY, CRCW0402100KFKED |
| 5 | 1 | R2 | RES., CHIP, 13.7k, 1/16W, 1% 0402 | VISHAY, CRCW040213K7FKED |
| 6 | 1 | R4 | RES., CHIP, 15.8k, 1/16W, 1% 0402 | VISHAY, CRCW040215K8FKED |
| 7 | 1 | R5 | RES., CHIP, 19.6k, 1/16W, 1% 0402 | VISHAY, CRCW040219K6FKED |
| 8 | 1 | R6 | RES., CHIP, 442Ω, 1/16W, 1% 0402 | VISHAY, CRCW0402442RFKED |
| 9 | 1 | R7 | RES., CHIP, 3.92k, 1/16W, 1% 0402 | VISHAY, CRCW04023K92FKED |
| 10 | 1 | R8 | RES., CHIP, 25.5k1/16W, 1% 0402 | VISHAY, CRCW040225K5FKED |
| 11 | 1 | R9 | RES., CHIP, 31.6k1/16W, 1% 0402 | VISHAY, CRCW040231K6FKED |
| 12 | 1 | R10 | RES., CHIP, 0Ω, 1/16W, 1% 0402 | VISHAY, CRCW04020000Z0ED |
| 13 | 1 | R11 | RES., CHIP, 249Ω, 1/16W, 1% 0402 | VISHAY, CRCW0402249RFKED |
| 14 | 1 | R12 | RES., CHIP, 95.3k, 1/16W, 1% 0402 | VISHAY, CRCW040295K3FKED |
| 15 | 1 | U1 | I.C. LINEAR REGULATOR | ANALOG DEVICES, LT3033EUDC#PBF |
Additional Demo Board Circuit Components
| 1 | 1 | C4 | CAP., 7343 | |
| 2 | 3 | C5, C7, C8 | CAP., 0402 | |
| 3 | 1 | R13 | RES., 0402 |
Hardware: For Demo Board Only
| 1 | 7 | E1, E2, E3, E4, E5, E6, E7 | TESTPOINT, TURRET, .094″ pbf | MILL-MAX, 2501-2-00-80-00-00-07-0 |
| 2 | 3 | JP1, JP3, JP4 | HEADER 3 PIN 0.079 SINGLE ROW | WURTH ELEKTRONIK, 620 003 111 21 |
| 3 | 1 | JP2 | 2X7, 0.079 DOUBLE ROW HEADER | SAMTEC, TMM107-02-L-D |
| 4 | 4 | XJP1-XJP4 | SHUNT, 0.079″ CENTER | WURTH ELEKTRONIK, 608 002 134 21 |
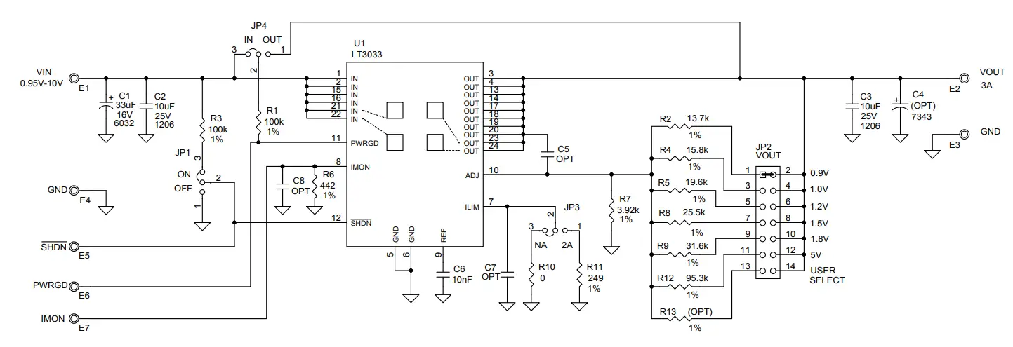
SCHEMATIC DIAGRAM

NOTE: UNLESS OTHERWISE SPECIFIED
1. ALL RESISTORS AND CAPACITORS ARE IN 0402.
Information furnished by Analog Devices is believed to be accurate and reliable. However, no responsibility is assumed by Analog Devices for its use, nor for any infringements of patents or other rights of third parties that may result from its use. Specifications are subject to change without notice. No license is granted by implication or otherwise under any patent or patent rights of Analog Devices.
ESD Caution
ESD (electrostatic discharge) sensitive device. Charged devices and circuit boards can discharge without detection. Although this product features patented or proprietary protection circuitry, damage may occur on devices subjected to high-energy ESD. Therefore, proper ESD precautions should be taken to avoid performance degradation or loss of functionality.
Legal Terms and Conditions
By using the evaluation board discussed herein (together with any tools, components documentation or support materials, the “Evaluation Board”), you are agreeing to be bound by the terms and conditions set forth below (“Agreement”) unless you have purchased the Evaluation Board, in which case the Analog Devices Standard Terms and Conditions of Sale shall govern. Do not use the Evaluation Board until you have read and agreed to the Agreement. Your use of the Evaluation Board shall signify your acceptance of the Agreement. This Agreement is made by and between you (“Customer”) and Analog Devices, Inc. (“ADI”), with its principal place of business at One Technology Way, Norwood, MA 02062, USA. Subject to the terms and conditions of the Agreement, ADI hereby grants to Customer a free, limited, personal, temporary, non-exclusive, non-sublicensable, non-transferable license to use the Evaluation Board FOR EVALUATION PURPOSES ONLY. The customer understands and agrees that the Evaluation Board is provided for the sole and exclusive purpose referenced above, and agrees not to use the Evaluation Board for any other purpose. Furthermore, the license granted is expressly made subject to the following additional limitations: Customer shall not (i) rent, lease, display, sell, transfer, assign, sublicense, or distribute the Evaluation Board; and (ii) permit any Third Party to access the Evaluation Board. As used herein, the term “Third Party” includes any entity other than ADI, Customer, their employees, affiliates and in-house consultants. The Evaluation Board is NOT sold to the Customer; all rights not expressly granted herein, including ownership of the Evaluation Board, are reserved by ADI. CONFIDENTIALITY. This Agreement and the Evaluation Board shall all be considered the confidential and proprietary information of ADI. The customer may not disclose or transfer any portion of the Evaluation Board to any other party for any reason. Upon discontinuation of use of the Evaluation Board or termination of this Agreement, the Customer agrees to promptly return the Evaluation Board to ADI. ADDITIONAL RESTRICTIONS. Customers may not disassemble, decompile or reverse engineer chips on the Evaluation Board. The customer shall inform ADI of any occurred damages or any modifications or alterations it makes to the Evaluation Board, including but not limited to soldering or any other activity that affects the material content of the Evaluation Board. Modifications to the Evaluation Board must comply with applicable law, including but not limited to the RoHS Directive. TERMINATION. ADI may terminate this Agreement at any time upon giving written notice to the Customer. The customer agrees to return to ADI the Evaluation Board at that time. LIMITATION OF LIABILITY. THE EVALUATION BOARD PROVIDED HEREUNDER IS PROVIDED “AS IS” AND ADI MAKES NO WARRANTIES OR REPRESENTATIONS OF ANY KIND WITH RESPECT TO IT. ADI SPECIFICALLY DISCLAIMS ANY REPRESENTATIONS, ENDORSEMENTS, GUARANTEES, OR WARRANTIES, EXPRESS OR IMPLIED, RELATED TO THE EVALUATION BOARD INCLUDING, BUT NOT LIMITED TO, THE IMPLIED WARRANTY OF MERCHANTABILITY, TITLE, FITNESS FOR A PARTICULAR PURPOSE OR NON-INFRINGEMENT OF INTELLECTUAL PROPERTY RIGHTS. IN NO EVENT WILL ADI AND ITS LICENSORS BE LIABLE FOR ANY INCIDENTAL, SPECIAL, INDIRECT, OR CONSEQUENTIAL DAMAGES RESULTING FROM THE CUSTOMER’S POSSESSION OR USE OF THE EVALUATION BOARD, INCLUDING BUT NOT LIMITED TO LOST PROFITS, DELAY COSTS, LABOR COSTS, OR LOSS OF GOODWILL. ADI’S TOTAL LIABILITY FROM ANY AND ALL CAUSES SHALL BE LIMITED TO THE AMOUNT OF ONE HUNDRED US DOLLARS ($100.00). EXPORT. The customer agrees that it will not directly or indirectly export the Evaluation Board to another country and that it will comply with all applicable United States federal laws and regulations relating to exports. GOVERNING LAW. This Agreement shall be governed by and construed in accordance with the substantive laws of the Commonwealth of Massachusetts (excluding conflict of law rules). Any legal action regarding this Agreement will be heard in the state or federal courts having jurisdiction in Suffolk County, Massachusetts, and the Customer hereby submits to the personal jurisdiction and venue of such courts. The United Nations Convention on Contracts for the International Sale of Goods shall not apply to this Agreement and is expressly disclaimed.

UG-1417 Rev 0
UG17145-0-9/18(0)
www.analog.com
© ANALOG DEVICES, INC. 2018
Downloaded from Arrow.com.

















