SIRMAN BLITZ Food Processor

FOREWORD
This manual has been drawn up to provide the customer with all information regarding the machine and the Standards connected to the same, as well as the use and maintenance instructions that allow the object to be used in the best way possible, maintaining its efficiency through time. This manual must be given to persons appointed to using the machine and its periodical maintenance.
INFORMATION REGARDING THE MACHINE
GENERAL PRECAUTIONS
The cutter must only be used by trained staff, which must be perfectly aware of the Safety Standards contained in this manual.
- In the event of staff turnover, envision training time.
- Before performing any cleaning or maintenance operation, disconnect the machine’s plug from the mains power supply.
- When intervening on the machine for maintenance or cleaning (and therefore guards are removed), assess residual risks thoroughly.
- During maintenance or cleaning, remain concentrated on the operation in progress.
- Check the state of the power supply cable regularly; a worn cable, or however not integral, represents a serious electrical danger.
- If the machine should imply or demonstrate malfunctioning, do not use it and do not intervene directly to repair; contact the “After-sales Centre”.
- Do not use the machine for frozen products, meat and fish with bones or any non-foodstuffs. Do not insert fingers into the hole on the lid with the machine operating.
The manufacturer is relieved of all liability in the following cases:- the machine is tampered with by unauthorised staff;
- components are replaced by non-original spare parts;
- if the instructions given in this manual are not followed thoroughly;
- the surfaces of the machine are treated with unsuitable products.
SAFETY DEVICES INSTALLED ON THE MACHINE
mechanical safety devices
For that regarding mechanical safety, the machine described in this manual satisfies the 2006/42/CE Directive.
Safety devices are obtained with (see 1.3.3) interlocked lid and processing tank.
electrical safety devices
Regarding electrical safety, the machine described in this manual satisfies the 2006/95/CE and 2004/108/CE Directives.
The machine is provided with:
- Mechanical micro switches, which make the machine stop if the lid is removed (see FIG.n°1), not allowing switch-on if said guard is not in the closed position;
- Relay in the command circuit, which requires voluntary re-start of the machine if there is an accidental power cut.
In spite of the CE professional cutter being provided with regulatory measures for mechanical and electric protections (both during operation and cleaning and maintenance phases), residual risks exist, which cannot be eliminated totally, recalled in this manual by the wording ATTENTION.
These are concerned with the cutting hazard deriving from handling the cutters during product loading and when cleaning and sharpening the cutte
DESCRIPTION OF THE MACHINE
general description
The CE professional cutter has been designed and manufactured by our company, with the precise purpose of chopping, shredding, mixing, emulsifying, kneading food products (e.g. vegetables, meat, bread, etc.) and to guarantee:
- maximum safety regarding use, cleaning and maintenance;
- maximum hygiene, obtained thanks to a detailed selection of materials that come into contact with the food stuffs, and with the elimination of edges in the cutter that come into contact with the product, in a way to obtain simple and total cleanliness as well as easy disassembly;
- strength and stability of all components;
- very easy handling.
construction features
The CE professional cutter is manufactured entirely in plastic material compatible with foodstuffs. This guarantees contact with the foodstuffs (hygiene) and the resistance to acids and salts as well as high resistance to oxidation. The cutters are in tempered and ground cutlery steel (AISI 420); they allow to cut, shred, whip and knead without having ever to change the tools.
composition of the machine FIG. n°1
General view of the machine

KEY:
- Lid with central hole
- Tank
- Power supply cable
- ON / OFF switches
- Feet
- Micro switch seat
- Micro switch control rod
- Vane
- Stainless steel cutters holder
- Cutters holder in ABS
- Scraper blade handle
- Scraper blade
TECHNICAL SPECIFICATIONS
CLEARANCE, WEIGHT, FEATURES
FIG. n°2 – Dimensional drawings

TAB. n°1 – CLEARANCE AND TECHNICAL SPECIFICATIONS
| Model | U.m. | Blitz |
| Power | Watt/Hp | 370/0,5 |
| Power supply | 230V 50/60Hz F+N | |
| Tank capacity | lt | 3,2 |
| Revs. | rr..p. | 2.800 |
| A x B x C | mm | 240x240x355 |
| Net weight | kg | 8 |
| Noise level | dB | 70£ |
ATTENTION: the electrical features, for which the machine is set-up, are indicated on a plate applied to the rear of the machine; before making the connection see 4.2 electric connection.
RECEIPT OF THE MACHINE
SHIPPING THE MACHINE (see FIG. n°3)
The cutter leaves our warehouses carefully packaged. The packaging is made up from:
- a) strong external cardboard box
- b) the machine
- c) the manual
- d) vane
- e) stainless steel cutters holder
- f) cuttters holder in ABS
- g) CE certificate of conformity.

CHECKING THE PACKAGING ON RECEIPT
On receipt of the package, if external damage is not detected, open the same and control that all material is present (see FIG. n°3). If, however, on receipt, there are signs of bad handling, blows or falls, the carrier must be informed of the damage and an accurate report regarding any damage to the machine must be drawn-up within three days from the date indicated on the documents. Do not turn the package upside down!! On transport, make sure it is fastened in the 4 fundamental points (keeping it parallel to the floor).
DISPOSING OF THE PACKAGING
The packaging components (cardboard, any pallets, plastic strapping and polyurethane foam) are products similar to urban waste; for this reason they can be disposed of easily.
If the machine is installed in countries with particular Standards, dispose of the packaging in compliance with that prescribed by the Standards in force.
INSTALLATION
POSITIONING THE MACHINE
The surface on which the machine is situated must consider the dimension of support indicated in Tab.1 (on the basis of the model), and therefore be large enough; it must be level, dry, smooth, strong and stable and have a height from the ground of about 80 cm. Moreover, the machine must be positioned in a non-saline environment with max. humidity of 75% and at a temperature between +5°C and +35°C; therefore in environments that do not lead to malfunctioning of the same.
ELECTRIC CONNECTION
The machine is supplied with a power supply cable with section of 3x1mm²; length 1.5 m and a “SHUKO” plug. Connect the 230 Volt 50 Hz machine and position a 10A, ∆ I = 0.03A circuit breaker switch. At this point, check that the earth plant functions perfectly. Also check that the data given on the technical-serial number plate (FIG. n°4) corresponds to the data given on the ship- ping and transport documents.

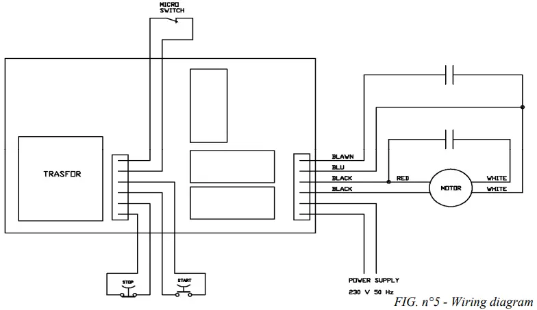
WIRING DIAGRAM
single-phase wiring diagram

CONTROLLING OPERATION
Check cutter operation with the following procedure:
- Check that the cutters holder is inserted correctly into the seat
- Close the lid, turning it anti-clockwise and controlling that the two closing attachments on the lid correspond to the relative latches on the tank
- At this point, activate the “ON” and “OFF” buttons
- Switch the cutter on by pressing the “ON” button and check that the machine stops operating by turning the lid clockwise.
USING THE MACHINE
COMMANDS
The commands are positioned on the body of the cutter, as represented in the figure below.

LOADING THE PRODUCT
ATTENTION! only work food products measuring no more than 5 cm3; they must not contain bones or hard parts. The goods to be cut must be loaded into the tank only with the motor at a standstill. The procedure is the following:
- turn the lid clockwise (ref.1 – FIG.n°1) and remove it from the machine;
- insert the type of cutter holder suitable for the job to be performed;
ATTENTION! put the product into the tank (ref.2 – FIG.n°1) paying great attention to the two stainless steel cutters. In the event of very large products, shred them manually before putting them into the tank.
ATTENTION!! Do not fill the tank more than the ½ way level; - assume a correct position in order to prevent accidents (see FIG.n°7): the body must be perpendicular to the work surface. In all cases, do not lean on the machine and do not assume positions that lead to direct contact with the machine;
- re-position the lid and turn it anti-clockwise to the closed position;
- start the cutter by pressing the “ON” button (ref.2 – FIG.n°6);
- do not use the cutter for long periods of time at slow speed;
- do not operate the cutter without product.
- do not use the cutter for more than 10 minutes consecu- tively; every 10 minutes leave it off for 5 minutes.
- introduce additional product during processing through the hole in the lid (ref.1 – FIG.n°1);
- on termination, stop the cutter by pressing the “OFF” button (ref.1 – FIG .n°6) and wait for the blades to be at a complete standstill before opening the lid.
- before using the preparation contained in the tank, care fully remove the cutter holder by gripping it at the top.

SHARPENING THE CUTTERS
ATTENTION: follow the instructions below to sharpen the two cutters; to be performed as soon as reduced cutting is detected:
- disconnect the plug from the socket (1)
- turn the lid (4) clockwise and remove it;
- extract the steel cutters holder (3) with great caution, gripping it at the top;
- take the whetstone and pass it evenly over the cutting edge from the inside towards the outside until the blade is sharp.

ROUTINE CLEANING
GENERALITIES
The machine must be cleaned at least once a day or more frequently, if necessary. All parts of the cutter, which come into direct or indirect contact with the foodstuff to be cut, must be cleaned thoroughly. The cutter must not be cleaned using high-pressure water jet cleaners, high-pressure water jets; tools, brushes and anything else that may damage the surface of the machine must not be used.
Before performing any cleaning intervention:
disconnect the plug from the socket in order to isolate the machine completely from the rest of the plant.
MACHINE CLEANING PROCEDURE
cleaning the lid, cutters holder and tank (see FIG.n°8/9)
ATTENTION: turn the lid (4) clockwise and remove it. At this point, the cutters holder (3) and the tank (2) can be removed easily by turning clockwise, by pulling them upwards (a).
ATTENTION! do not wash the stainless steel cutters in the dishwasher Once removed, clean these parts with water and neutral detergent.
NB.: carry out these operations wearing protective gloves.
general cleaning (see FIG.n°9)
NB.: disconnect the plug from the socket
The machine body must be washed in the work place, using neutral detergent and a damp cloth rinsed frequently in water.
ATTENTION! do not wash the machine body with jets of water or in the dishwasher. On completion, dry all parts thoroughly.

MAINTENANCE
- GENERALITIES
Before carrying out any maintenance operation:
disconnect the plug from the socket in order to isolate the machine completely from the rest of the plant. - FEET
With time, the feet could deteriorate and lose elasticity, thus reducing machine stability. Replace them. - POWER SUPPLY CABLE
Periodically check the state of wear of the cable and, if necessary, contact the “AFTER-SALES CENTRE” for its replacement. - CUTTERS
Check that after many sharpening operations, the blade does not reduce more than 5 mm. Call the “AFTER-SALES CENTRE” to replace them.
DISMANTLING
PUTTING OUT OF SERVICE
If for any reason, the machine is to be put out of service, make sure that it cannot be used by anyone: disconnect and cut the electrical connections.
WEEE Waste Electrical and Electronic Equipment
For the purpose and effects of art.13 of Italian Legislative Decree n.151 dated 25 July 2005, ”Implementation of the 2002/95/CE, 2002/96/CE and 2003/108/CE Directives, relative to the reduction of use of dangerous substances in electrical and electronic equipment, as well as waste disposal”. The crossed bin symbol on the appliance or on its packaging indicates that this product must be collected separately from other waste at the end of its life. The separate collection of this equipment at the end of life is organized and managed by the manufacturer. The user who wishes to dispose of this equipment should contact the manufacturer and follow the system that the same uses to allow for the separate collection of at end of the equipment’s life. The adequate separate collection for the subsequent start-up of the equipment sent to be recycled, treated and disposal of in an environmentally compatible way contributes to preventing possible negative effects on the environment and health and optimises the recycling and reuse of components making up the apparatus. Abusive disposal of the product by the user involves application of the administrative sanctions according to the laws in force.
Improper disposal of the product by the owner involves the application of administrative sanctions envisioned by the law.
RECEIPT OF THE MACHINE
SHIPPING THE MACHINE (see FIG. n°3)
The cutter leaves our warehouses carefully packaged. The packaging is made up from:
- strong external cardboard box
- the machine
- the manual
- vane
- stainless steel cutters holder
- cutters holder in ABS
- CE certificate of conformity.

CHECKING THE PACKAGING ON RECEIPT
On receipt of the package, if external damage is not detected, open the same and control that all material is present (see FIG. n°3). If, however, on receipt, there are signs of bad handling, blows or falls, the carrier must be informed of the damage and an accurate report regarding any damage to the machine must be drawn-up within three days from the date indicated on the documents. Do not turn the package upside down!! On transport, make sure it is fastened in the 4 fundamental points (keeping it parallel to the floor).
DISPOSING OF THE PACKAGING
The packaging components (cardboard, any pallets, plastic strapping and polyurethane foam) are products similar to urban waste; for this reason they can be disposed of easily.
If the machine is installed in countries with particular Standards, dispose of the packaging in compliance with that prescribed by the Standards in force.
precise purpose of chopping, shredding, mixing, emulsifying, kneading food products (e.g. vegetables, meat, bread, etc.) and to guarantee:
- maximum safety regarding use, cleaning and maintenance;
- maximum hygiene, obtained thanks to a detailed selection of materials that come into contact with the food stuffs, and with the elimination of edges in the cutter that come into contact with the product, in a way to obtain simple and total cleanliness as well as easy disassembly;
- strength and stability of all components;
- very easy handling.
construction features
The CE professional cutter is manufactured entirely in plastic material compatible with foodstuffs. This guarantees contact with the foodstuffs (hygiene) and the resistance to acids and salts as well as high resistance to oxidation. The cutters are in tempered and ground cutlery steel (AISI 420); they allow to cut, shred, whip and knead without having ever to change the tools.
composition of the machine
FIG. n°1 – General view of the machine

KEY:
- Lid with central hole
- Tank
- Power supply cable
- ON / OFF switches
- Feet
- Micro switch seat
- Micro switch control rod
- Vane
- Stainless steel cutters holder
- Cutters holder in ABS
- Scraper blade handle
- Scraper blade
TECHNICAL SPECIFICATIONS
CLEARANCE, WEIGHT, FEATURES
FIG. n°2 – Dimensional drawings

TAB. n°1 – CLEARANCE AND TECHNICAL SPECIFICATIONS
| Model | U.m. | Blitz |
| Power | Watt/Hp | 370/0,5 |
| Power supply | 230V 50/60Hz F+N | |
| Tank capacity | lt | 3,2 |
| Revs. | r.p.m. | 2.800 |
| A x B x C | mm | 240x240x355 |
| Net weight | kg | 8 |
| Noise level | dB | £ 70 |
ATTENTION: the electrical features, for which the machine is set-up, are indicated on a plate applied to the rear of the machine; before making the connection see 4.2 electric connection.























