C-Tronic 4VT Food Processor
Cutter CT 4 – 6 – 9 VT CT 9 Plus
Instruction Manual
C-Tronic 4VT Food Processor
INTRODUCTION
- This manual provides the client with information about the machine and applicable regulations, as well as the user and maintenance instructions required to use the machine properly and keep it in good working order.
- The manual must be made available to all users and maintenance technicians.
INFORMATION ABOUT THE MACHINE
1.1 – GENERAL PRECAUTIONS
- The machine may be used only by trained staff familiar with the safety information given in this manual.
- New staff must be trained in the use of the machine before using it.
- Before cleaning or servicing the machine, disconnect it from its power supply.
- The residual risks must be assessed when servicing or cleaning the machine with the guards removed.
- When servicing or cleaning the machine, concentrate on the job at hand.
- Regularly check the condition of the power cable; damaged or worn power cables pose a serious electrical hazard.
- If the machine appears to be or is malfunctioning, do not use it or try to fix it yourself; contact the “Service Centre” immediately.
- Do not use the machine for frozen products, meat and fish with bones, or any non-food products.
- Do not put your fingers inside the bowl when the machine is working.
- The manufacturer cannot be held responsible in the following cases:
⇒the machine is tampered with by unauthorized personnel;
⇒components are replaced with nonoriginal spare parts;
⇒the instructions in this manual are not followed carefully;
⇒the surfaces of the machine are treated with unsuitable products.
1.2 – SAFETY EQUIPMENT
1.2.1 – mechanical safety equipment
As for mechanical safety equipment, the machine described in this manual complies with the EEC 2006/42 standard.
Safety requirements are ensured with (see 1.3.3) the lid which can only be removed if the tank-locking arm is rotated anti-clockwise on the side of the lid itself.
1.2.2 – electrical safety equipment
As for electrical safety equipment, the machine described in this manual complies with the EEC 2006/95 and 2004/108 standards.
The machine is provided with:
- coded micro-switch which stops the machine if the lid is removed (see FIG. no.1), and prevents the machine from being restarted until the lid is correctly closed;
- relay in the command circuit which requires a voluntary restart of the machine after a power blackout.
Even if professional EC cutters are equipped with electrical and mechanical safety devices (during normal use and during cleaning and maintenance operations), there are residual risks that cannot be completely eliminated; these are referred to in this manual with the wording CAUTION.
These risks may arise when handling the blades while loading the machine or during cleaning or sharpening operations of the blades.
1.3 – DESCRIPTION OF THE MACHINE
1.3.1 – general description
Professional EC cutters are designed and manufactured by our company, for the purpose of cutting, mincing, whisking, and mixing food products (such as vegetables, meat, bread, etc.), ensuring:
- maximum safety during use, cleaning, and maintenance operations;
- maximum hygiene, thanks to the meticulous selection of the materials that come into contact with food, and to the edge-less and corner-less design, for easy and thorough cleaning and simple dismantling;
- all parts are stable and robustly constructed;
- it is extremely silent thanks to the belt transmission;
- it is very easy to handle.
1.3.1 – general description
Professional EC cutters are designed and manufactured by our company, for the purpose of cutting, mincing, whisking, and mixing food products (such as vegetables, meat, bread, etc.), ensuring:
- maximum safety during use, cleaning, and maintenance operations;
- maximum hygiene, thanks to the meticulous selection of the materials that come into contact with food, and to the edge-less and corner-less design, for easy and thorough cleaning and simple dismantling;
- all parts are stable and robustly constructed;
- it is extremely silent thanks to the belt transmission;
- it is very easy to handle.
1.3.2 – construction
EC professional cutters are made entirely of AISI 304 stainless steel.
This material is suitable for food (hygiene) and is perfectly resistant to acids and salts, and has high resistance against oxidation.
Blades are rectified and tempered and made with cutlery steel (ASI 420); they are designed to cut, mince, whisk and mix without ever having to change utensils.
Tank in 18/10 stainless steel with heat-diffusing bottom, provided with handles for excellent handling and easy removal during cleaning and maintenance.
There are nevertheless “RESIDUAL RISKS” which cannot be completely eliminated, which are highlighted in this manual by the wording “CAUTION”; they are related to the risks of contusion or electroshock during loading and unloading the product, cleaning, or when using the machine improperly.
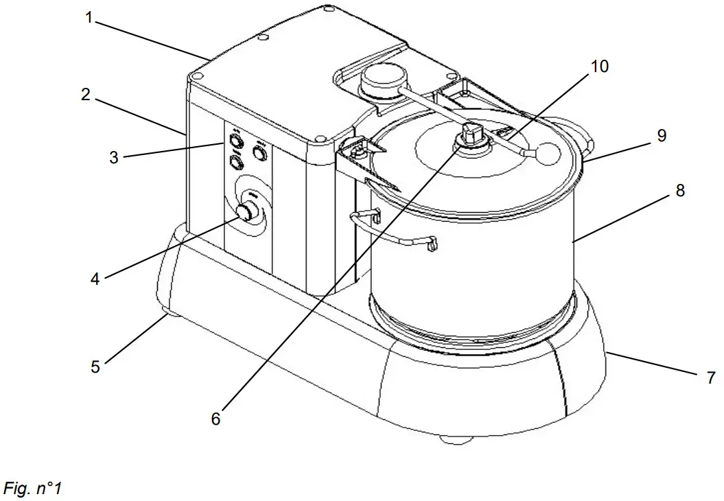
1.3.3 – Structure of the machine
KEY
| 1 | Lid |
| 2 | Body |
| 3 | Commands |
| 4 | Speed regulation knob |
| 5 | Foot |
| 6 | Lid cover |
| 7 | Base |
| 8 | Tank |
| 9 | Lid |
| 10 | Tank-locking arm |
TECHNICAL DATA
2.1 – Overall dimensions, weight, specifications
| Model | CT 4 VT | CT 6 VT | CT 9 VT | CT 9 Plus | |
| Power supply | Watt/ Hp | 600 / 0,8 | 600 / 0,8 | 1.200 / 1,6 | 1.500 / 2 |
| Power source | 230V/50Hz | ||||
| Tank capacity | lt | 3,3 | 9,4 | 9,4 | |
| Tank useful capacity | lt | 1,5 | 5,4 | 5,4 | |
| Revs | rpm | 600 ÷ 2.800 | 600 ÷ 2.800 | 600 ÷ 2.800 | 600 ÷ 3.500 |
| A | mm | 185 | 185 | 244 | 244 |
| B | mm | 369 | 369 | 443 | 443 |
| C | mm | 251 | 251 | 319 | 319 |
| D | mm | 457 | 457 | 560 | 560 |
| E | mm | 296 | 304 | 348 | 348 |
| F | mm | 300 | 362 | 420 | 420 |
| Net weight | kg | 13,5 | 23 | 30 | |
CAUTION!
The electrical features of the machine are indicated on a plate on the rear of the product. Before connecting the machine to the power supply see par. “4.2 Electrical connection”.
DELIVERY
3.1 – Shipping (see Fig.no. 3)
The machines are carefully packed before shipping. The consignment is composed of:
- robust cardboard external box with internal supports (a);
- the machine (b);
- the spatula (c);
- blade sharpening plate (d);
- this manual (e).

3.2 – Checks on delivery
When you receive the package containing the machine, carefully check the packaging for signs of damage during shipping.
If the packaging shows signs of mishandling, impact, or dropping, report the damage to the shipping agent within three days of the date of delivery indicated on the documents and draw up a detailed report on any damage to the product.
3.3 – Disposing of packaging
The packaging materials (cardboard boxes, plastic straps, and polyurethane foam) can be disposed of as normal domestic waste; there is no difficulty in disposing of them.
If the machine is installed in a country in which special regulations apply, dispose of the material in a regulatory manner.
INSTALLATION
4.1 – Positioning
Place the product on a solid surface following the surface dimensions indicated in the table (par. 2.1); the surface must be smooth, non-slippery, dry, robust, and solid and it must be placed at a height of 80 cm above the ground.
Furthermore, the cutter must be placed in an environment with a max. non-saline humidity of 75% and a temperature between +5°C and +35°C; and, in any case, in an environment which does not lead to any machine malfunctions.
4.2 – Electrical connection
The machine has a power cable with a cross-section of 3×1.5 mm², a length of 2.5 m, and a 16A Schuko plug.
Connect the machine to a 230 Volt 50 Hz power supply.
Check that the earth system functions perfectly and make sure the connection is provided with a thermo-magnetic 0.03A circuit breaker.
Also, check that the information on the machine’s nameplate matches the specifications given in the delivery and shipping documents and that both the master switch and cable are easily accessible while the machine is in use.
LEGEND
(A) = Product code and name
(B) = Power supply
(C) = Motor frequency
(D) = Amperage
(E) = Serial number
(F) = Barcode
(G) = Manufacturer
(H) = International Protection
(I) = Weight
(L) = Power
(M) = Origin
4.3 – Preliminary check
Check the integrity and correct position of all the components of the cutter before any operation.
Then check the correct functioning of all its components.
Proceed as follows:
- Press the ON button (ref. 1 – Fig.5) and the OFF button (ref. 2 – Fig.5)
- Verify that the machine stops if the tank-locking arm is rotated anti-clockwise (ref.10 – Fig.1)
- Verify that the revolution speed increases and decreases by rotating the SPEED knob (ref.
- Fig.5) clockwise and anti-clockwise
- Press the PULSE button (ref. 3 – Fig.5) with brief pulses.
USE
5.1 – Controls
The commands are placed on the body of the cutter (ref. 2 – Fig.1).
These include the ON button (1), the OFF button (2), the PULSE button (3), and the SPEED knob to regulate the speed (4) (Fig.5).
Use the ON button to switch the machine on, and OFF to switch the machine off, rotate the speed knob clockwise to increase the revolutions and anti-clockwise to reduce them. Press the PULSE command for the pulse functioning of the machine.
5.2 – Loading
CAUTION! Food must only be loaded into the tank when the motor is not running and with the speed knob at a minimum.
Proceed as follows:
- Rotate the arm in a clockwise direction (ref. 10 -Fig.1) until the lid can be removed (ref. 9 – Fig.1)
- CAUTION!! Put the product inside the tank (ref. 8 – Fig. ), paying attention not to touch the blades with your hands; if very large pieces of food are used, dice them into small pieces manually before putting them inside the tank
CAUTION!! Do not fill the tank more than 1/2 full - Avoid direct contact with the machine during use;
- Put the lid back (ref. 9 – Fig.1) and rotate the arm to the closing position
- Do not use the cutter at low speed for prolonged periods of time
- Add any additional food during the process by removing the cover (ref. 6 – Fig.1) on the lid (ref. 9 – Fig.1)
- At the end of the process, set the speed knob (ref. 4 – Fig.1) to a minimum and then stop the machine
- The machine is provided with a device that switches it off after 30 seconds of use at minimum speed. The device is used to preserve the machine and stop the motor from overheating. If you use the machine at low speed, allow the machine to rest for at least 30 seconds.
5.3 – Blade sharpening
CAUTION!!
Blades need to be sharpened if you notice a reduction in cutting performance. Proceed as follows (Fig.6):
- Rotate the lever (ref. 1) in a clockwise direction to the position in which you can remove the lid (ref. 2)
- remove (a) the blade holder (ref. 3)
- take the sharpening stone provided (ref. (d) – Fig.3), and be very CAREFUL!!! pass it uniformly over the cutting side of the blades toward the outside until the blade is sharpened.
CLEANING
CAUTION! Before performing any cleaning operations you must set the speed knob to a minimum (ref. 4 – Fig.5) and disconnect the power plug from the mains to completely isolate the machine from the rest of the system.
6.1 – General information
- The machine needs to be cleaned at least once a day, or if necessary, more frequently.
- The machine must be washed with neutral detergents at room temperature, using a soft cloth.
- The machine must be cleaned carefully in all its parts, especially those that come into contact with food.
- Do not use pressurized water cleaners or jets of pressurized water to clean the machine.
- Do not use tools, brushes, or anything that may damage the machine’s surfaces.
- Do not clean the cutter in a dishwasher.
- Make sure that no residual liquids can get inside the cutter and compromise its functioning and increase electroshock risks.
- After cleaning, carefully dry all parts part of the cutter and put them back together again.

6.2 – Cleaning the lid, blade holder, and tank
Rotate the closing arm (ref. 1 – Fig.6) to remove the lid.
You can now easily remove the blade holder (ref. 3 – Fig.6) and tank (ref. 4 – Fig.6) by pulling them upwards (ref. (a) – Fig.6).
Once the parts have been removed, clean them with water and neutral detergents.
CAUTION! Carry out these operations with protective gloves on.
MAINTENANCE
7.1 – General information
CAUTION! Before servicing the product, disconnect its power plug from the mains to isolate the product completely from the rest of the system.
7.2 – Power cable
Check the condition of the cable regularly and call the SERVICE CENTRE if it needs replacing.
7.3 – Belt
The belt does not need adjusting; generally, it needs to be replaced after 3/4 years, in that case, contact the “SERVICE CENTRE”
7.4 – Feet
The feet may deteriorate or lose elasticity, thus reducing the stability of the cutter. Replace them by contacting the “SERVICE CENTRE”.
7.5 – Coltelli
Verificare le condizioni della lama, dopo le tante affilature non deve ridursi più di 5 mm. Perla sostituzione contattare il “CENTRO DI ASSISTENZA”.
CAUTION! For any anomaly/malfunction, contact the “SERVICE CENTRE”, any operation carried out by unauthorised personnel may compromise the correct functioning of the machine and invalidate the warranty.
SCRAPPING AND DISPOSAL
8.1 – Decommissioning
If you decide to put the product out of service for any reason, make sure that it cannot be used by other persons: disconnect and cut the electrical connections.
8.2 – Disposal
Once the machine has been decommissioned, it can be disposed of. This should be done by a waste management company, and its materials sorted for disposal.
8.3 – WEEE Waste Electrical and Electronic Equipment
Pursuant to Art. 13 of Italian Legislative Decree no. 151 of 25 July 2005
“Implementation of the Directives 2002/95/EC, 2002/96/EC and 2003/108/EC – related to the reduced use of hazardous substances in electrical and electronic devices, and to waste disposal”.
The rubbish bin symbol on the machine or on its package indicates that the product must be disposed of separately from other waste, at the end of its useful life.
The recycling waste collection of this machine is organised and managed by the manufacturer.
If the user wishes to dispose of this machine, they must contact the manufacturer and follow the given procedure to make sure the recycling waste collection process is used at the end of the machine’s useful life.
The correct disposal of the machine for subsequent recycling, management and treatment of its parts in an environmentally-friendly way, contributes towards avoiding any possible adverse effects on the environment and promotes the reuse and/or recycling of the machine materials. Unlawful disposal of the product by the user will lead to the application of administrative penalties under current law.
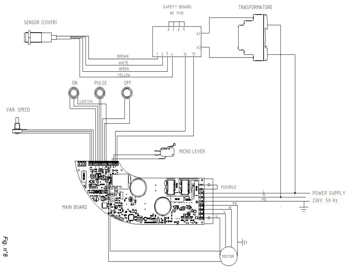
WIRING DIAGRAM
9.1 – 230V / 50Hz mod. CT 4 VT – CT 6 VT – CT 9 VT
9.2 – 230V / 50Hz mod. CT 9 Plus
SERVICE CENTRE AUTHORISED
RETAILER





















