SIRMAN Softcooker Wi-Food Cooking Machine

Softcooker Wi-Food Product Information
The Softcooker Wi-Food is a machine designed for heating and cooking water. It features a large 5 touch screen display that is rated IP67, and a heating element consisting of two armoured resistances. The machine is constructed using anodized aluminium to ensure a stable structure, and has either ABS plastic or AISI 304 stainless steel sides. It also includes a device to shut down the motor when overcurrent or overheating are detected.
Technical Data
The Softcooker Wi-Food has the following technical specifications:
- Model: Softcooker Wi-Food
- Power Supply: [insert power supply here]
- International Protection: [insert international protection here]
- Motor Frequency: [insert motor frequency here]
- Weight: [insert weight here]
- Amperage: [insert amperage here]
The machine’s model and serial number can be found on the nameplate shown in Figure 1 of the manual.
Softcooker Wi-Food Product Usage Instructions
Before using the Softcooker Wi-Food, it is important to read and fully understand the user manual. Below are some important instructions to keep in mind:
Installation
Position the Softcooker Wi-Food in a stable location and ensure it has been properly installed with all of its protective equipment in good working order and in place.
Using the Machine
The Softcooker Wi-Food can be used for manual cooking or programmed cooking. Use the controls on the touch screen display to select the desired program type. When using the machine, do not access its electrical equipment, start the machine if it is malfunctioning, or allow unauthorized persons to work on it.
Cleaning and Maintenance
After each use of the Softcooker Wi-Food, clean it thoroughly according to the instructions provided in the user manual. Regular maintenance is also important to ensure the machine continues to function properly. Refer to the maintenance section of the manual for more information.
Disposal
If you need to decommission or dispose of the Softcooker Wi-Food, follow the instructions provided in the user manual and adhere to all applicable regulations.
PREFACE
- This manual provides the client with information about the machine and applicable regulations, as well as the user and maintenance instructions required to use the machine properly and keep it in good working order.
- The manual must be made available to all users and maintenance techni-cians.
INFORMATION ABOUT THE MACHINE
General Precautions
- The SOFTCOOKER may be used only by trained staff familiar with the safety infor-mation given in this manual.
- New staff must be trained in the use of the machine before using it;
- Do not touch the machine’s heating equipment;
- Before cleaning or servicing the machine, disconnect it from its power sup-ply;
- The residual risks must be assessed when servicing or cleaning the machine with the guards removed;
- When servicing or cleaning the machine, concentrate on the job in hand;
- Periodically check the condition of the power cable; damaged or worn power cables pose a ser ious electri cal hazard;
- If the machine is malfunctioning, do not use it; contact the Service Centre immedi-ately.
- Never tamper with the machine in any way. Contact the manufacturer if you en-counter any anomalies.
- Attempting to disassemble, modify or tamper with any part of the machine by the user or unauthorised persons immediately void the Declaration of Conformity pursuant to Directive EEC 2006/42, voids the warranty and relieves the manufac-turer of any liability for the consequences of such action.
The manufacturer is also relieved of all liability for the consequences of:
- improper use or tampering with the machine by improperly trained staff;
- lack of or negligent maintenance;
- use of non-original spare parts which are not specified for the model;
- total or partial failure to follow the instructions given in this manual;
- treating the machine’s surfaces with improper products.
Safety equipment
- The mechanical and electrical safety equipment is conforming with Directives 2014/35, 2006/42. The Softcooker is therefore equipped with electrical and mechanical safety equipment both when operating and when being cleaned or serviced. There are still “RESIDUAL RISKS” which cannot be completely eliminated, which are highlighted in this manual by the wording
- CAUTION“; they are related to the risks of burning or contusion when loading and unloading the product, and when handling or cleaning the machine.
Description of the machine
General description
- The Softcooker is designed and fabricated specifically to guarantee that:
- all its parts are stable and robustly constructed;
- it is easy to handle with its integral handle, which makes it easy to move and trans-port;
- the heating is temperature regulated to high precision;
- the impeller ensures excellent mixing of the temperature for loads up to 43 l;
- the working temperature is 24 to 99.9 °C / 75.2 – 199.9 °F, with a precision of +/-0.1.
Construction
- The Softcooker is made in anodized aluminium, to ensure a stable structure, and also has:
- A large 5” touch screen display, rated IP 67;
- A heating element consisting of two armoured resistances;
- ABS plastic or AISI 304 stainless steel sides;
- A device to shut down the motor when overcurrent or overheating are detected.
Intended use
- The Softcooker is designed for indirectly cooking food packed under vacuum in bags and immersed in water at a controller temperature (vacuum-packed food).
- It does not cook food in any other way or heat liquids other than water.
- Use the Softcooker only with the appropriate Gastronorm tanks equipped with a cover. If used with other containers, close the container with a suitably shaped cover so as to limit as far as possible water vapour from being released into the environment and towards the machine itself.
Improper use
- The Softcooker has not been designed for cooking food directly, for growing bacterial cultures or for medical or scientific research in general, or for heating or treating any fluid in any manner except for water.
- DO NOT use the machine unless it has been properly installed with all its protective equipment in good working order and in place, to avoid the risk of damage and in-jury;
- DO NOT access the machine’s electrical equipment;
- DO NOT start the machine if it is malfunctioning;
- DO NOT allow unauthorised persons to work on the machine.
- Emergency response to injury by electric shock consists first of all in breaking the in-jured person’s contact with the live equipment (because he has usually lost conscious-ness). This is highly hazardous.
- The injured person is himself an electrical conductor; touching him directly can incur electric shock. It is better to disconnect the power line contactor, or if this is not possi-ble, move the injured person away with non-conductive material (a wooden or PVC stick, fabric, leather, etc.). Contact medical staff immediately.
Technical data
- Citing the “Model”, “Serial number” and “year of Manufacture” of the machine facili-tates our technical service in responding to your requests.
- You must cite the model of the machine and its serial number whenever you contact technical service.
- This information is given on the nameplate shown in Fig. 1.

- A = Product code and name
- B = Power supply
- C = International Protection
- D = Motor frequency
- E = Weight
- F = Amperage
- G = Serial number
- H = Manifacturer
Protective and safety equipment
- Before using the machine, make sure it and its safety equipment are properly posi-tioned and in good working order.
- Check that everything is present and correct at the start of each shift.
- If anything is lacking, report it to the maintenance supervisor.
- Heating element guard (ref. 5 fig. 2): prevents contact with the heating element and with the impeller, which can seriously injure the user.
- Automatic run dry protection (ref. 6 fig. 2): if the level of water falls below the permitted minimum (fig. 5) the machine stops operating and an error message dis-plays (H2O Low).
- Shut down device (ref. 7 and 12 fig. 2): should the temperature sensors reading not agree, due to a fault in either of them, the machine is shut down and error mes-sage displays (PROB).
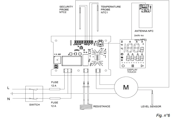
Structure of the machine
LEGEND
| 1 | Handle | 8 | Heating element |
| 2 | Master power switch ON-OFF | 9 | Impeller |
| 3 | Fuses | 10 | Power cable |
| 4 | Touchscreen display with controls | 11 | Machine locking knob |
| 5 | Heating element guard | 12 | NTC2 safety sensor |
| 6 | Level sensor 13 | NFC reader (only for the NFC version) | |
| 7 | NTC1 temperature sensor 14 | Wireless core probe (optional) | |
TECHNICAL DATA
Overall dimensions, weight, specifications … Fig. 3 – Dimensions and clearances
| Model | Units | Softcooker Wi-food/NFC | Softcooker Wi-Food X/NFC |
| Power | watt | 2000 | 2000 |
| Power supply | 230V/50Hz | 230V/50Hz | |
| Temperature | °C / °F | 24 ÷ 99,9 °C 75,2 ÷ 199,9 °F | 24÷99,9 °C 75,2÷199,9 °F |
| A x B | mm | 155 x 109 | 138 x 109 |
| C x D | mm | 164 x 203 | 150 x 197 |
| F / G | mm | 377 / 180 | 373 / 180 |
| Max level E | mm | 152 | 152 |
| Min level L | mm | 40 | 52 |
| Noise | dB | 58 | 58 |
| Net weight | kg | 4,5 |
|
CAUTION!
THE MACHINE’S ELECTRICAL SPECIFICATIONS ARE MARKED ON ITS NAMEPLATE, MOUNTED TO THE REAR OF THE MACHINE ITSELF; BEFORE HOOKING THE MACHINE UP ELECTRICALLY, REFER TO THE SECTION “ELECTRICAL HOOKUP.”
DELIVERY
Shipping (Fig. 4)
The machines are carefully packed before shipping. The consignment is composed of:
- robust cardboard external box with internal supports;
- the machine;
- this manual

Checks on delivery
- When you receive the package containing the machine, carefully check the packaging for signs of damage during shipping.
- If the packaging shows signs of mishandling, impacts or dropping, report the damage to the shipping agent within three days of the date of delivery indicated on the docu-ments and draw up a detailed report on any damage to the machine.
Disposing of packaging
- The packaging materials (cardboard box, plastic strap and polyurethane foam) can be disposed of as normal domestic waste; there is no difficulty in disposing of them.
- If the machine is installed in a country in which special regulations apply, dispose of the material in a regulatory manner.
INSTALLATION
Positioning
- The Softcooker has been designed to be used with normal cooking tanks (1/1 or 2/1 H.. 200 as shown fig. 5), and in general with tanks of capacity up to 43 litres and a maximum depth of 200 mm.
- The Softcooker must be supported by a special profile member (ref. 1 fig. 5) on the edge of the tank, and secured with the knob (ref. 2 fig. 5).
- Fill the tank with water, taking care to observe the maximum and minimum level mark-ings. If the tank is filled to below its minimum level, the Softcooker’s level sensor will prevent it from starting, the machine will emit beeps and an error message (H2o Low) will appear on the display. CAUTION: Follow the instructions to the letter and do not exceed the maximum level marked on the side of the machine (fig 5); avoid splashing when filling the tank or loading it with the bags.

Electrical hookup
The machine has a power cable (3×1.5 mm² x 2.5 m) and a 16A Shuko plug. Connect the 230 V 50 Hz machine by installing a 10A ΔI = 0.03A residual-current device on the line. Also check that the information on the machine’s nameplate matches the specifications given in the delivery and shipping documents and that both the master switch and cable are easily accessible while the machine is in use.
Wiring diagram
USE
Using the machine
- It is good practice to first load the bags containing the product to be cooked and only then complete filling of the tank with water, so as to avoid exceeding the maximum allowed level. Fill the water to no more than the maximum level, and add some vinegar to prevent scale and deposits building up, to the amount of 1/2 cup per 40 litres of water. Change the water in the tank at least once a day to prevent deposits, algae etc. forming inside it.
- The bags must be completely immersed in the water.
- The bags should not occupy more than 30% of the tank’s capacity, to ensure there is sufficient water to deliver heat uniformly to the product. Take care that the bags do not prevent proper circulation of the water and hence even cooking.
- Always use the cooking lid.
- Check the water level regularly, since it can evaporate very quickly. If the water falls below the minimum level, the machine will emit a few beeps and an error message (H2o low) will appear on the display.
- Once the cycle has completed, turn the machine off with the STOP button on the display. Set the master switch (on the side of the machine) to OFF, pull the plug out of the power socket, remove the machine from the tank, dry it and empty the tank, otherwise the machine will emit a few beeps and an error message (Rem H2o) will appear on the display.
Controls
- TOUCH SCREEN DISPLAY: displays the temperature in °C / °F, the time, the 10 preset programs and whether the heating element is on or not. All these values can be edited on the display itself.
- START button: hold down for 3 seconds to start the cooking cycle. The button flashes during the cycle.
- STOP button: hold down for 3 seconds to stop the cooking cycle.
![]()
- UP (+) buttons: they are used to set the temperature and cooking time values, in addition to the stand-by time.
- PROGRAM / CONFIRM button: pressing this button displays the list of programs, pressing it repeatedly displays the programs one at a time. CAUTION: this button is also used to confirm changes to the time and/or temperature settings both within a programme and manually, by pressing and holding it for 3 seconds.
- TEMPERATURE button: press this button to access the temperature setting and confirm/quit setting mode. During the cycle, pressing this button displays the temperature setting.
- °C/ °F – °C / °F bu tton: press one of the 2 buttons to switch between Celsius and Fahrenheit.

- TIME button: press this button to set the cooking program time; during the cycle, it displays the time remaining to completion.
- When the machine is first started up or is in stand-by mode, press it to adjust the time using the arrows that appear above the hours, minutes and seconds. Press the button again to confirm the setting.
- HEATING ELEMENT led: the led turns on when a cooking cycle is in progress to indicate that the heating element is on and heating the water. When the temperature setpoint is reached, the led and the heating element itself both turn off, and then turn on when required to maintain the water temperature.
PROGRAM led: the led (dot on the screen) turns on to indicate that one of the ten programs is being displayed or is in use for cooking. If none of the dots on the screen is on, no program is displayed.
Program types
- To access the touch-screen display function, check that the master switch is set to ON, that the desired unit of measurement for the temperature has been set (°Celsius or °Fahrenheit), and make sure that you have filled or added water to the tank up to the maxi-mum level indicated on the sides of the machine.
The Softcooker operates in two modes:
- manual cooking, with the cooking temperature and time set manually;
- automatic cooking, using one of the ten preset programs.
Manual cooking
- In this case, no stored program is in use (no dot on), and the temperature and time must be set manually. Press the TEMPERATURE button and then use the UP button located above the 3 temperature digits to set the desired temperature; now press the PRO-GRAMMES/CONFIRM button to confirm the setting.
Subsequently, press the TIME button to set the duration of the cycle and confirm it with the PROGRAMMES/CONFIRM button; the cycle will start as soon as the - Softcooker emits a buzzer to signal that the set temperature has been reached.
- You can stop the cycle at any time with the STOP button.
Automatic cooking
- In this case, one of the ten programs has been selected. To display these programs, press PROGRAM and then use the button to display all the stored cooking cycles. To select one of the programs, press START to run it.
- If none of the programs is suitable, you can edit and save an existing program.
- Within one of the ten memorised programmes, press the TEMPERATURE button, set the temperature with the UP buttons and confirm it with the
- PROGRAMMES/CONFIRM but-ton; next, press the TIME button and use the UP buttons to choose the desired value then confirm with the
- PROGRAMMES/CONFIRM button.
- The edited program has now been saved and can be used for cooking.
- Once the machine has reached the water temperature setpoint, and at the end of each cooking cycle, the machine emits a beep.
- For the NFC model: move the bag with the core probe (ref. 14 Fig. 2) close to the NFC reader located on the side of the machine ref. 13 Fig. 2. At this point, the display will show some lines and “NFC” to signal that the machine is communicating with the core probe.
- Wait 5–6 seconds for the core temperature reading and the display will then show the measured temperature. Put the bag back into the tank.
- WARNING: at the end of any cooking process or as soon as the machine is im-mersed in water, the impeller (ref. 9 Fig. 2) will start working. This condition is en-tirely normal and only occurs at temperatures >30°C.
- WARNING: once cooking terminates, take the machine out of the tank, otherwise it will emit beeps and show an error message (Rem H2o) on the display as a reminder.
Possible errors
- The Softcooker can display the following error codes:
- H2O Low: the alarm signals that the level of the water in the tank is too low. The
machine will emit a buzzer. TO RESET IT, ADD WATER INTO THE TANK; - POW: the alarm will signal that cooking has been interrupted due to a loss of voltage for more than 2 hours. The machine will emit a buzzer. TO RESET IT, SWITCH THE MACHINE OFF AND THEN ON AGAIN USING THE ON/OFF BUTTON;
- H2O PROB: the alarm will signal an anomaly in the NTC1 temperature sensor. The machine will emit a buzzer. TO RESET IT, CONTACT THE SERVICE CENTRE AND REPLACE THE SENSOR;
- MOT PROB: the alarm will signal an anomaly in the NTC2 security probe or an overheating condition. The machine will emit a buzzer. CONTACT THE SERVICE CENTRE TO REPLACE THE PROBE;
- REM H2O: the alarm will signal that the machine is not cooking and has been immersed in water for more than 1 minute. The machine will emit a buzzer. TO RESET IT, TAKE IT OUT OF THE WATER OR START A COOKING CYCLE.
- If the machine does not turn on, check the fuses next to the master switch on the left side of the machine.
Power failures
- If a power failure occurs during a cooking cycle, the cycle will resume automatically with the same program, and recalculate the cooking time in relation to the duration of the power failure.
CLEANING
CAUTION! Before cleaning the machine, pull its plug out of the power socket to isolate the machine completely from the rest of the system.
General information
- Since the machine is not in contact with the food but only with the water, it does not require particular cleaning. check that the machine is not blocked or soiled by broken cooking bags, or algae and other residue due to degraded cooking water. If it is, contact the service centre.
- In case of need, the immersed part of the machine can be rinsed with water, while its top can be cleaned with neutral detergent at room temperature, using a soft cloth.
- Do not use pressure cleaners or jets of water to clean the machine.
- Do not use tools, brushes or anything that may damage the machine’s surfaces.
- Do not clean any part of the machine in a dishwasher.
- Do not insert brushes or tools into the machine’s openings and slots.
Caring for the heating element
- To protect the heating element and all parts immersed in water against scale, we advise adding 1/2 cup of vinegar per 20/30 litres of water for each cooking cycle. Change the water every day.
MAINTENANCE
General information
CAUTION! Before servicing the machine, pull its plug out of the power socket to isolate the machine completely from the rest of the system.
Power cable
- Check the condition of the cable regularly and call the SERVICE CENTRE if it needs replacing.
SCRAPPING AND DISPOSAL
Decommissioning
- If you decide to put the machine out of service for any reason, make sure that it cannot be used by other persons: disconnect and cut the electrical connections.
Disposal
- Once the machine has been decommissioned, it can be disposed of. This should be done by a waste management company, and its materials sorted for disposal.
WEEE Waste Electrical and Electronic Equipment
- Directive 2002/95/EC, 2002/96/EC and 2003/108/EC on the restriction of the use of certain hazardous substances in electrical and electronic equipment, and waste electrical and electronic equipment..
- This symbol, crossed out wheelie bin, on the product or on its packaging indicates that this product must not be disposed of with your other household waste.
Separate waste collection of this appliance is organised and managed by the manufacturer. It is the user’s responsibility to contact the manufacturer and follow the waste treatment system the manufacturer has adopted for separate waste collection. - The separate collection and recycling of your waste equipment at the time of disposal will help to conserve natural resources and ensure that it is recycled in a manner that protects human health and the environment.
- SERVICE CENTRE AUTHORISED DEALER





















