RP2303FC Series Electric Plunge Router
Instruction Manual
INSTRUCTION MANUAL
Router RP1802 RP1802F RP1803
RP1803F RP2302FC RP2303FC
DOUBLE INSULATION
Read before use.
SPECIFICATIONS
| Model: | RP1802 | RP1802F | RP1803 | RP1803F | RP2302FC | RP2303FC |
| Collet chuck capacity | 12 mm or 1/2″ | |||||
| Plunge capacity | 0 – 70 mm | |||||
| No load speed | 23,000 min-1 | 22,000 min-1 | 9,000 – 23,000 min-1 | |||
| Overall height | 312 mm | 327 mm | ||||
| Net weight | 6.2 kg | |||||
| Safety class | ||||||
| Lamp | – | – | ||||
| Speed adjusting dial | – | |||||
| Electric brake | – | – | ||||
- Due to our continuing program of research and development, the specifications herein are subject to change without notice.
- Specifications may differ from country to country.
- Weight according to EPTA-Procedure 01/2014
Symbols
The followings show the symbols which may be used for the equipment. Be sure that you understand their meaning before use.
| Read instruction manual. | |
| Wear safety glasses. | |
![]() | DOUBLE INSULATION |
| Only for EU countries Due to the presence of hazardous components in the equipment, used electrical and electronic equipment may have a negative impact on the environment and human health. Do not dispose of electrical and electronic appliances with household waste! In accordance with the European Directive on waste electrical and electronic equipment and its adaptation to national law, used electrical and electronic equipment should be collected separately and delivered to a separate collection point for municipal waste, operating in accordance with the environmental protection regulations. This is indicated by the symbol of the crossedout wheeled bin placed on the equipment. |
Intended use
The tool is intended for flush trimming and profiling of wood, plastic and similar materials.
Power supply
The tool should be connected only to a power supply of the same voltage as indicated on the nameplate, and can only be operated on single-phase AC supply. They are double-insulated and can, therefore, also be used from sockets without earth wire.
Noise
The typical A-weighted noise level determined according to EN62841-2-17:
Model RP1802
Sound pressure level (LpA) : 85 dB(A)
Sound power level (LWA) : 96 dB (A)
Uncertainty (K) : 3 dB(A)
Model RP1802F
Sound pressure level (LpA) : 85 dB(A)
Sound power level (LWA) : 96 dB (A)
Uncertainty (K) : 3 dB(A)
Model RP1803
Sound pressure level (LpA) : 85 dB(A)
Sound power level (LWA) : 96 dB (A)
Uncertainty (K) : 3 dB(A)
Model RP1803F
Sound pressure level (LpA) : 85 dB(A)
Sound power level (LWA) : 96 dB (A)
Uncertainty (K) : 3 dB(A)
Model RP2302FC
Sound pressure level (LpA) : 88 dB(A)
Sound power level (LWA) : 99 dB (A)
Uncertainty (K) : 3 dB(A)
Model RP2303FC
Sound pressure level (LpA) : 88 dB(A)
Sound power level (LWA) : 99 dB (A)
Uncertainty (K) : 3 dB(A)
NOTE: The declared noise emission value(s) has been measured in accordance with a standard test method and may be used for comparing one tool with another.
NOTE: The declared noise emission value(s) may also be used in a preliminary assessment of exposure.
WARNING: Wear ear protection.
WARNING: The noise emission during actual use of the power tool can differ from the declared value(s) depending on the ways in which the tool is used especially what kind of workpiece is processed.
WARNING: Be sure to identify safety measures to protect the operator that are based on an estimation of exposure in the actual conditions of use (taking account of all parts of the operating cycle such as the times when the tool is switched off and when it is running idle in addition to the trigger time).
Vibration
The vibration total value (tri-axial vector sum) determined according to EN62841-2-17:
Model RP1802
Work mode: cutting grooves in MDF
Vibration emission (ah) : 5.1m/s2
Uncertainty (K) : 1.5 m/s2
Model RP1802F
Work mode: cutting grooves in MDF
Vibration emission (ah) : 5.1 m/s2
Uncertainty (K) : 1.5 m/s2
Model RP1803
Work mode: cutting grooves in MDF
Vibration emission (ah) : 5.1 m/s2
Uncertainty (K) : 1.5 m/s2
Model RP1803F
Work mode: cutting grooves in MDF
Vibration emission (ah) : 5.1 m/s2
Uncertainty (K) : 1.5 m/s2
Model RP2302FC
Work mode: cutting grooves in MDF
Vibration emission (ah) : 4.2 m/s2
Uncertainty (K) : 1.5 m/s2
Model RP2303FC
Work mode: cutting grooves in MDF
Vibration emission (ah) : 4.2 m/s2
Uncertainty (K) : 1.5 m/s 2
NOTE: The declared vibration total value(s) has been measured in accordance with a standard test method and may be used for comparing one tool with another.
NOTE: The declared vibration total value(s) may also be used in a preliminary assessment of exposure.
WARNING: The vibration emission during actual use of the power tool can differ from the declared value(s) depending on the ways in which the tool is used especially what kind of workpiece is processed.
WARNING: Be sure to identify safety measures to protect the operator that are based on an estimation of exposure in the actual conditions of use (taking account of all parts of the operating cycle such as the times when the tool is switched off and when it is running idle in addition to the trigger time).
EC Declaration of Conformity
For European countries only
The EC declaration of conformity is included as Annex A to this instruction manual.
SAFETY WARNINGS
General power tool safety warnings
WARNING: Read all safety warnings, instructions, illustrations and specifications provided with this power tool. Failure to follow all instructions listed below may result in electric shock, fire and/or serious injury.
Save all warnings and instructions for future reference.
The term “power tool” in the warnings refers to your mains-operated (corded) power tool or battery-operated (cordless) power tool.
Work area safety
- Keep work area clean and well lit. Cluttered or dark areas invite accidents.
- Do not operate power tools in explosive atmospheres, such as in the presence of flammable liquids, gases or dust. Power tools create sparks which may ignite the dust or fumes.
- Keep children and bystanders away while operating a power tool. Distractions can cause you to lose control.
Electrical safety
- Power tool plugs must match the outlet. Never modify the plug in any way. Do not use any adapter plugs with earthed (grounded) power tools. Unmodified plugs and matching outlets will reduce risk of electric shock.
- Avoid body contact with earthed or grounded surfaces, such as pipes, radiators, ranges and refrigerators. There is an increased risk of electric shock if your body is earthed or grounded.
- Do not expose power tools to rain or wet conditions. Water entering a power tool will increase the risk of electric shock.
- Do not abuse the cord. Never use the cord for carrying, pulling or unplugging the power tool. Keep cord away from heat, oil, sharp edges or moving parts. Damaged or entangled cords increase the risk of electric shock.
- When operating a power tool outdoors, use an extension cord suitable for outdoor use. Use of a cord suitable for outdoor use reduces the risk of electric shock.
- If operating a power tool in a damp location is unavoidable, use a residual current device (RCD) protected supply. Use of an RCD reduces the risk of electric shock.
- Use of power supply via an RCD with a rated residual current of 30 mA or less is always recommended.
- Power tools can produce electromagnetic fields (EMF) that are not harmful to the user. However, users of pacemakers and other similar medical devices should contact the maker of their device and/or doctor for advice before operating this power tool.
- Do not touch the power plug with wet hands.
- If the cord is damaged, have it replaced by the manufacturer or his agent in order to avoid a safety hazard.
Personal safety
- Stay alert, watch what you are doing and use common sense when operating a power tool. Do not use a power tool while you are tired or under the influence of drugs, alcohol or medication. A moment of inattention while operating power tools may result in serious personal injury.
- Use personal protective equipment. Always wear eye protection. Protective equipment such as a dust mask, non-skid safety shoes, hard hat or hearing protection used for appropriate conditions will reduce personal injuries.
- Prevent unintentional starting. Ensure the switch is in the off-position before connecting to power source and/or battery pack, picking up or carrying the tool. Carrying power tools with your finger on the switch or energising power tools that have the switch on invites accidents.
- Remove any adjusting key or wrench before turning the power tool on. A wrench or a key left attached to a rotating part of the power tool may result in personal injury.
- Do not overreach. Keep proper footing and balance at all times. This enables better control of the power tool in unexpected situations.
- Dress properly. Do not wear loose clothing or jewellery. Keep your hair and clothing away from moving parts. Loose clothes, jewellery or long hair can be caught in moving parts.
- If devices are provided for the connection of dust extraction and collection facilities, ensure these are connected and properly used. Use of dust collection can reduce dust-related hazards.
- Do not let familiarity gained from frequent use of tools allow you to become complacent and ignore tool safety principles. A careless action can cause severe injury within a fraction of a second.
- Always wear protective goggles to protect your eyes from injury when using power tools. The goggles must comply with ANSI Z87.1 in the USA, EN 166 in Europe, or AS/NZS 1336 in Australia/New Zealand. In Australia/New Zealand, it is legally required to wear a face shield to protect your face, too.
It is an employer’s responsibility to enforce the use of appropriate safety protective equipments by the tool operators and by other persons in the immediate working area.
Power tool use and care
- Do not force the power tool. Use the correct power tool for your application. The correct power tool will do the job better and safer at the rate for which it was designed.
- Do not use the power tool if the switch does not turn it on and off. Any power tool that cannot be controlled with the switch is dangerous and must be repaired.
- Disconnect the plug from the power source and/or remove the battery pack, if detachable, from the power tool before making any adjustments, changing accessories, or storing power tools. Such preventive safety measures reduce the risk of starting the power tool accidentally.
- Store idle power tools out of the reach of children and do not allow persons unfamiliar with the power tool or these instructions to operate the power tool. Power tools are dangerous in the hands of untrained users.
- Maintain power tools and accessories. Check for misalignment or binding of moving parts, breakage of parts and any other condition that may affect the power tool’s operation. If damaged, have the power tool repaired before use. Many accidents are caused by poorly maintained power tools.
- Keep cutting tools sharp and clean. Properly maintained cutting tools with sharp cutting edges are less likely to bind and are easier to control.
- Use the power tool, accessories and tool bits etc. in accordance with these instructions, taking into account the working conditions and the work to be performed. Use of the power tool for operations different from those intended could result in a hazardous situation.
- Keep handles and grasping surfaces dry, clean and free from oil and grease. Slippery handles and grasping surfaces do not allow for safe handling and control of the tool in unexpected situations.
- When using the tool, do not wear cloth work gloves which may be entangled. The entanglement of cloth work gloves in the moving parts may result in personal injury.
Service
- Have your power tool serviced by a qualified repair person using only identical replacement parts. This will ensure that the safety of the power tool is maintained.
- Follow instruction for lubricating and changing accessories.
Router safety warnings
- Hold the power tool by insulated gripping surfaces only, because the cutter may contact its own cord. Cutting a “live” wire may make exposed metal parts of the power tool “live” and could give the operator an electric shock.
- Use clamps or another practical way to secure and support the workpiece to a stable platform. Holding the work by your hand or against the body leaves it unstable and may lead to loss of control.
- The cutter bit shank must match the designed collet chuck.
- Only use a bit that is rated at least equal to the maximum speed marked on the tool.
- Wear hearing protection during extended period of operation.
- Handle the router bits very carefully.
- Check the router bit carefully for cracks or damage before operation. Replace cracked or damaged bit immediately.
- Avoid cutting nails. Inspect for and remove all nails from the workpiece before operation.
- Hold the tool firmly with both hands.
- Keep hands away from rotating parts.
- Make sure the router bit is not contacting the workpiece before the switch is turned on.
- Before using the tool on an actual workpiece, let it run for a while. Watch for vibration or wobbling that could indicate improperly installed bit.
- Be careful of the router bit rotating direction and the feed direction.
- Do not leave the tool running. Operate the tool only when hand-held.
- Always switch off and wait for the router bit to come to a complete stop before removing the tool from workpiece.
- Do not touch the router bit immediately after operation; it may be extremely hot and could burn your skin.
- Do not smear the tool base carelessly with thinner, gasoline, oil or the like. They may cause cracks in the tool base.
- Some material contains chemicals which may be toxic. Take caution to prevent dust inhalation and skin contact. Follow material supplier safety data.
- Always use the correct dust mask/respirator for the material and application you are working with.
- Place the tool on stable area. Otherwise falling accident may occur and cause an injury.
- Keep cord away from your foot or any objects. Otherwise an entangled cord may cause a falling accident and result in personal injury.
SAVE THESE INSTRUCTIONS.
WARNING: DO NOT let comfort or familiarity with product (gained from repeated use) replace strict adherence to safety rules for the subject product. MISUSE or failure to follow the safety rules stated in this instruction manual may cause serious personal injury.
FUNCTIONAL DESCRIPTION
CAUTION: Always be sure that the tool is switched off and unplugged before adjusting or checking function on the tool.
Adjusting the depth of cut
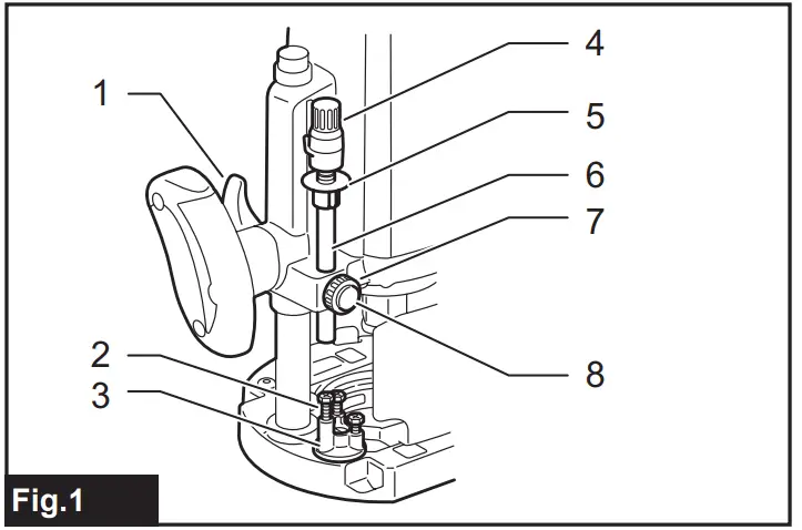
► 1. Lock lever 2. Adjusting hex bolt 3. Stopper block 4. Adjusting knob 5. Depth pointer 6. Stopper pole 7. Stopper pole setting nut 8. Fast-feed button
- Place the tool on a flat surface. Loosen the lock lever and lower the tool body until the router bit just touches the flat surface. Tighten the lock lever to lock the tool body.
- Turn the stopper pole setting nut counterclockwise. Lower the stopper pole until it makes contact with the adjusting hex bolt. Align the depth pointer with the “0” graduation. The depth of cut is indicated on the scale by the depth pointer.
- While pressing the fast-feed button, raise the stopper pole until the desired depth of cut is obtained. Minute depth adjustments can be obtained by turning the adjusting knob (1 mm per turn).
- By turning the stopper pole setting nut clockwise, you can fasten the stopper pole firmly.
- Now, your predetermined depth of cut can be obtained by loosening the lock lever and then lowering the tool body until the stopper pole makes contact with the adjusting hex bolt of the stopper block.
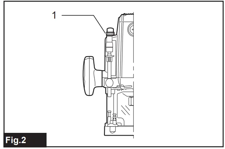
Nylon nut
CAUTION: Do not lower the nylon nut too low.
The router bit will protrude dangerously.
The upper limit of the tool body can be adjusted by turning the nylon nut.
► 1. Nylon nut
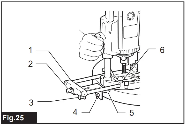
Stopper block
CAUTION: Since excessive cutting may cause overload of the motor or difficulty in controlling the tool, the depth of cut should not be more than 15 mm at a pass when cutting grooves with an 8 mm diameter bit.
CAUTION: When cutting grooves with a 20 mm diameter bit, the depth of cut should not be more than 5 mm at a pass.
CAUTION: For extra-deep grooving operations, make two or three passes with progressively deeper bit settings. As the stopper block has three adjusting hex bolts which raise or lower 0.8 mm per turn, you can easily obtain three different depths of cut without readjusting the stopper pole.
► 1. Stopper pole 2. Adjusting hex bolt 3. Stopper block
Adjust the lowest adjusting hex bolt to obtain the deepest depth of cut, following the method of “Adjusting the depth of cut”. Adjust the two remaining adjusting hex bolts to obtain shallower depths of cut. The differences in height of these adjusting hex bolts are equal to the differences in depths of cut. To adjust the adjusting hex bolts, turn the adjusting hex bolts with a screwdriver or wrench. The stopper block is also convenient for making three passes with progressively deeper bit settings when cutting deep grooves.
Switch action
CAUTION: Before plugging in the tool, always check to see that the switch trigger actuates properly and returns to the “OFF” position when released.
CAUTION: Make sure that the shaft lock is released before the switch is turned on. To prevent the switch trigger from being accidentally pulled, a lock button is provided.
► 1. Lock button 2. Switch trigger
To start the tool, depress the lock button and pull the switch trigger. Release the switch trigger to stop.
For continuous operation, depress the lock button further while the switch trigger is being pulled. To stop the tool, pull the switch trigger so that the lock button returns automatically.
Then release the switch trigger. After releasing the switch trigger, the lock-off function works to prevent the switch trigger from being pulled.
CAUTION: Hold the tool firmly when turning off the tool, to overcome the reaction.
Electronic function
The tool is equipped with the electronic functions for easy operation.
Indication lamp
► 1. Indication lamp
The indication lamp lights up green when the tool is plugged. If the indication lamp does not light up, the mains cord or the controller may be defective. The indication lamp is lit but the tool does not start even if the tool is switched on, the carbon brushes may be worn out, or the controller, the motor or the ON/OFF switch may be defective.
Unintentional restart proof
The tool does not start with the switch trigger pulled even when the tool is plugged.
At this time, the indication lamp blinks in red and shows the unintentional restart proof device is on function.
To cancel the unintentional restart proof, release the switch trigger.
Soft start feature
Soft-start feature minimizes start-up shock, and makes the tool start smoothly.
Constant speed control
Only for model RP2302FC, RP2303FC Possible to get fine finish, because the rotating speed is kept constant even under the loaded condition.
Speed adjusting dial
Only for model RP2302FC, RP2303FC
WARNING: Do not use the speed adjusting dial during operation. The router bit can be touched by the operator because of reaction force. This may result in personal injury.
NOTICE: If the tool is operated continuously at low speeds for a long time, the motor will get overloaded, resulting in tool malfunction.
NOTICE: The speed adjusting dial can be turned only as far as 6 and back to 1. Do not force it past 6 or 1, or the speed adjusting function may no longer work. The tool speed can be changed by turning the speed adjusting dial to a given number setting from 1 to 6.
► 1. Speed adjusting dial
Higher speed is obtained when the dial is turned in the direction of number 6. And lower speed is obtained when it is turned in the direction of number 1.
This allows the ideal speed to be selected for optimum material processing, i.e. the speed can be correctly adjusted to suit the material and bit diameter.
Refer to the table for the relationship between the number settings on the dial and the approximate tool speed.
| Number | min-1 |
| 1 | 9,000 |
| 2 | 11,000 |
| 3 | 14,000 |
| 4 | 17,000 |
| 5 | 20,000 |
| 6 | 23,000 |
Lighting up the lamps
Only for model RP1802F, RP1803F, RP2302FC, RP2303FC
CAUTION: Do not look in the light or see the source of light directly.
Pull the switch trigger to turn on the light. The lamp keeps on lighting while the switch trigger is being pulled. The lamp turns off approximately 10 seconds after releasing the trigger.
► 1. Lamp
NOTE: Use a dry cloth to wipe the dirt off the lens of the lamp. Be careful not to scratch the lens of lamp, or it may lower the illumination.
ASSEMBLY
CAUTION: Always be sure that the tool is switched off and unplugged before carrying out any work on the tool.
Installing or removing the router bit
CAUTION: Install the router bit securely. Always use only the wrench provided with the tool. A loose or overtightened router bit can be dangerous.
NOTICE: Do not tighten the collet nut without inserting a router bit or install small shank bits without using a collet sleeve. Either can lead to breakage of the collet cone.
1. Insert the router bit all the way into the collet cone.
2. Press the shaft lock to keep the shaft stationary and use the wrench to tighten the collet nut securely. When using router bits with smaller shank diameter, first insert the appropriate collet sleeve into the collet cone, then install the router bit.
► 1. Shaft lock 2. Wrench 3. Loosen 4. Tighten
To remove the router bit, follow the installation procedure in reverse.
OPERATION
WARNING: Before operation, always make sure that the stopper pole is secured firmly by the stopper pole setting nut. Otherwise the depth of cut may change during operation and cause personal injury.
CAUTION: Before operation, always make sure that the tool body automatically rises to the upper limit and the router bit does not protrude from the tool base when the lock lever is loosened.
CAUTION: Always use both grips and firmly hold the tool by both grips during operations.
CAUTION: Before operation, always make sure that the chip deflector is installed properly.
► 1. Chip deflector
- Set the base on the workpiece to be cut without the router bit making any contact.
- Turn the tool on and wait until the router bit attains full speed.
- Lower the tool body and move the tool forward over the workpiece surface, keeping the base flush and advancing smoothly until the cutting is complete.
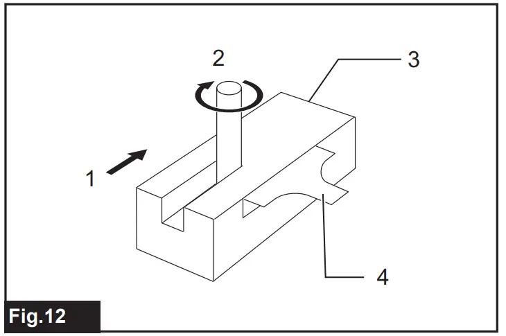
When doing edge cutting, the workpiece surface should be on the left side of the router bit in the feed direction.
► 1. Workpiece 2. Bit revolving direction 3. View from the top of the tool 4. Feed direction
NOTE: Moving the tool forward too fast may cause a poor quality of cut, or damage to the router bit or motor. Moving the tool forward too slowly may burn and mar the cut. The proper feed rate will depend on the router bit size, the kind of workpiece and depth of cut.
Before beginning the cut on the actual workpiece, it is advisable to make a sample cut on a piece of scrap lumber. This will show exactly how the cut will look as well as enable you to check dimensions.
NOTE: When using the straight guide or the trimmer guide, be sure to install it on the right side in the feed direction. This will help to keep it flush with the side of the workpiece.
► 1. Feed direction 2. Bit revolving direction 3. Workpiece 4. Straight guide
Straight guide
The straight guide is effectively used for straight cuts when chamfering or grooving.
1. Install the straight guide on the guide holder using the clamping screw (B). Insert the guide holder into the holes in the tool base and tighten the clamping screw (A). To adjust the distance between the router bit and the straight guide, loosen the clamping screw (B) and turn the fine adjusting screw (1.5 mm per turn). At the desired distance, tighten the clamping screw (B) to secure the straight guide in place.
► 1. Clamping screw (A) 2. Straight guide 3. Guide holder 4. Fine adjusting screw 5. Clamping screw (B)
2. When cutting, move the tool with the straight guide flush with the side of the workpiece.
Wider straight guide of desired dimensions may be made by using the convenient holes in the guide to bolt on extra pieces of wood. When using a large diameter router bit, attach pieces of wood to the straight guide which have a thickness of more than 15 mm (5/8″) to prevent the router bit from striking the straight guide.
► 1. Straight guide 2. Wood
A=55 mm (2-3/16″)
B=55 mm (2-3/16″)
C=15 mm (5/8″) or thicker
If the distance between the side of the workpiece and the cutting position is too wide for the straight guide, or if the side of the workpiece is not straight, the straight guide cannot be used. In this case, firmly clamp a straight board to the workpiece and use it as a guide against the base. Feed the tool in the direction of the arrow.
Fine adjusting straight guide
Optional accessory
Insert the two rods into the outer mounting slots of the guide holder, and secure them by tightening the two clamping screws (B). Make sure that the thumb screw (A) is tightened down, insert the two rods into the base, and tighten the clamping screws (A).
► 1. Clamping screw (B) 2. Thumb screw (A) 3. Clamping screw (A)
Fine adjusting function for positioning blade in relation to straight guide
► 1. Thumb screw (A) 2. Thumb screw (B) 3. Scale ring
1. Loosen the thumb screw (A).
2. Turn the thumb screw (B) to adjust position (one turn adjusts the position by 1 mm) as necessary.
3. Tighten the thumb screw (A) until it is secured. Scale ring can be rotated separately, so scale unit can be aligned to zero (0).
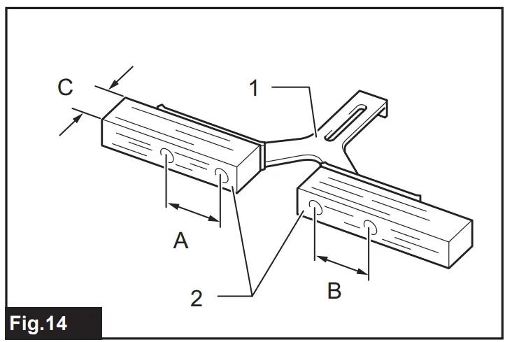
Adjusting guide shoe width
Loosen the screws marked by the circles to alter the width of the straight guide. After altering width, tighten the screws until they are secured.
Guide shoe width alteration range is 280 mm to 350 mm.
► 1. Screw
When set to minimum opening width
When set to maximum opening width
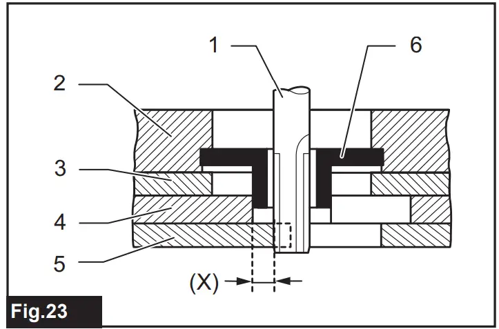
Templet guide
Optional accessory
The templet guide provides a sleeve through which the router bit passes, allowing use of the router with templet patterns.
1. Pull the lock plate lever and insert the templet guide.
► 1. Templet guide 2. Lock plate lever
2. Secure the templet to the workpiece. Place the tool on the templet and move the tool with the templetguide sliding along the side of the templet.
► 1. Router bit 2. Base 3. Base plate 4. Templet 5. Workpiece 6. Templet guide
NOTE: The workpiece will be cut a slightly different size from the templet. Allow for the distance (X) between the router bit and the outside of the templet guide. The distance (X) can be calculated by using the following equation:
Distance (X) = (outside diameter of the templet guide – router bit diameter) / 2
Trimmer guide
Optional accessory
Trimming, curved cuts in veneers for furniture and the like can be done easily with the trimmer guide. The guide roller rides the curve and assures a fine cut.
Install the trimmer guide on the guide holder using the clamping screw (D). Insert the guide holder into the holes in the tool base and tighten the clamping screw (A). To adjust the distance between the router bit and the trimmer guide, loosen the clamping screw (D) and turn the fine adjusting screw (1.5 mm per turn). When adjusting the guide roller up or down, loosen the clamping screw (C). After adjusting, tighten all the clamping screws securely.
► 1. Guide holder 2. Fine adjusting screw 3. Clamping screw (D) 4. Clamping screw (C) 5. Guide roller 6. Clamping screw (A)
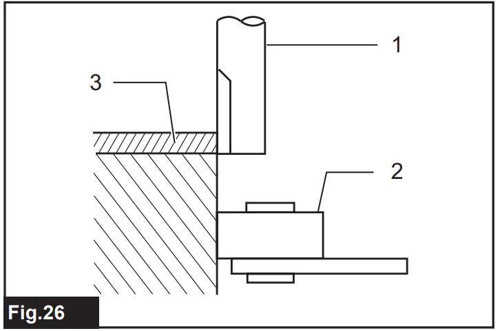
When cutting, move the tool with the guide roller riding the side of the workpiece.
► 1. Router bit 2. Guide roller 3. Workpiece
Dust nozzle sets
Use the dust nozzle for dust extraction.
1. Install the dust nozzle on the tool base using the thumb screw so that protrusion on the dust nozzle fit to the notch in the tool base.
► 1. Dust nozzle 2. Thumb screw
2. Connect a vacuum cleaner to the dust nozzle.
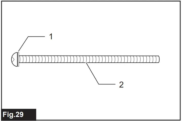
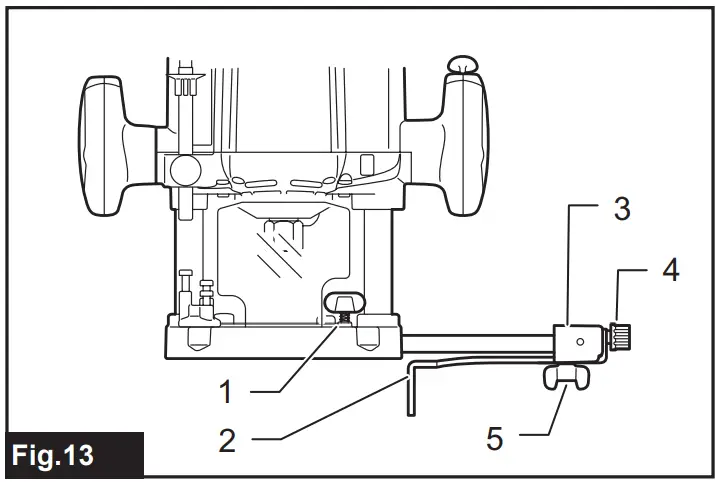
How to use screw M6 x 135 for adjusting the depth of cut
When using the tool with a router table available in the market, using this screw allows an operator to obtain a small amount of adjustment of the depth of cut from above the table.
Installing the screw with washer on the tool
Insert the screw with washer through a screw hole on the tool base and then screw in the threaded part of the motor bracket of the tool. At this time, apply some grease or lubricating oil to the inside of the screw hole on the tool base and the threaded part of the motor bracket.
► 1. Flat washer 6 2. Screw M6 x 135
► 1. Screw M6 x 135 in a screw hole
► 1. Screw M6 x 135 2. Threaded part of the motor bracket
Adjusting the depth of cut
1. A small amount of depth of cut can be obtained by turning this screw with a screwdriver from above the table. (1.0 mm per a full turn)
2. Turning the screw clockwise makes the depth of cut greater and turning the screw counterclockwise makes the depth of cut smaller.
► 1. Screwdriver
MAINTENANCE
CAUTION: Always be sure that the tool is switched off and unplugged before attempting to perform inspection or maintenance.
NOTICE: Never use gasoline, benzine, thinner, alcohol or the like. Discoloration, deformation or cracks may result.
To maintain product SAFETY and RELIABILITY, repairs, any other maintenance or adjustment should be performed by Makita Authorized or Factory Service Centers, always using Makita replacement parts.
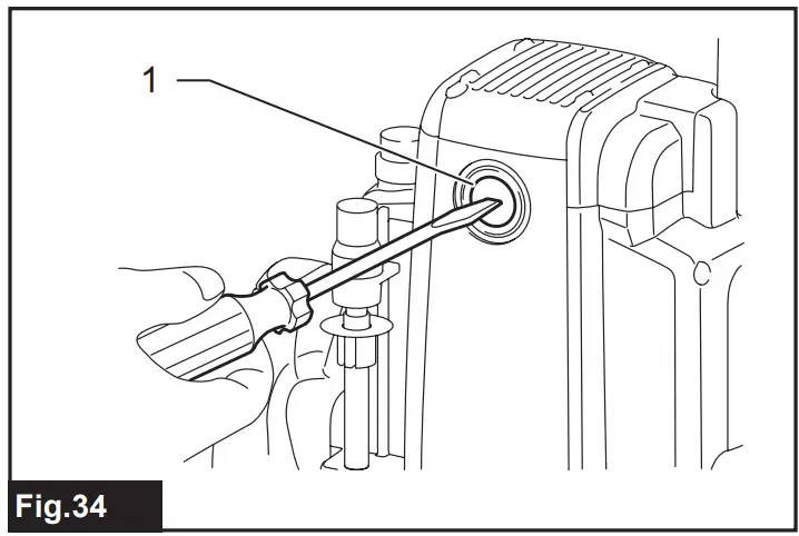
Replacing carbon brushes
► 1. Limit mark
Check the carbon brushes regularly.
Replace them when they wear down to the limit mark. Keep the carbon brushes clean and free to slip in the holders. Both carbon brushes should be replaced at the same time. Use only identical carbon brushes.
1. Use a screwdriver to remove the brush holder caps.
2. Take out the worn carbon brushes, insert the new ones and secure the brush holder caps.
► 1. Brush holder cap
Only for model RP1803, RP1803F, RP2303FC
After replacing brushes, plug in the tool and break in brushes by running tool with no load for about 10 minutes. Then check the tool while running and electric brake operation when releasing the switch trigger. If electric brake is not working well, ask your local Makita service center for repair.
OPTIONAL ACCESSORIES
CAUTION: These accessories or attachments are recommended for use with your Makita tool specified in this manual. The use of any other accessories or attachments might present a risk of injury to persons. Only use accessory or attachment for its stated purpose. If you need any assistance for more details regarding these accessories,
ask your local Makita Service Center.
- Straight & groove forming bits
- Edge forming bits
- Laminate trimming bits
- Straight guide
- Trimmer guide
- Guide holder
- Templet guides
- Templet guide adapter
- Lock nut
- Collet cone
- Collet sleeve
- Wrench
- Dust nozzle set
NOTE: Some items in the list may be included in the tool package as standard accessories. They may differ from country to country.
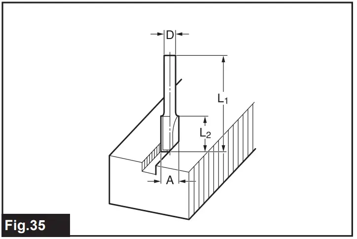
Router bits
Straight bit
| D | A | L1 | L2 |
| 6 | 20 | 50 | 15 |
| 1/4″ | |||
| 12 | 12 | 60 | 30 |
| 1/2″ | |||
| 12 | 10 | 60 | 25 |
| 1/2″ | |||
| 8 | 8 | 60 | 25 |
| 6 | 8 | 50 | 18 |
| 1/4″ | |||
| 6 | 6 | 50 | 18 |
| 1/4″ |
“U”Grooving bit
| D | A | L1 | L2 | R |
| 6 | 6 | 50 | 18 | 3 |
V”Grooving bit
| D | A | L1 | L2 | θ |
| 1/4″ | 20 | 50 | 15 | 90° |
Drill point flush trimming bit
| D | A | L1 | L2 | L3 |
| 12 | 12 | 60 | 20 | 35 |
| 8 | 8 | 60 | 20 | 35 |
| 6 | 6 | 60 | 18 | 28 |
Drill point double flush trimming bit
| D | A | L1 | L2 | L3 | L4 |
| 6 | 6 | 70 | 40 | 12 | 14 |
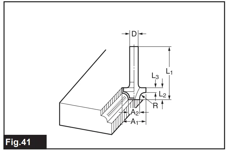
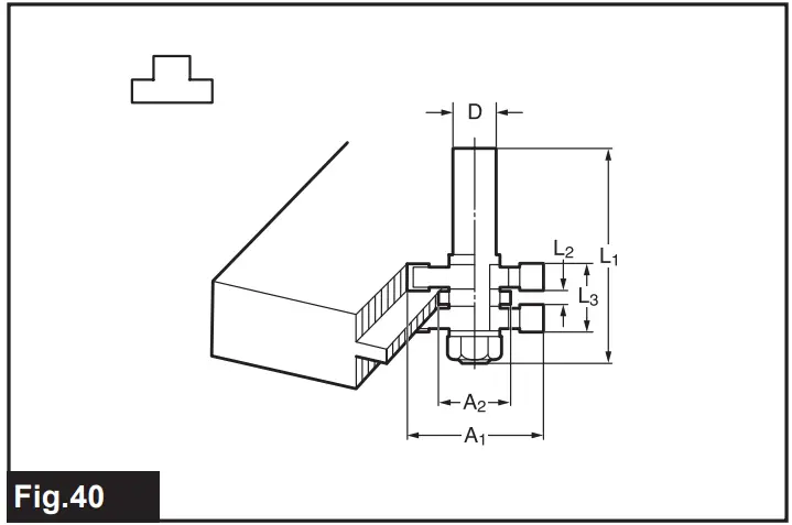
Board-jointing bit
| D | A1 | A2 | L1 | L2 | L3 |
| 12 | 38 | 27 | 61 | 4 | 20 |
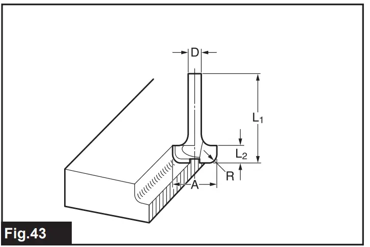
Corner rounding bit
| D | A1 | A2 | L1 | L2 | L3 | R |
| 6 | 25 | 9 | 48 | 13 | 5 | 8 |
| 6 | 20 | 8 | 45 | 10 | 4 | 4 |
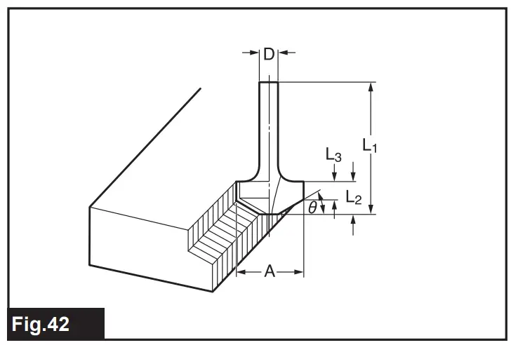
Chamfering bit
| D | A | L1 | L2 | L3 | θ |
| 6 | 23 | 46 | 11 | 6 | 30° |
| 6 | 20 | 50 | 13 | 5 | 45° |
| 6 | 20 | 49 | 14 | 2 | 60° |
Cove beading bit
| D | A | L1 | L2 | R |
| 6 | 20 | 43 | 8 | 4 |
| 6 | 25 | 48 | 13 | 8 |
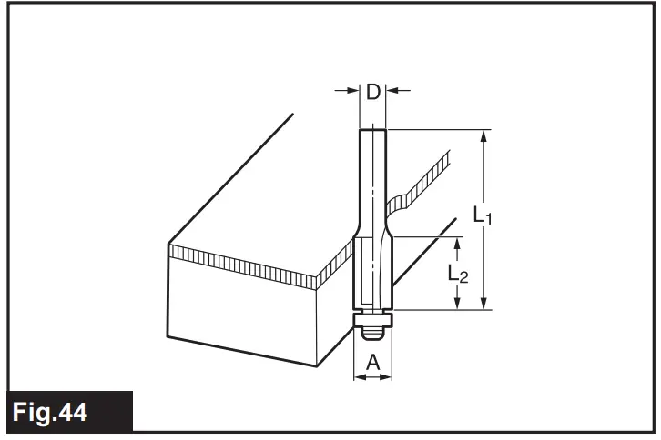
Ball bearing flush trimming bit
| D | A | L1 | L2 |
| 6 | 10 | 50 | 20 |
| 1/4″ |
Ball bearing corner rounding bit
| D | A1 | A2 | L1 | L2 | L3 | R |
| 6 | 15 | 8 | 37 | 7 | 3.5 | 3 |
| 6 | 21 | 8 | 40 | 10 | 3.5 | 6 |
| 1/4″ | 21 | 8 | 40 | 10 | 3.5 | 6 |
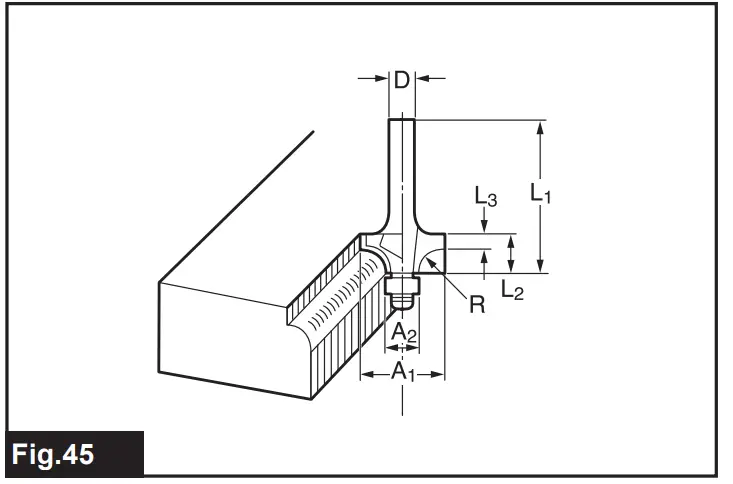
Ball bearing chamfering bit
| D | A1 | A2 | L1 | L2 | θ |
| 6 | 26 | 8 | 42 | 12 | 45° |
| 1/4″ | |||||
| 6 | 20 | 8 | 41 | 11 | 60° |
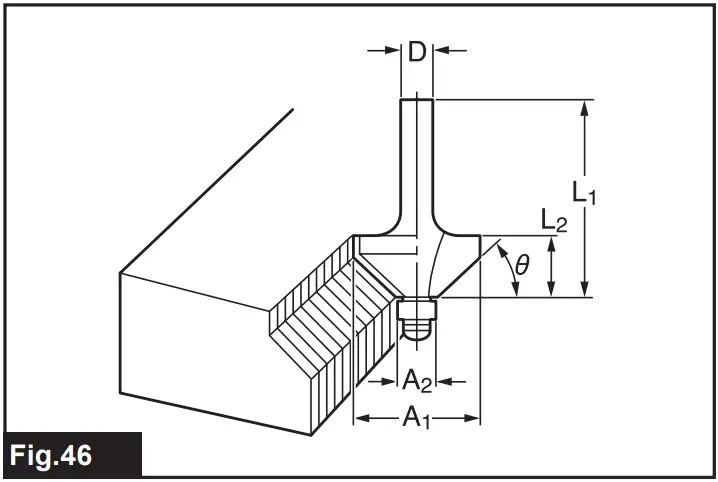
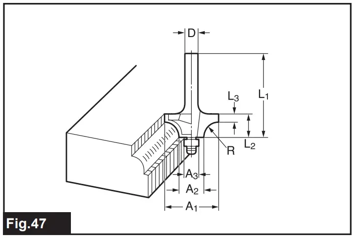
Ball bearing beading bit
| D | A1 | A2 | A3 | L1 | L2 | L3 | R |
| 6 | 20 | 12 | 8 | 40 | 10 | 5.5 | 4 |
| 6 | 26 | 12 | 8 | 42 | 12 | 4.5 | 7 |
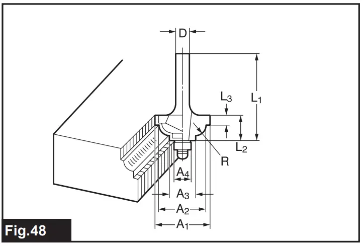
Ball bearing cove beading bit
| D | A1 | A2 | A3 | A4 | L1 | L2 | L3 | R |
| 6 | 20 | 18 | 12 | 8 | 40 | 10 | 5.5 | 3 |
| 6 | 26 | 22 | 12 | 8 | 42 | 12 | 5 | 5 |
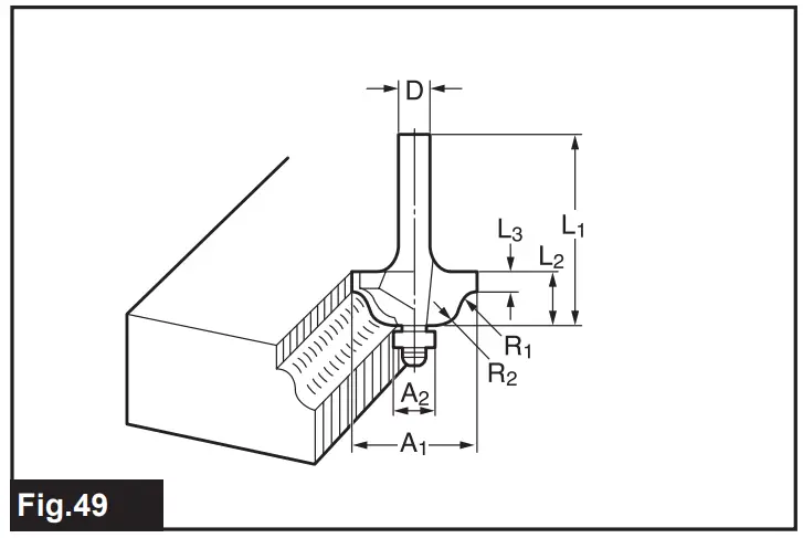
Ball bearing roman ogee bit
| D | A1 | A2 | L1 | L2 | L3 | R1 | R2 |
| 6 | 20 | 8 | 40 | 10 | 4.5 | 2.5 | 4.5 |
| 6 | 26 | 8 | 42 | 12 | 4.5 | 3 | 6 |
Makita Europe N.V.
Jan-Baptist Vinkstraat 2,
3070 Kortenberg, Belgium
Makita Corporation
3-11-8, Sumiyoshi-cho,
Anjo, Aichi 446-8502 Japan
www.makita.com
885917B222
20211030



















