INSTRUCTION MANUAL
![]() | ![]() |
![]() | ![]() |
![]() | ![]() |
![]() | ![]() |
![]() | ![]() |
![]() | ![]() |
![]() | ![]() |
![]() | ![]() |
![]() | ![]() |
![]() | ![]() |
![]() | ![]() |
![]() | ![]() |
![]() | ![]() |
![]() | ![]() |
![]() | ![]() |
![]() | ![]() |
![]() | ![]() |
![]() | |
SPECIFICATIONS
| Model: | RP1111C |
| Collet chuck capacity | 6 mm, 8 mm, or 1/4″ |
| Plunge capacity | 0 – 57 mm |
| No-load speed | 8,000 – 27,500 min-¹ |
| Overall height | 260 mm |
| Net weight | 3.3 kg |
| Safety class |
- Due to our continuing program of research and development, the specifications herein are subject to change without notice.
- Specifications may differ from country to country.
- Weight according to EPTA-Procedure 01/2014
Intended use
The tool is intended for flush trimming and profiling of wood, plastic, and similar materials.
Power supply
The tool should be connected only to a power supply of the same voltage as indicated on the nameplate, and can only be operated on a single-phase AC supply. They are double-insulated and can, therefore, also be used from sockets without earth wire.
Noise
The typical A-weighted noise level determined according to EN62841-2-17:
Sound pressure level (LpA) : 93 dB(A)
Sound power level (LWA) : 104 dB (A)
Uncertainty (K) : 3 dB(A)
NOTE: The declared noise emission value(s) has been measured in accordance with a standard test method and may be used for comparing one tool with another.
NOTE: The declared noise emission value(s) may also be used in a preliminary assessment of exposure.
WARNING: Wear ear protection.
WARNING: The noise emission during actual use of the power tool can differ from the declared value(s) depending on the ways in which the tool is used especially what kind of workpiece is processed.
WARNING: Be sure to identify safety measures to protect the operator that is based on an estimation of exposure in the actual conditions of use (taking account of all parts of the operating cycle such as the times when the tool is switched off and when it is running idle in addition to the trigger time).
Vibration
The vibration total value (tri-axial vector sum) determined according to EN62841-2-17:
Work mode: cutting grooves in MDF
Vibration emission (ah) : 4.4 m/s²
Uncertainty (K) : 1.5 m/s²
NOTE: The declared vibration total value(s) has been measured in accordance with a standard test method and may be used for comparing one tool with another.
NOTE: The declared vibration total value(s) may also be used in a preliminary assessment of exposure.
WARNING: The vibration emission during actual use of the power tool can differ from the declared value(s) depending on the ways in which the tool is used especially what kind of workpiece is processed.
WARNING: Be sure to identify safety measures to protect the operator that is based on an estimation of exposure in the actual conditions of use (taking account of all parts of the operating cycle such as the times when the tool is switched off and when it is running idle in addition to the trigger time).
EC Declaration of Conformity
For European countries only
The EC declaration of conformity is included in Annex A in this instruction manual.
SAFETY WARNINGS
General power tool safety warnings
WARNING: Read all safety warnings, instructions, illustrations, and specifications provided with this power tool. Failure to follow all instructions listed below may result in electric shock, fire, and/or serious injury.
Save all warnings and instructions for future reference.
The term “power tool” in the warnings refers to your mains-operated (corded) power tool or battery-operated (cordless) power tool.
Router safety warnings
- Hold the power tool by insulated gripping surfaces only, because the cutter may contact its own cord. Cutting a “live” wire may make exposed metal parts of the power tool “live” and could give the operator an electric shock.
- Use clamps or another practical way to secure and support the workpiece to a stable platform. Holding the work by your hand or against the body leaves it unstable and may lead to loss of control.
- The cutter bit shank must match the designed collet chuck.
- Only use a bit that is rated at least equal to the maximum speed marked on the tool.
- Wear hearing protection during an extended period of operation.
- Handle the router bits very carefully.
- Check the router bit carefully for cracks or damage before operation. Replace cracked or damaged bit immediately.
- Avoid cutting nails. Inspect and remove all nails from the workpiece before operation.
- Hold the tool firmly with both hands.
- Keep hands away from rotating parts.
- Make sure the router bit is not contacting the workpiece before the switch is turned on.
- Before using the tool on an actual workpiece, let it run for a while. Watch for vibration or wobbling that could indicate an improperly installed bit.
- Be careful of the router bit rotating direction and the feed direction.
- Do not leave the tool running. Operate the tool only when hand-held.
- Always switch off and wait for the router bit to come to a complete stop before removing the tool from the workpiece.
- Do not touch the router bit immediately after operation; it may be extremely hot and could burn your skin.
- Do not smear the tool base carelessly with thinner, gasoline, oil, or the like. They may cause cracks in the tool base.
- Some material contains chemicals that may be toxic. Take caution to prevent dust inhalation and skin contact. Follow material supplier safety data.
- Always use the correct dust mask/respirator for the material and application you are working with.
- Place the tool in a stable area. Otherwise falling accident may occur and cause an injury.
- Keep cord away from your foot or any objects. Otherwise, an entangled cord may cause a falling accident and result in personal injury.
SAVE THESE INSTRUCTIONS.
WARNING: DO NOT let comfort or familiarity with the product (gained from repeated use) replace strict adherence to safety rules for the subject product. MISUSE or failure to follow the safety rules stated in this instruction manual may cause serious personal injury.
FUNCTIONAL DESCRIPTION
CAUTION: Always be sure that the tool is switched off and unplugged before adjusting or checking the function on the tool.
Adjusting the depth of cut
► Fig.1:
- Lock knob
- Adjusting hex bolt
- Stopper block
- Adjusting knob
- Stopper pole
- Depth pointer
- Stopper pole setting nut
- Fast-feed button
- Place the tool on a flat surface. Loosen the lock knob and lower the tool body until the router bit just touches the flat surface. Tighten the lock knob to lock the tool body.
- Turn the stopper pole setting nut counterclockwise. Lower the stopper pole until it makes contact with the adjusting hex bolt. Align the depth pointer with the “0” graduation. The depth of cut is indicated on the scale by the depth pointer.
- While pressing the fast-feed button, raise the stopper pole until the desired depth of cut is obtained. Minute depth adjustments can be obtained by turning the adjusting knob (1 mm per turn).
- By turning the stopper pole setting nut clockwise, you can fasten the stopper pole firmly.
- Now, your predetermined depth of cut can be obtained by loosening the lock knob and then lowering the tool body until the stopper pole makes contact with the adjusting hex bolt of the stopper block.
Nylon nut
CAUTION: Do not lower the nylon nut too low. The router bit will protrude dangerously.
The upper limit of the tool body can be adjusted by turning the nylon nut.
► Fig.2:
- Nylon nut
Stopper block
CAUTION: Since excessive cutting may cause an overload of the motor or difficulty in controlling the tool, the depth of cut should not be more than 15 mm at a pass when cutting grooves with an 8 mm diameter bit.
CAUTION: When cutting grooves with a 20 mm diameter bit, the depth of cut should not be more than 5 mm at a pass.
CAUTION: For extra-deep grooving operations, make two or three passes with progressively deeper bit settings.
As the stopper block has three adjusting hex bolts that raise or lower 0.8 mm per turn, you can easily obtain three different depths of cut without readjusting the stopper pole. ► Fig.3:
- Stopper pole
- Adjusting hex bolt
- Stopper block
Adjust the lowest adjusting hex bolt to obtain the deepest depth of cut, following the method of “Adjusting the depth of cut”. Adjust the two remaining adjusting hex bolts to obtain shallower depths of cut. The differences in height of these adjusting hex bolts are equal to the differences in the depths of the cut. To adjust the adjusting hex bolts, turn the adjusting hex bolts with a screwdriver or wrench. The stopper block is also convenient for making three passes with progressively deeper bit settings when cutting deep grooves.
Switch action
CAUTION: Before plugging in the tool, always check to see that the switch trigger actuates properly and returns to the “OFF” position when released.
CAUTION: Make sure that the shaft lock is released before the switch is turned on.
To prevent the switch trigger from being accidentally pulled, a lock button is provided.
► Fig.4:
- Lock button
- Switch trigger
To start the tool, depress the lock button and pull the switch trigger. Release the switch trigger to stop. For continuous operation, pull the switch trigger and then depress the lock button further.
To stop the tool, pull the switch trigger so that the lock button returns automatically. Then release the switch trigger. After releasing the switch trigger, the lock-off function works to prevent the switch trigger from being pulled.
CAUTION: Hold the tool firmly when turning it off the tool, to overcome the reaction.
Electronic function
The tool is equipped with electronic functions for easy operation.
Indication lamp
► Fig.5:
- Indication lamp
The indication lamp lights up green when the tool is plugged. If the indicator lamp does not light up, the main cord or the controller may be defective. The indication lamp is lit but the tool does not start even if the tool is switched on, the carbon brushes may be worn out, or the controller, the motor, or the ON/OFF switch may be defective.
Unintentional restart proof
The tool does not start with the switch trigger pulled even when the tool is plugged.
At this time, the indication lamp blinks in red and shows the unintentional restart proof device is on function.
To cancel the unintentional restart proof, release the switch trigger.
Soft start feature
Soft-start feature minimizes start-up shock and makes the tool start smoothly.
Constant speed control
Possible to get a fine finish, because the rotating speed is kept constant even under the loaded condition.
Speed adjusting dial
WARNING: Do not use the speed adjusting dial during operation. The router bit can be touched by the operator because of reaction force. This may result in personal injury.
CAUTION: If the tool is operated continuously at low speeds for a long time, the motor will get overloaded, resulting in tool malfunction.
CAUTION: The speed adjusting dial can be turned only as far as 5 and back to 1. Do not force it past 5 or 1, or the speed adjusting function may no longer work.
The tool speed can be changed by turning the speed adjusting dial to a given number setting from 1 to 5.
► Fig.6: 1. Speed adjusting dial
Higher speed is obtained when the dial is turned in the direction of number 5. And lower speed is obtained when it is turned in the direction of number 1.
This allows the ideal speed to be selected for optimum material processing, i.e. the speed can be correctly adjusted to suit the material and bit diameter.
Refer to the table for the relationship between the number settings on the dial and the approximate tool speed.
| Number | min-¹ |
| 1 | 8,000 |
| 2 | 12,000 |
| 3 | 16,000 |
| 4 | 20,000 |
| 5 | 27,500 |
ASSEMBLY
CAUTION: Always be sure that the tool is switched off and unplugged before carrying out any work on the tool.
Installing or removing the router bit
CAUTION: Install the router bit securely. Always use only the wrench provided with the tool. A loose or overtightened router bit can be dangerous.
NOTICE: Do not tighten the collet nut without inserting a router bit or install small shank bits without using a collet sleeve. Either can lead to breakage of the collet cone.
- Insert the router bit all the way into the collet cone.
- Press the shaft lock to keep the shaft stationary and use the wrench to tighten the collet nut securely.
► Fig.7: 1. Collet nut 2. Tighten 3. Loosen 4. Wrench 5. Shaft lock - When using router bits with another shank diameter, use the correct size collet cone for the router bit which you intend to use.
► Fig.8: 1. Correct size collet cone - To remove the router bit, follow the installation procedure in reverse.
OPERATION
WARNING: Before the operation, always make sure that the stopper pole is secured firmly by the stopper pole setting nut. Otherwise, the depth of cut may change during operation and cause personal injury.
CAUTION: Before the operation, always make sure that the tool body automatically rises to the upper limit and the router bit does not protrude from the tool base when the lock knob is loosened.
CAUTION: Always use both grips and firmly hold the tool by both grips during operations.
- Set the base on the workpiece to be cut without the router bit making any contact.
- Turn the tool on and wait until the router bit attains full speed.
- Lower the tool body and move the tool forward over the workpiece surface, keeping the base flush and advancing smoothly until the cutting is complete.
When doing edge cutting, the workpiece surface should be on the left side of the router bit in the feed direction.
► Fig.9: 1. Workpiece 2. Bit revolving direction 3. View from the top of the tool 4. Feed direction
NOTE: Moving the tool forward too fast may cause a poor quality of cut or damage to the router bit or motor. Moving the tool forward too slowly may burn and mar the cut. The proper feed rate will depend on the router bit size, the kind of workpiece, and the depth of cut.
Before beginning the cut on the actual workpiece, it is advisable to make a sample cut on a piece of scrap lumber. This will show exactly how the cut will look as well as enable you to check dimensions.
NOTE: When using the straight guide or the trimmer guide, be sure to install it on the right side in the feed direction. This will help to keep it flush with the side of the workpiece.
► Fig.10: 1. Feed direction 2. Bit revolving direction 3. Workpiece 4. Straight guide
Straight guide
Optional accessory
The straight guide is effectively used for straight cuts when chamfering or grooving.
► Fig.11
- Insert the guide bars into the holes in the tool base.
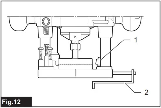
- Adjust the distance between the router bit and the straight guide. At the desired distance, tighten the thumbscrews to secure the straight guide in place.
► Fig.12: 1. Thumbscrew 2. Straight guide - When cutting, move the tool with the straight guide flush with the side of the workpiece.
If the distance between the side of the workpiece and the cutting position is too wide for the straight guide, or if the side of the workpiece is not straight, the straight guide cannot be used. In this case, firmly clamp a straight board to the workpiece and use it as a guide against the router base. Feed the tool in the direction of the arrow.
► Fig.13
Templet guide
Optional accessory
The templet guide provides a sleeve through which the router bit passes, allowing the use of the router with templet patterns.
► Fig.14
- Loosen the screws on the base, insert the templet guide and then tighten the screws.
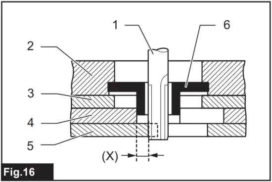
► Fig.15: 1. Screws 2. Templet guide - Secure the templet to the workpiece. Place the tool on the templet and move the tool with the templet guide sliding along the side of the templet.
► Fig.16: 1. Router bit 2. Base 3. Base plate 4. Templet 5. Workpiece 6. Templet guide
NOTE: The workpiece will be cut a slightly different size from the templet. Allow for the distance (X) between the router bit and the outside of the templet guide. The distance (X) can be calculated by using the following equation:
Distance (X) = (outside diameter of the templet guide – router bit diameter) / 2
Dust nozzle sets
Cleaner operations can be performed by connecting the tool to the Makita vacuum cleaner. Insert the nozzle assembly and the dust nozzle assembly into the tool.
► Fig.17: 1. Dust nozzle assembly 2. Nozzle assembly
Also, the dust nozzle assembly can be inserted into the tool base directly in accordance with the operation.
► Fig.18: 1. Dust nozzle assembly
MAINTENANCE
CAUTION: Always be sure that the tool is switched off and unplugged before attempting to perform inspection or maintenance.
NOTICE: Never use gasoline, benzene, thinner, alcohol, or the like. Discoloration, deformation, or cracks may result.
To maintain product SAFETY and RELIABILITY, repairs, and any other maintenance or adjustment should be performed by Makita Authorized or Factory Service Centers, always using Makita replacement parts.
Replacing carbon brushes
► Fig.19: 1. Limit mark
Check the carbon brushes regularly.
Replace them when they wear down to the limit mark. Keep the carbon brushes clean and free to slip in the holders. Both carbon brushes should be replaced at the same time. Use only identical carbon brushes.
- Use a screwdriver to remove the brush holder caps.
- Take out the worn carbon brushes, insert the new ones and secure the brush holder caps.
► Fig.20: 1. Brush holder cap
OPTIONAL ACCESSORIES
CAUTION: These accessories or attachments are recommended for use with your Makita tool specified in this manual. The use of any other accessories or attachments might present a risk of injury to persons. Only use accessory or attachment for its stated purpose.
If you need any assistance with more details regarding these accessories, ask your local Makita Service Center.
- Straight & groove forming bits
- Edge forming bits
- Laminate trimming bits
- Straight guide
- Templet guides
- Locknut
- Collet cone
- Wrench
- Dust nozzle assembly
- Nozzle assembly
- Hose complete
- Joint
NOTE: Some items in the list may be included in the tool package as standard accessories. They may differ from country to country.
Router bits
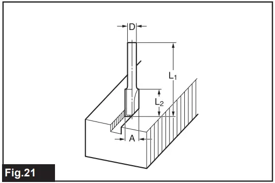
Straight bit
► Fig.21
| D | A | Ll | L2 |
| 6 | 20
| 50 | 15 |
| 1/4″ | |||
| 8 | 8 | 60 | 25 |
| 6 | 8
| 50 | 18 |
| 1/4″ | |||
| 6 | 6
| 50 | 18 |
| 1/4″ |
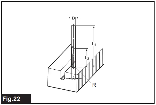
“U” Grooving bit
► Fig.22
Unit:mm
| D | A | Ll | L2 | R |
| 6 | 6 | 60 | 28 | 3 |
| 1/4″ |
“V” Grooving bit
Fig. 23
Unit: mm
| D | A | Ll | L2 | 8 |
| 1/4″ | 20 | 50 | 15 | 90° |
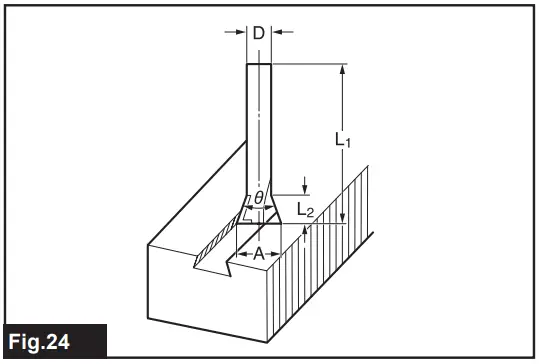
Dovetail bit
Fig. 24
Unit: mm
| D | A | Ll | L2 | 8 |
| 8 | 14.5 | 55 | 10 | 35° |
| 8 | 14.5 | 55 | 14.5 | 23° |
| 8 | 12 | 50 | 9 | 30° |
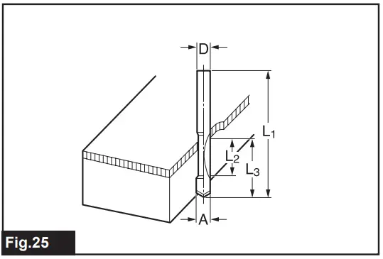
Drill point flush trimming bit
Fig. 25
Unit: mm
| D | A | Ll | L2 | L3 |
| 8 | 8 | 60 | 20 | 35 |
| 6 | 6 | 60 | 18 | 28 |
| 1/4″ |
Drill point double flush trimming bit
Fig. 26
Unit: mm
| D | A | Ll | L2 | L3 | L4 |
| 8 | 8 | 80 | 55 | 20 | 25 |
| 6 | 6 | 70 | 40 | 12 | 14 |
| 1/4″ |
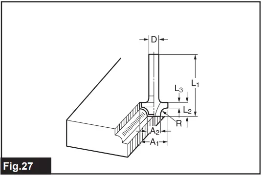
Corner rounding bit
Fig. 27
Unit: mm
| D | Al | A2 | Ll | L2 | L3 | R |
| 6 | 25 | 9 | 48 | 13 | 5 | 8 |
| 1/4″ | ||||||
| 6 | 20 | 8 | 45 | 10 | 4 | 4 |
| 1/4″ |
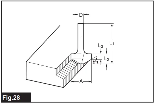
Chamfering bit
► Fig.28
Unit: mm
| D | A | Ll | L2 | L3 | 8 |
| 6 | 23 | 46 | 11 | 6 | 30° |
| 6 | 20 | 50 | 13 | 5 | 45″ |
| 6 | 20 | 49 | 14 | 2 | 60° |
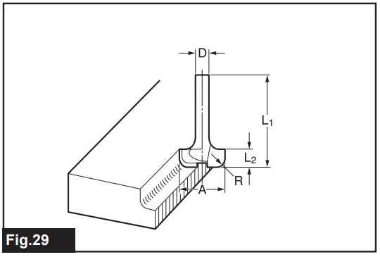
Cove beading bit
► Fig.29
Unit: mm
| D | A | Ll | L2 | R |
| 6 | 20 | 43 | 8 | 4 |
| 6 | 25 | 48 | 13 | 8 |
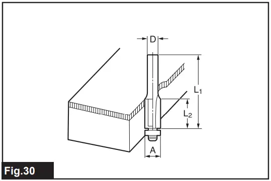
Ball-bearing flush trimming bit
► Fig.30
Unit: mm
| D | A | Ll | L2 |
| 6 | 10 | 50 | 20 |
| 1/4″ |
Ball-bearing corner rounding bit
► Fig.31
Unit: mm
| D | Al | A2 | Ll | L2 | L3 | R |
| 6 | 15 | 8 | 37 | 7 | 3.5 | 3 |
| 6 | 21 | 8 | 40 | 10 | 3.5 | 6 |
| 1/4″ | 21 | 8 | 40 | 10 | 3.5 | 6 |
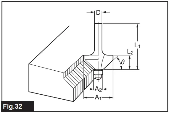
Ball-bearing chamfering bit
► Fig.32
Unit: mm
| D | Al | A2 | Ll | L2 | θ |
| 6 | 26 | 8 | 42 | 12 | 45° |
| 1/4″ | |||||
| 6 | 20 | 8 | 41 | 11 | 60° |
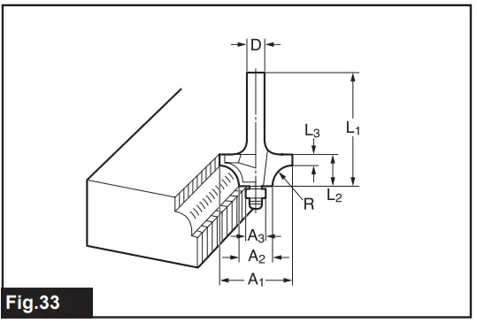
Ball-bearing beading bit
► Fig.33
Unit: mm
| D | Al | A2 | AS | Ll | L2 | L3 | R |
| 6 | 20 | 12 | 8 | 40 | 10 | 5.5 | 4 |
| 6 | 26 | 12 | 8 | 42 | 12 | 4.5 | 7 |
Ball bearing cove beading bit
► Fig.34
Unit: mm
| D | Al | A2 | AS | A4 | Ll | L2 | L3 | R |
| 6 | 20 | 18 | 12 | 8 | 40 | 10 | 5.5 | 3 |
| 6 | 26 | 22 | 12 | 8 | 42 | 12 | 5 | 5 |
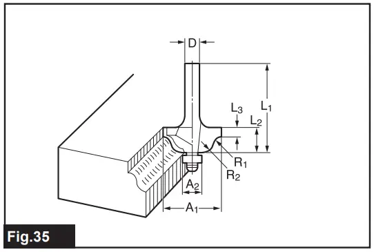
The ball-bearing roman ogee bit
► Fig.35
Unit: mm
| D | Al | A2 | Ll | L2 | L3 | RI | R2 |
| 6 | 20 | 8 | 40 | 10 | 4.5 | 2.5 | 4.5 |
| 6 | 26 | 8 | 42 | 12 | 4.5 | 3 | 6 |




















































