Marine Electrical Products
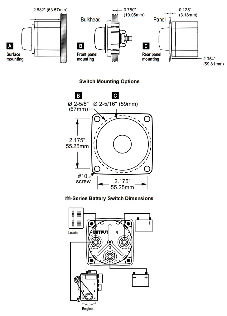
m-Series Selector Battery Switch
6007 / 6007200
Features
- Switches an isolated battery bank to all loads or combines battery banks to all loads
- Tin-plated copper studs for maximum conductivity and corrosion resistance
- Studs accept 3/8″ (M10) ring terminals
- One-piece terminal stud design never loosens over time
- Isolating cover with three snap-off side pieces protects rear contacts and allows wire access in any direction
Caution
- Disconnect positive battery terminal before installing.
- Consult marine electrical professional for proper wiring application.
Installation
- Refer to the latest edition of NFPA 302 and/or ABYC E11 Standard for installation information.
- Attach one 4/0 AWG cable per terminal to meet ratings.
- Battery cable terminals must be attached under the nut and lock the washer. Torque 120 in-lb (13.56 N·m).
Operation
- Turn all appliances off before turning the battery switch to OFF.
- Do not switch to OFF while the engine is running.

Specifications
| Cranking Rating: 30 sec. Intermittent Rating: 5 min. (UL 1107) Continuous Rating: Terminal Stud, Tin-Plated Copper Torque Cable Size to Meet Ratings* Maximum Voltage Rating Ignition Protected | 900A DC 500A DC 300A DC 3/8”-16 (M10) 120 in-lb (13.56 N·m) 4/0 AWG (120 mm²) 32 Volts DC |
Agency Specifications
- Meets all American Boat and Yacht Council (ABYC) requirements for battery switches
- UL Listed – UL 1107 for electric power switches
- Meets UL 1500 and SAE J1171 external ignition protection requirements
Guarantee
Any Blue Sea Systems product with which a customer is not satisfied may be returned for a refund or replacement at any time.
* Reducing cable sizes will reduce current ratings
Blue Sea Systems, Inc.
4600 Ryzex Way
Bellingham, WA 98226 USA
p 360.738.8230
bluesea.com



















