
UG-2021-33
EVAL-PSIR2085 user guide
Revision 1.0
Power supply board to support EiceDRIVERTM isolated gate driver EVAL-Boards
About this document
Scope and purpose
This user guide explains how to operate the power supply board EVAL-PSIR2085 together with different EiceDRIVERTM isolated gate driver evaluation boards to evaluate power switches like MOSFETs, IGBTs and CoolSiCTM MOSFETs
Intended audience
This document is intended for design engineers, owners and users of these evaluation boards.
Evaluation Board
This board is to be used during the design-in process, for evaluation and measurement of product characteristics, and proof of data sheet specifications.
Note: It is recommended to adapt the proposed circuits and layout to best fit the final customer design.
Important notice
“Evaluation Boards and Reference Boards” shall mean products embedded on a printed circuit board (PCB) for demonstration and/or evaluation purposes, which include, without limitation, demonstration, reference and evaluation boards, kits and design (collectively referred to as “Reference Board”).
Environmental conditions have been considered in the design of the Evaluation Boards and Reference Boards provided by Infineon Technologies. The design of the Evaluation Boards and Reference Boards has been tested by Infineon Technologies only as described in this document. The design is not qualified in terms of safety requirements, manufacturing and operation over the entire operating temperature range or lifetime.
The Evaluation Boards and Reference Boards provided by Infineon Technologies are subject to functional testing only under typical load conditions. Evaluation Boards and Reference Boards are not subject to the same procedures as regular products regarding returned material analysis (RMA), process change notification (PCN) and product discontinuation (PD).
Evaluation Boards and Reference Boards are not commercialized products, and are solely intended for evaluation and testing purposes. In particular, they shall not be used for reliability testing or production. The Evaluation Boards and Reference Boards may therefore not comply with CE or similar standards (including but not limited to the EMC Directive 2004/EC/108 and the EMC Act) and may not fulfill other requirements of the country in which they are operated by the customer. The customer shall ensure that all Evaluation Boards and Reference Boards will be handled in a way which is compliant with the relevant requirements and standards of the country in which they are operated.
The Evaluation Boards and Reference Boards as well as the information provided in this document are addressed only to qualified and skilled technical staff, for laboratory usage, and shall be used and managed according to the terms and conditions set forth in this document and in other related documentation supplied with the respective Evaluation Board or Reference Board.
It is the responsibility of the customer’s technical departments to evaluate the suitability of the Evaluation Boards and Reference Boards for the intended application, and to evaluate the completeness and correctness of the information provided in this document with respect to such application.
The customer is obliged to ensure that the use of the Evaluation Boards and Reference Boards does not cause any harm to persons or third-party property. The Evaluation Boards and Reference Boards and any information in this document is provided “as is” and Infineon Technologies disclaims any warranties, express or implied, including but not limited to warranties of non-infringement of third-party rights and implied warranties of fitness for any purpose, or for merchantability.
Infineon Technologies shall not be responsible for any damages resulting from the use of the Evaluation Boards and Reference Boards and/or from any information provided in this document. The customer is obliged to defend, indemnify and hold Infineon Technologies harmless from and against any claims or damages arising out of or resulting from any use thereof.
Infineon Technologies reserves the right to modify this document and/or any information provided herein at any time without further notice.
Safety precautions
Note: Please note the following warnings regarding the hazards associated with development systems.
Table 1 Safety precautions
| Warning: The DC link potential of this board is up to 1200 VDC. When measuring voltage waveforms by oscilloscope, high voltage differential probes must be used. Failure to do so may result in personal injury or death. | |
| Warning: The evaluation or reference board contains DC bus capacitors which take time to discharge after removal of the main supply. Before working on the drive system, wait five minutes for capacitors to discharge to safe voltage levels. Failure to do so may result in personal injury or death. Darkened display LEDs are not an indication that capacitors have discharged to safe voltage levels. | |
| Warning: The evaluation or reference board is connected to the grid input during testing. Hence, high voltage differential probes must be used when measuring voltage waveforms by oscilloscope. Failure to do so may result in personal injury or death. Darkened display LEDs are not an indication that capacitors have discharged to safe voltage levels. | |
| Warning: Remove or disconnect power from the drive before you disconnect or reconnect wires, or perform maintenance work. Wait five minutes after removing power to discharge the bus capacitors. Do not attempt to service the drive until the bus capacitors have discharged to zero. Failure to do so may result in personal injury or death. | |
| Caution: The heat sink and device surfaces of the evaluation or reference board may become hot during testing. Hence, necessary precautions are required while handling the board. Failure to comply may cause injury. | |
| Caution: Only personnel familiar with the drive, power electronics and associated machinery should plan, install, commission and subsequently service the system. Failure to comply may result in personal injury and/or equipment damage. | |
| Caution: The evaluation or reference board contains parts and assemblies sensitive to electrostatic discharge (ESD). Electrostatic control precautions are required when installing, testing, servicing or repairing the assembly. Component damage may result if ESD control procedures are not followed. If you are not familiar with electrostatic control procedures, refer to the applicable ESD protection handbooks and guidelines. | |
| Caution: A drive that is incorrectly applied or installed can lead to component damage or reduction in product lifetime. Wiring or application errors such as undersizing the motor, supplying an incorrect or inadequate AC supply, or excessive ambient temperatures may result in system malfunction. | |
| Caution: The evaluation or reference board is shipped with packing materials that need to be removed prior to installation. Failure to remove all packing materials that are unnecessary for system installation may result in overheating or abnormal operating conditions. |
The board at a glance
The evaluation board EVAL-PSIR2085 was developed to provide power to the EiceDRIVERTM isolated gate driver evaluation boards, such as the EVAL-1ED3122MX12H. This is a kind of default power supply board, serving various EiceDRIVERTM isolated gate driver evaluation boards. Some of the evaluation boards also contain power switches, such as MOSFETs, IGBTs and CoolSiCTM MOSFETs. The modular approach enables users to expand the platform in the future with additional gate driver evaluation boards.
Figure 1 and Figure 2 show pictures of the EVAL-PSIR2085.
Figure 1
Top view of the power supply board EVAL-PSIR2085
Figure 2
Bottom view of the power supply board EVAL-PSIR2085
For a more detailed description, please see Chapter 1.2.
Figure 3 and Figure 4 illustrate an isolated gate driver evaluation board EVAL-1ED3122MX12H that was developed for use with the power board.

Figure 3
Top view of isolated gate driver eval-board EVAL-1ED3122MX12H

Figure 4
Back view of isolated gate driver eval-board EVAL-1ED3122MX12H

Figure 5
View of complete solution (power supply board + isolated gate driver eval-board)
Available evaluation boards for usage with EVAL-PSIR2085
The power supply board EVAL-PSIR2085 is designed to be used with the following EiceDRIVERTM isolated gate driver evaluation board, and some of the future EiceDRIVERTM isolated gate driver evaluation boards.
Table 2
Existing evaluation boards for usage with power supply board
| EVAL-1ED3121MX12H | Eval-board with 1ED3121MC12H: 2300 V, 5.5 A, 5.7 kV (rms) 1-ch isolated driverwith separate output |
| EVAL-1ED3122MX12H | Eval-board with 1ED3122MC12H: 2300 V, 10 A, 5.7 kV (rms) 1-ch isolated driver with active Miller clamp |
| EVAL-1ED3124MX12H | Eval-board with 1ED3124MC12H: 2300 V, 14 A, 5.7 kV (rms) 1-ch isolated driver with separate output |
| EVAL-1ED3241MC12H | Eval-board with 1ED3241MC12H: 2300 V, 18 A, 5.7 kV (rms) 1-ch isolated driver with 2 level slew rate control |
| EVAL-1ED3251MC12H | Eval-board with 1ED3251MC12H: 2300 V, 18 A, 5.7 kV (rms) 1-ch isolated driver with 2 level slew rate control and active Miller clamp |
Delivery content
The scope of delivery includes the EVAL-PSIR2085 board packed in a plastic bag. All other related EiceDRIVERTM isolated gate driver evaluation boards can be ordered separately.
Block diagram
The block diagram of the EVAL-PSIR2085 is depicted in Figure 6.

Figure 6
Block diagram of EVAL-PSIR2085
The male connectors J1, J2, J3 and J4 (see Figure 6 or Figure 1) are used to connect the power supply board with the isolated gate driver eval-board, where the corresponding female connectors (J9, J10, J11, J12, please see Figure 4) are placed. On each board there is one connector with only two inputs (J2 and J12); all others have three. That prevents false connection of the board.
Main features
- Two galvanically isolated power supplies
- Power supply one for VCC1 (3.3 V) and GND for primary side of the gate drivers
- Power supply two with VCC2_HS, GND_HS and VEE2_HS for secondary side of high-side gate driver
- Power supply three with VCC2_LS, GND_LS and VEE2_LS for secondary side of low-side gate driver
- For 600 V / 1200 V power switches, like MOSFETs, IGBTs or SiC MOSFETs
Board parameters and technical data
The key specifications of this board are displayed in Table 3.
Table 3 Parameter
| Parameter | Symbol | Value (max) | Unit | Test condition |
| Positive power supply output side (low and high side) | VCC2 | 20 | V | 1) |
| Negative power supply output side (low and high side) | VEE2 | -10 | V | 1) |
| Positive power supply input for gate drivers | VCC1 | 3.3 | V | 2) |
| Positive power supply input side | 15V_IN | 20 | V | 2) |
| Input-to-output isolation voltage | VOFFSET | 1200 | V | |
| Maximum output current (dc) per channel | IOUT | 0.1 | A | |
| Mechanical dimensions | length | 55,80 | mm | |
| width | 45,00 | mm | ||
| height | 20,00 | mm | With connectors and transformer |
1) With respect to GND_HS or GND_LS
2)With respect to SGND
System and functional description
Use of the power supply board
For the combination of power supply board and EiceDRIVERTM isolated gate driver eval-board (see Figure 5), commissioning is very simple. Just connect +15 V and related GND to the connector +15V_IN (please see Figure 3 or Figure 5). This input is directly connected to connector J1 and the isolated gate driver eval-board is now supplied with all necessary electrical voltages.
Description of the functional blocks
For a description of the functional blocks of the power supply board EVAL-PSIR2085 please refer to Figure 5. All connections are shown only roughly; the detailed circuit is shown in Figure 8.
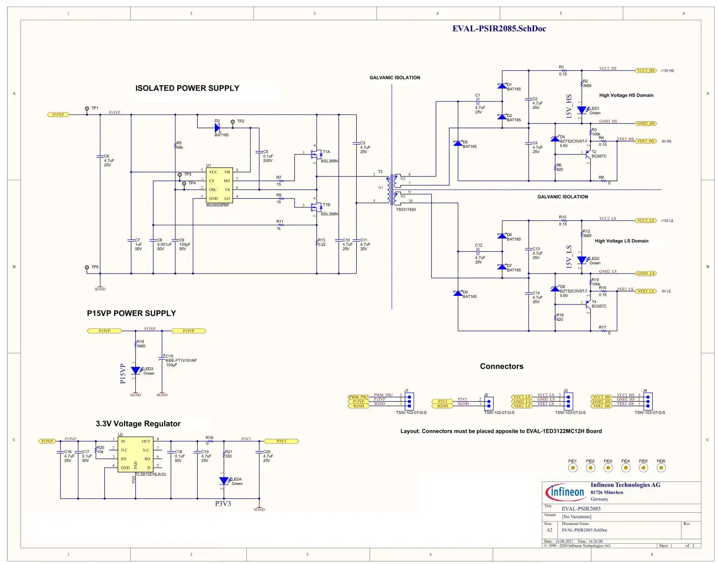
In principle, the board can be separated into two parts, the primary and the secondary side. The primary side describes the low-voltage area, the secondary side the high-voltage area, which provides the necessary electrical power for the power switches. No components or electrical traces should be placed in the isolation barrier, as otherwise the insulation between input and output (primary and secondary side) cannot be guaranteed.
The primary side is comprised of the connector J1, J2, the half-bridge gate driver IC IR2085, and a low drop-out (LDO) regulator as well. Transformer T3 links the primary- and the secondary side together and provides the galvanically isolated power supply for both power supply blocks, for high-side gate driver and for low-side gate driver. Connector J2 supplies the fixed voltage of 3.3 V (VCC1 for two gate drivers) that is provided by the LDO.
Due to the galvanic separation of the two output voltages on the secondary side, two completely separate driver circuits can be set up. The following configurations are possible: half-bridge, high-side and low-side, and two low-side or two high-side configurations.
The galvanic isolation is also valid from the primary side to the two secondary sides.
Connectors J3 and J4 on the secondary sides are used to supply two drivers with the secondary power supply, which is required for the gate voltages. Each gate driver has its own power supply. They are galvanically isolated to each other. More detailed information about the connectors J3 and J4 can be found in Chapter 3.4, Table 7 and Table 8.
Basic operation
The main function of the power supply board is based on the half-bridge gate driver IC IR2085S. It is a selfoscillating half-bridge gate driver IC with 50% duty cycle ideally suited for half-bridge DC-bus converters. This product is also suitable for push-pull converters without restriction on input voltage. Each channel frequency is equal to fOSC, which can be set by selecting RT & CT (represented by R5 and C9 in drawing in Figure 7), where fOSC = 1/(2*RT*CT), where the frequency is in Hertz (Hz), RT resistance in Ohms () and CT capacitance in Farads (F). The recommended range of timing resistors is between 10 k and 100 k and the range of time capacitances is between 47 pF and 470 pF. Timing resistors with less than 10 k should be avoided. The value of the timing capacitor determines the amount of dead time between the two output drivers: the lower the CT, the shorter the dead time and vice versa. It is not recommended to use a timing capacitor below 47 pF. For best performance keep the timing components physically as close as possible to the IR2085S. Dead-time can be controlled through the proper selection of CT, and can range from 50 ns to 200 ns. An internal soft-start increases the pulse width during power-up and maintains pulse width matching for the high and low outputs throughout the start-up cycle. The IR2085S initiates a soft start at power-up and after every overcurrent condition. Undervoltage lockout prevents operation if VCC is less than 7.5 V. Figure 7 shows a section of a circuit to explain the main functionality.

Figure 7
Section of drawing with IR2085S to explain main functionality
The components like transistor T1A, T1B, the transformer T3 and the capacitors C3 and C11 make up a socalled single-ended, push-pull converter. This converter operates the potential-isolating transformer with an alternating voltage in which both half-oscillations are used for energy transmission. The transformation ratio of the transformer from primary winding N1 to secondary winding N2 is approximately one (1:1.07) in this application. The same also applies to the winding ratio of N1 to N3, see Figure 8. Pin 2 of the primary winding N1 is directly connected to the switches. If transistor T1A switches on, the potential of 15 V can be seen. T1B has to be switched of in this case of course. In the second case T1A switches off and T1B switches on, now SGND can be seen on Pin 2. In this case the direction of the current can be changed. Pin 5 of the primary winding N1 is directly connected to the capacitive voltage divider C3 and C11. The potential has approximately half the voltage of VCC (P15VP). If now a pulse sequence is applied in which T1 and T2 open and close alternately, a square-wave signal with the potential of +0.5 * VCC and -0.5*VCC is created between Pin 2 and Pin 5 (voltage at coil N1). This signal is now transmitted to the secondary coil N2 with the slightly higher potentials, since the transformation ratio is 1:1.07.
However, since a gate voltage of at least 15 V has to be provided, the positive voltage of the signal is doubled. The following voltages can now be measured at the voltage outputs:
VCC2 ≈ VCC: Secondary positive gate voltage
GND2: Secondary ground
VEE2 ≈ -4.9 V: Due to the Z diode, without Z diode approximately -0.5 * VCC, secondary negative gate voltage
The voltage doubler was built using the components D1, D2 and C1 corresponding to Figure 7. The circuit with the Zener-diode (D4) and transistor T2 was therefore inserted in order to easily adapt the negative gate voltage to the needs of the corresponding power switches.
The complete circuit of the EVAL-PSIR2085 can be seen in Figure 8. This was developed for a half-bridge application, but, as already described in Chapter 2.2, can also be used for other configurations.
First steps for start-up
Before the entire application can be put into operation, the following commissioning steps should be done:
- Take empty power supply board out of the box
- Connect a corresponding EiceDRIVERTM isolated gate driver eval-board to the power supply board (see Figure 5)
- Connect a supply voltage of around 15 … 20 V to the input “+ 15V_IN”. Now the complete setup (EiceDRIVERTM isolated gate driver eval-board + power supply board) is ready for testing. Please follow the safety rules for operating equipment under high voltage.
System design
Schematics
Figure 8 shows the drawing of the power supply board EVAL-PSIR2085.

Figure 8
Drawing of EVAL-PSIR2085
Layout
The following figures present the different layers of the layout from the power supply board EVAL-PSIR2085, it is a 2-layer layout. The order from the top view: top layer, bottom layer

Figure 9
Top layer of EVAL-PSIR2085

Figure 10
Bottom layer of EVAL-PSIR2085
Bill of material
The complete bill of material is available on the download section of the Infineon homepage. A log-in is required to download this material.
Table 4 BOM of the evaluation board EVAL-PSIR2085
| Value | Designator | Description | Manufacturer | PartNumber |
| Green | LEDI, LED2, LEIB, LED4 | LED, Green, SMD | Lite-On | LTST-C190GKT |
| 820 | R6, R16 | RES, 82012, 1%, 0.1W, 0603 | Vishay-Dale | CRCW0603820RFKEA |
| 330 | R21 | RES, 330R, 1%, 0.1W, 0603 | Vishay-Dale | CRCW0603330RFKEA |
| 100uF | C15 | CAP, AL, 100 pF, 35V, +/- 20%, 0.26 ohm, AEC-Q200 Grade 2, SMD | Panasonic | EEE-FT1VIOIAP |
| 100pF | C9 | CAP, GERM, 100pF, 50V, +/- 5%, NPO, 0805 | MuRata | GRM2165C1H101JAOID |
| 100k | R3, R14 | RES, 100k, 1%, 0.1W, 0603 | Vishay-Dale | CRCW0603100KFKEA |
| 68k | R5 | RES, 68k, 1%, 0.1W, 0603 | Vishay-Dale | CRCW060368KOFKEA |
| 45V | T2,74 | Transistor, PNP, 45 V, 0.1k SOT-23 | ON Semiconductor | BC857C |
| 40V | Dl, D2, D3, D5, D6, D7, D9 | Diode, Schottky, 40V, 0.75 A, AEC-Q101, SOD-323 | Infineon Technologies | BAT165 |
| 30V | TI | MOSFET, 2-C1-1, N-CH, 30 V, 2.3 A, TSOP-6_DUAL | Infineon Technologies | BSL306N |
| 15 | R7, R9 | RES, 15R, 1%, 0.25W, 1206 | Vishay-Dale | CRCW120615ROFKEA |
| 10k | R20 | RES, 10k, 1%, 0.1W, 0603 | Vishay-Dale | CRCW060310KOFKEA |
| 5.6V | D4, D8 | Diode, Zener, 5.6 V, 300 mW, SOD-523 | Diodes Inc. | BZ752C5V6T-7 |
| 4.7u F | CI, C2, C3, C4, C6, CIO, C11, C12, C13, C 14, C16, 019,00 | CAP, CERM,4.7pF, 25V, +/- 10%, X7R, 0805 | MuRata | GRM21BR71E475KA73L |
| 3k65 | R2, R12, R18 | RES, 3k65, 1%, 0.1W, 0603 | Vishay-Dale | CRCW06033K65FKEA |
| luF | C7 | CAP, GERM, 1pF, 50V, +/- 10%, /aft, 1206 | MuRata | GRM31CR7IH105KA61L |
| 1k | R11 | RES, lk, 1%, 0.IW, 0603 | Vishay-Dale | CRCW06031KOOFKEA |
| 0.22 | R13 | RES, 0R22, 1%,0.5W, 1206 | Vishay-Dale | FICWE1206Ft220FICEA |
| 0.15 | RI, R4, R10, R15 | RES, 0R15, 1%, 0.2W, 0603 | Vishay-Dale | FICWE0603R150FICEA |
| 0.1uF | C5 | CAP, GERM, 0.1p F, 200V, +/- 10%, X7R, 1206 | MuRata | GRM31CR72D104KWO3L |
| 0.1uF | C17, C18 | CAP, GERM, 0.1pF, 50V, +/- 10%, X7R, 0805 | MuRata | GRM21BR71H104KAO1L |
| 0.001uF | C8 | CAP, GERM, 0.001p F, 50V, +/- 1096, X7R, 0603 | MuRata | GRM188R71H102KAOID |
| 0 | R8, R17, R19 | RES, OR, 1%, 0.1W, 0603 | Vishay-Dale | CRCW0603000Z0EA |
| J2 | Header, 103mil, 2×1, Gold, TH | Samtec | TSW-102-07-G-S | |
| 13 | Drive Transformer, SMT | Mirth Electronics | 750317493 | |
| Ul | HIGH SPEED, 100V, SELF OSCILLATING 50% DUTY CYCLE, HALF-BRIDGE DRIVER | International Rectifier | IR2085SPBF | |
| U2 | Linear Voltage Regulator 3V3 | Infineon Technologies | TLS810D1EJV33 | |
| J1, J3, J4 | Header, 100mil, 3×1, Gold, TH | Samtec | TSW-103-07-G-S | |
| FID1, FID2, FID3, FID4, FID5, FID6 | Fiducial mark. There is nothing to buy or mount. | N/A | N/A |
Connector details
The following Tables 5, 6, 7 and 8 list the respective signal assignments corresponding to the plug connections.
Table 5 Connector J1
| PIN | Label | Function |
| 1 | SGND | Input power supply primary side |
| 2 | P15VP (10…20 V) | Input power supply primary side |
| 3 | RESERVE |
Table 6 Connector J2
| PIN | Label | Function |
| 1 | SGND | Output power supply 3.3 V |
| 2 | P3V3 | Output power supply 3.3 V |
Table 7 Connector J3
| PIN | Label | Function |
| 1 | VEE2_LS | Output negative gate voltage low-side |
| 2 | GND_LS | Output ground low-side |
| 3 | VCC2_LS | Output positive gate voltage low-side |
Table Connector J4
| PIN | Label | Function |
| 1 | VEE2_HS | Output negative gate voltage high-side |
| 2 | GND_HS | Output ground high-side |
| 3 | VCC2_HS | Output positive gate voltage high-side |
System performance
In Chapter 4 some measurement results are introduced. These measurements are intended to demonstrate that the system is fully operational and that clear measurement data can be derived.
Normal operation of the power supply board
Figure 11 illustrates the main functionality of the power supply board. The measurement setup corresponds to that of the circuit in Figure 8, whereby the measurement results were only shown from the low-side output (connector J3).

Figure 11
Normal operation of the power supply board
The yellow square wave indicates the primary signal, which is generated by the two transistors T1 and T2 and the IR2085S. The input voltage for this measurement setup was approximately 17.23 V. The positive share is approximately +8.52 V, the negative approximately -8.71 V.
On the secondary side of the transformer, voltages of approximately +9.3 V and -9.44 V are measured. This corresponds to a total voltage of approximately 18.74 V.
The positive gate voltage of approximately 18.2 V and the negative gate voltage of -4.9 V can be measured at the output.
References and appendices
Abbreviations and definitions
Table 9 Abbreviations
| Abbreviation | Meaning |
| CE | Conformité Européenne |
| EMI | Electromagnetic interference |
| UL | Underwriters Laboratories |
| DUT | Device under test |
| LDO | Low Drop Out Regulator |
References
[1] Infineon Technologies AG. Datasheet of IR2085S (2011) Rev.D IR2085S – Infineon Technologies
[2] Infineon Technologies AG. Datasheet of TLS810D1EJ V33 (2016) Rev. 1.1 TLS810D – Infineon Technologies
Additional information
Revision history
| Document version | Date of release | Description of changes |
| Revision 1.0 | 29-07-21 | Initial release |
Trademarks
All referenced product or service names and trademarks are the property of their respective owners.
Edition 2021-07-29
Published by Infineon Technologies
AG 81726 Munich, Germany
© 2021 Infineon Technologies AG.
All Rights Reserved.
Do you have a question about this document?
Email: [email protected]
Document reference UG-2021-33
For further information on the product, technology, delivery terms and conditions and prices please contact your nearest Infineon Technologies office (www.infineon.com).
WARNINGS Due to technical requirements products may contain dangerous substances. For information on the types in question please contact your nearest Infineon Technologies office.
Except as otherwise explicitly approved by Infineon Technologies in a written document signed by authorized representatives of Infineon Technologies, Infineon Technologies’ products may not be used in any applications where a failure of the product or any consequences of the use thereof can reasonably be expected to result in personal injury.
References
📧[email protected];[email protected]?subject=Document%20question%20
Semiconductor & System Solutions - Infineon Technologies
Semiconductor & System Solutions - Infineon Technologies
IR2085S - Infineon Technologies
TLS810D1EJ V33 - Infineon Technologies
EVAL-1ED3121MX12H - Infineon Technologies
EVAL-1ED3122MX12H - Infineon Technologies
EVAL-1ED3124MX12H - Infineon Technologies
EVAL-1ED3241MC12H - Infineon Technologies
EVAL-1ED3251MC12H - Infineon Technologies



















