Models: 423OAM65D, 423OAM85D, 423OAM102D, 423OAM121D, 423OAM138D
USER MANUAL
423OAM65D Heated Countertop Open Air Merchandisers
Heated Countertop Open Air Merchandisers
RETAIN THIS MANUAL FOR FUTURE REFERENCE.
UNIT MUST BE KEPT CLEAR OF COMBUSTIBLES AT ALL TIMES.
Owner’s Information
Please complete this information and retain this manual for the life of the equipment. For warranty purposes, please fill out and retain this information. An example of the serial plate(s) for these units are included below
for reference.__________________________
Model No.____________________________
Serial No._____________________________
Date of Purchase:_______________________
Serial Plate Example:____________________
WARNING! Improper installation, adjustment, alteration, service or maintenance can cause property damage, injury or death. Read the installation, operating, and maintenance instructions thoroughly before installing or serving this equipment.
WARNING! Disconnect from electric supply before adjustment, alternation, service or maintenance.
WARNING! Minimum clearance from side and back of unit to combustible construction: 10″ from sides and 10″ from back. For use in noncombustible locations only. WARNING! Commercial use only, not intended for household use.
WARNING! ELECTRICAL SHOCK HAZARD, do not immerse electrical components.
ServIt heated open air merchandisers are designed to keep foods at optimum serving temperatures without affecting quality, for hours at a time. Hold anything including hot sandwiches, fresh pizza, nachos, hot dogs and more, perfect for commercial environments such as convenience stores, self-service restaurants and supermarkets.
All models include standard features such as LED lighting to effectively illuminate food product and slanted shelves that allow product to be displayed and slide down for FIFO consistency. Controls are bottom mounted for convenient access and adjustment. They are built for tough front of house use with rugged stainless-steel construction, heavyduty hardware, and tempered glass sides for excellent viewability from all angles.
These models provide ample heat through the bottom and top that allows product to maintain optimal heating while in use.
This manual provides the installation, safety, and operating instructions for Heated open-air merchandisers. ServIt recommends all installation, operating, and safety instructions appearing in this manual be read prior to installation or operation of the unit.
SAFETY WARNINGS
ServIt heated open air merchandisers are designed, built and sold for commercial use and should be operated by trained personnel only. Clearly post all CAUTIONS,
WARNINGS and OPERATING INSTRUCTIONS near each unit to ensure proper operation and to reduce the chance of personal injury and/or equipment damage.
WARNING: Do not store or use gasoline or other flammable vapors and liquids in the vicinity of this or any other appliance. Keep the area free and clear of combustible materials.
WARNING: Improper installation, adjustment, alteration, service, or maintenance can cause property damage, injury or death. Read the Installation, Operating and Maintenance Instructions thoroughly before installing or servicing this equipment.
CAUTION: These models are designed, built, and sold for commercial use only. If these models are positioned so the general public can use the equipment, make sure all cautions, warnings, and operating instructions are clearly posted near each unit so that anyone using the equipment can use it correctly and not injure themselves or the equipment.
CAUTION: Make sure food product has been heated to the proper food-safe temperature before placing in unit.
Failure to heat food product properly may result in serious health risks. This unit is for holding preheated food product only.
CAUTION: Locate unit in an area that is convenient for use. The location should be level and strong enough to support the weight of the unit and contents.
ELECTRIC SHOCK HAZARD:
- Plug unit into a properly grounded electrical receptacle of the correct voltage, size, and plug configuration. If plug and receptacle do not match, contact a qualified electrician to determine and install proper voltage and size electrical receptacle.
- Installation must conform to all local electrical codes, and where applicable must be installed by a qualified electrician. Installation by unqualified personnel will void unit warranty and may lead to electric shock or burn, as well as damage to unit and/or its surroundings.
- Turn OFF power switch, unplug power cord/turn off power at circuit breaker, and allow unit to cool before performing any cleaning, adjustments, or maintenance.
- DO NOT submerge or saturate with water. Unit is not waterproof. Do not operate if unit has been submerged or saturated with water.
- Unit is not weatherproof. Locate unit indoors where ambient air temperature is a minimum of 70°F (21°C).
- Do not clean unit when it is energized or hot.
- Do not steam clean or use excessive water on the unit.
- This unit is not “jet-proof” construction. Do not use jetclean spray to clean this unit.
- Do not pull unit by power cord.
- Discontinue use if power cord is frayed or worn.
- Do not allow liquids to spill into the unit.
- This unit must be serviced by qualified personnel only. Service by unqualified personnel may lead to electric shock or burn.
FIRE HAZARD:
- Locate unit a minimum of 12″ (25 mm) from combustible walls and materials. If safe distances are not maintained, discoloration or combustion could occur.
- Do not use harsh chemicals such as bleach (or cleaners containing bleach), oven cleaners, or flammable cleaning solutions to clean this unit.
BURN HAZARD:
- Some exterior surfaces on unit will get hot. Use caution when touching these areas.
- Use caution when opening doors. Hot air escapes when door is open.
SPECIFICATIONS
- Cordset configuration: 120V NEMA 5-15P, 3 Wire grounded cord
- If the supply cord is damaged, the manufacturer or an authorized service agent or a similarly qualified person must replace it to avoid a hazard or voiding the warranty:
| Item # | Size | # of Shelves | Voltage | Wattage | Configuration |
| 4230AM65D | 24″ | 2 | 120V | 1160W | NEMA 5-15P |
| 4230AM85D | 30″ | 2 | 120V | 1160W | NEMA 5-15P |
| 4230AM102D | 36″ | 2 | 120V | 1160W | NEMA 5-15P |
| 4230AM121D | 42″ | 2 | 120V | 1860W | NEMA 5-15P |
| 4230AM138D | 48″ | 2 | 120V | 1860W | NEMA 5-15P |
![]()
OPERATING INSTRUCTIONS
General Information:
- Always clean equipment thoroughly before first use. (See general cleaning instructions).
- Check rating label for your model designation and electrical rating.
- For best results, use stainless steel countertops.
WARNING: ELECTRICAL SHOCK HAZARD.
FAILURE TO FOLLOW THE INSTRUCTIONS IN THIS MANUAL COULD RESULT IN SERIOUS INJURY OR DEATH.
Electrical Ground is required on this appliance. Do not modify the power supply cord plug. If it does not fit into the outlet, have the proper outlet installed by a qualified electrician Do not use an extension cord with this appliance.
Check with a qualified electrician if you are unsure as to whether the appliance is properly grounded.
General Operating Instructions:
- All foodservice equipment should be operated by trained personnel.
- Do not allow your customers to come in contact with any surface labeled CAUTION HOT.
- Never hold perishable food below 150°F (66°C).
Unboxing Instructions:
CAUTION: Heated display merchandisers are heavy and require two people to install.
- Remove unit from carton and all packaging materials from the unit.
- Remove the manual/information packet from the unit.
- Place the unit in desired location.
- NOTE: Place where the ambient air temperature is constant and a minimum of 70°F, and maximum 85°F. Avoid areas that are subject to active air movements or currents. Make sure the unit is located on a solid, level area and at a proper height for convenient use and also following health standards.
- Locate an outlet of the correct plug and voltage type for the unit and plug in to.
Set-Up & Operating Instructions:
- Ensure unit is properly plugged into adequate, grounded power outlet.
- Turn the power switch and light switch to the “I” (on) positions.
- Set the thermostat knob to the desired position, the range is 86-194°F
Allow the unit 30 minutes to preheat to the desired temperature and humidity levels
GENERAL CLEANING
NOTES:
- Never clean any electrical unit by immersing it in water. Turn off unit and unplug before surface cleaning.
- Always clean equipment thoroughly before first use. Clean unit daily. Except where noted on charts: Use warm, soapy water. Mild cleansers and PLASTIC scouring pads may be used to remove baked-on food and water scale.
- Turn off electrical units before cleaning or servicing.
Instructions:
- Follow general cleaning instructions (above).
- Remove all food.
- Wipe all surfaces clean as instructed (above).
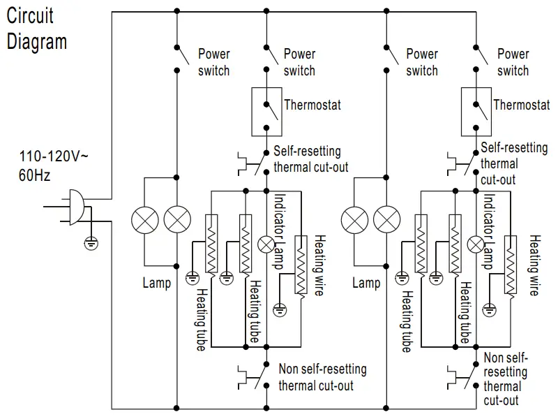
WIRING DIAGRAMS
| Heated display case | |
| Yodel: RTR-65D | Rated Frequency(Hz): 60 |
| Temperature range(‘C): 30-85(86-185°F) | Display Area(m3 :0.65 |
| General Rated Input Power(W): 1800 | Net Weight(kg):33 |
| Rated Current (A):15.6 | Overall Dimension(mm):600x707x691 |
| Lamp power(W):60 | |
| Rated Voltage(V-):110-120 | |
| IPX4 | |
| Produce Date &Code: | |

| Heated display case | |
| Model: RTR-85D | Rated Frequency(Hz): 60 |
| Temperature range(‘C): 30-85(86-185°F) | Display Area(m3 :0.85 |
| General Rated Input Power(W): 1160 | Net Weight(kg):41 |
| Rated Current (A):10 | Overall Dimension(mm):800x707x691 |
| Lamp power(W):60 | |
| Rated Voltage(V-):110-120 | |
| IPX4 | |
| Produce Date &Code: | |

| Heated display case | |
| Model: RTR-102D | Rated Frequency(Hz): 60 |
| Temperature range(‘C): 30-85(86-185°F) | Display Area(m3 :1.02 |
| General Rated Input Power(W): 1160 | Net Weight(kg):49 |
| Rated Current (A):10 | Overall Dimension(mm):953x707x691 |
| Lamp power(W):60 | |
| Rated Voltage(V-):110-120 | |
| IPX4 | |
| Produce Date &Code: | |

| Heated display case | |
| Model: RTR-121D | Rated Frequency(Hz): 60 |
| Temperature range(t): 30-85(86-185°F) | Display Area(m3 :1.21 |
| General Rated Input Power(W): 1860 | Net Weight(kg):55 |
| Rated Current (A):16 | Overall Dimension(mm):1106x707x691 |
| Lamp power(W):60 | |
| Rated Voltage(V-):110-120 | |
| IPX4 | |
| Produce Date &Code: | |

| Heated display case | |
| Model: RTR-138D | Rated Frequency(Hz): 60 |
| Temperature range(C): 30-85(86-185°F) | Display Area(m3 :1.38 |
| General Rated Input Power(W): 1860 | Net Weight(kg):65 |
| Rated Current (A):16 | Overall Dimension(mm):1259x707x691 |
| Lamp power(W):60 | |
| Rated Voltage(V-):110-120 | |
| IPX4 | |
| Produce Date &Code: | |

TROUBLESHOOTING
| Issue | Reason | Solution |
| No lighting in the interior of the cabinet | Unit is not plugged in | Inspect power source, ensure power cord is undamaged |
| LED light failure | Replace LED lights | |
| Unit is not hot enough | Thermostat off | Dial in temperature |
| Defective Thermostat or Heating Element | Contact place of purchase or authorized service agent | |
| Unit has not had enough time to preheat | Allow unit 30 minutes to reach operating temperature | |
| Temperature is set too low | Change the temperature to a higher setting | |
| Door(s) are not closed completely | Make sure door(s) are completely closed | |
| Unit is too hot | Temperature is set too high | Change the temperature to a lower setting |
| Unit is connected to incorrect power supply | Contact authorized service agent | |
| Defective Thermostat or Heating Element | Contact place of purchase or authorized service agent | |
| Product is too dry | Door(s) are open | Make sure door(s) are completely closed |
| Water pan is empty | Fill water pan up | |
| Unit is not working at all | Unit is not plugged in | Plug unit into proper power supply |
| Unit is not turned on | Turn unit on using on/off switch | |
| Circuit breaker tripped | Reset circuit breaker | |
| Controls are defective | Contact place of purchase or authorized service agent | |
| Defective thermostat or heating element | Contact place of purchase or authorized C service agent |
ITEM #: 4230AM65D MANUFACTURER MODEL
DESCRIPTION: FULL SERVICE HEATED OPEN AIR MERCHANDISER 24″, STAINLESS
• 2 SHELF • IPX RATING: IPX4 • LAMP POWER: 60W VOLTAGE: 120V • WATTAGE: 1160W
• 86-185°F AMPERAGE: 5A • FREQUENCY: 60Hz • SERIAL #: ![]()


















