PuriSystems HEPA Pro UVIG Air Scrubber with 3-stage Filtration system

WARNING: Please note that the PureAiro HEPA Pro UVIG should only be used with parts approved by Purisystems.The use of unauthorized parts or alterations to the machine could void your warranty. Contact an approved distributor for further assistance.
SAFETY NOTES
To Avoid the Risk of Fire or Electric Shock
- The unit must be electrically grounded.
- Do not stack/place heavy objects on the machine and power cord.
- Please check the power cord for damage (wear, cuts, etc.) before use.
- Please check if the filter is damaged before use.
- Do not touch the product with wet hands.
- Before plugging the power cord into the power outlet, turn off the power switch on the unit.
- When water enters the machine, pull out the power plug and completely dry the machine before use
- Unplug the power plug during thunder or thunderstorms.
- Do not place this product in a humid place. Otherwise, there may be dangers such as electric leakage or electric shock.
- Do not install it in a place where flammable gas is generated.
- Please clear any obstructions on the air inlet and outlet before use.
- When cleaning the surface of the unit, unplug the power cord and wipe it with a soft cloth to avoid scratching the unit. Do not use wet cloth, wax, or thinner.
- Do not put your hands or foreign objects into the air inlet or outlet. Otherwise, product failure or physical injury may occur.
- Do not put your hand or foreign object into the air inlet or outlet to avoid physical injury and product damage.
- When repairing with PuriSystems HEPA Pro UVIG, be sure to lock the casters to avoid collision accidents.
- When using PuriSystems HEPA Pro UVIG indoors, please turn off combustion equipment such as fireplaces, furnaces, water heaters, and HVAC systems to avoid the risk of reverse emissions of carbon monoxide gas.
- Disconnect the power supply before maintenance.
- Keep this manual in a visible place near the machine for easy access.
INTRODUCTION
The PuriSystems HEPA Pro UVIG is a convenient filtration system that cleans the air. The PuriSystems HEPA Pro UVIG uses an effective blend of air flow and advanced filtration to expel airborne particles, like mold spores, dust, pollen, and pet dander. The PuriSystems HEPA Pro UVIG is ideal for for restoration jobs, including water, sewage, and fire.
APPLICATION
Odor Control
When used with the optional activated carbon filter (P/N:), PuriSystems HEPA Pro UVIG is also excellent in odor control. Simply put the carbon filter in the pre-filter tank and it will capture a variety of odor-causing gas molecules, such as volatile organic compounds (VOC’s), smoke, soot, and paint odors.
Other Use
- The cleaner is also useful in many other applications, including mold repair, fire damage, dust control, and sewage repair.
IDENTIFICATION
Congratulations on purchasing a PureAiro HEPAPro 970 air scrubber. In order to take advantage of the warranty plan, be sure to note the serial number and date of purchase.
- Serial Number: …………………………………………….
- Date of Purchase: …………………………………………….
HOW IT WORKS
When set to maximum airflow, the scrubber draws air throuand a HEPA/Activated Carbon Filter.
- Pre-Filter
- The first phase of filtration, the pre-filter, captures initial dust and allergen particles.
- HEPA/Activated Carbon Filter
- The second phase of filtration, the HEPA/Activated Carbon Filter, catches smaller particles, down to 0.3 microns. This filtration Contributes to the control and prevention of the growth of bacteria, germs, and mold. In addition, it also Captures 99.99% of dust and allergens.
- UV-C Light
- UV-C light technology works with filters to enhance the elimination of airborne germs. TitaniumDioxide is activated by the UV-C light to decompose the remaining odor molecules caused by smoking, cooking, and pets.
KEY FEATURES

INSTRUCTIONS
THE CONTROL PANEL

Power Indicator
- When the switch is turned ON, the indicator light will turn on. When the switch is turned OFF, the indicator will turn off.
Circuit Breaker Switch
The Circuit Breaker Switch is designed to prevent more than 12 amperes of current from passing through the circuit. If this happens, the switch will cut off power to the machine.
Pressure Gauge
- The differential pressure is usually at 150Pa, which increases over time. When it reaches 500Pa, replace the filter in time.
Gear Switch
- Rotate the knob clockwise to adjust the gears. The initial position is off. Gears 1, 2 and 3 correspond to low, medium, and high speeds respectively.
UV-C Light Switch
- To turn ON/OFF the UV Light.
Pressure Sensing Port
- Used for differential pressure gauge to detect the pressure value. Pay attention to check whether the port is blocked before use.
FILTER
Filter grade and size chart
PRE-FILTER PANEL

- Size: 27.0 X 25.9 X 0.79(inch)
- An Aluminum frame is put around the outer edge. It can collect dust of 10~20μm up to 90% in accordance with the standard of weight method.
HEPA FILTER

- Size: 24.0 X 24.0 X 11.5(inch)
- It an collect dust of 0.3μm up to 99.97% in accordance with the standard of weight method.

- Size: 24.0 X 24.0 X 11.5(inch)
- Activated carbon filter has efficient adsorption performance and can be used for air purification. The activated carbon filter material contains 100% surface adsorption capacity to remove volatile organic compounds (such as formaldehyde, toluene, hydrogen sulfide, chlorobenzene) and pollutants in the air.

- Size: 24.0 X 24.0 X 11.5(inch)
- The H14 Filter has an effective rate of 0.1 micron and 0.3 microns that reaches 99.998%, which makes this the most effective filter for pollutants such as smoke, dust, and bacteria.
Note: The activated carbon filter and H14 filter are sold separately.
Filter replacement time
- When the pressure gauge reaches 500pa.
- When the filter is damaged due to long-time use.
- When the filter blockage causes the suction capacity to decrease.
Parts replacement
- Change the filter
- First, turn off the unit and then unplug the plug. Pull up the Pre-filter, twist the internal fixed knob and remove the fixed rod. Take out the HEPA filter and replace it with a new HEPA filter. Install the fixed rod after the replacement and tighten the knob. Insert a new Pre- filter and the replacement is complete.
- Change the UV-C Light
- First, turn off the unit and unplug the plug. Pull up the Pre-filter, twist the internal fixed knob and remove the fixed rod. Take out the HEPA filter, pull out the UV lamp to the left to separate it from the lamp holder, and remove UV-C light. Replace it with a new UV-C light and put in the HEPA filter. Install the fixed rod and tighten the knob. Insert a new Pre-filter and replacement is complete.
WARNING
- Do not operate without a HEPA filter! Failing to use a HEPA filter or using an unauthorized power cord may cause damage to the electrical system or mechanical parts.
- When replacing the filter, please always wear approved protective equipment
- If the value of the differential pressure meter is at 500pa, the high-efficiency filter must be replaced.
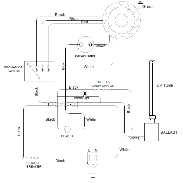
Wiring Diagram

Specification
| Category | PuriSystems HEPA Pro UVIG |
| Power(V) | 115Vac 60Hz |
| Power(W) | High:0.85 kw Low:0.75 kw |
| Airflow | High:2000CFM Low:800CFM |
| Size | 34.8 x 27.2 x 26 inch |
| Weight | 127.8 lbs |
WARRANTY
All warranty benefits apply to the original owner only. Warranty cannot be transferred or assigned.
1 YEAR (FROM DATE OF PURCHASE): Purisystems warrants the unit’s parts will operate free of defects in material or workmanship. This includes factory laborers. At its discretion, Purisystems will replace defective parts, including factory labor. This does not include transportation costs.
Customer Responsibilities: In order to take advantage of the warranty service, the customer must do the following:
- The customer must provide normal care and maintenance (including, but not limited to cleaning filters)
- Removal and re-installation of the unit is the sole responsibility of owner.
- If the customer cannot return unit to certified repair center, all costs associated with shipment are borne by the customer. In addition, all ancillary charges related to freight shipments, including but not limited to palletizing, wrapping, labeling, and pickup are associated with the customer.
- If shipped, the customer is responsible for all risk of loss or damage.
Purisystems Warranty Steps
- Once the goods are received, the customers must log in www.purisystems.com to fill out the warranty registration form and submit to the Purisystems company. We will receive your purchasing and installation information and save it. If no warranty registration is sent to us the warranty period will begin the day the shipment left the warehouse. Please be sure to record the serial # and date of installation. You will need this information to receive the RA number.
- If warranty service is necessary, customers must contact Purisystems Tech Support by email at [email protected] or by a local technical service phone to receive a Return Authorization. Once an RA has been issued, customers should bring the unit to a certified repair center. Purisystems will arrange the shipping to bring the unit back to the Purisystems warehouse (at the expense of the customers) if customers are not available.
- After the unit has been received by Purisystems (whether at a repair center or the warehouse), Purisystems will have an initial inspection. If it is determined to be an invalid warranty claim (see exclusions below), customers have to pay for all associated repair costs and shipping costs for units repair.
- Customers can pick up the unit after repair at their own expense for shipping. Units will be rigorouslly tested before it is sent back to the customer.
- If the unit can no longer be fixed and it is within the warranty period where it is determined to be a valid warranty claim, we will ship a new unit to the customer within the same year warranty period from the date of replacement.
- After parts are repaired or replaced by Purisystems, the original warranty period continues to apply until it meets its deadline. No extensions to the original warranty period.
Limited Warranty Exclusions
This limited warranty covers manufacturing defects in materials or workmanship encountered in normal household, commercial or noncommercial use of this product shall not cover the following:
- Damage occurs in uses for which this product was not intended for.
- Damage caused by unauthorized modification or alteration of the product.
- Cosmetic damage including scratches, dents, chips, and other damage to the product’s finishes.
- Damage caused by abuse, misuse, pest infestation, accident, fire, floods, or other acts of nature.
- Damage caused by incorrect electrical line current, voltage, fluctuations, and surges.
- Damage caused by failure to perform proper maintenance of the product.
The use of this product in a SPA or a room with an OUTDOOR POOL invalidates or voids the limited warranty.

















