ALORAIR HEPA PRO 770 3 Stage Filtration Industrial Air Scrubber

WARNING!
Please note that the PureAiro HEPA Pro 770/870/970 should only be used with parts approved by Alor Air. The use of unauthorized parts or alterations to the machine could void your warranty. Contact an approved distributor for further assistance.
To Avoid the Risk of Fire or Electric Shock
- Unit must be electrically grounded.
- Insert 3-prong plug directly into outlet with Ground Fault Circuit Interrupting device.
- Do not use an adapter with this unit.
- Do not use the unit in standing water.
- If electrical parts get wet, they must be dried prior to use.
INTRODUCTION
The PureAiro HEPA Pro 770 /870/970 is a convenient filtration system that cleans the air. The PureAiro HEPA Pro 770/870/970 uses an effective blend of air flow and advanced filtration to expel airborne particles like mold spores, dust, pollen, and pet dander. The PureAiro HEPA Pro 770 /870/970 is ideal for for rest oration jobs, including water, sewage, and fire.
IDENTIFICATION
Congratulations on purchasing a PureAiro HEPA Pro 770 /870/970 air scrubber. In order to take advantage of the warranty plan, be sure to note the serial number and date of purchase.
Serial Number: _______
Date of Purchase: _______
HOW IT WORKS
When set to maximum airflow, the scrubber draws air through two types of filters- a pre-filter and a HEPA/Activated Carbon Filter.
- Pre-Filter
The first phase of filtration, the prefilter, Captures initial dust and allergen particles. - HEPA/Activated Carbon Filter
The second phase of filtration, the HEPA/Activated Carbon Filter, catches smaller particles, down to 0.3 microns. Contributes to the control and prevention of the growth of bacteria, germs, and mold. Captures 99.99% of dust and allergens. - UV-C Light (Note: It is not available for FilteairHEPAPro/770)
UV-C light technology works with filters to enhance the elimination of airborne germs Titanium Dioxide is activated by the UV-C light to decompose remaining odor molecules caused by smoking, cooking, and pets.
SPECIAL FEATURES
- Daisy-Chain Capability (Note: It is not available for 220/240)
Using the auxiliary outlet on the control panel, you can link up to 3 units together. You can also daisy-chain the machines when they are stacked vertically (limit of 2 units). - Multi-Positional
The PureAiro HEPA Pro 970/870/970 can be operated in the vertical position, when stacked vertically (up to 2 units). When storing, the machines can be stacked horizontally to save space. - Easy Filter Access
The PureAiro HEPA Pro 770/870/970 is equipped with a removable panel for easy filter access. It also comes with a removable plastic cap, useful in remediation jobs. You can create a negative pressure machine by drawing air out of the room (use a manometer to monitor air pressure).
- Install the machine in the affected area.
- Remove the plastic cap.
KEY FEATURES


INSTRUCTIONS
SETUP
- Place the PureAiro HEPA Pro 770/870/970 so that it is in the upright , vertical position.
- Plug the machine into a standard 115 volt outlet. Note: Each unit needs 3 amps to operate.
- The PureAiro HEPA Pro 770 /870/970 can be operated in the vertical or horizontal position, depending on the exact situation. At this point, adjust the machine to the optimal position.
THE CONTROL PANEL
Variable Speed Control
The Variable Speed Control is used to adjust the power of the machine. Turn the knob in a clockwise direction, to increase the speed from maximum to minimum .The minimum speed setting is located immediately under the OFF button.
Auxiliary Outlet (Note: It is not available for 220/240)
If more air filtration is necessary for a space, you can “daisy chain” or link up to 3
PureAiro HEPAPro 970 /870/970 ‘s to the same outlet. There is a maximum amperage of 12 when units are turned off, a maxi um of 9 amps when the units are turned on. Other equipment can be plugged into the same outlet as the PureAiro HEPA Pro 770/870/970 as long as it doesn’t go above max amperage.
Circuit Breaker Switch
The Circuit Breaker Switch protects the unit if there are more than 12 amps of electricity passing the circuit. If this occurs, the switch will cut off the power to the unit.
Timer
Used to time the running time of the device. Start timing when the device is running, and pause timing when the device is stopped.

CHANGING THE FILTERS
- Loosen the 4 locks that hold the filter board in place.
- Slide out the filter panel board.
- Remove the used filters and replace with new filters.
WARNING
- Always wear approved protective gear when changing the filters.
- Filters should be changed after each remediation job.
- If the indicator light is on, always change the HEPA/Activated Carbon Filter.
APPLICATIONS
Water Damage
In this application, the PureAiro HEPA Pro 770/870/970 should be placed in the center of the affected area. The air scrubber will draw in the air, filter it, then blow out the newly cleaned air. To begin the process. simply turn on the scrubber and it will start cleaning the air. Keep in mind that if you are working in a large area or one divided by walls, you may need several air scrubbers to effectively clean the air.
Odor Control
The PureAiro HEPA Pro 770/870/970 ,when used HEPA/Activated Carbon Filter, is excellent at odor control.as well. Simply place the carbon filter in the pre-filter slot and it will capture a wide variety of odor-causing gas molecules, such as volatile organic compounds (VOC’s), smoke, soot, and paint fumes.
Other Uses
The PureAiro HEPA Pro 770/870/970 is also useful in many other applications including mold remediation fire damage, dust control, and sewage remediation.
WARNING!
Breathing Hazard
When using the PureAiro HEPA Pro 770/870/970 in a containment area, always turn off power to open combustion appliances, such as fireplaces, furnaces, water heaters, and HVAC systems, to avoid the risk of backdating carbon monoxide fumes.
If the Filter Change Light illuminates during the remediation process, immediately change the HEPA/Activated Carbon Filter.
Tipping Hazard
- Use caution when stacking units.
- Do not stack more than 2 units on top of each other.
- Falling equipment could cause bodily harm.
SAFETY NOTES
- Always unplug the unit prior to performing any maintenance.
- Check the power cord for damage (fraying, cuts, etc.) before use.
- Verify that the GFCI outlet is working by powering on the machine and pressing the red GFCI test button. If the outlet is working, the “reset” button will pop up. To operate, press the reset button again.
- To avoid electric shock, never use a water hose or pressure washer to clean the electrical components.
- Check the pre-filter prior to operating the machine to ensure it is not clogged. lf there is any sign of air flow restriction change the filter.
- Make sure the unit is dry prior to installing clean filters.
- When using the PureAiro HEPA Pro 770/870/970 for remediation purposes, replace both filters at the same time and always clean machine in between jobs. This will help prevent cross contamination.
LIMITED WARRANTY
This limited warranty starts from the date of purchase. Alorair Solutions Inc. warrants to the original purchaser that this ALORAIR product is free from manufacturing defects in material or workmanship for the limited warranty period of
- Six (6) Month parts and labor. This includes the shipments charges for replacement parts or units.
- One (1) year parts and labor. The shipment fee to send the unit back to the manufacturer is not covered. Ten (10) years. Polyethylene body ONLY.
- This limited warranty is valid only on products purchased from the manufacturer or ALORAIR authorized dealer and operated, installed, and maintained according to the instructions included in this user guide or furnished with the product. Alorair Solutions Inc will not provide in-home service during or after the warranty period. You may be responsible for the shipping charge to bring the product to the manufacturer for service. To receive warranty service, the purchaser must contact ALORAIR at 888-990-7469 or [email protected]. Proof of purchase or order number is required to receive warranty service. During the applicable warranty period, a product will be repaired or replaced at the sole option of ALORAIR.
IMPORTANT NOTICE: Keep the item’s packaging in case warranty service is required.
Limited Warranty Exclusions
This limited warranty covers manufacturing defects in materials or workmanship encountered in a normal household, commercial or noncommercial use of this product and shall not cover the following
- Damage occurs in uses for which this product was not intended for.
- Damage caused by unauthorized modification or alteration of the product.
- Cosmetic damage including scratches, dents, chips, and other damage to the product’s finishes.
- Damage caused by abuse, misuse, pest infestation, accident, fire, floods, or other acts of nature.
- Damage caused by incorrect electrical line current, voltage, fluctuations, and surges.
- Damage caused by failure to perform proper maintenance of the product.
- Damaged caused by not using the required filters for operation. (Pre-filter, HEPA& Activated Carbon Filter)
- Damaged caused by using in a high humidity environment (75% or higher).
- Damaged caused by using next to combustible materials/equipment that may or may not produce carbon monoxide.
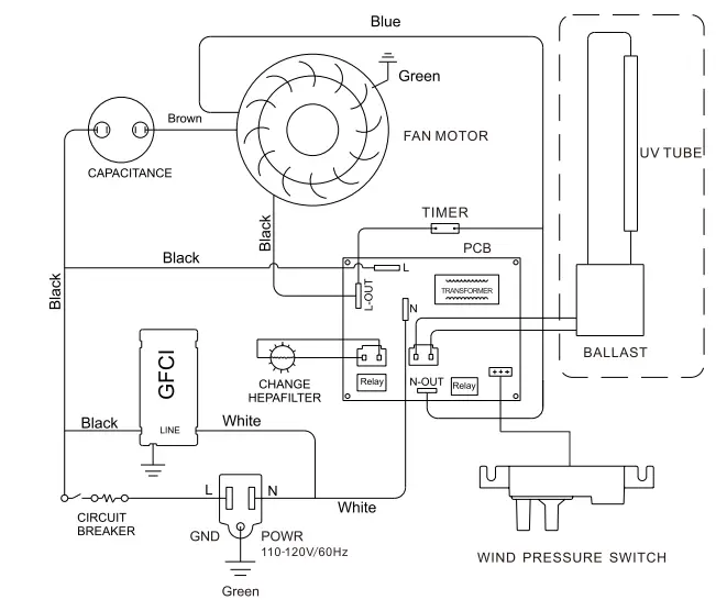
Wiring Diagram

AlorAir Solutions INC.
Add: 14 752 Yorba Ct Chino CA 91710 US
Tel: 888-990-7 469
E-mail: [email protected]
















