HEPA 600 UVIG Air Scrubber with 5-stage
User Manual
WARNING!
PLEASE READ THE SAFETY INSTRUCTIONS CAREFULLY BEFORE USE
- Inspect the item upon arrival. If you find any damages, contact our customer support.
- A damaged power cord can be dangerous. There is a serious risk of damage and personal injury if used.
- Do not use or install any parts to HEPA 600 UVIG that is not approved by PuriSystems.
- Unauthorized alterations will invalidate the product warranty.
- Do not plug the power cable into an unconnected ground socket. There is a risk of personal injury.
- Do not use the machine in a room or environment with explosive gases to avoid the risk of explosion.
- This machine is 110-120V rated. Plugging into an outlet with a different voltage rating may cause equipment or property damage and serious personal injury.
- Do not use the unit on standing water. If the electrical parts are damp/moist, let them dry before use.
Product introduction
HEPA 600 UVIG is an air filtration system that uses high-graded filters, to expel particles from the air such as mold spores, dust pollen, pet dandruff, etc. HEPA 600 UVIG is also suitable for flood damage, and fire repair, and it may also serve as woodcutting protection.
IDENTIFICATION
Congratulations on purchasing a HEPA 600 UVIG air scrubber. In order to take advantage of the warranty plan, be sure to note the serial number and date of purchase.
Serial Number: —————
Date of Purchase: ———–
HOW DOES IT WORK?
- When the HEPA 600 UVIG is turned on, it will draw air from its location and pass it through a series of filters. These filters are, Pre-filter, HEPA, and Activated carbon filter.
- The first stage filter (Pre-filter) captures large particles.
The second stage filter (HEPA Filter) captures particles that are as small as 0.3 microns. They can be smoke, dust, bacteria, pollen, and more. The third and last stage filter is the Activated carbon filter. It absorbs dozens of harmful substances such as formaldehyde, benzene series, ammonia, radon, TVOC, etc.
SPECIAL FEATURES
- Daisy-Chain Capability. Up to 3 units.
- Stackable up to 2 units.
Instruction setting
- Place the unit in a vertical position.
- Plug the unit into a 115v outlet. Each machine draws 3 amperes.
- The fan speed can be adjusted using the speed fan knob control.
Control panel
Variable speed
Speed fan knob control —To turn “on”, turn the knob clockwise until a “click” is heard. To reduce fan speed, continue rotating the knob clockwise, and to increase the speed, rotate the knob counterclockwise.
Daisy Chaining — up to 3 HEPA 600 UVIG can be plugged into the machine’s GFCI outlet (Maximum Ampere allowed is 12). Circuit breaker switch protection —When the maximum ampere allowed is exceeded, the circuit breaker switch protector will activate to turn off the unit.
Replacing the filter
It is recommended to replace the pre-filter after every remediation job. If the ‘Change filter’ light is on, replace the HEPA Filter.
Warning: Harmful dust may spread during the process of replacing the filters. Propper PPE is required. Gloves, eye protection, and mask.
Replace the filter
It is recommended that the pre-filter be replaced after each repair job. If the filter screen replacement indicator is on, replace the HEPA compound filter.
Risk warning: harmful dust can spread when prefilters and composite filters are replaced. Therefore, users should wear protective glasses, gloves, and breathing masks that meet the FFP2 protection level.
Filter replacement method:
- Loosen the 4 screws that secure the filter plate and remove the filter cover.
- Slide out of the old filter.
- Remove the used filter and replace it with the new filter.
- Reinstall the filter cover.
![]() | ![]() |
![]() | ![]() |
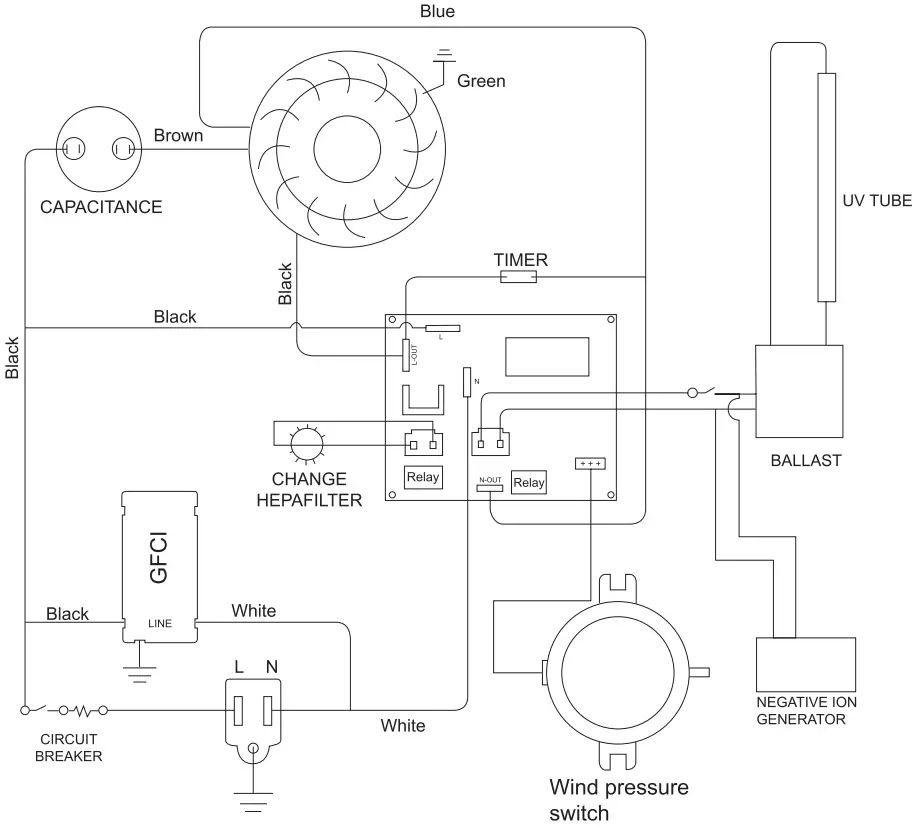
Circuit wiring diagram

APPLICABLE SCENARIO
Water damage restoration
Multiple units may be required to run at once during this application.
Odor Control
The HEPA 600 UVIG has been proven to be effective at filtering VOCs, smoke, soot, paint smoke, and any other gases that may be causing a bad odor.
Other uses
HEPA 600 UVIG may also be used in many other applications such as mold repair, fire damage restoration, and dust removal.
WARNING!
Respiratory hazard
Avoid the use of the unit near any equipment that may produce Carbon monoxide. Do not use the unit when the ‘Filter Change’ light is on.
Dumping danger
Stacking guidelines Proper alignment of the units is required when stacking. Do not stack more than two units.
CAUTION
Do not pierce the filters. Filters are not washable/cleanable. All filters must be replaced when necessary.
SERVICE WARNING
When carrying out maintenance work, please remove the plug from the wall socket.
PERSONAL INJURY RISK WARNING
When the primary filter screen and HEPA compound filter are replaced, the dust harmful to health will be diffused. Therefore, users should wear protective glasses, gloves, and breathing masks that meet the FFP2 protection level.
Don’t pierce the filter. The puncture filter has the risk of dust diffusion. In a humid environment, the service life of the HEPA composite filter will be reduced, and if it comes into contact with water, it may be completely destroyed.
The Primary filter and HEPA compound filters cannot be cleaned and must be replaced when dust accumulates. (when the filter prompt light is on, the HEPA composite filter needs to be replaced, and the timely replacement of the primary filter can improve the service life of the HEPA composite filter.)
Troubleshooting
| Problem | Possible Reason | Solution |
| Fan won’t start Short Cycling | The device is not powered on Defective power cord Defective switch The damaged main control board | Use a different GFCI outlet Check if the switch is on Replace the main control board Replace the fuse |
| Poor air suction The unit blows dust | The filter is too dirty | Replace the filter |
| Abnormal noise | Internal deformation possibly caused by the transportation | Contact customer support for possible fan replacement |
| Unit dust blowing | The filter is defective or loose. | Adjust filter status or replace the filter. |
| Abnormal noise | Internal deformation caused by transportation | Seek after-sales solutions from suppliers |
Limited Warranty
This limited warranty starts from the date of purchase. Purisystems warrants to the original purchaser that this Purisystems product is free from manufacturing defects in material or workmanship for the limited warranty period of:
1 YEAR (FROM DATE OF PURCHASE): Purisystems warrants the unit’s parts will operate free of defects in material or workmanship. This includes factory laborers. At its discretion, Purisystems will replace defective parts, including factory labor. This does not include transportation costs.
This limited warranty is valid only on products purchased from the manufacturer or Purisystems authorized dealer and operated, installed, and maintained according to the instructions included in this user guide or furnished with the product. Purisystems will not provide in-home service during or after the warranty period. You may be responsible for the shipping charge to bring the product to the manufacturer for service.
To receive warranty service, the purchaser must contact Purisystems via email at [email protected]. Proof of purchase or order number is required to receive warranty service. During the applicable warranty period, a product will be repaired or replaced at the sole option of Purisystems.
Limited Warranty Exclusions
This limited warranty covers manufacturing defects in materials or workmanship encountered in a normal household, commercial or noncommercial use of this product and shall not cover the following:
- Damage occurs in uses for which this product was not intended.
- Damage caused by unauthorized modification or alteration of the product.
- Cosmetic damage includes scratches, dents, chips, and other damage to the product’s finishes.
- Damage caused by abuse, misuse, pest infestation, accident, fire, floods, or other acts of nature.
- Damage caused by incorrect electrical line current, voltage, fluctuations, and surges.
- Damage caused by failure to perform proper maintenance of the product.
- Damaged caused by not using the required filters for operation. (Pre-filter, NEPA & Activated Carbon Filter)
- Damage caused by using in a high humidity environment (75% or higher).
- Damaged caused by using next to combustible materials/equipment that may or may not produce carbon monoxide.
The use of this product in SPA or at an outdoor pool.
HEPA 600 UVIG
Purisystems Solutions INC
E-mail: [email protected]
Add: 8605 SANTA MONICA BLVD
#79525 WEST HOLLYWOOD,
California,90069 USA






















