Micro-Air ASY-359-X01 EasyTouch RV 359 Touchscreen Thermostat With Bluetooth

The EasyTouch 359 model 12-volt thermostats were designed to directly replace Dometic™ model 3106995 single zone DC 7.5-volt thermostats. The thermostats can be used in other applications with certain electrical limitations as explained later in this document.
Safety First
Turn off power to the air conditioner breaker and to the 12-volt circuit powering the thermostat. There is always a risk of shock in any system that is connected to high voltage utility power so removing power greatly reduces that risk. There is a risk of creating a short circuit with some of the thermostat wires during installation that can cause a failure or undesired operation. Removing power reduces the risk you will damage something or open a hard-to-find fuse during installation.
Installing the thermostat
There are four steps to installing the thermostat. Removing the thermostat, wiring the new thermostat, installing the new thermostat, and finally, updating the control box wiring. Please read each section entirely before proceeding with that section. Please perform these steps in order otherwise you may damage your original thermostat.
Removing the old thermostat
IMPORTANT: Take a picture of the wires and labeling so if there are any questions about the original configuration later, you can see how it was connected.
Remove the front cover by carefully popping it off. Complete Table 1 using your wire colors. Your colors may be different from the normal factory suggested wire colors and not all wires may be used. Label any that are not there with “Not used”.
| Typical original thermostat wire color | Original factory wire harness color (Write in here) | Connect to EasyTouch terminal label | Function |
| Red or Red/White | R | +7.5VDC | |
| Black or Green | B | -Ground | |
| Orange or Tan | GL | Fan | |
| Green | GH | Fan high | |
| Yellow | Y | Cool | |
| Violet or Orange | WHP | HP (heat pump) | |
| White | W | Furnace | |
| Not used | SEN | Sensor | |
| Not used | SEN | Sensor |
Disconnect the red or red/white wire labeled +7.5V and place a piece of tape around the exposed wire end. Disconnect the remaining wires (tape is not necessary). Remove the cover to expose the two screws that hold the thermostat to the wall and remove the rest of the thermostat.
Using the push button terminals
Figure 1 shows a screwdriver depressing the push button connector. The silver gate is opened for the wire to be inserted. Releasing the button traps the wire and makes the connection. Remove approximately 3/8 inch (1cm) of insulation from the wire to be inserted. Use a small screwdriver (not provided) or similar tool to push down on the square push button. Insert the wire in the insertion space and release the push button. Verify the connection by gently pulling on the wire. Do not force excessive wire down into the connector. If the stripped wire end is longer than 3/8 inch, cut the end so there is no bare wire sticking out when properly inserted.
Wiring the thermostat
SAFETY FIRST: Turn off power to the air conditioner breaker and to the 12-volt circuit powering the thermostat. There is always a risk of shock in any system that is connected to high voltage utility power so removing power greatly reduces that risk and the risk of shorts that can damage something.
Use the table entries written in Table 1 to complete the wiring. Insert each wire as described in the section titled “Using the push button terminals”. Insert the +7.5-volt wire last so it cannot contact any other wires when the tape is removed.
Change the control box wiring


SAFETY FIRST: Remove power before changing the control box wiring.
- Step 1: After removing power from the AC unit, remove the ceiling vent as shown in Figure 3. Identify the red and red/white wires exiting the control box near the area indicated by the blue arrow. These wires are pulled out and shown in Figure 2 connected to a brown and thin red wire. They may still have labels on them to indicate their function.
- Step 2: Remove the wire connected to the red/white wire which may still have the label “To T-Stat 7.5 Screw”. Put a connector over the red wire with stripe as shown in Figure 2.
- Step 3: Add the wire disconnected in step 2 to the +12-volt wire connections as shown. This installation uses wire nut electrical connectors. However, crimp splice or WAGO connectors are more desirable for the vibrations encountered by the terminals.
My wire colors and gauges are different than shown?
There will be 4 wires of varying thickness and color between red, red/white, and brown, configured in two pairs. The goal is to identify which of these 4 wires goes to the original thermostat’s +7.5 terminal (one of the red or red/white wires) and move it to the other pair. This will route 12 volts down to EasyTouch. You should have ultimately a wire by itself (the control box outgoing +7.5 wire) and the other three altogether (incoming +12, input +12 for the control box, and now the outgoing thermostat red or red/white wire). ©2022 Micro-Air Corp
Mounting the thermostat
- Step 1: Locate the mounting buttons horizontally across the hole with the smaller diameter against the wall.

- Step 2: Screw in one screw and level the buttons so the display will be straight when installed.

- Step 3: Screw in second screw making sure the two buttons remain level.

- Step 4: Remove mounting tab before mounting on the wall.

- Step 5: Aligning the buttons with the holes in the back of the display. Press the display against the wall and gently slide the display down to lock it in place.

Thermostat Setup
Setting the Available Sources
- Press the settings button on the main screen.
- Use the back and next buttons to locate the “switches” icon. Press the icon to configure the modes from the available sources.
- Press the icons to select or deselect the mode. A red circle with a line through it will appear over the source when it is deselected.
Gas Heat Override Enable/Disable
You can enable or disable gas heat override by tapping the Enable/Disable button under the “Auto Gas Changeover” heading. When enabled, all of your available heat modes will act in stages based on how far the inside temperature is from the set-point. See section Gas Heat Override for more details. Most users will leave this setting enabled.
Invert On/Off
This setting changes the polarity of the furnace from +12 volt active to ground active. Most users will set it for invert ON. Setting the incorrect setting will cause the furnace to operate all the time.
ENABLED: Gas Heat Override Enable/Disable
Connecting remotely
EasyTouch RV can be operated entirely by the touchscreen, however you can also communicate, monitor, and modify operation of it wirelessly using the EasyTouch RV application. Some extra features will require a wireless connection and is described in their sections. See section Working Wirelessly for details.
Operating the Thermostat
Main Screen
This screen is where most time is spent using the thermostat. This screen allows you to set and monitor the desired operation of the thermostat and is shown in Figure 4.
- Inside temperature
This is the temperature reading for the space that the thermostat is trying to temper, determined by a local sensor. “Inside” means it is using a sensor inside the thermostat. “Inside(R)” is not used in this model and should display “Inside”. - Local Weather
This icon indicates the local weather at the last time weather information was received. Tap the icon for more detailed weather information. See section Local Weather and Local Time for more details. - Status Tray
Various icons may be here to indicate active operations.
The Wi-Fi indicator shows the state of the thermostat’s Wi-Fi connection. No icon means no connection to an internet enabling device. Red means it is connected to an internet enabling device but does not have internet. Green means it is connected to the internet. The number of bars indicate strength. See the Connecting to a New Wi-Fi Network for more details.
The Furnace icon here means that the heat mode is in Gas Heat Override. See section Gas Heat Override for more details.
The Schedule icon here means that the created schedule is active and will change operation on that schedule. This is turned on and off in the Settings screens. See section Schedule Screens for more details.
- (Status Message
Various messages may be shown here to indicate active operations. See the Status Messages section for potential messages and their meanings. - Temperature Set Point Adjust
Raise and lower the temperature set-point using the red and blue arrows. This sets the desired temperature for the space based on the operating mode. All modes are listed in the (7) Operational Mode section. - System Power
Use the power button to turn the system on or off. Button is red for off and green for on.
- Operational Mode
Pressing the mode button changes the current operating mode depending on what is available in your system. All possible modes are listed below. See the Operational Modes section for more details.
Note: If you do not see a mode you should have then see section Setting the Available Sources. - Fan Speed
Pressing the fan button selects how the fan will operate in conjunction with the (7) Operational Mode. Fans with green bars are manually always-on regardless of heating or cooling, with number of bars indicating speed. Fan Auto turns the fan on and off with a cooling or heat pump/strip cycle and operates as Fan Off in all other operational modes. If Fan Auto determines that high speed is needed then it will remain on high until the cycle terminates.
- Settings
Pressing the settings button will change the screen to the settings screen to allow additional configurations. See section Settings Screens for more details. - Additional Status Tray
Various icons may be here to indicate active operations.
The hourglass symbol indicates that a heating or cooling cycle delay is in progress. It is an indication that the thermostat will start a cycle soon. This is a 3-minute timer from the end of a previous cycle to prevent a new cycle from occurring. - Outside Temperature
This is the temperature reading for your local area that is retrieved over the thermostat’s internet connection and is part of the (2) Local Weather information.
Operational Modes
All modes operate the overhead fan and/or a heating or cooling cycle based on the current heating or cooling setpoint, relative to the inside temperature.
Fans and Fan Only Mode
This mode lets the fan to operate based on the chosen (8) Fan Speed. This will circulate the air without operating any heating or cooling cycles.
Cool Only Mode
This mode only runs a cool cycle to maintain the cooling set-point in the space. Set the (7) Operational Mode button to Cool Only and the desired (8) Fan Speed, where behavior will then be based on Table 2.
| Environment (°F) | Cycle Operation | Auto Fan Operation |
| Inside ≤ Setpoint | None | Off |
| Inside 1° Above Setpoint | Cooling Cycle Begins | On Low |
| Inside 3° Or More Above Setpoint | Cooling Cycle Continues | Low or High Based on Gap |
| Inside Returns 1° Below Setpoint | Cooling Cycle Terminates | Runs 30 More Seconds, Off |
Table 2 – Cool Only Mode Operation
Note: Table 2 operation may be different based on the Gap settings. See section Temperature Gap (Hysteresis) for details.
Heat Pump Only and Heat Strip Only Mode
This mode only runs an electric, overhead, heat pump or heat strip heating cycle to maintain the heating set-point in the space. Set the Operational Mode(7) button to Heat Pump Only or Heat Strip Only and the desired .(8) Fan Speed, where behavior will then be based on Table 3.
Heat Strip Only Mode
Heat Pump Only Mode 
| Environment (°F) | Cycle Operation | Auto Fan Operation |
| Inside ≥ Setpoint | None | Off |
| Inside 1° Or More Below Setpoint | “Electric” Heat Cycle Begins | On low |
| Inside 3° Or More Below Setpoint | “Electric” Heat Cycle Continues | Low or High Based on Gap |
| Inside Returns 1° Above Setpoint | “Electric” Heat Cycle Terminates | Runs 30/90 More Seconds, Off |
Table 3 – Heat Pump and Heat Strip Only Mode Operation
Note: Table 3 operation may be different based on the Gap settings. See section Temperature Gap (Hysteresis) for details.
Note: These heat modes are subject to Gas Heat Override Operation when enabled. See section Gas Heat Override for details.
Furnace Only or Aqua Only Mode
This mode only runs an auxiliary heating cycle to maintain the heating set-point in the space. Set the (7) Operational Mode button to Furnace Only or Aqua Only and the desired (8) Fan Speed, where behavior will then be based on Table 4. See section Furnace/Aqua Icons for details on the auxiliary heating icon.
| Environment (°F) | Cycle Operation | Auto Fan Operation |
| Inside ≥ Setpoint | None | Off |
| Inside 1° Or More Below Setpoint | Auxiliary Heat On | |
| Inside Returns 1° Above Setpoint | Auxiliary Heat Off |
Table 4 – Furnace Only Mode Operation
Note: Table 4 operation may be different based on the Gap settings. See section Temperature Gap (Hysteresis) for details.
Auto Modes
These modes will automatically switch between heating and cooling cycles as needed. Their operation will be the same as their “only” mode counterparts described earlier in the Operational Modes section. Auto modes will have their own “dual” set-points that are separate heating and cooling set-points. No heating or cooling cycles will occur when the inside temperature is between the set- points. This can be useful when setting a higher day-time cooling temperature and lower night-time heating temperature. It can also be used to control the temperature extremes when you are away from the RV. Figure 5 shows how the main screen will look in auto mode.
Note: These auto modes are subject to Gas Heat Override and Gap operations. See their Gas Heat Override and Temperature Gap (Hysteresis) sections respectively for more details.
- Auto Mode Set-Points
Press the set-points to toggle between which set-point you have selected. A blue square will show around the one you have selected. The upper set-point is for
cooling and the lower set-point is for heating.
- Set-Point Adjustment
Use the up and down arrows to change the selected set-point value.
Gas Heat Override
Note: See section Gas Heat Override Enable/Disable for enabling and disabling this feature. Gas Heat Override operation is an algorithm for calling for additional stages of heat when the thermostat determines more are needed. The two escalating stages are shown in Table 5. This logic is disabled when both stages are not available.
| Staging | Heat Source |
| Stage 1 | Heat Pump/Heat Strip |
| Stage 2 | Gas/Hydronic Heat |
Table 6 shows how Gas Heat Override affects the heat pump and heat strip operational modes when enabled. This applies to heating cycle calls in auto operational modes as well.
| Environment (°F) | Operation |
| Inside 4° Or Less Below Setpoint | Normal Heating Operation (Stage 1) |
| Inside 5° Or More Below Setpoint | Stage 1 and Stage 2 Runs Until Setpoint is Satisfied |
| 3 Cycles in a Row Call for Escalation | Stage 2 Starts and Runs Any Heat Cycle For Next Two Hours (Stage 1 is “Locked Out” during this time) |
Note: Table 6 operation may be different based on the Gap settings. See section Temperature Gap (Hysteresis) for details.
Local Weather and Local Time
Local weather is displayed on the main screen and shown visibly in section (2) Local Weather under section Main Screen. Tapping the button will reveal more detailed weather information of the last received weather data. The local temperature is displayed in the lower left corner of the main screen, as shown in section (11) Outside Temperature. A valid location and an internet connection on the thermostat are required to retrieve weather data. Local time data also requires valid location data. Location is saved in the thermostat when a Bluetooth connection is made from a smart device with its location services enabled. The location in the thermostat is updated when a subsequent Bluetooth connection is made with a different smart-device location than the one saved. Location is preserved through power losses or device restarts. New weather data is retrieved when there is a screen press or when a connection from a smart device is made, along with the above prerequisites. Time is pulled in when a Bluetooth or Wi-Fi connection is made from the app. Also, an internet connection on the thermostat will grab the time so long as there is a valid saved location. If power is interrupted or the device is restarted, it will go out to the internet to grab the current time when the internet connection is re-established, without app interaction.
Status Messages
Some messages may be displayed on the main screen as shown in section (4) Status Message under Main Screen. Table 7 shows the potential messages and their meaning.
| Message Text | Description |
| OPEN INDOOR SENSOR | The room sensor inside EasyTouch RV has failed open/disconnected or shorted and must be repaired. |
| BAD INDOOR SENSOR | |
| AUX HEAT ENABLED | This means that the two-hour timer of the Gas Heat Override logic is active. See the Gas Heat Override section for details. |
Schedule Screens
The schedule supports 7 day per week scheduling of events. Events can include changes to the set point or mode of operation for one or more zones. Figure 6 shows the main schedule screen. The smart device application also offers a method to copy days. Once a schedule is set for one day, it can be copied to any other day.
- Day of the Week
Day of the week is selected from the days along the top of the screen. The day selected appears in white.
- Scheduled Events
Events are numbered 1 to 6 along the left side of the display. Tap an event to edit it and advance to the schedule edit screen, shown in Figure 7. Tap “more” to see events 4, 5, and 6.
- System Time
System time is displayed along the bottom. Tap the time to change from 12-hour to 24-hour time format. A is shown when time has yet to be set. See section
- Back
Tap the back arrow to return to the last screen.
Figure 7 shows the edit screen when an event is tapped as shown in (2) Scheduled Events on the main schedule screen. The event on the main screen and action time in the edit screen will show disabled until a time is set. Press “Disabled” (1) at the top of the screen to show a gray box around the disabled selection. Use the up and down arrows to make a change. The up and down arrows change to full color once a selection is made. Use the back arrow (2) to save any changes and leave the screen.
Figure 8 shows the schedule edit screen once a valid time is set for the event.
- Set the event time by selecting hours, minutes or AM/PM.
- Set the desired mode by tapping the mode.
- Tap the hours, minutes, AM/PM or the set point to select an editable parameter, then use the red and blue arrow buttons to make a change.
- Tap the zone number enable/disable the zone you want this event to A green box will draw around zones the event is enabled for. EasyTouch RV models that are not zone controls will not have this feature and will always be enabled when a valid Action Time (1) is used.
Create and Enable a Schedule
- Tap the edit schedule button as described in the Schedule – Edit, Enable or Disable section in settings, to enter the main schedule screen, shown by Figure 6.
- Ensure that a valid (3) System Time is Tap the day you want to set up a schedule for, then the event you want to edit, all shown by Figure 6. Tapping the event will take you to the edit schedule screen, shown by Figure 8.
- Tap the Action Time, Setpoint and Mode to make edits to what you want your event to do. Tap the zone you want this event to occur in if shown.
- Tap the back button and repeat for any other events and any other
- Tap the back button once again to return to the settings screen and this will save your schedule. Activate the schedule by pressing the schedule button with the “Enabled/Disabled” subtext as described in the Schedule – Edit, Enable or Disable section in settings. When enabled, it will be noted on the Main Screen (3) Status Tray.
Settings Screens
The settings screens allow for further configuration and control of the thermostat. It is a paged system that you can navigate through to see all available settings. Each setting button can be tapped to configure the related settings. Note: Not all settings may be available based on your EasyTouch RV model. If you do not see the graphic then it is not available for your system. Tap the settings button as shown in section (9) Settings under Main Screen to view them.
Use these buttons to flip through all the available settings or return to the main screen.

System Help
This screen displays a QR code that can be scanned to provide information about thermostat operation and troubleshooting from the Micro-Air website. It also shows the current thermostat firmware revision and the thermostat serial number.
Day/Night Mode (Screen Saver)
Tap this icon to switch between Day or Night mode. Day mode will dim the display down to the Sleep Level set in the Display Brightness settings, after 30 seconds of no screen presses. Night mode will turn the backlight completely off after 30 seconds of no screen presses. The display will brighten again after a screen press to the Active Level set in the Display Brightness settings.
Display Brightness
This screen allows you to set the Active and Sleep brightness levels that are used by the Day/Night Mode (Screen Saver) settings. Tap the associated up and down arrows to change their level.
Schedule – Edit, Enable or Disable
There are two Schedule buttons with sub-writings “Schedule” or “Enable/Disable”. Tap the enable/disable button to turn the schedule on or off. Tap the schedule button to modify the schedule. See section Schedule Screens for more details.
Wi-Fi Information
This screen allows you to monitor the state of your Wi-Fi connection to the thermostat. SSID and Password fields shows the saved credentials that the thermostat is always attempting to find and connect to. Tap the password field to reveal the password. The Router, Strength, and Internet fields show the state of the Wi-Fi connection. The MAC address of the thermostat is also shown at the bottom. See section Connecting to a New Wi-Fi Network for more details about using Wi-Fi.
Bluetooth (Account) Password Reset
This screen is used to reset the saved Bluetooth password in the thermostat. This is the password that must match your EasyTouch RV app account to make remote connections. Only one account can have access to the thermostat. Use this whenever you reset the password to your app account to regain remote access to the thermostat.
Temperature Reading Adjustment
This setting allows you to calibrate the Inside temperature reading with an offset. For example, if the inside temperature reads 72°F (22.2°C) and you feel it is 75°F (24°C), you can use the up and down arrows on this page to increment the offset to +3°F (+1.8°C).
Temperature Gap (Hysteresis)
These settings under “heat” and “cool” headings determine the difference in temperature required between setpoint and inside temperature before a heating or cooling cycle will begin. This is helpful to prevent short cycling in large spaces or spaces with high thermal loss, by running a cycle for longer amounts of time. This offset is applied to all logic that involves setpoint operations, such as auto modes, gas heat override, etc. See Table 8 for an operational example.
| Inside Temperature(°F) | Heating Setpoint(°F) | Heating Gap Setting(°F) | System Operation |
| 69 | 68 | 3 | None |
| 66 | None | ||
| 65 | Heating Cycle Begins | ||
| 67 | Heating Cycle Continues | ||
| 69 | Heating Cycle Terminates |
Table 8 – Temperature Gap Operational Example
The setting “Auto-Fan High” determines the difference in temperature required between setpoint and inside temperature for the Auto Fan (8) Fan Speed to switch from Fan Low to Fan High. If Fan High is called for during a cycle then it will remain high until the cycle terminates. See Table 9 for an operational example where the “Cool Gap Setting” is 1°F.
| Inside Temperature (°F) | Cooling Setpoint (°F) | Auto Fan Gap Setting (°F) | System Operation with Auto Fan |
| 81 | 78 | 4 | Cooling with Fan Low |
| 82 | Cooling with Fan High | ||
| 79 | Cooling with Fan High |
Table 9 – Auto Fan Speed Gap Operational Example
Measurement Units
This setting determines how to display temperatures on the thermostat. Tap the Units button to toggle between Fahrenheit and Celsius.
Touchscreen Calibration
The EasyTouch RV touchscreen is calibrated at the factory to accurately interpret your touch presses. Pressing the Touchscreen Calibrate Button will allow you to recalibrate the touch press area. Follow the on-screen prompts to calibrate the touchscreen. Any overlapping test targets on the second screen is a good calibration.
Restart
This setting will turn the thermostat off then on as if removing and restoring power. Tap the Restart button and follow the on-screen prompts to confirm.
Reset All
This setting will reset certain settings in the thermostat back to factory defaults. Some thermostats offer options to which settings to return to defaults. Tap the Reset All button and follow the on-screen prompts to choose what you would like to reset.
Dip Switches
This setting is used to configure your thermostat’s operational settings and is slightly different for each EasyTouch RV model. Some simply display how the air conditioner control board that EasyTouch RV communicates with is configured. Others allow for telling EasyTouch RV what appliances it has connected to it. Tap the Switches button to see what configurations are available. See section Thermostat Setup for details on what must be configured, if any. Micro-Air cannot assist with manipulating and adding more appliances to your system.
Auto-Generator Start (AGS)
This setting allows for a generator to start prior to any appliances that need line voltage to run, then turns it off when the cycle completes. Tap the AGS Enable button to green to enable this behavior or to gray to disable it.
Furnace/Aqua Icons

Most RV systems have auxiliary heat modes in the form of a gas furnace or hydronic heat. EasyTouch RV or the associated control board treats these as the same output and so you can tap the Furnace/Aqua button to toggle between what icons to display for this operational mode. This is simply a cosmetic setting for all EasyTouch RV models except the 350 model, which should be set appropriately.
Smart device settings options Reset device
This Bluetooth only feature allows resetting the display just as if you removed and restored power.
Calibrate Touchscreen
It is normally not necessary to recalibrate the touchscreen. This selection prompts the user to press the four corners of the display then test the calibration using three diagonal marks. This feature is only available from Bluetooth as being at the thermostat is required.
Check for updates
Checks to see if any updates are available for the thermostat. The smart device application must have internet and the thermostat must be connected to Wi-Fi with a green Wi-Fi symbol. Tap Check for Updates and follow the prompts.
Notifications
Notifications provide a way for the user to monitor the temperature in the space using notification limits. Limits are set by connecting to the thermostat in the app, selecting the settings gear, and then selecting notifications. A minimum and maximum allowed temperature can be set. Table 10 shows an example of operation with an 80°F maximum temperature set. A notification will be sent for each degree it rises above the maximum temperature. If temperature drops, no notification will be sent unless the temperature exceeds the last maximum temperature again (82 in the example). If the temperature drops two degrees below the set maximum, (78 in the example) it will again alert for each degree above the set maximum. This behavior helps avoid nuisance notifications to your smart device.
Table 10
| Temperature °F | Action |
| 80 | Send first notification |
| 81 | Send another notification |
| 82 | Send another notification |
| 81…79 | Temperature drops, no notification |
| 78 | Max temp resets |
Edit Wi-Fi Settings or Connect to Wi-Fi
This is where you will make the connection from the thermostat to the internet. See section Connecting to a New Wi-Fi Network for details on how to use this feature. The app must be connected to the thermostat over Bluetooth to see this option.
Troubleshooting
The most common problems during installation are mismatching the wires and not seating the wires in the connector properly. The first step should always be to recheck the instructions and make sure the wires are seated properly. The second most common problem is not knowing the thermostat operation. If the system is running a heating or cooling cycle, the large numbers of the temperature set point will turn red for heating and blue for cooling. When the large thermostat numbers turn white, the heat pump, heat strip and furnace should all be off. The fan may continue to run for a while after the cycle completes. If a fan is left in a manual mode, it will not shut off.
Testing an output
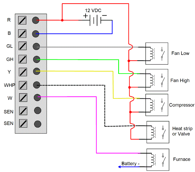
The first step is to check the fuse on the back of EasyTouch and verify it is still good. Figure 5 is a table showing the terminal label and purpose for each of the thermostat wires. This information can be used in troubleshooting to verify that the thermostat has turned on an output. Use a voltmeter to verify that the thermostat has turned on an EasyTouch output. Set to voltmeter measure DC voltage and check for ~0 volts between the blue (ground) wire and the output terminal to be tested to see if the thermostat has turned on the output. There should be 0 volts present when the output is on and 12 volts when the output is off.
| Terminal label | Function |
| R | +12VDC |
| B | -12VDC, Ground |
| GL | Fan low |
| GH | Fan high |
| Y | Compressor |
| WHP | Heat pump (Valve) or Heat Strip |
| W | Furnace |
| SEN | Not used |
| SEN | Not used |
Further troubleshooting of the component (fan, compressor furnace, heat pump, heat strip) is required if the voltages are correct but the output is still not operating. If the thermostat does not have power, test between the R and B wires to determine if there is 12-volt power to the thermostat.
EasyTouch RV Knowledge Bank – More Information
Visit our knowledge bank at http://www.micro-air.com/kb_easytouch_rv.cfm for the latest resources for setup, operation, and troubleshooting, as well as our main website for contacting us for support.
Working Wirelessly
This thermostat may be operated remotely using either Bluetooth or Wi-Fi. All connectivity is performed through the EasyTouch RV App on a smart-device. The app is downloaded from the Google Play store or Apple App store. The first time the app is opened, it will ask to create an account. Create your account and follow the prompts to connect your thermostat. Bluetooth is a limited range method to connect, typically used when near the thermostat. The thermostat can be connected to an internet-connected network, where you can then access the thermostat from anywhere you have an internet connection with the app. If a second user is going to use the thermostat remotely, they MUST use the same account and password that the first user assigned to the thermostat. Each thermostat can only be assigned to a single account, but many users can control the thermostat if they use the same account.
First connection steps
Note: An internet connection on your smart device is necessary for these steps.
- EasyTouch RV uses BLE which is a special implementation of Bluetooth. It is not necessary to “Pair” the thermostat with the phone but an account must be created for operation. Ensure that Bluetooth is enabled and that the app has Bluetooth and location services permissions. Android users must also have locations services turned on in general.
- Start the app on your smart device. The app will open and if you have not entered your account information, it will ask you to create an account and enable permissions. Enter your name, email, and a password at the prompts. The system will send a confirmation email to your inbox. Enter the number in the confirmation email when asked.
- Once the account is created, the application may ask to add a device. If your thermostat is powered it will show in the list to be added to your account. Select the device and enter a name for it. This name is used to identify and connect to it in the future.
- If you added a control, the app will ask if you want to connect it to Wi-Fi now. Enter your SSID (network name) and password of the network you want to connect the thermostat to.
Adding a Thermostat to Your Account
Follow the next steps if the account process does not add a control or a second thermostat is to be added.
- Press the settings gear and “Add Device”.
- The nearby thermostat(s) should be listed in the new selection window. These are the thermostats heard over Bluetooth. Select the device and enter a name for the device.
- Press OK and the screen will return to the settings menu (Android) or the selection screen (Apple). Android users should press the back button to get to the selection screen.
- Select the device name to open the thermostat screen.
Connecting to a New Wi-Fi Network
You can connect to the thermostat from anywhere using the app when the thermostat is connected to an internet source. The internet source must be a 2.4GHz network to connect to EasyTouch.
- Connect to the thermostat in Bluetooth (Apple) and press the settings gear.
- Select Wi-Fi Setup from the settings window.
- Connect to a network:
- The SSID (network name) will say “searching” then switch to “select”. Tap “select” to choose from a network the thermostat can hear.
Alternatively, enter the SSID manually (case sensitive) - Enter the password (case sensitive)
- The SSID (network name) will say “searching” then switch to “select”. Tap “select” to choose from a network the thermostat can hear.
- Press OK and the screen will return to the selection screen. The thermostat will reset and a green Wi-Fi symbol will appear on the thermostat screen if the connection was successful.
- With a green Wi-Fi symbol, you can now connect to the thermostat from anywhere using the app over the internet
Updating The EasyTouch RV Thermostat
Ensuring you have the latest thermostat software is key to having all the latest features.
- Ensure the thermostat is connected to Wi-Fi with a green Wi-Fi symbol.
- Connect to the thermostat and press the settings gear, then tap Check for Updates.
- Follow the prompts to update the thermostat or ensure that you already have the latest software.
Appendix
Using this thermostat on other applications
It is possible to use this thermostat for custom installations. The outputs are all pull to ground active and pullup to “12 VDC” inactive outputs. Maximum drive current is 200mA per output. This thermostat cannot be used for 24 VAC applications. Contact Micro-Air if you are not certain this device will work in your intended application.










Note: If you do not see a mode you should have then see section Setting the Available Sources.


















