EasyTouch 352 and 352C
Installation and
Operating Manual
Revision 1.5
The EasyTouch 352 model thermostats were designed to directly replace Coleman™, Airxcel™ and RVP™ single zone DC thermostats. The thermostats can be used in other applications with certain electrical limitations as explained later in this document.
Installing the thermostat
There are three steps to installing the thermostat. First remove your old thermostat. Next disconnect and reconnect the wiring. Finally install the mounting pins to the wall and mount your new thermostat.
Removing the old thermostat
The larger Airxcel thermostats (approximately 5.5 inches wide by 3.75 inches tall) have a front cover that pops off. Behind the cover there are 2-4 mounting screws that must be removed. Once the thermostat is removed, pull out some of the wire from the wall and take a picture of the thermostat wiring connections to the original thermostat.
The smaller three button thermostats are mounted on a button mount similar to the EasyTouch RV mount. Slide the thermostat up and pull away from the wall to remove this thermostat. Once the thermostat is removed, take a picture if the wiring order so it can be duplicated on the new thermostat.
Using the push button terminals
Figure 1 shows a screwdriver depressing the push button connector. The silver gate is opened for the wire to be inserted.
Releasing the button traps the wire and makes the connection.
Remove approximately 3/8 inch (1cm) of insulation from the wire to be inserted. Use a small screw driver (not provided) or similar tool to push down on the square push button. Insert the wire in the insertion space and release the push button. Verify the connection by gently pulling on the wire. Do not force excessive wire down into the connector. If the stripped wire end is longer than 3/8 inch, cut the end so there is no bare wire sticking out when properly inserted.
Wiring the thermostat
Original thermostats can have a plug-in connector, push button connector block, or be direct wired to the RV manufacturers wiring. All EasyTouch versions of the 352 thermostats have the push button connector block. 352C models (X03 and X04 extensions) have a connector pre-wired to the connector block for those models that come with connectors.
The tables in each section below list the RVP/Airxcel/Coleman thermostat model numbers that can be used with each thermostat installation type. If your thermostat is not listed, please contact Micro-Air https://www.micro-air.com/SupportRequest to verify the thermostat you received is correct for your application. Coleman model numbers can be found in your original user’s manual and on the back side of the thermostat or the back of the mounting plate.
Connector models
| Button/switch | 8330*337* | 8330*339* | 8330*346* | 8330*348* | 8330*368* |
| 8530*338* | 8530*339* | 8530*346* | |||
| 3 button | 9430*335* | 9430*336* | 9430*339* | 9430*340* | 9430*354* |
| 9430*355* | 9430*357* | 9430*358* | 9630*337* | 9630*352* |
These models are the easiest to install. Just disconnect the connector from the wiring harness on the original thermostat and plug in the new thermostat. Connectors are keyed so you cannot mix the connectors.
Push button wire insert models
| 9430*337* | 9430*338* | 9430*342* | 9430*351* | 3430*351* | 9430*353* |
| 9430*356* | 9630*335* | 9630*336* | 9630*351* | 9630*353* |
Note: If you purchase a connector model and find there is no connector, simple remove the wires using the push terminals.
These thermostats connect using push terminals on the back of the thermostat. Examine the original thermostat and notice the labels printed are printed as shown in figure 2. These labels correspond to the same labels on the EasyTouch thermostat. It is recommended to remove DC power when moving the wires from one thermostat to the other. Touching some wires together can trip a breaker or burn a fuse in the RV DC power circuit powering the thermostat. We also recommend taking a picture of the original thermostat wiring order so you can verify the connection order on the new thermostat.
Direct wired models
| 7330*332* | 7330*335* | 7330*336* | 7330*385* | 7330*786* | |
| 8330*336* | 8330*338* | 8330*386* | 8330*387* | 8350*336* | 8530*345* |
| 8530*348* | 8530*349* | 8550*335* | 9330*378* | 9330*380* | 9330*382* |
| 9530*380* |
Note: If you purchase a connector model and find there is no connector, simple remove the wires using the push terminals.
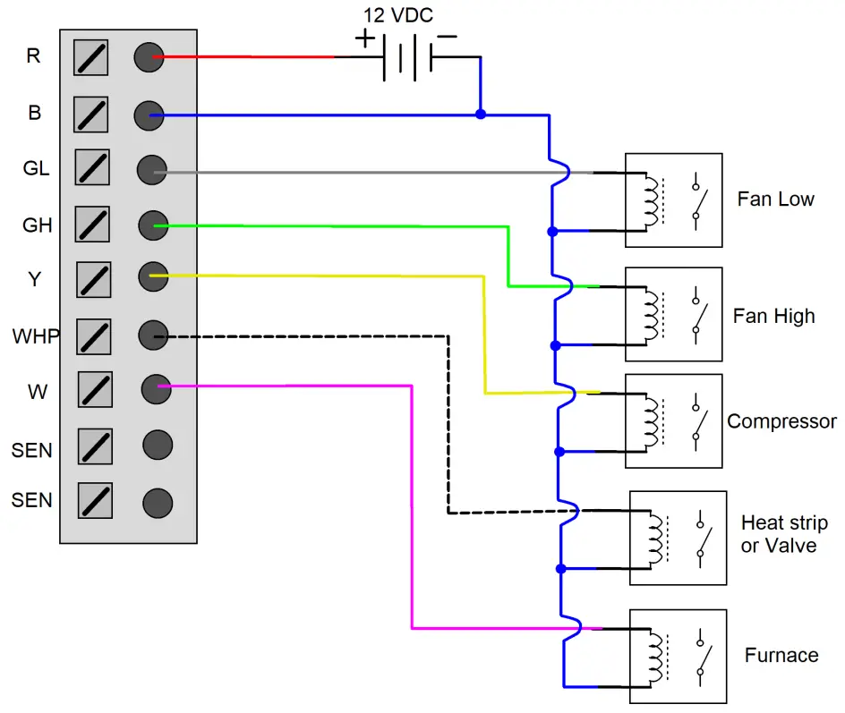
Direct wired models have wires coming out of the back of the thermostat that are connected to the manufacturers wiring harness using a crimp splice. The colors on the RV manufacturers harness can vary but the wires connected to the thermostat are always the same as shown in the chart below. Follow the thermostat wires to where they are crimp spliced to the RV wire harness. Write in the RV wiring harness colors in the chart below before making connections. Some thermostats and harnesses may not have all of the wires shown.
| Original thermostat wire color | Original factory wire harness color (Write in here) | Connect to EasyTouch terminal label | Function |
| Red | R | +12VDC | |
| Blue | B | -12VDC, Ground | |
| Gray | GL | Fan low | |
| Green | GH | Fan high | |
| Yellow | Y | Compressor | |
| White/Black stripe | WHP | Heat pump (Valve) | |
| White | W | Furnace | |
| Green/White stripe | SEN | Sensor | |
| Green/White stripe | SEN | Sensor |
Note: The sensor wires (green with white stripe) may be connected either way as long as one wire is connected to each of the SEN terminals.
Using this thermostat on other applications
It is possible to use this thermostat for custom installations. The outputs are all +12-volt active and open collector (high impedance) inactive outputs. Maximum drive current is 200mA per output. This thermostat cannot be used for 24 VAC applications. Contact Micro-Air if you are not certain this device will work in your intended application.
Mounting the thermostat
Step 1: Locate the mounting buttons horizontally across the hole with the smaller diameter against the wall.
Step 2: Screw in one screw and level the buttons so the display will be straight when installed.
Step 3: Screw in second screw making sure the two buttons remain level.
Step 4: Remove mounting tab before mounting on the wall.
Step 5: Aligning the buttons with the holes in the back of the display. Press the display against the wall and gently slide the display down to lock it in place.
Initial setup instructions
Setting the heat sources
It is necessary to set up the heating sources prior to operating your thermostat. Press the settings button
on the main screen. Select the heating sources button
on the settings screen. Select furnace,
Heat pump,
or heat strip
by pressing the icon. The red circle with a line through it will disappear indicating the heat source is available. Heat pump and heat strip cannot be selected together.
Connecting remotely
This thermostat may be operated remotely using either Bluetooth or WIFI. Apps may be loaded from the Google Play store or Apple App store. The first time the app is opened, it will ask to create an account. A WIFI connection on your smart device is necessary for this step. Create your account and follow the prompts to connect your thermostat.
If a second user is going to use the thermostat remotely, they can use the same account and password as the first user. Each thermostat can only be assigned to a single account.
Operating the thermostat
Main screen
- Inside temperature shows the ambient temperature of the room. If the temperature is followed by (R), the thermostat is using the remote sensor input on the back of the thermostat.
- WIFI indicator shows the state of the WIFI connection. Green indicates WIFI is connected properly, Red indicates connection to router only, bars indicate signal strength, and no symbol indicates no connection.
- Raise and lower the temperature set point using the red and blue arrows.
- Use the power button to turn the system on or off. Button is red for off and green for on.
- Pressing the mode icon changes from cooling or heating modes depending on what is available in your system. See table 1 for a list of all possible modes.

Table 1
| Fan only | Heat strip only | |||
| Cool Only | Automatic cool and furnace | |||
| Furnace only | Automatic cool and heat pump | |||
| Heat pump only | Automatic cool and heat strip |
6. Pressing the fan icon selects between manual (always on) fan speeds and automatic fan speeds.
Automatic will turn the fan off after the heating or cooling cycle is completed. See table 2 for available fan speeds.
Table 2
| Fan low | Fan high | Fan Auto |
7. Home-away-schedule icon. Pressing this button selects between these modes. Home mode is the normal operating mode using a single setpoint for temperature control. Schedule mode allows changing set points throughout the day programmatically. Away mode allows setting a heating and
a cooling set point and automatically changing from heating to cooling.
8. Pressing the settings gear will change the screen to allow additional setup functions.
9. Pressing the set point will change the system units from °F to °C and back. The setpoint is also used as an indicator of system operation. A red set point indicates a heating cycle is in process. A blue set point indicates a cooling cycle is in process. A white icon indicates no cycle is in process The hourglass symbol indicates that a delay is in process and operation will resume once the delay is complete. It is an indication that the display is handling the requested operation.
Away screen (Heat and cool set points)

Away operation allows setting upper and lower limits for temperature with a non-operating area or “dead band” in the middle. This can be useful when setting a higher daytime cooling temperature and lower night time heating temperature. It can also be used to control the temperature extremes when you are away from the RV. The mode selected must be an automatic mode to allow both heating and cooling operation.
- Press the upper or lower value to select the value to change. A blue square will show around the value you are changing. The upper value changes the cooling set point and the lower value changes the heating set point.
- Use the up and down arrows to change the selected temperature value.
Schedule screen
Set points may be changed on a time-based schedule. The mode used will be the heating or cooling mode set on the main screen. 
Setting a change event
- Events will show –:– when the event is disabled. Press the hours position to set the hours. A flashing bar will appear under the hours along with up and down adjustment selectors. Use the adjustment selectors to change the hours.
Press the minutes to move the flashing bar under the minutes and allow ¼ hour adjustments.
Use the up and down adjustment selectors to make changes.
Press the temperature to change the desired temperature set point. This is the temperature the system will try to achieve after the time that was set.
12- or 24-hour format - Press the time in the upper right to change from 12 to 24-hour format and back again.
Setting the time - Time zone is set whenever the thermostat connects using Bluetooth. Time is set on power up through the internet connection, or whenever a connection is made on either Bluetooth or WIFI.
Enabling the schedule - Press the enabled/disabled button to enable the schedule. The schedule will be active and make set point changes anytime the schedule is selected on the main screen. The Home/Schedule/Away button will only toggle between schedule and away when the schedule is enabled. The button will only select between home and away if the schedule is disabled. Away mode is not configurable on a schedule.
- Press the round arrow to return to the regular settings screen.
Settings Screen
- Day mode (half sun icon shown above) will dim the display down to the screen saver set point after 30 seconds. Night mode (moon icon) will turn off the back light after 30 seconds. The display will brighten again once the touch screen is pressed. See (8) to set brightness.
- The DIP switches icon is used to configure set behaviors of the thermostat. It must be used when installing the thermostat to set the available heat sources. See setting your heat sources for more details. You also enable or disable gas heat override from this screen.
- WIFI is used to view your WIFI settings and MAC address. Changes to the WIFI connection must be made using the smart device application.
- Temperature adjustment is used to adjust the inside temperature with an offset. This is useful when using an external sensor.
- Schedule is used to change the set point automatically at a pre-determined time. See Schedule operation for more details.
- Bluetooth is used to reset the Bluetooth password. This password is saved from your account password. Only one account at a time may access the thermostat. Reset the password whenever you change your account password.
- Reset all will reset the thermostat to factory settings including all set points, schedule events, and other settings. 8. Brightness settings allow dimming the normal brightness and setting the screen saver brightness
- The back icon will return the display to the operating screen.
- The QR code will bring you to the Micro-Air EasyTouch page when selected using a QR compatible phone app. Below the QR code is the serial number for the thermostat and the firmware revision for the thermostat. Firmware updates can be checked for in the smart device application.
Gas Heat Override
This feature turns on the gas furnace from an electric heat mode when the setpoint is five or mode degrees away from the ambient temperature and heating is required. It is only available on systems that have both gas and electric heating and is only active in electric heat or cool/electric heat modes. The feature can be disabled from the settings/ heat sources screen entered by using the dip switch icon.
If heating setpoint is 5 degrees or more above the inside temperature in an electric heating mode, the furnace will come along with the electric heater. Heat pumps will run an additional minute before shutting down and heat strips will continue to run until the set point is reached. When the furnace is actively overriding the electric heat, a furnace symbol will appear at the top of the thermostat screen.
Smart device application only features Reset device
This Bluetooth only feature allows resetting the display just as if you removed and restored power.
Calibrate Touchscreen
It is normally not necessary to recalibrate the touchscreen. This selection prompts the user to press the four corners of the display then test the calibration using three diagonal marks. This feature is only available from Bluetooth since being at the thermostat is required.
Check for updates
Checks to see if any updates are available for the thermostat. The smart device application must have internet and the thermostat must be connected to WIFI with a green WIFI symbol. Tap Check for Updates and follow the prompts.
Notifications
Notifications allow setting a minimum and maximum allowed temperature to be set. If the temperature is exceeded, the thermostat will send a push notification to your smart device. WIFI must be connected and active on the thermostat for the notification to function. Notifications will be sent for each degree of temperature change.
Installation Troubleshooting
The most common problems during installation are not matching the wires correctly and not seating the wires in the connector properly. The first step should always be to recheck the instructions and make sure the wires are seated properly.
The second most common problem is not knowing the thermostat operation. If the system is running a heating or cooling cycle, the set point will turn red for heating and blue for cooling. When the thermostat turns white, the heat pump, heat strip and furnace should all be off. The fan may continue to run for a while after the cycle completes. If a fan is left in a manual mode it will not shut off.
Testing an output
Figure 5 is a table showing the color label and purpose for each of the thermostat
wires. This information can be used in troubleshooting to verify that the thermostat has turned on an output and troubleshooting the output is required.
Use a voltmeter to verify that the thermostat has turned on an EasyTouch output. Set to voltmeter measure DC voltage and check for ~12 volts between the blue (ground) wire and the output terminal to be tested to see if the thermostat has turned on the output. If there is 12 volts present further troubleshooting of the component (fan, compressor furnace, heat pump, heat strip) is required. If 12 volts is not present, verify that the fuse in EasyTouch RV is still good.
| EasyTouch Color | Terminal label | Function |
| Red | R | +12VDC |
| Blue | B | -12VDC, Ground |
| Gray | GL | Fan low |
| Green | GH | Fan high |
| Yellow | Y | Compressor |
| White/Black stripe | WHP | Heat pump (Valve) or Heat Strip |
| White | W | Furnace |
| Green/White stripe | SEN | Sensor |
| Green/White stripe | SEN | Sensor |
WIFI Troubleshooting
- SSID (Network name) and password are both case sensitive.
- Be sure you are connecting to a 2.4 GHz network and not a 5GHz or 6GHz network.
- Set the security to WPA2 and TKIP+AES if you are having trouble.
- Be sure there is no firewall in the router blocking the incoming messages.
- The thermostat has a limit of 31 characters for the SSID and 50 for the password.
- The number of devices limit for the network is not full.
- The WIFI source is not out of range or metal partitions blocking the signal
- Reset the router to renew the DHCP lease.
- If you are in a metal enclosure, try moving the router or thermostat a few inches (even if temporary) and trying again.
- If using MAC filtering, add the thermostat to the allowed devices list.
Appendix: First connection steps
- This thermostat uses BLE which is a special implementation of Bluetooth. It is not necessary to “Pair” the thermostat with the phone but an account must be created for operation.
- Start the app on your smart device. The app will open and if you have not entered your account information, it will ask you to create an account. Enter your name, email and a password at the prompts. The system will send a confirmation email to your inbox. Enter the number in the confirmation email when asked.
- Once the account is created, the application may ask to add a device. If your device is powered it will show in the list to be added to your account. Select the control and enter a name or location for the control.
- If you added a control, the app will ask if you want to connect to WIFI now. Enter your SSID (network name) and password in the boxes.
Adding a control
Follow the next steps if the account process does not add a control or a second thermostat is to be added.
- Press “Add” on the top of the selection screen (Apple) or press the settings gear and “Add Device” (Android).
- The second thermostat should be listed in the new selection window. Select the device and enter a name for the device.
- Press OK and the screen will return to the settings menu (Android) or the selection screen (Apple). Android users should press the back button to get to the selection screen.
- Select the device name to open the thermostat screen.
Connecting to a new WIFI network
- Connect to the thermostat in Bluetooth (Apple) and press the settings gear.
- Select WIFI Setup from the settings window.
- Enter the SSID (network name) and password (Both case sensitive).
- Press OK and the screen will return to the selection screen. The thermostat will reset and a green WIFI symbol will appear on the thermostat screen if the connection was successful.
Updating the thermostat
Ensuring you have the latest thermostat software is key to having all the latest features.
- Ensure the thermostat is connected to WIFI with a green WIFI symbol.
- Connect to the thermostat and press the settings gear, then tap Check for Updates.
- Follow the prompts to update the thermostat or ensure that you already have the latest software.
©2022 Micro-Air Corp
September 12, 2022, revision 1.5




















