Endress Hauser Solicap M FTI55 Capacitance Point Level Switch Instruction Manual
Related documents

About this document
Document conventions
Safety symbols
DANGER
This symbol alerts you to a dangerous situation. Failure to avoid this situation will result in serious or fatal injury.
WARNING
This symbol alerts you to a dangerous situation. Failure to avoid this situation can result in serious or fatal injury.
CAUTION
This symbol alerts you to a dangerous situation. Failure to avoid this situation can result in minor or medium injury.
NOTICE
This symbol contains information on procedures and other facts which do not result in personal injury.
Electrical symbols
Protective earth (PE)
Ground terminals that must be connected to ground prior to establishing any other connections.
The ground terminals are located on the interior and exterior of the device:
- Interior ground terminal: protective earth is connected to the mains supply.
- Exterior ground terminal: device is connected to the plant grounding system.
Documentation
Technical Information
EMC test procedures
TI00241F
Nivotester FTL325N
TI00353F
Nivotester FTL375N
TI00361F
Certificates
ATEX safety instructions
Solicap M FTI55
- II 1 D Ex ia IIIC T80°C T500 130°C Da
- II 1/2 D Ex ia IIIC T80°C T500 130°C Da/Db
- II 1/3 D Ex ia IIIC T80°C T500 130°C Da/Dc
- II 1/2 D Ex ia/tb IIIC T90°C Da/Db
- II 1/3 D Ex ia/tc IIIC T90°C Da/Dc
IECEx
Solicap M FTI55
- Ex ia IIIC T80°C T500 130°C Da
- Ex ia IIIC T80°C T500 130°C Da/Db
- Ex ia IIIC T80°C T500 130°C Da/Dc
- Ex ia/tb IIIC T90°C Da/Db
- Ex ia/tc IIIC T90°C Da/Dc
Control Drawings (CSA and FM)
- Solicap M FTI55
FM ZD00222F - Solicap M FTI55
CSA IS ZD00225F
CRN registration
CRN 0F12978.5
Other
AD2000: the wetted material (316L) corresponds to AD2000 – W0/W2
Patents
This product is protected by at least one of the patents:
- DE 103 22 279
- WO 2004 102 133
- US 2005 003 9528
- DE 203 13 695
- WO 2005 025 015
Further patents are under development.
Basic safety instructions
Requirements for the personnel
The personnel must fulfill the following requirements to carry out the necessary tasks:
- Are trained, qualified to perform specific functions and tasks.
- Are authorized by the plant owner or operator to perform specific tasks.
- Are familiar with federal or national regulations.
- Have read and understood the instructions in the manual and supplementary documentation.
- They follow instructions and comply with conditions.
Workplace safety
For work on and with the device:
- Wear the required protective equipment according to federal or national regulations.
Operational safety
When performing configuration, testing, and maintenance work on the device, alternative supervisory measures must be taken to guarantee the operational safety and process safety.
Ex-area
When using the measuring system in Ex-areas, the appropriate national standards and regulations must be observed. Separate Ex-documentation, which constitutes an integral part of this documentation, is supplied with the device. The installation procedures, connection data and safety instructions it contains must be observed.
- Make sure that the technical staff has adequate training.
- The special measuring and safety-related requirements for the measuring points must be observed.
Product safety
This measuring device is designed following good engineering practice to meet state-of-theart safety requirements, has been tested, and left the factory in a condition in which it is safe to operate. It meets general safety standards and legal requirements. It is compliant with the EC directives listed in the device-specific EC Declaration of Conformity. Endress+Hauser confirms this by affixing the CE mark to the device.
Incoming acceptance and product identification
Incoming acceptance
Check whether the packaging or content is damaged. Check that the goods delivered are complete and compare the scope of delivery with the information in your order.
Product identification
Check nameplate data.
See Operating Instructions→ 2
Storage and transport
For storage and transportation, pack the device to protect it against impact. The original packing offers the best protection for this. The permitted storage temperature is –50 to +85 °C (–58 to +185 °F).
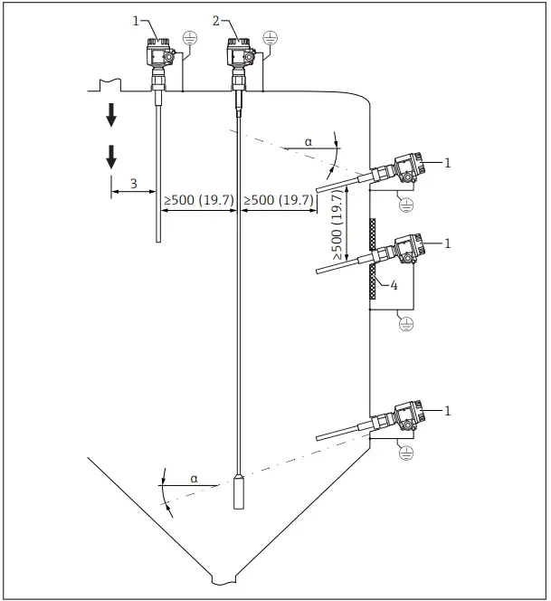
Mounting requirements
Mounting requirements
General notes and precautions
Filling the silo.
- The filling stream must not be directed onto the probe.
NOTICE
Angle of material flow.
- Take care to the expected angle of the material flow and the outlet funnel when determining the mounting location or probe rod length.
NOTICE
Distance between probes.
- The minimum distance of 500 mm (19.7 in) between the probes must be observed.
NOTICE
Threaded coupling for mounting.
- The threaded coupling must be as short as possible. Condensation or product residue can occur in a long threaded coupling and interfere with the correct operation of the probe.
NOTICE
Heat insulation
- Insulate the external silo wall to avoid exceeding the permitted temperature of the Solicap M housing.
- Insulate the silo wall to prevent the condensation and reduce buildup in the threaded coupling area.

α Angle of the slope
- FTI55
- FTI56
- Distance from the loading point
- Heat insulation
Mounting the sensor
The Solicap M FTI55 can be installed:
- from above
- from the side
NOTICE
Mouting the probe rod in the loading curtain area can cause a incorrect device operation!
- Mount the probe away from the loading curtain.
NOTICE
The probe rod cannot touch the metal container wall!
- Make sure that the probe rod is insulated from the metal container wall.

1 Mounting examples. Unit of measurement mm (in)
- For maximum level limit detection
- For minimum point level detection
- The protective cover protects the probe rod from collapsing mounds or mechanical strain at the outflow.
- In the event of light buildup on the silo wall, the threaded coupling is welded internally. The probe tip points slightly downwards so that bulk solids slide off more easily.
Installing the probe in a silo with concrete walls
The grounded steel plate forms the counter electrode. The heat insulation prevents condensation and therefore buildup on the steel plate.The steel plate can be a round or square shape.

- Sheet metal plate with threaded socket
- Heat insulation
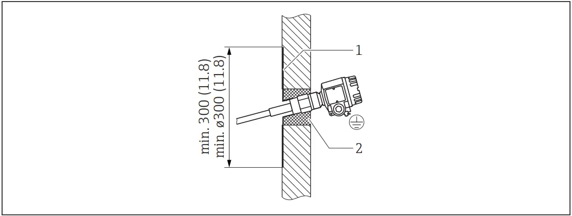
Installing the probe in a silo with plastic walls
If the probe is instaled in the silo with plasic walls, a sheet metal plate must be attached to the exterior of the silo as a couters elctrode. The plate can be in square or round shape.
The dimentions of the plate are:
- approximately square of 500 mm (19.7 in) each side or round ⌀500 mm (19.7 in) for thin wall with low dielectric constant
- approximately square of 700 mm (27.6 in) each side or round ⌀700 mm (27.6 in) for thick wall with high dielectric constant

- Electrical HF field
- Sheet metal plate
- Ground connection
Installing the probe in an event of buildup
The buildup on the probe’s rod can cause distortions in the measurement result. Set the function of an active buildup compensation. Cleaning of the probe’s rod is not necessary.

Probe length and minimum coverage
For probe length tolerances, see TI01556F.
- To ensure problem-free operation, it is important that the difference in capacitance between the covered and uncovered parts of the probe is at least 5 pF.
- If you do not know the dielectric constant of the material, contact the E+H service.

Pay attention to the dependency between the relative dielectric constant εr and the minimum amount the probe rod that needs to be covered.
Minimum lenght of the probe rod (Lmin) that needs to be covered
- 25 mm (0.98 in) for electrically conductive product
- 100 mm (3.94 in) for nonconductive product εr > 10 nF/m
- 200 mm (7.87 in) for nonconductive product εr > 5 to 10 nF/m
- 500 mm (19.7 in) for nonconductive product εr > 2 to 5 nF/m
Installation instructions
NOTICE
Do not damage the probe insulation during installation!
- Check the rod insulation.
NOTICE
Do not screw the probe using the probe housing!
- Use an open-end wrench to screw the probe

Aligning the housing
The housing can be rotated 270 ° to align the cable entry. To prevent moisture penetration, route the connecting cable downwards in front of the cable gland and secure it with a cable tie. This is particularly recommended for outdoor mounting.
- Loosen the clamping screw.

- Align the housing into the needed position.

- Tighten the clamping screw with torque < 1 Nm (0.74 lbf ft).

Electrical connection
Before connecting the power supply, note the following:
the supply voltage must match the data specified on the nameplate
- switch off the supply voltage before connecting the device
- connect the potential equalization to the ground terminal on the sensor
When using the probe in hazardous areas, the relevant national standards and the information in the safety instructions (XA) must be observed. Use the specified cable gland only
Connecting requirements
Potential equalization
DANGER
Risk of explosion!
- Connect the cable screen on the sensor side only if installing the probe in Ex areas!
Cable specification
Connect the electronic inserts by using commercially available instrument cables. If a potential equalization is present, and the shielded instrument cables are used, connect the shielding on both sides to optimize the shielding effect.

A Cable entry
B Electronic insert connections: cable size max. 2.5 mm2 (14 AWG)
C The ground connection outside the housing, cable size max. 4 mm2 (12 AWG)
⌀d Cable diameter
Cable entries
- Nickel-plated brass: ⌀d = 7 to 10.5 mm (0.28 to 0.41 in)
- Synthetic material: ⌀d = 5 to 10 mm (0.2 to 0.38 in)
- Stainless steel: ⌀d = 7 to 12 mm (0.28 to 0.47 in)
Connector
For the version with a connector M12, the housing does not have to be opened for connecting the signal line
PIN assignment for M12 connector

- Positive potential
- Not used
- Negative potential
- Ground
Cable entry
Cable gland
M20x1.5 for Ex d only cable entry M20
Two cable glands are included in scope of delivery.
Cable entry
- G½
- NPT½
- NPT¾
Wiring and connecting
Connection compartment
Depending on explosion protection, the connection compartment is available in the following variants:
Standard protection, Ex ia protection
- polyester housing F16
- stainless steel housing F15
- aluminum housing F17
- aluminum housing F13 with gas-tight process seal
- aluminum housing T13, with the separate connection compartment
Ex d protection, Gas-tight process seal
- aluminum housing F13 with gas-tight process seal
- aluminum housing T13, with the separate connection compartment
Connecting the electronic insert to the power supply:
- Unscrew the housing cover.
- Remove the housing cover.
- Release the cable gland.
- Insert the cable.
Connecting the electronic insert to the power supply mounted in the housing T13:

- Unscrew the housing cover.
- Remove the housing cover.
- Release the cable gland.
- Insert the cable.
Connecting the measuring device
Possible measuring devices:
- 2-wire AC electronic insert FEI51
- DC PNP electronic insert FEI52
- 3-wire electronic insert FEI53
- AC and DC with relay output electronic insert FEI54
- SIL2 / SIL3 electronic insert FEI55
- PFM electronic insert FEI57S
- NAMUR electronic insert FEI58
See Operating Instructions → 2
Commissioning
Installation and function check
See Operating Instructions→ 2
Switching on the measuring device
To switch on the measuring device and set the electronic insert, see Operating Instructions→ 2, chapter “Commissioning”.






















