JBC TRA245-B Automatic Soldering Irons Automation Instruction Manual
Packing List
The following items are included:
Soldering Iron
for Automation: 1 unit
Ref. TRA245-B: Works with R245 cartridges
Ref. TRA470-B: Works with R470 cartridges
Manual: 1 unit
Ref. 0024884
Assembly
- Assemble the SFR-B and the appropriate GSFR Guide Tube to the TRA-B as described on SFR-B instructions manual.
- Adjust the Guide position in angle, height and length, then tighten the bolt to lock your settings.
- Adjust the Soldering Head angle for your application using the indicated bolt.
- Adjust the Guide Arm position for your application using the indicated bolt.

Not included, sold separately
Connections
A Air tube connection: Close arm to soldering position.
B Air tube connection: Open arm to service position.
C Air tube connection: Close Grippers.
D Air tube connection: Open Grippers
Gripper Actuator | |
| Fluid | Air |
| Applicable tubing | Ø4mm |
| Operating pressure | 1,5 to 7 bar 20 to 100 ps |
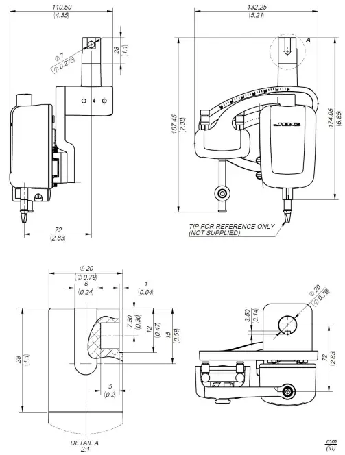
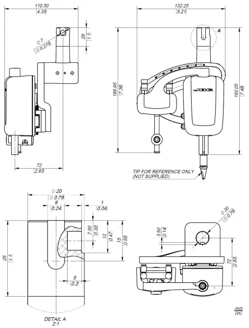
Dimensions
TRA245-B
TRA470-B
Inserting Cartridges

The Automatic Soldering Iron for TRA is directed towards the cartridge. Once in position its opening valve must be activated.
JBC recommends bi-stable valves to prevent the cartridges from falling out in case of an emergency stop or power cut.
When using the Automatic Cartridge Stand CS2R, make sure the grippers are open and the cartridge is free to move before the Soldering Head pulls or makes any movement.
Compatibility
| Soldering Irons | Cartridge Range | Control Unit | Cartridge Stand | |||
| R245 | R470 | UCR245 | UCR470 | CS2R245 | CS2R470 | |
| TRA245 |
|
|
| |||
| TRA470 |
|
|
| |||
Components of the Soldering Unit

Maintenance
- Before carrying out maintenance, always unplug the tool.
- Use a damp cloth to clean the tool. Alcohol can only be used to clean the metal parts.
- Periodically check that the metal parts of the tool are clean so the control unit can detect the tool status.
- Periodically check all cables and tube connections.
- Maintain tip surface clean and tinned prior to storage in order to avoid tip oxidation. Rusty and dirty surfaces reduce heat transfer to the solder joint.
- Replace any defective or damaged pieces. Use original JBC spare parts only.
- Repairs should only be performed by a JBC authorized technical service.
- Under normal operating conditions, the air gripper lifespan is 10 million cycles. It is recommended to replace it at the end of its lifespan.
Safety
It is imperative to follow safety guidelines to prevent electric shock, injury, fire or explosion.
- Do not use the soldering iron for any purpose other than soldering or rework. Incorrect use may cause fire.
- The temperature of accessible surfaces may remain high after the unit is turned off. Handle with care.
- Do not leave the appliance unattended when it is on.
- Be sure that the power supply is disconnected before changing any spare part.
- Allow the cartridges to cool down before changing them.
- Heat can cause inflammable products to ignite even when not visible.
- Avoid flux coming into contact with skin or eyes to prevent irritation.
- Be careful with the fumes produced when soldering.
- Keep your workplace clean and tidy. Wear appropriate protection glasses and gloves when working to avoid personal harm.
- Utmost care must be taken with liquid tin waste which can cause burns.
Specifications
TRA245-B
Unit Dimension / Weight: 132 x 187 x 110 mm / 715 g (L x W x H) 5.21 x 7.38 x 4.35 in / 1,575 lb
Total Package Dimensions / Weight: 220 x 135 x 125 mm / 821 g (L x W x H) 8.66 x 5.31 x 4.92 in / 1.810 lb
TRA470-B
– Unit Dimension / Weight: 132 x 190 x 110 mm / 720 g (L x W x H) 5.21 x 7.48 x 4.35 in / 1,587 lb
Total Package Dimensions / Weight: 220 x 213 x 160 mm / 826 g (L x W x H) 8.66 x 8.39 x 6.3 in / 1.821 lb
Operating pressure: 1.5 to 7 bar / 20 to 100 psi
Complies with CE standards.
ESD protected.
Warranty
JBC’s 2 year warranty covers this equipment against all manufacturing defects, including the replacement of defective parts and labor.
Warranty does not cover product wear or misuse. In order for the warranty to be valid, equipment must be returned, postage paid, to the dealer where it was purchased.
This product should not be thrown in the garbage.
In accordance with the European directive 2012/19/EU, electronic equipment at the end of its life must be collected and returned to an authorized recycling facility.



















