INSTRUCTIONS MANUAL
CLM-400 Laminating Dough Roller

LAMINATING DOUGH ROLLER – SKYFOOD
CLM-400
Introduction
1.1 Safety
When incorrectly used this equipment is a potent ally DANGEROUS machine. Maintenance, cleaning, or any other service shall be performed by a duly trained person and with the machine unplugged.
To avoid accidents respect the following instruc ons:
1.1.1 Read all the instrucons.
1.1.2 In order to avoid the risk of electric shocks and damage to the machine, never operate it wearing wet clothes or shoes, install the equipment on a wet or humid surface nor dip it in water or any other liquid, and do not spray water directly on it.
1.1.3 The use of the equipment must always be supervised, specially when used next to children.
1.1.4 Before cleaning and when not in use or before inserting or removing accessories, maintenance, or other services, disconnect the machine from the power source.
1.1.5 Do not leave the electric cable on the edge of the table or counter nor let it touch hot surfaces.
1.1.6 Do not use the equipment if it is not working correctly, nor if it has been damaged in any way. In case that happens, take the equipment to the nearest Technical Assistance
to check it up.
1.1.7 The use of accessories not recommended by the manufacturer may cause personal injuries.
1.1.8 Keep your hands or any tool out of the machine while operating to avoid personal injuries or any damage to the equipment.
1.1.9 Make sure the equipment voltage and the network voltage are the same, and the equipment has been solidly grounded.
IMPORTANT
Make sure the cord is in perfect condition for use. If it is not, change it for a new one in accordance with the technical specifica ons and safety rules. The subsite shall be made by a qualified professional and shall respect the local safety norms.
IMPORTANT
This equipment must not be used by children or any persons with reduced physical or mental aptness, lack of experience, or knowledge, unless they are under supervision or have received from the person responsible for safety, proper instructions on how to use the equipment.
IMPORTANT
Children shall be watched in order to avoid them to play with the equipment.
IMPORTANT
In case of emergency take off the plug from its socket.
IMPORTANT
Never spray water directly onto the equipment.
1.2 Main Components
All the components of this machine are made with materials sensibly selected to suit their functions, according to test standards and also SKYFOOD’s knowhow.

| 01 – Upper Protection Cover 02 – Feeding Tray 03 – Emergency Buon 04 – Base 05 – ON/OFF Switch | 06 – Feets 07 – Table 08 – Easel 09 – Thickness Regulator 10 – Regulation Handle |
1.3 Technical Characteristics
TABLE 01
| CHARACTERISTICS | UNIT | CLM-400 |
| Voltage | V | 110/220 |
| Electric Current | A | 18,7 |
| Frequency | Hz | 50/60 (*) |
| Power Rating | HP | 1 |
| Consumption | kW.h | 0,8 |
| Height | inches | 19 3/4″ |
| Width | inches | 19 1/2″ |
| Depth | inches | 21 7/8″ |
| Net Weight | kg | 192 |
| Gross Weight | kg | 278 |
| Maximum Load | Kg | 15 |
(*) Frequency and voltage will be only the ones indicated on the motor characters label.
| MODEL | MAXIMUM LOAD |
| CLM-400L | 7 kg dough |
| CLM-400LC | 7 kg dough |
Installation and Pre Operation
2.1 Installation
The Dough Rollers model CLM-400 and CLM-400L are to be installed onto a leveled surface, preferably about 850 mm above floor.
Models CLM-400C and CLM-400LC have easels and do not require benches.
If necessary adjust the adjustable feet un l to have reached stability.
Before plugging in the machine check the voltage of the power supply: 110 or 220 V. The machine voltage selector switch is found inside the Base, to reach it remove the rubber
plug beside the cord, place it back, and adjust it. The voltage shall be the same as the power supply voltage. Grounding is mandatory.
2.2 Pre Operation
IMPORTANT
Under no circumstances use the machine if its protections are not properly fied and never clean the rollers with the machine plugged in.
First of all check if the Dough Roller is firm in its position. Prior to use, clean the rollers with a dry cloth and a plastic spatula if necessary. Be sure the Emergency Buon is released and the Upper Protec on Cover is closed.

2.3 Feeding Procedures
The Roller model CLM-400L brings a safety system that prevents fingers from touching the rolls when feeding the machine turned ON. Therefore, the machine will only work if the mentioned roll protection is turned down. To feed the Roller, the product to be laminated must be placed onto the guer and guided until it is pulled by the rolls when the machine is turned on.
IMPORTANT
Under no circumstances remove any dough residue from between the rollers with your hands.

Operation
3.1 Starting
IMPORTANT
Wait for the complete stop of the rollers before removing the protections. Do not place any objects like knives, spoons, and others on the receiving tray with the machine switched ON.
Be sure prior to use that the protections are properly fied. To start the machine use the ON/OFF Switch located on the Base.
The Dough Rollers CLM-400/L are machines equipped with protections to avoid the operator’s access to the rotating parts of the machine.
The Upper Protec on the Cover when lied, automa cally switches OFF the machine. The emergency bu on Cuando triggered, and also disconnect the equipment. To unlock the emergency button just pulls it.
IMPORTANT
Do not use the emergency button to switch the Dough Roller ON and OFF, only use the ON/OFF switch.
3.2 Dough Thickness Regulation
To control the dough thickness turn the thickness Regula on the Handle un l desired thickness is reached, by watching the Thickness Indicator.

3.3 Cleaning
IMPORTANT.
Remove the plug from its socket before starting cleaning. Before removing the oil make sure it is cooled out.
All the parts in contact with food must be cleaned. Before cleaning unplug the machine from the power supply.
3.3.1 Clean all the parts that are in contact with the dough with a dry cloth.
3.3.2 Never use objects like knives, forks, and others to remove residues from the rollers.
Use a plastic spatula for such removal and cleaning.
Clean the external structure of the machine with a damp clean cloth
IMPORTANT
This machine cannot be immersed in water or any other kind of liquid in order to be cleaned.
IMPORTANT
Do not spray water directly on the equipment
3.4 Cautions with Stainless Steel
The Stainless Steel may present rust signs, which ARE ALWAYS CAUSED BY EXTERNAL AGENTS, especially when the cleaning or sanitizing is not constant and appropriate.
The Stainless Steel resistance towards corrosion is mainly due to the presence of chrome, which in contact with oxygen allows the format of a very thin protective coat. This
protects ve coat is formed through the whole surface of the steel, blocking the action of external corrosive agents. When the protective coat is broken, the corrosion process begins, being possible to avoid it by means of constant and adequate cleaning. Cleaning must always be done immediately are using the equipment. For such end, use water, neutral soap, or detergent, and clean the equipment with a cloth or a nylon sponge. Then rinse it with plain running water, and dry immediately with a so cloth, this way avoiding humidity on surfaces and especially on gaps. The rinsing and drying processes are extremely important to prevent stains and corrosion from arising.
IMPORTANT
Acid solutions, salty solutions, disinfectants, and some sterilizing solutions (hypochlorites, tetravalent ammonia salts, iodine compounds, nitric acid, and others), must be AVOIDED, once it cannot remain for long in contact with the stainless steel.
These substances ack the stainless steel due to the CHLORINE in its composition, causing corrosion spots (ping). Even detergents used in domestic cleaning must not remain in contact with the stainless steel longer than necessary, being mandatory to remove it with plain water and then dry the surface completely.
Use of abrasives:
Sponges or steel wool and carbon steel brushes, besides scratching the surface and compromising the stainless steel protection, leave parcels that rust and react to contaminate
the stainless steel. That is why such products must not be used for cleaning and sanitation. Scrapings made with sharp instruments or similar must also be avoided.
Main substances that cause stainless steel corrosion:
Dust, grease, acid solutions such as vinegar, fruit juices, etc., saltern solution (brine), blood, detergents (except for the neutral ones), common steel parcels, the residue of sponges or common steel wool, and also other abrasives.
General Safety Practices
IMPORTANT
If any recommendation is not applicable to your equipment, please ignore it.
The following safety instructions are addressed to both the operator of the machine as well as the person in charge of maintenance. The machine has to be delivered only in perfect condition of use by the Distributor to the user. The user shall operate the machine only after being well acquainted with the safety procedures described in the present manual.
READ THIS MANUAL WITH ATTENTION.
4.1 Basic Operation Procedures
4.1.1 Dangers
Some areas of the electric device have parts that are connected or have parts connected to high voltage. These parts when touched may cause severe electrical shocks or even be
lethal. Never touch manual commands such as switches, buttons, turning keys, and knobs with your hands wearing wet clothes and/or wet shoes. By not following these instructions the operator could be exposed to severe electrical shocks or even to a lethal situation.
4.1.2 Warnings
- The operator has to be well familiar with the position of ON/OFF Switch to make sure the Switch is easy to be reached when necessary.
- Before any kind of maintenance, physically remove the plug from the socket.
- Provide space for a comfortable operation thus avoiding accidents.
- Water or oil spilled on the floor will turn it slippery and dangerous. Make sure the floor is clean and dry.
- Before using any commands (switch, burns, lever), be sure it is the correct one. In case of doubt, consult this manual.
- Never touch any manual commands (switch, burns, lever) unadvisedly.
- If any work is to be made by two or more persons, coordination signs will have to be given for each opera on a step. Every step of the opera shall be taken only if a sign has
been made and responded to.
4.1.3 Advices

- In case of power shortage, immediately switch the machine off.
- Use recommended or equivalent lubricants, oils, or greases.
- Avoid mechanical shocks, once they may cause damage or bad functioning.
- Avoid water, dirt, or dust contact with the mechanical and electrical components of the machine.
- DO NOT change the standard characteristics of the machine.
- DO NOT remove, tear off or maculate any safety or idenfica on labels stuck on the machine. If any labels have been removed or are no longer legible, contact your nearest
dealer for replacement.
4.2 Safety Procedures and Notes before Switching the Machine ON
IMPORTANT
Carefully read ALL INSTRUCTIONS of this manual before turning the machine ON.
Be sure to well understand all the information contained in this manual. If you have any ques on contact your supervisor or your nearest Dealer.
4.2.1 Danger
An electric cable or electric wire with a damaged jacket or bad insulation might cause electrical shocks as well as an electrical leak. Before use, check the conditions of all wires and cables.
4.2.2 Advices
Be sure to well understand all the information contained in this manual. Every operation function or procedure has to be thoroughly clear. Before using any commands (switch, buttons, lever), be sure it is the correct one. In case of doubt, consult this manual.
4.2.3 Precautions
The electric cable has to be compatible with the power required by the machine. Cables touching the floor or close to the machine need to be protected against short circuits.
The oil reservoirs have to be filled until the indicated level. Check and refill if necessary.
OBSERVATION
For your own safety read all the machine stickers.
4.3 Routine Inspection
4.3.1 Advice
When checking the tension of the belts or chains, DO NOT insert your fingers between the belts and the pulleys and nor between the chain and the gears.
4.3.2 Precautions
Check the motor and sliding or turning parts of the machine in case of abnormal noises. Check the tension of the belts and chains and replace the set when belts or chains show signs of wearing. When checking the tension of belts or chains DO NOT insert your fingers between belts and pulleys, nor between the chains and gears. Check protections and safety devices to make sure they are working properly.
4.4 Operation
4.4.1 Warnings
Do not use the machine with long hair that could touch any part of the machine. This might lead to a serious accident. Tie your hair up well and/or cover it with a scarf. Only trained or skilled personnel shall operate this machine. Never touch turning parts with your hands or any other way, NEVER operate the machine without any original safety devices under perfect conditions.
4.5 After Finishing The Work
4.5.1 Precautions
Always TURN THE MACHINE OFF before cleaning by removing the plug from the socket. Never clean the machine unless it has come to a complete stop. Put all the components back in their functional positions before turning the machine ON again. Check the level of oil. Do NOT insert your fingers in between belts and pulleys nor chains and gears.
4.6 Maintenance
4.6.1 Danger
Any maintenance with the machine in working situation is dangerous. TURN IT OFF BY PULLING THE PLUG OFF THE SOCKET DURING MAINTENANCE.
IMPORTANT
Always remove the plug from the socket in any emergency situation.
4.7 Warning
Electrical or mechanical maintenance has to be undertaken by qualified personnel. The person in charge of maintenance has to be sure that the machine is under TOTAL SAFETY conditions when working.
Analysis and Problem Solving
5.1 Problems, Causes, and Solutions
The electric fryers have been designed to require minimum maintenance. However, some performance failures may happen due to natural wearing caused by the use of the
equipment.
If any problem arises check table – 03 below, where there are some detailed and recommended possible solutions.
TABLE 03
| PROBLEM | CAUSE | SOLUTION |
| – The equipment does not start. | – Energy shortage; – Problem with the electric circuit; – Electric Element and or thermostat burned. | – Check energy supply; – Call Technical Assistance; – Call Technical Assistance. |
| – Oil boils in an exaggerated manner. | – Defective thermostat. | – Call Technical Assistance. |
Observed Norms
The norms observed for the development of this equipment and the production of this manual are:
BRAZILIAN ABNT NBR NORM NM 60335-1
IEC 60335-2-37
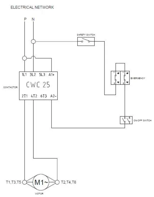
Electric Diagram

SKYFOOD EQUIPMENT LLC SERVICE
For questions or assistance call SKY FOOD EQUIPMENT Toll-Free: 14300.503-7534, or visit the Customer Service section at www.skvfood.us
SKYFOOD’S LIMITED WARRANTY
Unless otherwise specified. new SKYF000 products, excluding accessories, solo by SKYFOOD EQUIPMENT, LW. (‘SKYFOOD’), for use tiny in the congenital United States (collectedly, “Products’ singularly. Produce), are warranted to be free from defects in materials and workmanship for a period of one (1) year from the date of purchase by the Original purchaser user (find Vier), or eighteen (1E1) months from the date of shipment from SKYFOOD’s warehouse, vihiawsver expires first Several new products and accessories may be warranted for a period ether than one (1) year while others may be subject to travel Irritations; as specified on the products Instruction Manual Proof of purchase must be presented; if not this warranty will be VOID. No warranty is given or Imp: sect te a subsequent transferee or any other third party. This warranty is inputs/4 cond-gtional upon SKYF000 being notified ci any defects in materiae or workmanship within five (5) days of its occurrence, within the warranted time period. If a notice of a claim under this warranty is timely made by the End User, SKY FOOD or SKYFOOD’s designated service company (‘Service C.ompenn, will repair or replace the Product at SKYFOOD’s discretion subject to the additional conditions hereinafter described.
Tive warranty shaft does not apply t damage occurs from Improper Installation or maintenance performed by an unauthorized service company {‘Service Company’), wrong voltage, nor to the extent that Products or parts have been used other than In conformance with operating and maintenance instructions, subjected to misuse or abuse or damaged by accident. acts of God, abnormal use, stress, or wry other matter unrelated b SKY FOOD, and beyond its reasonable control This warranty does NOT cover service labor and travel to perform adjustments on products and/or accessories In addition to wear and tear of certain terms, such as but not landed lo; glass parts, blades, stones, chopper cuttirc knives, plates, slick.,” knives. cutting disc. gaskets, and oil changes. seating tape, heat seat zones, worm gears, and self-lubricating bushings. carbon brushes for electric motors and other parts expendable by nature and that need to be replaced frequently Electrical components are subject to natural wear and tear, and are NOT covered by this warranty, THIS WARRANTY EXCLUDES ALL ORAL, STATUTORY, EXPRESS OR IMPLIED WARRANTIES WHICH MAY BE APPLICABLE TO SKYFO00, INCLUDING, BUT NOT LIMITED TO, ANY IMPLIED WARRANTY OF MERCHANTABILITY AND FITNESS FOR PARTICULAR PURPOSE under no circumstances shall SKYF000 be liable for loss of use, revenue or profit cr for incidental or consequential damages SKY FOOD shall under no cscurrstances be liable for any loss, damage, concealed damage expense or delay of goods for any reason when said goods are in the custody, possession or control of third parties selected by SKY FOOD to forward, enter, clear, transport, or render other services wan respect to such goods The sole and exclusive remedy for breach of any warranty is limited to the remedies provided in the paragraph above
All products are held at icon-ozrnmeicial facelifts or domiciles. must be taken of shipped, strong charges prepaid, either to SKYFOOD’s fealty or VKYFOOD’s designated service company (“Service Company’). Products held at cornmarket facilities and weighing less than seventy (70) lbs must be taken or shipped, shipping charges are prepaid, either to SICYFOOCrs facility a to a Service Company Mileage a travel time Wii NOT be paid SKYF000 offers a larded imitate warranty for products ONLY held at commercial facilities, whose net weight exceeds seventy (70) lbs.. provided they are installed in a location that is within a thirty 130) mile radius of a Service Company End Users are responsible for all extra travel and mileage rates. In this case, warranty services will be provided during regular business hours
This product will be replaced or repaired under warranty, for a period of 11) years. beginning from the date of purchase by the original purchaser/user (“End User’), or eighteen (18) months from the date of shipment from SKYFOOD’s warehouse, whichever expires first.
Accessories work be replaced or repaired under warranty, for a period of (30) days, beginning from the date of purchase by the caged purchaser user (‘End User), or eighteen (18) mantis from the date of shipment from SKYFOOD’s warehouse, whichever expires first
The warranty shall not take effect until a properly completed and executed WARRANTY REGISTRATION form has been received by SKY FOOD EQUIPMENT tic within thirty (30) days from the date c4 purchase. The WARRANTY REGISTRATION is available either in the Instruction Manual of every Product or at the SICYFOODs website whiny sky load us The End User mist III out the WARRANTY REGISTRATION form and it to SKY FOOD according to the instructions posted on the referred website. Failure to do so will VOID the warranty No extended warranties for third-party products. There are no other express warranties or conditions other than the one offered by each manufacturer for products sold by SKY FOOD, not under the SKYFOOD brand.
For Quenon* or assistance, do not return the product or accessories to the store, please call Toll Free 1-800-503.7534, or visit the Customer Service section at www.skylood.us. For faster service please have the term name and serial number. and proof of purchase for the tie operator to assist you
SKYFOOD reserves the right to change the terms of its limited warranty at any time without any prior notice. It also reserves the right to change the design and specifications of Its equipment or any related documentation at any time The end user is not entitled to upgrades or refunds resulting from these changes
Updates nese Terms and Conditions were last .ccated o- May 2 21:116
Warranty Registration 
Questions about how to complete this form?
Call 1-800-503-7534 / 305-868-1603
Return the completed form to:
SKYFOOD EQUIPMENT LLC
11900 Biscayne Blvd. Suite 616
North Miami, FL 33181 – USA
Or fax form
to: 305-866-2704
User Details
* Contact Person:
* Business type:
| ❑ Bakery and Bagel Operations ❑ Bakery (Associated with Restaurant) ❑ Bowling Center ❑ Business and Industry In-House Feeding ❑ Butcher ❑ Catering ❑ Club Stores ❑ Convenience Store ❑ Country Club ❑ Delicatessen (Chain / Restaurant) ❑ Delicatessen (Independent and Non-Restaurant) ❑ Food Store ❑ Government ❑ Hospital ❑ Lodging | ❑ Mass Merchandiser with Grocery ❑ Mass Merchandiser with NO Grocery ❑ Meat Packer and Purveyor ❑ Other Business that prepares or serves food ❑ Other Business that sells but doesn’t serve food ❑ Pizza (Dine In / Carry Out) ❑ Restaurants (Independent / Chain) ❑ School ❑ Stadiums / Coliseum ❑ Supermarket / Grocery ❑ Theme Park ❑ University/College ❑ Vineyard / Winery ❑ Warehouse Clubs ❑ Wholesale Baking Operation (Non-Institutional) |
* Company Name:…………
* Address:………………..
* City:………………
* State:………………..
* Phone:……………….
Fax:……………………
* Zip Code:……………
** E-mail: Web page:………….
❑ I would like to join the Mail List.
❑ I would like to join the E-mail List.
Product Details
* Product Commercial Item:
The Product Commercial Item can be found on the machine’s Product Identification label. * Serial Number: * Confirm Serial Number:
This information, the Product Serial Number, can also be found on the machine’s Product Identification Label.
* Proof of Purchase: ❑ Yes ❑ No *Purchased On:…….. I…………. I (mm/dd/yyyy)
* Purchased From:
Company Name
* Indicates required field.
** Indicates required field, riot mandatory by Fax.
Skyfood Equipament LLC
OFFICE 11900 Biscayne Blvd. Suite 616 – North Miami, FL 33181 – USA
1-800-503-7534 I 305-868-1603
UG0207 – ENGLISH
Data de Correcao: 14/07/2020
– BESIDES THIS EQUIPMENT, A COMPLETE RANGE OF OTHER PRODUCTS ARE MANUFACTURED, CONSULT OUR DEALERS THE INFORMATION CONTAINED IN THE PRESENT INSTRUCTION MANUAL MAY BE MODIFIED WITHOUT PREVIOUS NOTICE.


















