HZY-8Z Transport Cooler
User Manual 

- Please read this manual carefully before using it.
- Our company reserves the right to interpret the operation manual.
- The appearance of the product is subject to the material object.
- Please keep it properly with the invoice after reading it.
- This product is subject to technology or software upgrade without further notice.
- Translation of the original instruction.
Safety Precautions
Dear users:
Thank you for use of Transport Cooler. For a better understanding of this operating manual and use of this product, and for preventing personal injury and damage to articles, please read the manual carefully and observe the contents marked with the following signs in this manual.
Under all conditions marked with “
, it is necessary to refer to the documentation, so as to clarify the nature of potential risks and any countermeasures that must be taken.
Warning Failure to observe the matters under the warning signs may cause serious casualty accidents.
Warning Failure to observe the matters under caution signs may cause casualties or freezer damage and associated property loss.
Close down the gas leaking valve and open the door and windows for ventilation in case of leakage of inflammable gas like coal gas, etc., and do not plug or pull out the power plug of the Transport cooler. Otherwise, it may trigger an explosion and fire.
Make sure to place the Transport cooler firmly on solid and flat ground. If the ground is not stable or it is not properly placed, it may cause overturn of the Transport cooler or personal injury.
Please use the dedicated power supply indicated on the nameplate of the freezer. Otherwise, it may cause a fire or electric shock.
If the service voltage is lower than 198V or higher than 242V, it is required to additionally install an automatic manostat suitable for electromotor load.
If it is required to lengthen the power cord, the section area of the lengthened cord must not be less than 2mm and the length shall not be longer than 3m. Otherwise, a fire or electric shock may possibly be caused.
The power cord of this refrigerator is provided with a three-wire (grounding wire) plug, complying with the standard 10A three-wire (grounding wire) socket. Never cut or remove the grounding plug foot of the power cord in any case. Make sure that the power plug and socket is inserted tightly and reliably. Otherwise, it may result in a fire hazard.
Please use a power supply socket with a grounding wire for fear of electric shock.
If the power socket is not grounded, make sure that the grounding wire will be installed by a professional technician.
Do not use the Transport cooler in the open air. When the refrigerator gets wet in the rainwater, leakage of electricity or electric shock may possibly be caused.
Do not place the Transport cooler in a damp site or a place where it may be vulnerable to sprayed water. Otherwise, leakage of electricity or electric shock may be caused due to degeneration of its insulation.
Do not pour water onto the Transport cooler in a direction inclined way. Otherwise, it may cause an electric shock or a short circuit.
Do not place any vessel containing water or any heavy object on the Transport cooler. If the object falls off, it may possibly cause personal injury and the flowing water may degenerate the insulation and further cause leakage of electricity or electric shock.
Do not ground the Transport cooler via gas pipe, power supply conduit, telephone line or lightning rod. The abovementioned grounding connection may cause an electric shock or other dangers.
Do not contact any electric parts or any switches such as power plug and so forth with a wet hand. Otherwise, an electric shock may possibly be caused.
When pulling out a plug from the power socket, hold the power plug firmly but do not pull the wire of the power plug. If you pull the electric cord by hand,it may possibly cause an electric shock or lead to a fire due to short circuit.
If the Transport cooler runs out of order, please pull out the power plug. Continuous running in an abnormal condition may cause an electric shock or fire.
Users must not remove, repair or refit the Transport cooler by themselves. Otherwise, a fire or personal injury due to improper operation may possibly be caused.
Before conducting any repair or maintenance of the refrigerator, make sure to disconnect the power of the Transport cooler for fear of electric shock or personal injury.
Make sure not to suck in medicine or suspended particles inside and surrounding the Transport cooler in time of repair and maintenance. Otherwise, they may possibly bring hazards to your health.
When storing toxic, hazardous or radioactive articles, please use the Transport cooler in a safe zone. If used improperly, it may bring damage to physical health or the environment.
Pull the plug of the Transport cooler when it will be out of service for a long time, so as to prevent electric shock, leakage of electricity, or fire due to the aging of the power cord.
If the Transport cooler is left unused for a long time in an unattended area, make sure that children will not approach the Transport cooler and the box door cannot be closed completely.
Disposal of the discarded Transport cooler shall be conducted by relevant persons. This equipment contains reusable materials and shall be disposed of properly – not simply discarded with unclassified household waste. Appliances that are no longer to be used must be disposed of in a professional and appropriate manner in accordance with current local laws and regulations.
Do not store corrosive articles such as acid, alkali, etc. in the Transport cooler. Otherwise, it may cause damage to the internal components or electric parts of the Transport cooler.
Do not place the packed plastic bags at locations where children can easily take as plastic bags may possibly cause the occurrence of suffocation accidents.
Do not climb onto the Transport cooler or place articles on it. Otherwise, personal injury or damage of the Transport cooler may be caused due to the overturn of the Transport cooler.
Do not insert any metal objects like iron nails, or iron wire into any orifice and gap or any air vent used for internal air circulation of the Transport cooler. Otherwise, it may cause an electric shock or injury due to contact of the above objects with the moving parts.
When restarting the Transport cooler after a power failure or power-off, it is required to check the setting of the Transport cooler.
Change of settings may cause damage to the articles stored.
Put on your gloves at the time of maintenance so as not to bump the sharp edges or corners, which may result in personal injury.
When moving the Transport cooler, please be careful not to trip over it, preventing damage to the Transport cooler or casualties.
Do not use any electric appliance in the storeroom of the Transport cooler except for the types that the manufacturer recommended for use.
Precautions for Use
- Structure and composition: The product consists of an insulation cabinet, refrigeration system, control system (including alarm system), data recording system, and so on.
- When restarting the Transport cooler after it has not been used for a long time, the test battery may possibly be at a low level. After it is connected to the power supply, the lithium battery can be charged and it can be fully charged after the Transport cooler works for continuous 5 hours.
- The indicated temperature value of the Transport cooler is the value indicated at the temperature sensing probe inside the Transport cooler. Occasionally there is a certain difference between the indicated temperature and the actual temperature in the central part of the Transport cooler, but it will gradually approach the true temperature.
- Use the diluted neutral detergent to clean the refrigerator. Do not use brushes, acid, gasoline, soap powder, polishing powder or hot water to clean the Transport cooler as the above-mentioned materials may damage the painting surface as well as the plastic and rubber parts and components. Take particular care not to use volatile solvents such as gasoline to wipe plastic and rubber parts and components.
- Cut off the power of the Transport cooler when it will be out of service for a long time.
- Every time when putting in and taking out the articles, please try to reduce the door opening time so as not to cause relatively large fluctuations of the temperature and humidity inside the heating box.
- After the door is opened, the temperature inside the refrigerator will rise steeply in a short time. This is normal and the temperature will restore within one hour after the door is closed.
- A semiconductor is used in the transfer box for refrigeration. Compared with compressor refrigeration products, the cooling time is longer.
Product Features
Main use: The box inside temperature is controlled within a certain range for the temporary storage of articles by semiconductor refrigeration, which can be used for transshipment of blood, drugs, specimens, reagents, and other biological products.
- Temperature Control
• The storage temperature in the box can reach 2~6℃, and the transport temperature range is 2~10℃ during the temperature-keeping time.
• Computer board control, control and display dual sensors, temperature display accuracy of 0.1℃. - Safety System
• Multiple fault alarms (high-low temperature alarm, sensor fault alarm, and power-off alarm)
• Two modes of alarms (sound buzzer and display flicker alarm)
• The backup battery design allows real-time display of the temperature in the box even after power failure.
• Double lock structure at the door body can prevent the opening of the door body at will and ensure the safety of storage items. - Refrigeration System
• Semiconductor active refrigeration
• PCM cold storage material ensures zero freeze and long thermal insulation.
• Imported famous brand fans.
The above functions are not available for all models. The specific functions are subject to the equipment you purchase.
The Haier transport cooler you obtained is probably not exactly the same as that illustrated in the Operation Manual due to the continuous improvement of the product. We are sorry for this. Description Content of the user’s manual is subject to alternation without further notice.
Product installation
Installation environment
- Environmental temperature: 10 to 28 ℃ . Air conditioning system shall be used when necessary.
- Ambient humidity: below 85% RH.
- Avoid large quantities of dust.
- Avoid mechanical sway or vibration.
- The altitude of the Transport cooler’s working position: is lower than 2000m.
- Input voltage: supports 12V and 220V switching.
Caution
As the Transport cooler is sensitive to the environmental temperature, the Transport cooler cannot operate normally if it is installed in an environment other than the above-mentioned environment.
Please use it after improving the environment. - It is prohibited to install the Transport cooler in an open-air environment. When the Transport cooler gets wet in the rainwater, leakage of electricity or electric shock accidents may possibly be caused.
Installation place
For normal operation and optimum performance level of the Transport cooler, its installation place shall conform to the following conditions:
- It cannot be installed in a narrow, small, and airtight space. It shall at least be guaranteed that the product can be moved in/out normally so as to avoid any maintenance difficulty and failure. The failure of in-time repair may cause damage to the stored articles.
- The ground at the installation place shall be solid and flat.
- The place shall be well-ventilated without exposure to direct sunshine.
- Do not share a socket with other equipment, the plug and socket shall be firmly connected.
- Do not distort nor stress the power cord.
- If it is required to lengthen the power cord, the section area of the lengthened wire shall not be less than 2mm 2and the length shall not be longer than 3m.
- Check the operating voltage before use and consider using a manostat suitable for the electromotor load to stabilize the voltage at areas where the voltage is not stable.
- It shall be guaranteed that the Transport cooler is reliably grounded.
- If the power socket has a grounding wire, check if the grounding connection is good before use.
- If the socket is not equipped with a grounding wire, make sure that it will be installed by professional engineering technical personnel.
- It shall be away from the radiated area. Avoid the use of radiation-sensitive devices at its periphery.
Warning Do not ground the Transport cooler via gas piping, water supply pipe, telephone line or lightning rod, which may easily cause an electric shock.- After installation, the power plug must be accessible to pull the plug conveniently in emergency.No articles shall block out the air vent of the Transport cooler.
Pre-use preparation
- Take down all the packing material and packing straps: take down all the packing material and packing straps used for transportation.
- Check the accessories delivered with the product: Please check the articles inside the packing box as per the packing list, and contact the after-sale service in time in case of any discrepancy.
- Placement conditions: Select the appropriate distance according to the space size.
- Observation: after leveling and cleaning the body, switch on the power to ensure the normal operation of the Transport cooler.
Initial power-on
Please observe the following rules when conducting the initial start-up and continuous running:
Connect the power cord to the dedicated socket of proper specification when the cooler is empty.
This Transport cooler is preset to run at below 4 ±2℃ before factory delivery, so there is no need to set up the temperature.If you need to adjust the temperature, please contact professionals for operation.
The sound alarm will ring under overtemperature after power-on and this is normal. At this time, press any key (press the Function or Return key of the cold chain module), and the buzzer alarm sound will be canceled. If the alarm condition is not relieved after the default 30 minutes, the sound alarm will work again until the temperature sensor reaches the range of 2-10 ℃ .
The temperature can be stabilized within the set temperature range only after the Transport cooler has been running for a period of time.
Start putting articles gradually into the transport cooler after completing a thorough inspection of the Transport cooler.
- This product should be responsible by an especially assigned person who regularly checks the operation and keeps records to ensure the normal operation of the Transport cooler.
- It is strictly prohibited to put too many relatively overheated items in the Transport cooler at one time, which will cause a slow temperature drop.
- Inside the Transport cooler, do not use the electric appliance without production permission.
Operation after a power failure
The transport cooler has a memory function for the set value. When the power restores after failure, the transport cooler will continue to operate according to the set parameters before the last power failure.
Warning
- Pull out the power plug when the Transport cooler will be out of service for a long time so as to prevent electric shock, leakage of electricity or fire due to aging of the power cord.
- If the Transport cooler is left unused for a long time in an unattended area, make sure that children will not approach the freezer and its door cannot be closed completely.
Name of Parts & Control panel

Control panel
HZY-8Z
Method of Use
- Overtemperature alarm function
This product has an over-temperature alarm function. The upper limit of the high-temperature alarm defaults to 10°C, and the lower limit of the low-temperature alarm defaults to 2°C. When this range is exceeded, the buzzer alarm starts. At this time, press any key on the left screen to cancel the buzzer alarm sound (Press the “Function” or “Back” button on the right cold chain screen to cancel the buzzer). If the alarm condition is not relieved in time (the system defaults to 30 minutes), the buzzer will start again. - Adjust the set temperature
Long press the “Set” key for 10s and the temperature display window in the left box shows the “St”. Press the “Set” key again and it displays the setting temperature value. Press the “+” or “-” key to adjust setting temperature value. After completion and 10s no operation, the system saves the set temperature value, and automatically exits the main interface. - Power failure prompt function
After the power is cut off, the brightness of the temperature display window in the left box becomes dark, and at the same time, the temperature value on the left side will be displayed at a certain frequency (10 seconds On and 3 seconds Off), indicating that the product is in a power-off state. Please transport the product to the place where it is needed during the period of power cut and thermal insulation. - Backup Alarm & display: User Control
When the power is off, press the “set” and “add” buttons for 5 seconds at the same time, the left screen appears off, and the transport cooler will turn off. - Restore factory settings
This product does not need to adjust other parameters. If the parameters are confusing due to incorrect operation, please refer to the following operation mode to restore the factory settings.Press and hold the “+” button and the “-” button for the 20s, and the system parameters will be restored to the default value, and the temperature display window in the left box will display “CL”.
Maintenance
Warning
- In order to prevent an electric shock or casualties, please make sure to cut off the power of the Transport cooler before conducting any repair to the Transport cooler.
- Make sure not to inhale medicine or suspended particles around the storage box when maintaining the Transport cooler. Otherwise, there may be health risks.
- Clean transport cooler
• Clean the Transport cooler once a month. Regular cleaning can keep a completely new appearance of the Transport cooler.
• Use a piece of dry cloth to wipe off the small amount of dust accumulated on the Transport cooler’s housing and inner chamber and all the accessories as well. If the Transport cooler is very dirty, use a piece of cloth dipped with mild detergent to clean off the dirt, then use a piece of wet cloth to wipe the residual detergent, and wipe it with a dry piece of cloth.
• Do not pour water onto the Transport cooler enclosure or into the Transport cooler. Otherwise, damage to electrical insulation may result in faults.
• The compressor and other machinery parts are in a completely sealed state, so there is no need to lubricate them. - Stop using the Transport cooler
• Power off the Transport cooler if it will be out of service for a long time.
• Open the door of the Transport cooler and thoroughly clean the Transport cooler.
• After the Transport cooler is aired, close the door of the box and put the plastic bag on it for sealing storage.
Q&A
Any doubt in course of service?
Any doubt if any Transport cooler fault occurs?
Please look here first.
This chapter provides answers to a wide range of possible symptoms and corresponding solutions.
If the problems remain unsolved after the operation, please contact Haier for after-sale service.Please do not maintain and disassemble the Transport cooler by yourself.
| Fault | Troubleshooting scheme |
| The Transport cooler is not working | Check if the input power supply complies with the requirement. |
| Whether the plug and socket are in poor contact | |
| Whether the input and control line has any fault | |
| Whether the voltage is too low | |
| The Refrigerating effect is not obvious with temperature exceeding the standard | Whether excessive or overheated articles are stored |
| Whether there is a certain gap between the stored articles | |
| Whether there is direct sunlight or other radiation from a heat source | |
| Whether the door is opened frequently | |
| Whether the environmental temperature is too high? | |
| Whether the air duct is blocked | |
| Excessive noise | Whether the Transport cooler is stably placed |
| Whether any part of the box body contacts any foreign object or wall | |
| The noise indicated in the technical data is the average data measured at lm apart from the surface in a noise-free standard laboratory with the no articles stored in the Transport cooler on the rubber mattress and the Transport cooler runs steadily with the door closed, but excluding start-up and shut-down. In course of use, it is normal that there is a difference between the actual noise and the value indicated due to the effect of the articles stored, environment noise, unclosed door, etc. | |
| The buzzer gives an alarm. | Whether the articles are just stored or the temperature is not stabilized; it will be eliminated automatically after a period of cooling. |
| Whether it is the alarm of overtemperature as the door is not tightly dosed | |
| Whether the temperature exceeds the standard |
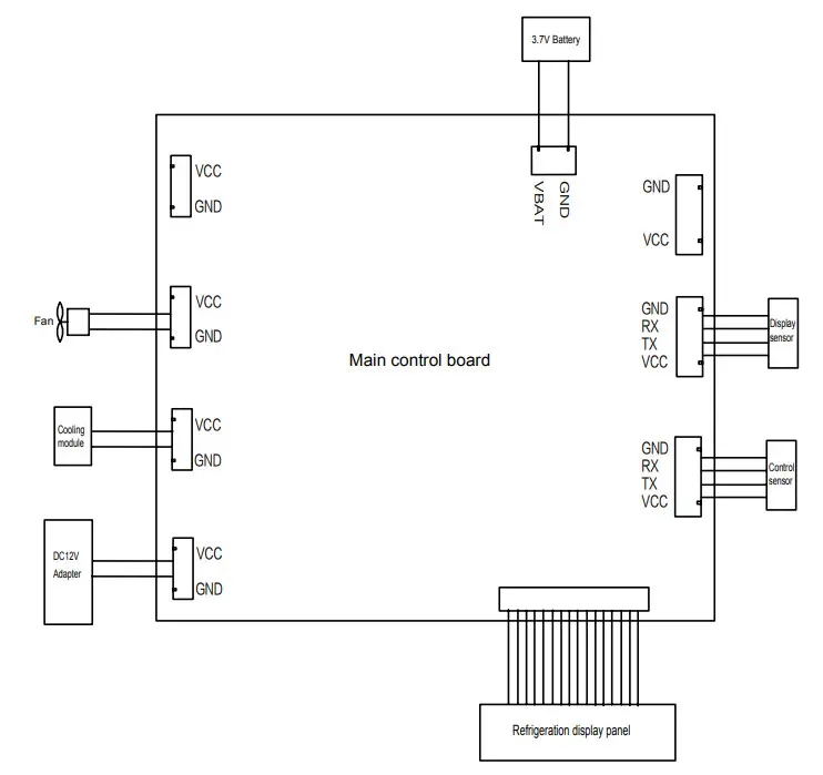
Wiring diagram

Specifications
| Name | Transport cooler |
| Model | HZY-8Z |
| External dimensions (WxDxH) (mm) | 300.265.260 |
| Internal dimensions (WxDxH) (mm) | 230x140x170 |
| Insulating material | High-density foam |
| Cooling mode | Semiconductor active refrigeration |
| Casingniner | ABS/aluminum plate |
| Temperature control mode | Computer control system |
| Net weight | 3.5kg |
| Range of temperature in storage transport | 2t -6t /2t -10t |
| Rated power supply | 220V (can be connected to 12V cigarette lighting plug) |
| Rated power | 60W |
| Alarm type | Overtemperature alarm, sensor fault alarm and power-off alarm |
| Power-off temperature keeping time | 2 hours (at 28°C environmental temperature with load) |
| Chargeable battery | Chargeable lithium battery |
| Production date/Software release version | See bar code on the case body |
Note: Our company pays attention to technological innovation. Products are subject to upgrade without further notice.
| Name | Transport cooler |
| Model | HZY-15Z |
| External dimensions (W x D x H) (mm) | 520x300x270 |
| Internal dimensions (Wx D x H) (mm) | 430x 150 x180 |
| Insulating material | Hard polyurethane foam |
| Cooling mode | Semiconductor active refrigeration |
| Casing/liner | ABS/aluminum plate |
| Temperature control mode | Computer control system |
| Net weight | 6kg |
| Range of temperature in storage/transport | 2t -6t /2t -10t |
| Rated power supply | 220V (can be connected to 12V cigarette lighting plug) |
| Rated power | 95W |
| Alarm type | Overtemperature alarm. sensor fault alarm and power off alarm |
| Power-off temperature keeping time | 2 hours (at 28°C environmental temperature with load) |
| Chargeable battery | Chargeable lithium battery |
| NFC clock-in function | None |
| Production date/Software release version | See the bar code on the case body |
Note: Our company pays attention to technological innovation. Products are subject to upgrade without further notice.
Packing list
| Name | HZY-8Z |
| Operating manual | 1 |
| Installation confirmation letter | 1 |
| Warranty certificate | 1 |
| Plastic bag | 1 |
| Power adapter | 1 |
| Name | HZY-15Z |
| Operating manual | 1 |
| Installation confirmation letter | 1 |
| Warranty certificate | 1 |
| Plastic bag | 1 |
| Power adapter | 1 |
Certificate of Quality
checker:
Manufacturer: Qingdao Haier Biomedical Co., Ltd.
Address: Haier Industrial Park, Economic Technology Development
Zone, Qingdao P.R. China
Web: www.haiermedical.com
Revision Date:09/2019
Version:1st,2019
Dedicated code:
V13026

















