AMPETRONIC T14-1Rail Transport Hearing Loop Drive

Box Contents
- 1 x T14-1 Driver
- T14-1 Quick Start guide
Applicable versions
- T14-1LH
- T14-1LW
- T14-1UH
- T14-1UW including the T14-1V VOIP audio option
Related Documents
- T14-1 2D Drawing (BC1A210 / BC1A410)
- T14-1 Protocol Guide (UP1A205)
- Testing Hearing Loops on Rail Vehicles (UP1A208)
- T14-1 Connector Pin-outs (UP5A201)
- T Series Drilling Template (UP4A201)
- T14-1LW 2D & Isometric Drawing (BE1A201)
- T14-1LW 3D STEP model (BE0A201)
- T14-1UH 2D & Isometric Drawing (BE1A601)
- T14-1UH 3D STEP model (BE0A601)
Further information can be obtained from the Ampetronic website or by contacting Ampetronic Support.
Tools and Equipment
Small hand tools including a wire stripper, small flat blade and pozi screwdrivers will be required.
A magnetic field strength meter, Loopworks Measure App & R1 Reciever, or at minimum an induction loop receiver is vital to check that the loop system is providing the desired level of performance.
This symbol is used to alert the user to important operating or maintenance instructions.
The Lightning bolt triangle is used to alert the user to the risk of electric shock or essential electrical safety instructions.
SAFETY
- It is important to read these instructions, and to follow them.
- Clean only with a dry cloth. Cleaning fluids may affect the equipment.
- Install in accordance with the manufacturer’s instructions.
- Do not install this equipment near any heat sources such as radiators, heating vents or other apparatus that ignificant heat and may cause the rated operating temperature to be exceeded.
- WARNING – THIS APPARATUS MUST BE RTHED / GROUNDED USING THE M6 STUD ON THE FRONT PANEL.
- Refer all servicing to qualified personnel. Servicing is required when the apparatus has been damaged in any way, such as a power supply cord or plug is damaged, liquid has been spilled or objects have fallen into the apparatus, the apparatus has been exposed to any rain or moisture, does not operate normally or has been dropped.
- WARNING – To reduce the risk of fire or electric shock, do not expose this apparatus to rain or moisture. The apparatus shall not be exposed to dripping or splashing and no objects filled with liquids shall be placed on the apparatus.
- WARNING – Connection to a 70V/100V line speaker system may involve the risk of electric shock and therefore must be carried out by an instructed or skilled person.
TO PREVENT ELECTRIC SHOCK DO NOT REMOVE THE COVER. THERE ARE NO USER SERVICEABLE PARTS INSIDE. REFER SERVICING TO QUALIFIED PERSONNEL
INTRODUCTION
The T14-1 hearing loop driver range has been designed as high quality digital, networkable single loop output drivers. The range includes models intended for use in rail or bus applications.
Depending on a number of factors regarding the installation of the loop and the set-up of the driver, the T14-1 range can provide compliance with IEC 60118-4 for appropriately specified loop installations.
Compliance to relevant Standards, reduced weight and heat generation have been major factors in the design, combined with optimised performance and the freedom from R.F.I. generation.
The T14-1 range has a Class D output stage which offers better than 60% increase in energy efficiency over previous solutions. The products feature WAGO or Harting connectors and use remote control and monitoring via a browser based control panel using standard network protocols; including HTTP, Telnet, email and SNMP.
All units feature high power outputs plus ample voltage headroom, making them suitable for any rail, tram or bus application.
The T14-1 range also features dual-slope metal loss compensation that caters for a wide range of metal loss frequency characteristics.
PHYSICAL INSTALLATION
The T14-1 has built-in mounting flanges on each side, with two M4 clear holes on each flange. It may be mounted using screws or on studs with nuts according to your installation design. Supporting information is available from the Ampetronic website to aid installation including:
- T14-1 Mounting Template (UP4A201)
- Mechanical General Arrangement (2D) (BC1A210, BC1A410)
- 3D model in STEP format (BE0A201, BE0A601)
The unit may be mounted in any orientation (sideways, horizontal or inverted) on a panel with suitable load-bearing capability.
It is recommended that the unit be mounted in such a way that:
- There is access to the mounting screws or studs to allow it to be securely mounted
- Anti-vibration measures are included in the mounting method (e.g. spring washers, thread lock)
- There is access to the front panel to allow connection/disconnection in case of maintenance
- The front panel LEDs can be viewed, and a USB memory device can be inserted and removed from the USB port
- If not on a permanent Ethernet network, an Ethernet cable can be temporarily connected to the M12 Ethernet connector for configuration and diagnostics if needed
Mounting accessories are available if required. These include mounting trays for 19” and 300mm rack systems. Other suitable and secure mounting brackets can be used to suit your installation environment.
ELECTRICAL INSTALLATION
Safety Earth Reference for electrical safety ground. ALWAYS connect the M6 earth stud to the vehicle chassis or earth reference using a suitable reliable connection method. This is required for safety and EMC compliance.
Note: in the Harting Power and Loop connectors, the ‘earth’ pin provided as part of the shell is not connected. Use the M6 Earth Stud for electrical safety earth connection.
Power: Depending on the version of the product, use the appropriate two pins:
- 24 V to 36 V DC (T14-1LW, T14-1LH) : use “0V” and “+V (LO)”
- 72 V to 110 V DC (T14-1UW, T14-UH): use “0V” and “+V (HI)”

Only the relevant +V power pin is connected in each unit version – if the other +V pin is inadvertently connected, no damage will be caused but the unit will not be powered.
Include MCB overcurrent protection in the supply circuit with minimum ratings as shown in section 12 of this document

Loop Output: Connect the two ends of the loop to the two pins of the connector.
Audio Inputs: Two balanced, transformer isolated audio inputs are available. Each audio input may be connected to a choice of source signal levels, depending on the application.
Audio Inputs: Two balanced, transformer isolated audio inputs are available. Each audio input may be connected to a choice of source signal levels, depending on the application

Connect each audio input source to 0V and one of 3V, 30V or 100V line (NB this is the ‘peak’ level of the connection). Do not connect to more than one input level in each input.
The inputs are ‘high impedance’ relative to a typical speaker load impedance at each signal level. This means that the T14-1 will not add additional load to the signal source (e.g. PA amplifier).
Where possible, do not route audio input and loop output cables close together and parallel. It is possible that system stability would be reduced.

Enable Inputs: Each input can be remotely enabled by 5 V to 24 V DC connected between the relevant enable input and enable ‘common’. This functionality can be enabled/disabled in the web browser control interface.
*See T14-1 Connector Pin-outs document for more detailed wiring information.
Status Output: An isolated relay contact is provided whichcan be connected to a monitoring system. The relay contacts are ‘NO’: closed when the unit is operating normally, and open when a fault is detected (including lack of power). The fault conditions indicated by the relay (and by other monitoring protocols) are configurable in the web browser control
interface.
Ethernet: The Ethernet interface is a 10/100 Mbps auto-sensing connection on a M12 D-coded 4-pin female connector, as used in industrial Ethernet networks. M12D to RJ45 cables are available if required for field programming when not part of a network.
*See T14-1 Connector Pin-outs document for more detailed wiring information.
LOOP REQUIREMENTS
The design and installation of the hearing loop cable installation should be undertaken according to specific design instructions and advice provided by Ampetronic for your particular project.
In general, to achieve correct operation, the total loop cable and feed connection resistance should be between 0.1 Ω and 0.9 Ω (at DC). If the loop resistance is higher than this, the T14-1 will still operate but may not deliver the full rated loop output current into the loop. In general, loop and feed impedance (at 1.6KHz) should be less than the voltage capability of the driver divided by the target current required to achieve field strength. Loop impedances above this may cause the CLIP indicator to illuminate. See troubleshooting section for advice on how to correct this and get your system.
If the total loop and feed cable resistance is outside the range 0.1 Ω to 10 Ω (at DC), the Error LED may illuminate at start up and the loop driver output may be disabled or de-rated. Loop and feed impedance (at 1.6KHz) should be less than the voltage capability of the driver divided by the target current required to achieve field strength. Higher impedance may cause the CLIP indicator to illuminate. See troubleshooting section for advice on how to correct this and get your system working.
The Ampetronic website and support team provide more details on loop and feed cables. The correct design and positioning of the actual loop is vital for satisfactory system performance and to achieve a system compliant with IEC 60118-4 (or local equivalent). If in doubt consult Ampetronic for advice.
OPERATIONS
Factory Settings: Unless a specific client configuration has been agreed, T14-1 loop drivers are supplied with the following default settings:
- Current: -10dB from full output
- Metal Loss Compensation (MLC): MLC off
- Input 1 & 2: “Always On”, Low Cut Filter Off, Attenuation: -20.0dB
- Input 3: “Always Off”, Low Cut Filter Off, Attenuation: -20.0dB
- Power Saving options: Sleep mode Off
- Driver Name: Not set
- Ethernet: Parameters Set by DHCP
- Status reporting / Protocols: Email Off (no address set), SNMP Off, Telnet Off
The T14-1 drivers have adjustments set in decibels (dB). A setting of 0dB equates to maximum current or to maximum input gain. A value of less than 0dB will reduce the current or input gain accordingly. This simplifies adjusting the driver output to meet the International Performance Standard: e.g. If the loop magnetic field strength is measured to be 2.7dB below the required level then adding 2.7dB to the loop driver output current should bring the magnetic field strength to the desired level to meet the Standard.
You can reset the driver to default values by uploading a configuration file containing all default values, e.g. from a USB memory device (see below).
A factory reset can also be performed via Telnet (see UP1A205 Protocol Guide), however this will set inputs to -80dB and current to -20dB. All other settings will be as above.
Control Interfaces
The T14-1 drivers have a web browser interface available via the Ethernet connection. Configuration upload via USB is also available.
BASIC SETUP METHOD
- As a minimum, connect safety ground, power, loop, and audio input signals (see above). Enable and status connections can be used if desired.
- Connect a computer to the Ethernet port (e.g. using an M12 to RJ45 ethernet cable) as described in Section 9 below. Log on using ‘audioadmin’ or ‘superadmin’.
- Browse to the ‘Audio’ tab of the website.
- Enable the ‘combi’ test signal using the website interface. Turn up the loop output current until the correct magnetic field strength (0 dB re: 400 mAm-1) is obtained in the intended area of use. Measure the magnetic field strength using a magnetic field strength meter.
- Enable the ‘pink noise’ test signal using the website interface. Use the magnetic field strength meter to measure the frequency response of the magnetic field. On the website adjust the Metal Loss Control (using the dual-slope feature if necessary to correct a more complex curve), and repeat the test adjusting until the frequency response is +/- 3 dB re: the 1kHz value over the 100 Hz to 5 kHz range.
- Turn off the test signals and connect the intended audio input signals.
- Apply the intended external input audio signal to the unit, and increase the input gain slider for that input on the website until the compression bar graph shows about 6- 12 dB compression (and the AGC LED is lit)
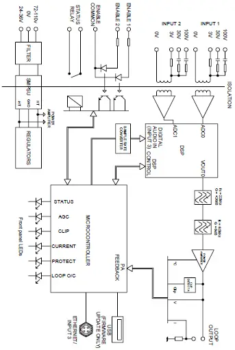
BLOCK DIAGRAM

FEATURES OVERVIEW
Figure 1: Front panel, WAGO connectors
FRONT PANEL & CONNECTIONS
- M6 Chassis Ground Stud Safety ground connection to vehicle chassis
MUST BE CONNECTED - DC Power Input (WAGO and Harting) – see Section 4: Electrical Installation for connection details
- Loop Output
Connect loop between the two terminals - Status Output and Input Enable
- Status output is an isolated relay contact
To remotely enable an input, apply +5V to +24V DC between the relevant input terminal and common.
NB remote control must be enabled in the web interface before use.
Analogue Audio Input 1 & 2
For each input, connect to 0V(common) and one of 3V / 30V / 100V, as appropriate for the signal source. - LED Indications
In startup Normal operation STATUS (red/green)
Flash green: Testing Fast Flash amber: Updating software Green: OK Flash Green: Sleep Flash Amber: Standby Flash red: Error
AGC
(green)– Green: Signal >6dB above AGC threshold CLIP
(red)– Red: Clipping (output) CURRENT
(green)Slow flash: overcurrent Green: Output >-20dB (flashes on/off in normal use) PROTECT
(red)Slow flash: overcurrent Slow flash: overtemp Fast flash: power limit On: both of the above LOOP O/C
(red)Fast flash:
Loop low resistanceSlow flash:
Loop open circuit - USB ‘A’ connector Firmware / config update from USB memory only
- 10/100 Ethernet M12 connector, D-coded
- Ethernet status / activity LEDs
ETHERNET INTERFACE
The T14-1 family of products are controlled through a number of Ethernet based protocols. The normal setup interface is accessed through a built-in website.
Telnet and SNMP protocols are also available. Please see separate guides to use these protocols. To access the built-in website, use a suitable cable to connect the T14-1 to an Ethernet network or directly to the Ethernet port of your computer. Type the T14-1 unit’s IP address (e.g. 192.168.0.25) into the address bar of your web browser to access the configuration website.
Connection with DHCP
The T14-1 is supplied with DHCP enabled, and will be allocated an IP address by your DHCP server, if present. You will need to find the T14-1 address using the DHCP server or a network scanning application.
Connection with link-local autoconfiguration
If there is no DHCP server, the T14-1 supports link-local autoconfiguration and will assign itself an IP address in the 169.254.0.0/16 range. The most common use of this is a direct connection between a computer and the T14-1, in which case the computer should also automatically derive an IP address in the same subnet.
In this configuration the T14-1 supports mDNS for ease of access without knowing the IP address.
Entering http://t14-1n.local in a web browser address bar will resolve to the IP address of the driver.
The mDNS hostname is linked to the driver name so can be updated, for example if multiple drivers need to be accessed on a larger link-local network, each one must be given a unique name.
Note that spaces and periods are not supported in mDNS, so should be avoided in the driver name if using this feature. If the driver name has been changed and forgotten please contact Ampetronic for assistance in resetting this.
Accessing the website
T14-1 drivers feature a web interface that can be viewed in a web browser and is used to monitor and adjust the loop driver.
You will be asked for the User Name and Password for the driver as a deterrent to unauthorised parties. These values are case sensitive and need to be entered once per session to access the driver.
Four levels of access are available:
| User name | Access to |
| (not logged in) | Status page only (default on first connection) |
| audioadmin | Audio settings page & Status page |
| netadmin | Network settings page & Status page |
| superadmin | all settings |
For all user names, the default password = ampetronic (all lower case)
You can change the password for each user from the web interface.
Superadmin can change all passwords, other users can only change their own password.
Considerations for external network configuration
The T14-1 drivers communicate using a number of network port numbers. If you wish to communicate to/from the loop driver across a wider network (e.g. including routers, gateways, etc),
you may need to ensure these ports are open for communication.
The web interface operates on the standard port 80. The email error message service sends through port 587. Port 80 is likely to already be open for outbound traffic but your network administrator may need to allow inbound connections to the loop driver on this port. 587 may be open but if you have problems you may need ask the administrator to allow outbound traffic to the internet (the loop driver will use the ‘SendGrid’ service to route all outbound email alerts). See the T14-1 Protocol Guide for more details of ethernet communication protocols.
Web Interface Structure
The Web interface is split into three tabs: Audio Settings, Network Config and Status. Clicking on the tab heading will change to the contents of that tab.
At the bottom of the screen are meters for the level of input audio compression and the output current.
Information icons are shown alongside section headers, clicking or tapping on these will display a tooltip to help explain the relevant settings or information. Click or tap anywhere outside the tooltip to dismiss it. The displayed values are updated once a second to all connected users and will reflect changes made by all users and protocols.

Audio Settings Tab
Input 1, 2 and 3 Settings:
- Input State: Can be ‘Always On‘, ‘Always Off’ or ‘Remote enable’ (‘remote’ allows input on/off state to be controlled via the front panel hardware connections).
- Low cut filter: Can be ‘off’ or ‘250Hz’. Applies a filter to remove input signal frequencies below 250Hz. This can improve intelligibility of speech.
- Attenuation (dB): Controls the attenuation of the input 1 channel. Values of 0 to -80dB in 0.1dB steps are allowed.
- Input 2 Priority: Turns on the priority input option, which attenuates other inputs when signal level on input 2 exceeds AGC threshold.
- Ducking Level (dB): Adjusts the attenuation applied to the other inputs, when priority is active.
- Test Signals:
- Signal Type: Drop down box to select the test signal – options are OFF, Pink Noise, ‘Sine Wave’, ‘Combi 1kHz’, ‘Combi 1.6kHz’, ‘Combi 2.5kHz’ and ‘Loop Output Disabled’. The last option mutes the loop output, e.g. to allow background noise measurements to be made.
- Frequency: Controls the frequency of the continuous sine wave test signal. Only shown when Sine Wave selected.
- Timeout: Controls the time for which test signals remain on. 10, 30, 60 and 120 (default) minutes are available.
- Current: Controls the output current to the loop. 0 dB is maximum output, -80 dB is minimum output.
- Metal Loss Compensation:
- Slope: Corrects system frequency response when affected by metal structures. Options are OFF, Custom or a slope of 0.25dB/ Octave to 4.00dB/Octave. See Technical Specifications in section 15 for further details.
- HF Boost: Only shown when a single MLC Slope is selected. Provides a preset dual-slope configuration intended to better optimise frequency response in systems with more significant high frequency losses. In most cases using a custom dual slope will allow a better frequency response.
- NB: the following items are only shown when “Custom MLC” is selected
- Custom LF: Controls the slope of the Low Frequency (LF) section of the custom MLC. Values may be between 0 to 4 dB/octave in 0.1 dB steps.
- Custom Knee: Controls the frequency where the LF custom slope stops and the HF slope starts
- Custom HF: Controls the slope of the High Frequency (HF) section of the custom MLC. Values may be between 0 to 4 dB/octave in 0.1 dB steps.
- Output Phase 90° Shift: Turns on 90 degree phase shift to use multiple drivers in a multiloop or phased array configuration. Leave in the default OFF position in most installations unless explicitly required by system design.
- Power Saving Options Sleep mode: Enables a low power state which is applied after a user (after no signal) configurable period with no audio signals above a threshold. Normal operation resumes on application of an audio signal that triggers the AGC, or by user intervention to turn ‘standby’ off.
Options are Off (default), 10, 30 or 60 mins. - Standby: Standby is a low power state, selected by switching the control to ‘On’. Only changing this control to ‘Off’ can return the unit to normal operation. In the low power state, the loop output is disabled. No current is delivered to the loop, and the loop driver will only draw the Quiescent power.
Network ConfigTab
The network config tab allows you to configure the Ethernet and management settings of the driver.

Ethernet Configuration:
- MAC Address:
Media Access Control (MAC) address – a unique number that identifies each Ethernet connected device. This field is read only. - Driver Name:
The name of the loop driver reported in the Email reports, on the web page heading, and in network functions. - DHCP Client:
Dynamic Host Configuration Protocol (DHCP). When enabled, after it is turned on the loop driver will obtain all network configuration fields from the DHCP server on the network. - DHCP Option 61 :
Enables DHCP Option 61. This transmits a configurable DHCP Option 61 Client ID to the DHCP server, which can be used for increased security and/or to allocate the same IP address to a device role even if the actual unit is replaced. - DHCP Option 61 Client ID:
The client ID to be transmitted to the DHCP server. Defaults to model name plus last 6 digits of MAC address, editable when
Option 61 is enabled. Leave blank then save and restart driver to reset to default client ID. - Save Ethernet Config Press this button if you have changed any of the Ethernet and Restart:
parameters. It will save any changed settings and restart the driver to implement all pending configuration changes. - NB: the following item is only shown when DCHP is “Off”
- IP Address: The IP address that the driver is currently using. If DHCP is enabled, the DHCP system will override the entered value.
- Gateway:
The IP address of the Gateway used for routing communication outside the local network. - Subnet Mask:
The Subnet Mask which defines the scope of the local IP range to be used. - Primary DNS:
The IP address of the primary domain name server that will resolve canonical names to IP addresses. - Secondary DNS:
The IP address of the secondary domain name server which will be used if the primary DNS server does not respond. - Status Reporting:
- Reporting Email Address: If enabled below, an email will be sent to this address (via Sendgrid) whenever an event selected in the reporting options page occurs.
- Email Error Reports:
On/Off control for email event and regular interval status reporting. - Status report Interval:
An email report can be sent at the selected interval – default is ‘Off’ - SNMP:/
Enables simple network management protocol. Once enabled, remote SMNP managers can connect to the loop driver to read parameters and can request status ‘traps’ to be sent according to the configured status reporting options. The unit must be manually restarted to implement the change after enabling or disabling SNMP.
Ampetronic T14-1 Installation Handbook & User Guide Page 15 - NB:
The following items are only visible when SNMP is enabled: SNMP manager list: Shows all SMNP managers that have requested status traps be sent to them. You may add or remove SMTP managers manually. Press the ‘update manager list’ button to implement changes. This will restart the unit (and any other pending changes will be applied) - Status Reporting Options: Link to a separate page where you can choose which status reports are sent via the various methods available.
- Voice-over-Internet-Protocol:
- VOIP:
Controls the Voice-over-Internet-Protocol, which allows standard SIP/RTP servers to send audio over Ethernet to the loop driver. See below for more details of supported formats, etc. - Licence Status:
Shows whether a valid licence file is loaded. - Choose Licence File:
The browse button allows you to select the file containing an encrypted key (which may be purchased form Ampetronic) to
enable VOIP communication. Once a file is selected, press the ‘Load Licence File’ button to upload it. The licence status will change to show ‘Valid Licence’ once a valid licence key file is loaded.
A VOIP licence key may also be loaded from a USB memory device upon startup/reboot of the unit. See Firmware Updates and Configuration/Licence Upload below. - Control Protocol Selection:
- Telnet:
Enables or disables Telnet protocol. The unit must be restarted to implement this change. - Firmware Upgrades
When connected to a network clicking this control takes you to a web page showing currently available upgrades.
Save and restore configuration:
This section allows the complete configuration of the driver (including passwords, but not including VOIP licence files) to be saved to an XML file on the browsing device. This XML file can then be loaded into a T14-1 loop driver to set the parameters to be identical the unit from which the configuration file was saved.
A complete ’default’ configuration file can be requested from Ampetronic in case a unit needs restoring to default settings, e.g. if Ethernet parameters have inadvertently been set such that the unit cannot communicate.
A saved configuration file may also be loaded from a USB memory device upon startup / reboot of the unit. See separate document for details of how to use the USB port for firmware updates, configuration upload, and VOIP licence upload. Page 16 Ampetronic T14-1 Installation Handbook & User Guide
Status reporting options page:
Allows selection of reporting levels and delivery via Email, the status relay contact, or SNMP protocol. For each protocol, select the tick boxes for the events where a report is needed for that event.
Note that some critical events cannot be disabled and will be sent whenever that reporting route is in use.
To exit this page without saving changes, press the ‘back’ link at the TOP of the page. To save changes and restart the unit, press the ‘Update Status Reporting’ button at the BOTTOM of the page.
Status Tab:
The status config tab allows you to see the status of the driver 
- Software version:
The version of the bootloader, the firmware in the driver and the version of the website. In order to update firmware, please refer to Section 12 and a separate guidance document for uploading via the USB port. - Power Mode:
Shows the current status of the driver, either Active, Sleep or Standby. - Heatsink Temperature: This is the temperature of the driver’s internal heatsink. If it exceeds 75°C the driver current will be reduced. If it exceeds 85°C the driver will be muted.
- Current Amps:
The current being drawn from the transformer. If this exceeds the maximum limit for longer than a defined time then the driver current will be reduced. The amount of additional attenuation will be shown in the derate section. - Protection Derating:
This is the amount of additional attenuation that is added to the current setting when the transformer is overloaded or the heatsink is too hot. - Loop Parameters:
The measured value of the resistance and inductance of the loop when the driver was last restarted or switched on. - Uptime:
This shows the time since the driver was last restarted or switched on. - Start Up Tests:
This shows if the driver has stopped on a start-up test failure (the test that failed will be displayed in red) or if the start-up tests all passed (start-up tests completed). - Error(s):
Either No Error if the driver is running correctly or a list of the error messages in red. See chapter 10 Troubleshooting for a complete description of the error codes, what causes them and how to resolve reported issues.
EMAIL NOTIFICATIONS
The driver can be configured to send Emails to a specified address under certain conditions. These Emails contain a list of any errors that are present and the settings of the driver at the time that the Email was sent. A sample Email is shown below:
This is an automatically generated notification Email sent to the contact address configured by the installer/administrator of an Ampetronic Loop Driver. Please do not reply to this Email.
Your Hearing Loop Driver named T14-1 with MAC address 30:0A:60:A0:52:F1, has either developed a fault or the settings have been modified without authorisation. The amplifier firmware version is v0.15. The amplifier or loop may require attention.
The configuration page of the amplifier can be reached by clicking this link: T14-1 if you are on the same network domain as the amplifier
The system errors present on the amplifier when this Email was sent are listed below: ————————————
Errors have cleared. No faults at present ————————————
The current settings of the amplifier are listed below:
Input 1 level is -30.0dB
Input 2 level is -80.0dB
Current level is -12.0dB
MLC selected is 0
MLC custom slope 1 is 1.0dB/Oct
MLC change frequency 1000Hz
MLC custom slope 2 is 1.0dB/Oct
The measure loop parameters on channel A are 539mR and 190uH
The amplifier has been running for 8089 milliseconds since it last rebooted
End of Email
The Email can be sent when the driver is restarted, when an error occurs or periodically to monitor the state of the loop driver. These settings are only controlled through the web interface – there is no menu on the front panel that alters these settings. The controls for the Email system can be found on the Network Config tab of the web interface. See section 9 Ethernet interface of this manual for further information.
TROUBLESHOOTING
In case of error, the website Status tab colour will change and error messages will be displayed on the Status page.
| Startup test messages | |
| DIAGNOSTICS IN PROGRESS | This message is displayed whilst start-up tests are being performed. Not an error. |
| LOOP R < 200mR FIX AND RESTART | The driver measured < 200 mΩ for the loop impedance. This is too low for the driver and must be fixed before the driver will finish the start-up diagnostics. Switch off, fix the fault and switch on again. |
| LOOP > 10R LOOP COULD CLIP | The loop is not open circuit but has a resistance of > 10Ω. This is too high – the output will clip on signal peaks. This is a warning and the driver will continue to operate. |
| HEATSINK TOO HOT PLS SWITCH OFF | The heatsink is at a critical temperature and thermal protection has activated at startup. Switch off, fix the fault and switch on again. |
| OUT IDLE OVERCURRENT OUT FUNC TEST HIGH OVERCURRENT | Error in the internal circuitry of the driver. Please contact Ampetronic technical support if any of these errors are seen, quoting the error message text. |
| Error messages during operation | |
| OUTPUT OPEN CIRCUIT | This message is displayed if the loop is disconnected whilst the driver is operating (e.g. if the loop is cut). This is a critical state and the output will not operate. |
| LOOP > 10R LOOP COULD CLIP | The loop is not open circuit but has a resistance of > 10Ω. (See notes above for startup error) |
| POWER LIMIT – DERATED | The driver is overloaded and the drive current has been reduced |
| POWER LIMIT – SHUTDOWN | The driver is seriously overloaded and the loop output has been shut down |
| TEMP LIMIT – DERATED | The internal heatsink is hot and the driver current has been reduced. |
| TEMP LIMIT – MUTED | The internal heatsink is too hot and the output has been turned off. |
| OUTPUT CLIPPING | The driver output maximum voltage is being exceeded and the loop signal is being clipped |
| OUTPUT CLIP – ATTENUATED | The driver output maximum voltage is being exceeded and the loop signal is being attenuated to prevent clipping |
Instability or high frequency noise
- It is possible for the loop cables to be grounded under fault conditions, resulting in instability which may sound like high frequency noise, buzz or whistling. The results of this type of fault are unpredictable and may appear as any combination of the front panel indication errors
- This fault is easy to determine. Simply unplug the loop cables from the amplifier and test with a resistance meter between either of the loop wires and a good earth point. There should be an infinitely high (open circuit) reading. Any reading indicates a failure of the loop cable insulation and you will need to either repair or replace the loop cable.
- Instability can be caused by using poor quality signal cables, long unbalanced (2-wire) signal runs to the inputs (including elsewhere in the audio system), or by running input cables in close proximity with the loop wire over an appreciable distance (>5m). Loop amplifiers are capable of delivering high currents at audio frequencies. If the loop cables are run close to sensitive signal cables it may be possible to induce a signal back into the input of the amplifier causing feedback. Cable runs and loop wires should be kept well apart from each other. To avoid interference maintain a separation of at least 300mm.
- Instability can cause the driver to run hot and may result in the STATUS LED flashing RED and the PROTECT LED flashing RED slowly.
Interference
- Hum, Buzz or tones heard through a loop receiver: Background magnetic fields or interference may be present in any location and are unlikely to be caused by or transmitted by the loop system. Monitor this with a loop receiver (such as an ILR3). If the interference is still present with the loop system switched off, then you need to locate and eliminate the source of the interference before switching the loop system back on.
- Interference to other systems (typically video or audio): Magnetic fields can induce currents into any low impedance electrical path or loop. Audio or video systems with multiple earths may experience pick up of the loop signal. Check entire sound system for evidence of loop signal (most obvious with a test signal), and trace source of pick up.
- Jagged lines or “hum bars” on a video picture: Under certain circumstances, the loop signal may appear as interference in a video signal. This could be due to running unbalanced analogue video cables in close proximity to the loop cable, or an earth loop in the video system. Separate the loop cables from the video cables or resolve the earth loop to reduce the effect.
TECHNICAL SPECIFICATIONS TO IEC 62489-1 STANDARD
Power Options
T14-1LW, T14-1LH
- Nominal voltage 24-36V DC
- Voltage range 16.8 – 45V DC
- Isolation 1500V DC
- Inrush Current (max peak) 24V: 17.7A, 36V: 18.9A**
- Recommended DC MCB 24V / 36V: 16A Type C**
- Final fault protection Non-replaceable fuse, T 25A
- Power Consumption Typical audio 24V: 59W (2.47A) / 36V: 61W (1.7A)
Quiescent 24V: 10.3W (0.43A) / 36V: 12.6W (0.35A)
Peak* 24V: 252W (10.5A) / 36V: 248W (6.9A)
T14-1UW, T14-1UH
- Nominal voltage 72-110V DC
- Voltage range 50.4 – 137.5V DC
- Isolation 1500V DC
- Inrush Current (max peak) 72V: 7.0A, 110V: 9.3A**
- Recommended DC MCB 72V: 5A Type C, 110V: 4A Type C**
- Final fault protection Non-replaceable fuse, T 10A
- Power Consumption Typical audio 72V: 57W (0.79A) / 110V: 61W (0.55A)
Quiescent 72V: 10.8W (0.15A) / 110V: 15.4W (0.14A)
Peak* 72V: 233W (3.23A) / 110V: 233W (2.12A)
* Short term peak at full 1kHz sine output
** Values apply to Hardware Revision 1 or later - Power
Harting Han Q 3D 5-way insert (2/3 pins used) or - Connectors
WAGO 769 series detachable 3-way block - Input 1 & 2
Pin selectable 3V/30V/100V balanced isolated line for each input
Input Range Sensitivity* Overload Input Impedance
- 3V -15dBu +21dBu 36kOhm
- 30V +3.85dBu +39.9dBu 37kOhm**
- 100V +14.8dBu +50.8dBu 120kOhm**
Must exceed this during normal operation. NB this is not the same as the ‘rated’ level on a signal output.
**The 30V and 100V inputs are capacitively coupled as well as galvanically isolated (in case they are connected to monitored PA lines).
- Status Contact Isolated relay contact and network options (inc. SNMP)
- Monitoring of loop resistance and operating status SY
- Max. switching voltage 220V DC, 250V AC
- Max. switching power 60W
- Max. switching current Amps (= 27mA @ 220V DC ; 2A @ 30V DC)
- Dielectric strength Contacts to coil 1200 V rms, 1600 V DC
- Insulation resistance Contacts to coil @ 500V DC >10 G Ohms
- Input Enables Isolated control input per channel
Priority Input Option for input 2 to override other inputs with configurable attenuation level - Low Cut Filter
Switchable 250Hz low cut filter available on all inputs - Input & Control Connectors
Audio inputs, status and enables through Harting Han Q 3D 21-way orWAGO 769 series detachable blocks
Ethernet HTML and Telnet control interface control I/O M12 circular Industrial Ethernet (TCP/IP), 10/100M
VOIP Input SIP/RTP network audio input through Ethernet (option) connection G.711 A-law & u-law
LPCM 8 & LPCM 16 (8 to 44.1 kHz)
M6 Chassis Ground Stud Safety – ground connection to vehicle chassis
USB 1.1/2,0, USB ‘A’ socket. Memory devices only, for update of firmware, website, config and software keys - Loop Output
14.0ARMS (19.8Apk) at least 60 seconds continuous 1kHz - Rated THD
<0.4% (with 1kHz Sine, rated output current & load, 6dB AGC) - Output Impedance >39Ω
- Rated Load
0.8Ω + 120μH - Drive Current
Sine wave, peak >21A Continuous pink noise >6.6ARMS - Drive Voltage
>24VRMS (33Vpk) available at maximum output current - Loop Connector
Harting Han Q 3D 5-way insert (2 pins used) or
WAGO 769 series detachable 2-way block - Freq. Response
100Hz to 6.5kHz ±0.5dB relative to 1kHz at low level. - Gain Control
The AGC is optimized for speech. Dynamic range >36dB - Metal Loss Correction
Dual slope configurable MLC up to 4dB per octave - Phase Shift
Output can be set to 0° or 90° to allow use in large area array designs. - Dimensions
Width 258mm (body) / 295mm (with mounting flanges) Depth 221mm (247mm over Hurting connections) Height 54.5mm - Weight 1.5kg
- Operating temperature According to EN50155 to OT4 -40°C to +70°C (+85°C for 10 mins at startup)
- IP rating IP41
- Construction Clear passivated Aluminum
WARRANTY
This product carries a five year parts and labour warranty from date of shipment from Ampetronic.
To qualify for the five year warranty, the product must be registered at www.ampetronic.com (products/warranty), without which the warranty will be valid for two years only.
The warranty could be invalidated if the instructions in this handbook are not followed correctly, or if the unit is misused in any way.
GLOSSARY OF TERMS
Term Definition
- AFIL
(Audio Frequency Induction Loop). The specific name for technology used to couple an inductive loop to the telecoil in a hearing aid. Generally shortened to ‘Induction Loop’ or otherwise known to users simply as a ‘Hearing Loop’. - AGC ‘
Automatic gain control’ is used to provide continuing adjustments in the receiver’s gain in order to maintain a relatively constant output signal. - Clip/Clipping
Clipping is a form of waveform distortion that occurs when an amplifier is overdriven and attempts to deliver an output voltage or current beyond its maximum capability. - Class D
An electronic, or ‘switching’ amplifier in which the amplifying devices (transistors, usually MOSFETs) operate as electronic switches, instead of as linear gain devices as in other amplifiers.
Generating less heat and offering around up to 60% greater energy efficiency. - Current
The quantity of charge per unit of time, measured in Amperes (Amps, A) flowing from positive to
negative. In the case of a loop system, current is proportional to field strength. - dB (Decibels)
A unit used to measure the intensity of a sound or the power level of an
electrical signal by comparing it with a given level on a logarithmic scale. Often referred to as
loudness. - DHCP
Dynamic Host Configuration Protocol, a protocol for dymanically assigning IP addresses to devices on a network. Supports a mix of static (reserved) and dynamic IP addresses. - Driver
A term used to differentiate Hearing Loop amplifiers from loudspeaker amplifiers. - DSP
Digital Signal Processing (DSP) is the numerical manipulation of digital audio signals intended to produce an adjusted version of the input signal. - Dual Slope
DSP facility used to define the ‘knee’ in a frequency response curve. Utilised in hearing loop
drivers to address specific metal loss characteristics and restore intelligibility.
Ethernet Physical standard for a network to connect a number of electronic devices via network cable,
typically to form a local area network.
Gain Defined as the ratio of the signal amplitude or power at the output port to the amplitude or power at
the input port. It is often expressed using the logarithmic decibel (dB) units (“dB gain”).
Gateway A network device used to route communication outside of the local network. A gateway is typically
a router.
Input Signal source such as a microphone or line level input from a television or mixing console.
IP Address A unique string of numbers separated by full stops (periods) that identifies each computer using
the ‘Internet Protocol’ to communicate over a TCP/IP network. - LAN
A local area network (LAN) is a network of computers or network enabled devices that interconnects them within a limited area or building, generally via a central network switch. Multiple LANs can be connected via a route - Latency
A short period of delay, usually measured in milliseconds, between when an audio signal enters
and when it emerges from a system. - Line Level
A nominal voltage (typically specified as +4dBu for professional equipment) used to define a standard for transmission of analogue audio signals between audio equipment. Selectable Mic and Line Level inputs are provided on the rear of the Hearing Loop Driver. - MAC
Address In a local area network (LAN) or other network, the MAC (Media Access Control) address is your
computer’s unique hardware number.
Mic An instrument for converting sound waves into electrical energy. (Microphone) Microphone output voltage is significantly lower than for a Line Level signal. Selectable Mic and Line level inputs are provided on the rear of the Hearing Loop Driver. - MLC
Metal Loss Compensation (MLC) is a frequency shaping filter that is utilised in Hearing Loop
Drivers to restore a flat frequency response to the audio signal, restoring speech intelligibility, when performance has been compromised by metal structures in the installation environment.
Output In the case of Hearing Loop Drivers, the Output(s) refer to the connection for the Loop cables (or feeder cables). In the case of the C Series these are 5mm euroblock screw terminal connectors. - QoS
Quality of Service (QoS) refers to the capability of a network to provide better service to selected network traffic over various technologies, including Frame Relay, Asynchronous Transfer Mode (ATM), Ethernet and 802.1 networks, and IP-routed networks. - Redundancy
Term used in network audio to provide a secondary, identical, isolated network with the same data as the primary. In the event of a failure in the primary network the secondary network is automatically activated. - Router
A network device that forwards data packets from one network to another. Based on the address of the destination network in the incoming packet and an internal routing table, the router determines which port (line) to send out the packet. Ports typically connect to Ethernet cables. - Switch
A network switch is a networking device that connects multiple devices together on a computer network.
Subnet Mask Defines the extent of the IP range of the local network. - TCP/IP TCP/IP
(Transmission Control Protocol/Internet Protocol) is the basic communication language or
protocol of the Internet. It can also be used as a communications protocol in a private network (either an intranet or an extranet). - USB
The ‘Universal Serial Bus’ is an industry standard that defines the cables, connectors and communications protocols used in a bus for connection, communication, and power supply between electronic devices. Utilised in the Hearing Loop Driver to provide power to a LAN Router or for connecting a USB drive to update firmware. - WAN
A Wide Area Network (WAN) is a network which covers a large geographic distance. In many cases WAN refers to the Internet.
Contents Copyright © Ampetronic Ltd 2019-22. All rights reserved.



















