KERBL 345000 Steering Control for LED lighting
Correct use
The LED control is used to operate up to four different light circuits in a stall or barn. Two light circuits constitute the main circuits, and can handle a load of up to 16 A. They can be actuated with a 1-10 V signal, and can therefore be dimmed. Two of the circuits are purely switching circuits. They can be used for night-time lighting or for less important rooms, and each handle a load of up to 8 A. The light control is installed permanently in a suitable location, and connected to the lights and sensors it controls via suitable cables. The LED control must not be used for other purposes.
In the event of incorrect use or modifications to the device, the manufacturer’s warranty and liabilities shall be deemed invalid.
Safety instructions
CAUTION!
Risk of physical injury and material damage if used incorrectly!
- The light control may only be installed and brought into operation by a qualified electrician.
This work involves dangerous mains voltage. - Switch off the voltage to the light control via the supply cable before work of any kind on the control itself or on peripheral components.
- Install the light control in a suitable location
- In normal operation, the dimming signal is below 10 V. The signal does not conform to the SELV standard, however.
All cables must be designed for protection class II and have double insulation all the way to the light. - The external buttons are supplied with 12 V. The 12-V signal does not conform to the SELV standard.
All cables must be designed for protection class II and have double insulation all the way to the light. - The supply cable to the light control must be fused as protection against overload and short circuit, in accordance with the relevant standards and regulations. Use a three-pole B16A circuit breaker with a short-circuit resistance of at least 6 kA.
- All applicable standards and regulations for the prevention of electric shock during normal operation and in the event of a fault must be complied with.
- In the event of damage to the light control or other components of the overall system, please contact a qualified electrician.
- Keep the cover of the control cabinet closed Otherwise, you will only have an IP20 degree of protection rather than IP65.
- Only use copper conductors for the supply cable and the cable outlets
- The light control must be secured externally using a corresponding surge protection device
Installation location
Install the light control in a suitable location. The control must be installed in an equipment room or other special purpose room. No objects may be stored in the room in which the light control is installed. The room must not be used for other purposes that could result in damage to the light control. The installation location must be accessible all the time and without the need for tools.
Unsuitable locations for installing the light control are:
- areas to which animals have access
- highly frequented areas or rooms, such as hallways or rooms that people have to pass through
- areas that are difficult to access – that can only be reached via ladders, for example
- closed rooms
- rooms with high humidity
- rooms with strongly fluctuating temperatures, or temperatures above 40 °C or below 10 °C
- outdoors
Setup
The device consists of the following components:
- Controller with display and menu buttons
- Emergency switch for manual operation
- Relay for circuits 1–4
- Power pack
- Light sensor
Electrical connection
CAUTION!
Risk of physical injury and material damage if used incorrectly!
- The electrical connection may only be produced by a qualified electrician.
- The wiring of the overall system must be laid by a qualified electrician in accordance with the applicable regulations.
- The power supply to the light control may only be switched on after all connection work is complete.
Work may only be performed when power to the system is off.
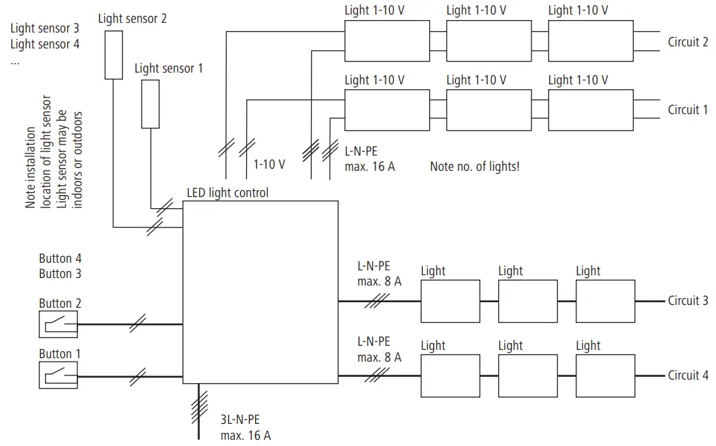
The sketch below shows one possible method of wiring the overall system:
The following diagram shows the electrical connections on the output terminals of the light control:
- Terminals for the supply cable from the distribution board
- Terminals for cables to the lights of the four circuits
- Terminals for the dimming cables to the lights of circuits 1 + 2

- Cables to the four light sensors and four light buttons
The connections are numbered as follows:
| Terminal strip | Terminal number | Designation |
| X1 | Mains supply feed | |
| X2 | 1 | Light circuit 1 power supply |
| 2 | Light circuit 2 power supply | |
| 3 | Light circuit 3 power supply | |
| 4 | Light circuit 4 power supply | |
| X3 | 11 | Dimming signal, light circuit 1 + |
| 12 | Dimming signal, light circuit 1 – | |
| 13 | Dimming signal, light circuit 2 + | |
| 14 | Dimming signal, light circuit 2 – | |
| X4 | 21 | Button 1 + |
| 22 | Button 1 – | |
| 24 | Light sensor 1 + | |
| 25 | Light sensor 1 – | |
| 31 | Button 2 + | |
| 32 | Button 2 – | |
| 34 | Light sensor 2 + | |
| 35 | Light sensor 2 – | |
| 41 | Button 3 + | |
| 42 | Button 3 – | |
| 44 | Light sensor 3 + | |
| 45 | Light sensor 3 – | |
| 51 | Button 4 + | |
| 52 | Button 4 – | |
| 54 | Light sensor 4 + | |
| 55 | Light sensor 4 – |
You can connect the following components to the light control terminals:
- buttons: Any buttons that are normally open (contact is closed when the button is pressed and open when it is not pressed)
- light sensor: Use the light sensor that is included in delivery.
Additional light sensors are available from Kerbl. - lights: Please note the following when choosing lights:
- maximum power output of circuits 1 and 2: 3 kVA each
- maximum power output of circuits 3 and 4: 3 kVA together
- lights with cos φ min. 0.8
- the input surge current of the lights must not exceed 30 A for maximum 5 ms in any light circuit
Positioning the sensor
Please plan the positioning of light sensors with care. If the sensor does not supply the right signals, the light control may not be able to perform well in the control mode to which it is set. Avoid interference from other light sources.
You have two options for positioning the light sensors:
- outdoors (twilight sensor) for the TWILI control mode
- inside the building (indoor sensor) for the AUTO control mode
Please ensure that your desired control mode is set correctly for the circuit, as described in section 9.2.
In Advanced Settings in section 10.1, you can find out how to adjust the sensor readings. You can adjust the settings in order to adapt the readings to the sensor’s installation location.
Twilight sensor
For the TWILI control mode, position the sensor in a suitable location outdoors.
The sensor must not be under the influence of other light sources. Therefore, avoid influence from
- outside lights on the building itself or other buildings
- street lights
- light cast from windows
- possible headlights from passing vehicles
- any other interfering light sources
Also avoid any possibility of the sensor being overly concealed by large objects. Furthermore, there must be no feedback with the controlled light circuit. Avoid sensor installation locations in which the brightness changes with the controlled light circuit. This could be near windows, for example.
Indoor sensor
If you wish to measure the brightness inside the building using the AUTO control mode, position the sensor in a suitable location in the same area as the lights you wish to control. The sensor is designed to measure the basic brightness in the room, and must not receive any interference from local light sources.
Therefore, do not position the sensor
- directly in the path of rays of light
- close to a window through which extraneous light may come
- within range of light cast from vehicles
- immediately next to other (uncontrolled) lights
- immediately next to equipment with indicator lamps or a display light
Choose a suitable installation height for the light sensor. Position the sensor sufficiently high to prevent the risk of shadows cast by passing people, animals or vehicles. Do not position the sensor too high, however, to prevent ceiling lights from having an excessive influence on readings. As far as possible, position the sensor at the location in the building that receives the least daylight.
Bringing into operation
CAUTION!
Risk of physical injury and material damage if used incorrectly!
- Only bring the light control into operation once all installation work is complete.
All cables must be insulated. The housing must be closed. - When brought into operation, it is possible that the light circuits will be switched on immediately (depending on the sensor reading). Make sure that no danger can result from switched on lights.
- Switch on the power supply to the light control. Switch on switches S1 and S2.
- The language selection screen appears on the display. Using the ^ and v keys, move the cursor to your desired language, and press the <- key to confirm.
- The following display appears, and a prompt for setting the time.

- The hour value in the time display flashes.
Set the hour to the correct time using the ^ and v keys.
Press <- to confirm. - The minute value in the time display flashes.
Set the minute to the correct time using the ^ and v keys.
Press <- to confirm. - If no time entries are made for a longer period, the light control changes to the main menu.
You can change the time later whenever you wish, see section 9.7.
Emergency switch
If the lighting system has a technical fault, you can at least start up parts of the system using the four little switches of the light control.
- Use switch 1 (S1) to switch off the control electronics of the light control.
This will help you to perform a restart, for example, or to remain able to act despite a fault in the electronics. - Use switch 2 (S2) to isolate the dimming cables from the device. If there is a fault in the dimming cables, by isolating them you can at least have the remaining system working at full brightness without a dimming signal.
- Use switches 3 (S3) and 4 (S4) to switch on circuits 1 and 2 continuously and independently of any sensor or button signals.
Settings
Menu navigation
You can select the next item in the menu using the ^ and v keys. The -> symbol appears on the display. Press <- to confirm your selection. This takes you to the submenu you have just selected, or you can change the selected value.
If you select a value in the menu and press <-, the -> symbol on the display changes to *. You can now change the selected value using ^ and v. By pressing and holding these keys, you can change the value quickly. Press <- again to confirm the changed value. The * symbol changes back to ->.
Control modes
Possible control modes
The following control modes are available for controlling the light circuits.
OFF
In this mode, the lights are permanently off. The switching times are deactivated. Only select this mode for test purposes, or if circuits are out of service.
ON
In this mode, the lights are permanently on at full brightness. The switching times are deactivated. Only select this mode for test purposes.
AUTO
Important: This mode is only available with dimmable circuits 1 and 2
In this mode, you can set the desired brightness in the room. Using the measurement from the sensor, the light control now attempts to constantly achieve this level of brightness. The lights are therefore dimmed until the sensors feed back the set brightness value. If the lights are already dimmed to the lowest value, but the sensor still measures a higher brightness than you wish, the light will be switched off after a delay. If the measured brightness falls below the desired value by a certain margin, the lights are switched on. The set switching times (see section 9.5) are active. For this mode, please see section 6 for the correct positioning of the sensor. Please assign the sensor to the light circuit as described in section 9.3.
DIM
Important: This mode is only available with dimmable circuits 1 and 2.
In this mode, the lights are always dimmed to the set value. The sensor has no influence on the switching and dimming state of the lights. The brightness of the lights can be influenced using the external buttons, depending on how they are set (see section 9.6.2). The set switching times (see section 9.5) are active.
MAN
This mode is only available with circuits 3 and 4.
In this mode, the light sensor has no influence on the switching state of the lights. If set accordingly (see section 9.6.2), the light can be switched on and off via external buttons (100 % / 0 %). The set switching times (see section 9.5) are active.
TWILI
In this mode, the light is switched on when the twilight sensor feeds back a light value below the threshold value.
The light is switched off when the light value outside exceeds the threshold for a longer period. The set switching times (see section 9.5) are active. For this mode, please see section 6 for the correct positioning of the sensor.
Please assign the sensor to the light circuit as described in section 9.3.
Setting the control mode
In the main menu you will see the following display:
Navigate to a “C I R C T 1” to “C I R C T 4” display, to configure the circuit in question. When you press <- to confirm, you will come to the configuration screen for the selected circuit:
Select the operating mode with <- to change the value. The -> symbol changes to *. You can now set the desired control mode for this light circuit using the ^ and v keys. Press <- again to confirm the change of value. The -> symbol reappears.
Sensor map
To ensure the light control processes the sensor readings correctly, you must define which sensor influences which light circuit. To do this, from the main menu navigate to the “Settings” submenu, then to “Sensor map”.
The screen will look like this:
You can connect up to four sensors to the light control.
Determine which sensor is to be used to control which circuit.
Setting the brightness
In the Circuit menu, you can change the brightness of a circuit by navigating to the “Brghtns” menu and pressing <-.
If AUTO mode is activated for this circuit, the brightness value set here is the desired value in the room. The set brightness is compared with the sensor reading. The LED light control attempts to reach the desired brightness by adjusting the dimming signal to the lights.
Proceed as follows to ascertain the correct brightness setting:
- Wait until the sun has set, or cover any openings that let in light.
- Change the brightness of the light circuit (in DIM circuit mode) until the building has the desired brightness.
- Go to the Sensor stgs menu and define what reading the sensor should feed back in this situation.
- Now set AUTO circuit mode and enter this brightness as the desired setting.
If AUTO mode is not activated for this circuit, the set brightness will correspond to the dimming signal that is sent to the lights. For example, set 50 to have the lights at half their light output.
Switch-on/switch-off times
You can define automatic switch-on and switch-off times for each light circuit. For example, you can determine when the light should come on in the morning, and when it should be switched off in the evening.
To do so, navigate from the main menu to the light circuit for which you wish to change the switch-on or switch-off time.
Next, select “On:” or “Off:” by pressing <- to change the value. You can now change the times in 15-minute increments using the ^ and v keys. Press <- to confirm the setting.
In Advanced Settings (section 10.3.3), in addition to the switch-off time you can also set a delay for time-controlled switch-off (similar to a twilight phase). This way, you can prevent any surprises from lights automatically switching off during important work.
Button settings
You have the option of connecting up to four external buttons to the light control. Here, several buttons can be connected in parallel to one button input on the light control. In the menu of the light control, the Button item can be understood as all buttons connected in parallel to this input. To input settings for the connected buttons, go to the Settings menu and navigate to the “Button” item. You will see the following display:
In this screen, you can select which button input you wish to configure. When you press <- to confirm, you will come to the settings for the button in question:
Circuit map
To assign the signals from the buttons to the correct circuits, set the correct map as described below. As the default setting, one button is assigned to each light circuit. However, you are free to decide whether you wish to assign two buttons to a circuit. Even buttons with different functions can be assigned to the same circuit. Select “Map” to input these settings. While you see the * symbol, you can assign the button and then confirm this setting by pressing ->.
Button functions
You can assign various functions to each button. Possible functions are described below:
ON/OFF
If this function is set for a button, pressing this button briefly switches the light in the relevant circuit on or off.
LGHT/DRK
This button function can also switch the light circuit on and off when pressed briefly. Pressing and holding the button brightens or dims the light. This button function can only be used in DIM control mode.
VAL
If this function is set for a button, pressing this button briefly activates a defined brightness for the relevant circuit. You can define what value this button will use in the same menu.
Note: In AUTO mode, pressing this button causes Automatic mode to be temporarily suspended, and the brightness changes in line with the button setting. Automatic mode is resumed once more in the following cases:
- If you switch off the light circuit by pressing the button, automatic control will restart after a delay of approx. 8 seconds.
- If a reset time (see section 9.6.3) is set for this button, Automatic mode will be resumed after this reset time has elapsed
- The light circuit will be in Automatic mode once more after the circuit is switched off in the evening and switched back on the following morning, at the latest
Button reset time
In the Button menu, you can define a reset time for each button. To do so, navigate to the “Time(min)” menu item and press -> to change the value. Now set the desired time in minutes using the ^ and v keys. When a button is pressed, the selected function is executed. At the same time, the reset time begins. After the set reset time, the button action is reset.
If you switch the light on manually during the night, for example, and a reset time is defined here, the light will be switched off again when this reset time has elapsed.
Setting the time
To set the current time, navigate to “Time” in the Settings menu. When you press <- you will see the following display:
- The hour value in the time display flashes.
Set the hour to the correct time using the ^ and v keys. Press <- to confirm. - The minute value in the time display flashes.
Set the minute to the correct time using the ^ and v keys. Press <- to confirm.
Selecting the language
You can select the “Lang.” item in the Settings menu. Here you will see a display of all the possible language settings.
Select your language using the ^ and v keys and press <- to confirm your selection. The screen returns to the Settings menu. The display will now be in your chosen language.
Restoring the factory settings
You can restore the light control to its as-delivered state at any time, to reset all settings to their original values. To do so, open the Settings menu, then Setup. Here, move the cursor to “Factory stgs”. Press <- to confirm your selection.
Next, the light control restarts.
Advanced settings
Adapting the sensor reading
The light sensor’s reading can be adapted to suit its installation location by adjusting the settings as appropriate. If the light sensor is installed in a location with a comparatively high light incidence, you can reduce the sensor’s sensitivity.
To do so, select “Sensor stgs” in the main menu. You will see the following display:
Press <- to select any circuit for setting the sensitivity. Use ^ and v to set the sensitivity of the sensor. The sensitivity value is displayed in brackets after the current reading. It can be set in the range between 0.8 and 7.0. The higher the sensitivity, the more sensitively the sensor reacts and the higher the displayed reading.
The threshold for switching the lights in TWILI mode is a reading of 10. For this control mode, set the sensitivity so that a reading of 10 is displayed as the outdoor brightness that you wish to have as the switching value.
For AUTO mode, also base your settings on your desired brightness. Adjust the sensitivity so that the sensor reading matches the set brightness (section 9.4) of the circuit in question (if the room has the necessary brightness).
Setting the button parameters
In the button settings menu, you can also set the button parameters, to adapt button operation precisely to your requirements.
Dimming speed (Dim speed)
If the LGHT/DRK function is selected for the button, when you press and hold it the lights are dimmed. With this parameter, you can define how quickly the brightness changes when the button is pressed.
Long press (Lng press)
When the button is pressed, the brightness only begins to change after a short delay. If the button is pressed only briefly (shorter than this delay), the light is switched on or off. If you change this parameter, a long press of the button will be detected earlier or later, and so the dimming process will react more quickly or more slowly.
Setup
Softstart
This parameter lets you determine how quickly the lights go to full brightness when switched on, or to full darkness when switched off. Softstart enables the lights to be switched on in a way that protects them.
Min. dimming setting (Min. dim)
The lights are dimmed only to a certain dimming setting. Many lights start flickering if they are dimmed to a lower setting than permitted. With this parameter, you are telling the light control how far the lights can be dimmed. If the control wishes it to be darker still, all it can do is switch the lights off.
Switch-off delay for timer (Off delay)
The switch-off delay parameter causes an initial slow dimming process (twilight simulation), after the switch-off time of a circuit has been reached. The twilight phase lasts for the number of minutes that you set here. The lights are only finally switched off when the twilight phase has elapsed. In this way, you can prevent the timer from switching the light off while you are still doing important work in the building, for example. If you press a button during the twilight phase, it will start again from the beginning.
Control parameters (Ctrl param.)
In the Control Parameters menu, you can change parameters that specifically affect light control in AUTO mode or the switch-off delay in TWILI mode.
Switch-on threshold (On thrshld)
If, based on the signalled sensor reading, the automatic control establishes that the lights would have to be switched on at a very low dimming setting, the control does not switch on the lights if the control value is below the switch-on threshold. The purpose of this feature is to ensure the lights must not be continuously switched on and off if the brightness frequently fluctuates around the switch-on threshold – due to clouds, for example.
Off time
If, based on the signalled sensor reading, the automatic control establishes that the lights would have to be switched off, the control initially waits for the period set here (in minutes), and only then does it switch the lights off. If the brightness has diminished in the meantime, the lights are not switched off. The purpose of this feature is to ensure the lights must not be continuously switched on and off if the brightness frequently fluctuates around the switch-off threshold – due to clouds, for example.
Dimming speed (Dim speed)
Here, you can define the increments in which the control changes the brightness in AUTO mode, if a different brightness is established based on the sensor reading. You can reach the desired brightness more precisely by setting finer dimming increments. However, it then takes longer to adjust the brightness when the brightness settings are changed.
Number of measurements (Msr rnge)
This parameter allows you to define how many individual measurements the light sensor uses to calculate an average before using this value for control. The higher you set this parameter, the less sensitive the control is to interference (e.g. light from tractor headlights or lightning). However, the lights are also adjusted more sluggishly the higher you set this parameter.
Reaction variation (Reaction var.)
The reaction variation is a permitted tolerance between the sensor reading and the desired brightness. The control only readjusts the brightness when there is a larger variation. If you increase this value, the control does not achieve the desired brightness as precisely. If you lower the value, you risk causing the control to oscillate (the light is continually readjusted and repeatedly gets lighter and darker).
Technical data / Documentation
| Designation | Value |
| Power supply | 230 / 400 V, 50 Hz |
| Supply cable fuse | Three-pole B16 A circuit-breaker |
| Maximum current output of light circuits | Circuit 1: 16 A Circuit 2: 16 A Circuit 3: 8 A Circuit 4: 8 A |
| Maximum input surge current per circuit | 30 A for 5 ms |
| min cos φ | 0.8 |
| Interface of circuits 1 and 2 | 0–10 V |
| Button interface | NO contact 12 VDC |
| Operating temperature | 10 °C–40 °C |
| Protection type | IP 65 |
| Dimensions | 450 x 300 x 142 mm |
| Control voltage | 12 VDC |
You can find the circuit diagram at the end of these operating instructions.
Maintenance
This is a low-maintenance device. During routine inspections by a qualified electrician, have your LED light control checked as well. Here, the electrician will check the condition of all terminals (possibly tightening screw terminals) and the overall condition of components.
Clean the outside of the light control at regular intervals.
If you discover damage to the light control, switch off the power supply. Do not use the light control if it is damaged.
Use a specialist electrical company for repairs, or return the complete control to the manufacturer.
If individual relays do not switch reliably with every switching process, they have reached the end of their service life.
Please have the faulty relay replaced immediately and take the light control out of service during the meantime.
Support
If you have any questions about the LED light control or its configuration, please use the LED hotline:
Tel.: +49 8086 933 – 551
Email: [email protected]
CE-/UKCA-conformity declaration
Albert KERBL GmbH hereby declares that the product / device described in these instructions complies with the fundamental requirements and other relevant stipulations and regulations. The CE-/UCKA-mark confirms compliance with the Directives of the European Union or the relevant UK legislation.
Electrical waste
It is up to the operator to dispose of the device responsibly after its useful life in accordance with local regulations. Consult the relevant regulations for your country. The device must not be disposed of in household waste. Under the terms of the EU Directive on the disposal of old electrical and electronic equipment, the device can be taken to local authority-run refuse sites or recycling plants free of charge, or returned to dealers who offer a returns service. Correct disposal protects the environment and prevents any possible harmful impacts on humans and the environment.






















