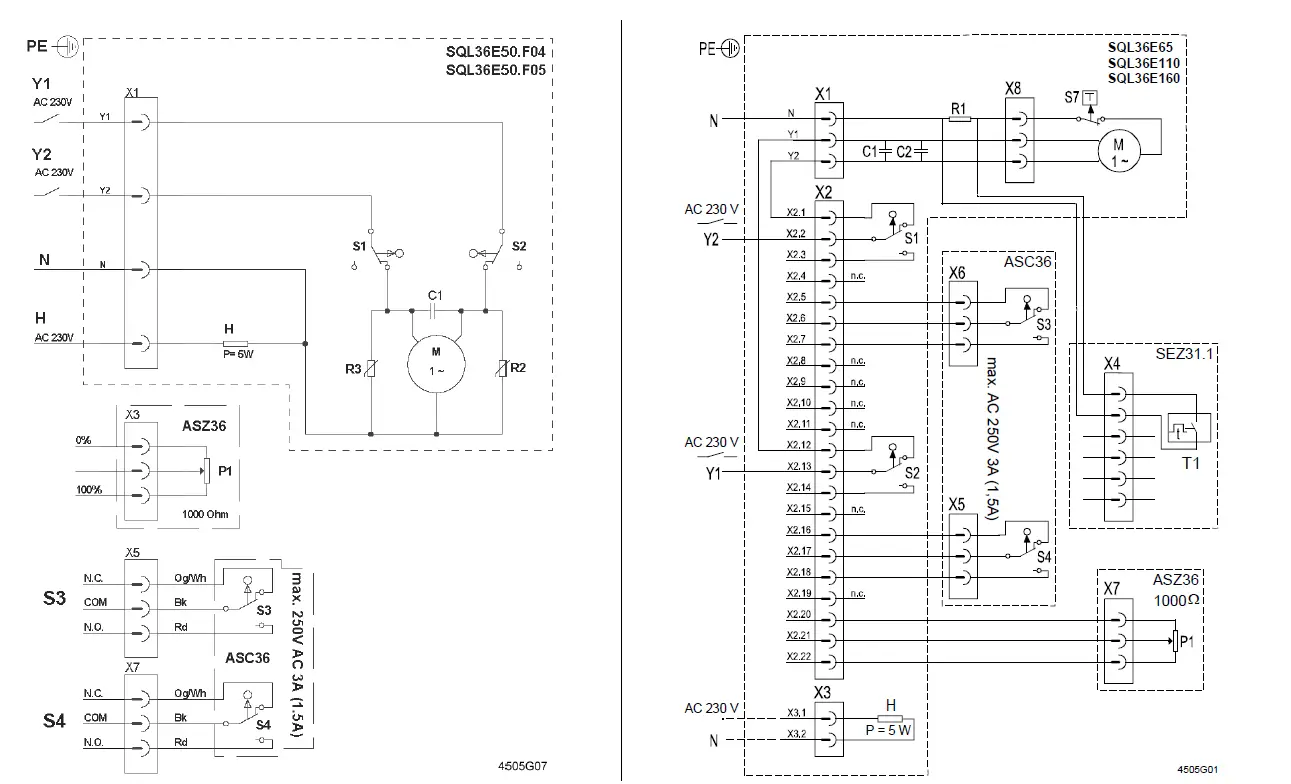
SIEMENS SQL36E160 Actuators

Safety Precautions
Mounting instructions





Dimension

| SQL36E50F04 | SQL36E50F05 | |
| DN | 40…65 | 80…125 |
| A | 210 | |
| B | 73 | |
| C | 137 | |
| D | 210 | |
| E | 65 | |
| G | Ø 80 | |
| H | 42 | |
| I | 126 | |
| J | 149 | |
| K | 110 | |
| L | 259 | |
| M | 124 | |
| X | ¨ 11 | ¨ 14 |
| Y | 42 | |
| Z | 50 | |
| EN 5211 | F04 | F05 |
| kg | 4.5 kg | |
| SQL36E65 | SQL36E110 | SQL36E160 | |
| DN | 150…200 | 250…400 | 450…600 |
| A | 208 | 208 | 208 |
| B | 78 | 88 | 112 |
| C | 157 | 169 | 170 |
| D | 235 | 257 | 282 |
| E | 65 | 81 | 110 |
| F | 65 | 87 | 126 |
| G | Ø 80 | Ø 125 | Ø 200 |
| H | 42 | 58 | 89 |
| I | 125 | 150 | 175 |
| J | 171 | 247 | 280 |
| K | 119 | 136 | 157 |
| L | 290 | 383 | 437 |
| M | 139 | 139 | 139 |
| X | ¨ 17 | ¨ 22 | ¨ 32 |
| Y | 70 | 102 | 165 |
| Z | 50 | 70 | 125 |
| EN 5211 | F07 | F10 | |
| kg | 7 kg | 14 kg | 25 kg |
Issued by Siemens Switzerland Ltd Smart Infrastructure Global Headquarters Theilerstrasse 1a 6300 Zug Switzerland
Tel. +41 58-724 24 24
www.siemens.com/buildingtechnologies
© Siemens Switzerland Ltd, 2004 Technical specifications and availability are subject to change without notice.






















