
OWNER’S MANUAL
ProXtrak
LIQUID EXTRACTOR 
MAN.LAV.BI – PRINTED IN CANADA (07-20)
IMPORTANT SAFETY INSTRUCTIONS
When using an electronic appliance, basic safety precautions should always be followed. Read all guidelines before operating the unit.
To reduce the risk of fire, electric discharges or injuries :
- Use this vacuum only for its intended use as described in this manual. (Use of attachments not recommended by the manufacturer may cause fire, electric shock, injury or damage to system components.)
- Do not allow the vacuum to be used as a toy. Close supervision is necessary when this vacuum is used near children.
- Do not leave the unit running without any supervision. Disconnect the unit if it is not used and before maintenance.
- Do not pick up anything that is burning or smoking, such as cigarettes, matches, or hot ashes.
- Do not pick up any flammable liquids or combustible materials (gasoline, fuel, diesel) hot debris, waste solvents (paint or other), or explosive materials that would cause harm to the vacuum cleaner.
- Do not vacuum drywall dust or baking flour as it may cause damage to your vacuum.
- Avoid picking up hard or sharp objects to prevent damaging or blocking the hose.
- This vacuum cleaner creates suction. Keep hair, face, fingers, all body parts, and loose clothing away from any openings.
- Never plug in a unit designed to operate with a current of 120V in a 230V outlet and vice versa.
- If the power cord is damaged, it must be replaced by a special cord available from the authorized local dealer/distributor.
- Do not use extension cords or outlets with inadequate current carry capacity.
- Never operate this vacuum if it has a damaged cord or plug, if it is not working properly, or if it has been dropped or damaged. Return to authorized dealers/distributors for repairs.
- Never handle plug, cord, or power units with wet hands.
- Never disconnect the plug by pulling the cord. To disconnect from the outlet, grasp the plug, not the cord.
- Connect to a properly grounded outlet only. See grounding instructions.
- Keep cord away from heated surfaces.
- Turn off all controls before unplugging.
- When transporting the unit in a vehicle, always tie it up in an upright position to prevent damages not covered by the warranty.
- Hoses with electrical connections must not be used if damaged.
By overlooking safety rules, you might risk putting your health in danger and to those who surround you!
Drainvac disclaims any responsibility should you infringe upon these guidelines.
SAVE THESE INSTRUCTIONS
INTRODUCTION
We wish to thank you for your trust and congratulate you for having chosen a Drainvac product. It is a sound investment that will satisfy your vacuuming needs for years to
come. Drainvac’s cleaning systems are manufactured and checked at our factory by our qualified staff who have been specifically trained to this end. A number of installations
and operating methods must be followed to ensure your system’s maximum performance and to avoid unnecessary service calls. Please read this manual carefully.
REGISTRATION
To fill in the Drainvac product registration form, go to www.drainvac.com/client-support/register-your-drainvac
First off, we recommend you to fill out this form before you start the installation process. If you have any concerns or problems you may encounter, please contact the nearest retailer. The unit’s profile will be required. 
Model* :……………
Serial number* :…………………
Retailer name :…………….
Date of purchase :……………………
Date of the last maintenance :………………….
*This information is found on a metal tag located on the left side of the unit.
HOW THE SYSTEM WORKS
The ProXtrak was designed with a purposely molded bottom for it to sit on the toilet* and to vacuum liquids. The tank never has to be emptied manually because it evacuates the wastewater automatically.
The sensitivity of the electrodes can be modified by the printed circuit board. See Annex for more information.
OPERATION SEQUENCE 
The unit can be placed on top of a floor drain, shower or outside (where permitted).
TECHNICAL SPECIFICATIONS
You have purchased one of the following models. Identify the one to relate to it.
The model number appears on the technical label stuck on the left side of the unit. 
PROXTRAK
NORTH AMERICA (108V – 120V)
| MODELS | HP | H2O | CFM | DECIBELS | AMPS | CAPACITY | FLOW | SIZE in/ cm |
| DV2P56 | 4 | 137 | 200 | 72 | 2 x 13.5 | 8 imp. gal. (36 L) | 15 imp. gal./min. (68 L/min.) | 15 dia. x 43 / 38 dia. x 95 |
| DV2P57 | 2 | 140 | 100 | 66 | 13.5 | |||
| DV2P552 | Truck mount | 3 | Truck mount | |||||
INTERNATIONAL (108V – 230V)
| MODELS | AIR WATTS | mmH2O | m³ /h | DECIBELS | CAPACITY | FLOW | SIZE in/ cm |
| DF2P56 | 4.1 | 3683 | 415 | 72 | 8 imp. gal. (36 L) | 15 imp. gal./min. (68 L/min.) | 15 dia. x 43 / 38 dia. x 95 |
| DF2P57 | 4.84 | 3605 | 315 | 68 | |||
| DF2P552 | Truck mount | 2 | Truck mount | ||||
UNIT DESCRIPTION 
Your model may vary from the illustrated figure.
OPERATING THE MEMBRANE
As illustrated on pages 6 and 7 of this manual, the ProXtrak system evacuates wastewater automatically when the canister is full. The membrane allows you to adjust the time-lapse during which the unit deactivates and empties its content. The unit also clears out the wastewater once the unit stops.
WHY CHANGE THIS PARAMETER?
Adjusting the flushing time is recommended if large amounts of liquid is vacuumed, such as during floods. Programming a longer time lapse between flushing time allows the toilet to flush all the liquids before the next cycle.
ON/OFF
The first LED will stay lit if the unit is on. Press once to turn it off. It will then start flashing, indicating that power is still running through the system, even though the unit is turned off.
MAINTENANCE
The middle LED will light up after 500 hours of usage. This means maintenance is required and the unit should be taken to a Drainvac retailer to be examined. Maintenance should only be reset by a qualified Drainvac technician.
FLUSHING TIME
- Press once to initiate a short flushing time – LED will flash once.
- Press twice to initiate medium flushing time – LED will flash twice.
- Press three times to initiate a long flushing time – the LED will flash three times.
UNIT INSTALLATION
WHERE TO INSTALL THE UNIT
The liquid extractor is designed to work at a far distance without having to travel back to the unit to empty the soiled liquids. This unit cleans up liquids and empties itself automatically. Essentially, the unit needs to be located over a suitable dumping point into which liquids can be drained. The most common dumping points are ; toilet bowls, showers, floor drain, or anywhere outside (where permitted).
Find the most central dumping point related to the entire scope of the job to set up the unit. If the job is on multiple levels find the lowest dumping point available. Open a window in the room where the unit is located to exhaust excess humidity. If located in a bathroom, start the ceiling fan. 
TRUCK MOUNT
Cleaning enterprises are currently using portable tanks by “truck mount” to empty the wastewater elsewhere. Municipalities are increasingly disallowing it! The ProXtrak V2P552 / DF2P552 allows to recover the liquids and emptying the waste directly on-site in the sanitary sewers via the toilet. It is the ideal model for sinister cleaning enterprises which already own a truck mount because these models do not include any motor!
APPLICATION
Begin work from the closest point to the unit “X”, right or left. Progress away from the unit and add hose lengths as required. When the farthest point is reached, work back towards the unit removing excess hose lengths as you progress back towards the unit. Using this method will keep hoses out of the way. For better hose drainage, lift the hose end and keep it elevated as you walk back towards the joint of the hose to be removed. Once you have finished, rinse the vacuum hose with clean water by vacuuming water from a filled sink until the unit has filled up and dumped once. While rinsing does not immerge the hose completely. Allow some air in. Let the unit run for 1 to 2 minutes to dry out the accessories and the hose. Stop the unit and leave it in a position to let it drip. After storing the accessories and the hose remove the unit. To avoid dripping on the floor, carry the unit horizontally by tilting it towards you.
ELECTRICAL POWER SUPPLY
The liquid extractor is a plug-in type. Some have up to two (2) motors and each motor has its own electrical plug-in cord. Each motor must be plugged to a separate circuit to prevent breaker overload and power interruption.
DIAGRAMS OF THE APPROPRIATE CONNECTIONS FOR YOUR MODEL

GROUNDING INSTRUCTIONS
These units must be grounded. If it should malfunction or break down, grounding provides a path of least resistance for electric current to reduce the risk of electric shock. This appliance is equipped with a cord having an equipment-grounding conductor and grounding plug. The plug must be inserted into an appropriate outlet that is properly installed and grounded in accordance with all local codes and ordinances.
WARNING – Improper connection of the equipment-grounding conductor can result in a risk of electric shock. Check with a qualified electrician or service person if you are in doubt as to whether the outlet is properly grounded.
DO NOT MODIFY THE PLUG PROVIDED WITH THE UNITS.
IF IT DOES NOT FIT THE OUTLET, HAVE A PROPER OUTLET INSTALLED BY A QUALIFIED ELECTRICIAN.
These units are for use on a nominal 120V or a 230V circuit and have a grounding attachment plug that looks like the one illustrated below. Make sure that the electrical
the cord is connected to an outlet having the same configuration as the plug.
NO ADAPTOR SHOULD BE USED WITH THIS APPLIANCE.
Illustration of a north-American electrical outlet
MAINTENANCE PROCEDURES
Each system requires minimum maintenance, without any exception.
MOTOR BRUSHES
Beyond the occasional external cleaning, we recommend that you inspect your motor
brushes after 500 hours of use to check how worn they are and have them replaced if necessary. When the time comes, contact your retailer or distributor for this maintenance
procedure. Take note that the motor brushes are not included in the warranty.
VISUAL INSPECTION
Your Automatik system is very user-friendly and we recommend a visual inspection through the porthole once a year or when needed. If you wish to clean the inside of the unit, refer to the following section “Regular Maintenance”.
REGULAR MAINTENANCE
The only maintenance required is cleaning the inside of the unit. 2 To proceed, you just have to remove the porthole glass as illustrated, by pivoting it in an anti-clockwise option using the handles. Use a scouring sponge to especially clean the protective screen, the two electrodes and, if needed, the tank. 
A blocked protective screen could reduce the unit’s performance and dirty electrodes could not adequately send a signal to the unit to pass on to the wastewater evacuation ycle. At the same time, it is recommended to visually inspect the water inlet pipe and the rubber hand to make sure that no foreign object is obstructing the water flow.
WEEE GUIDELINES
This unit complies with the WEEE (Waste Electrical and Electronic Equipment) Guidelines, which promote the recycling of this type of waste equipment and encourage the development of products that are adapted to efficient waste reclamation at the end of their life cycle.
The WEEE Guidelines stipulate that the original supplier should agree to reclaim any obsolete equipment free of charge. We recommend that you advise your supplier that you would like him to reclaim your unit when you order and replace it with a new one. Do not discard the unit with your regular garbage. The symbol representing a garbage bin on heels on the unit’s label (Figure B) attests to this requirement. You must ensure that, at the end of its life cycle, your unit is reclaimed, treated, and recycled by an authorized retailer or firm. For more information, contact your municipal waste management department.
RoHS
All presented units respect the European directive RoHS which limits the usage of six dangerous substances.
SUPPORT
If you wish to speak with a customer service representative, please contact your supplier/dealer. To find a retailer near you, please visit our website : www.drainvac.com/retailers.html
TECHNICAL PROBLEMS
THE UNIT WON’T START UP …
SOLUTION :
- Check fuse(s).
- For units with more than 1 motor, inverse plug-in cords.
- Check if the motor brushes are worn out or defective.
INSUFFICIENT VACUUM …
SOLUTION
- Remove the vacuum hose and start the unit. If the suction is good at the unit, the vacuum hose is blocked. Unblock by reversing the hose inlet and outlet.
- If the vacuum is not good, check the rubber valve and rotor blades. They might be damaged or dirty.
- Check if the rubber valve is defective.
WATER COMING OUT OF THE MOTORS /THE UNIT WILL NOT STOP…
SOLUTION
- Check if the liquid level probes are dirty.
- Check if the water is too soft.
- Contact us.

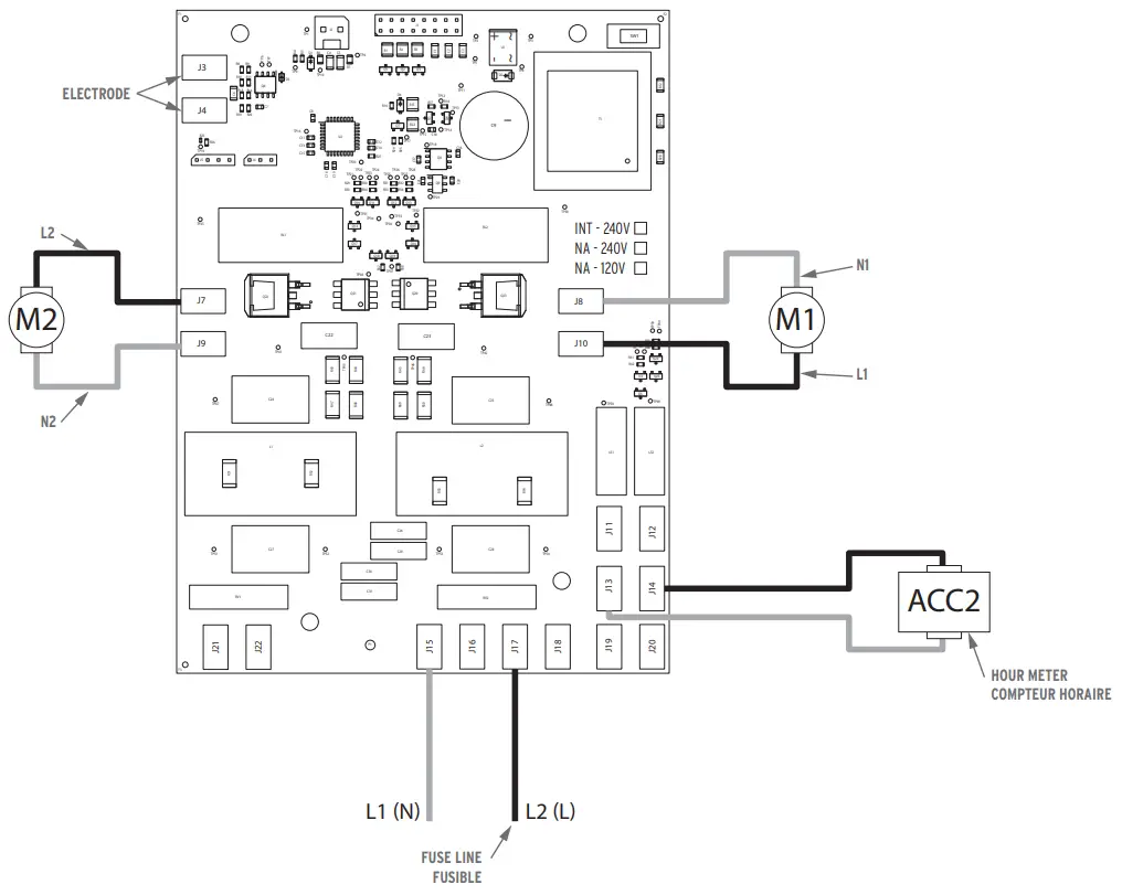
ANNEXE I
CIRC14R5NA1
DIAGRAMME DE CONNEXIONS
DV2P552, DF2P552
ANNEX I
CIRC14R5NA1
CONNECTION DIAGRAM
DV2P552, F2P552

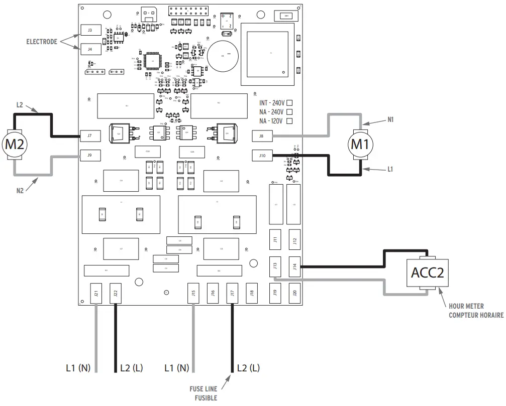
ANNEXE II
CIRC14R5NA1
DIAGRAMME DE CONNEXIONS
DV2P57, DF2P57
ANNEX II
CIRC14R5NA1
CONNECTION DIAGRAM
DV2P57, DF2P57

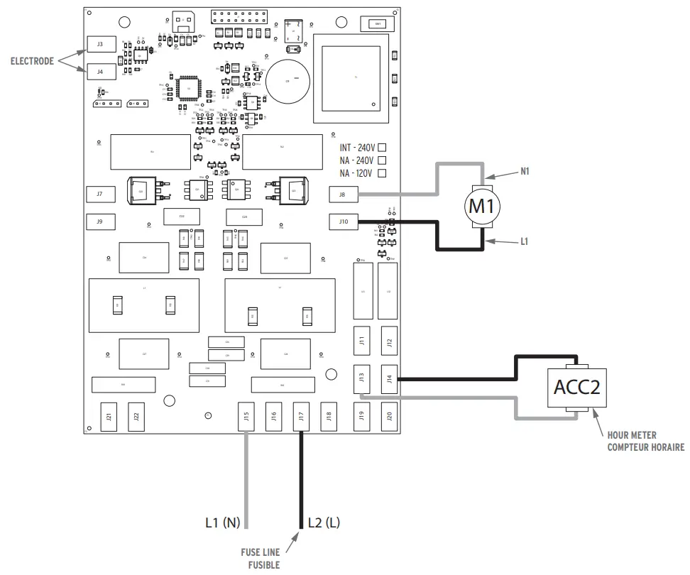
ANNEXE III
CIRC14R5NA1
DIAGRAMME DE CONNEXIONS
108-120 VOLTS
DV2P56
ANNEX III
CIRC14R5NA1
CONNECTION DIAGRAM
108-120 VOLTS
DV2P56

ANNEXE IV
CIRC14R5INT
DIAGRAMME DE CONNEXIONS
220-240 VOLTS
DF2P56
ANNEX IV
CIRC14R5INT
CONNECTION DIAGRAM
220-240 VOLTS
DF2P56




















