
General Outline
Overview
This Remote Controller is Wake-up solution for S-label EPD-TAG.
Remote Controller consists of NFC IC, MCU, Tact switch.
Features
- LED: Status Indicator (Green, Red, Purple)
- Operating 13.56 MHz
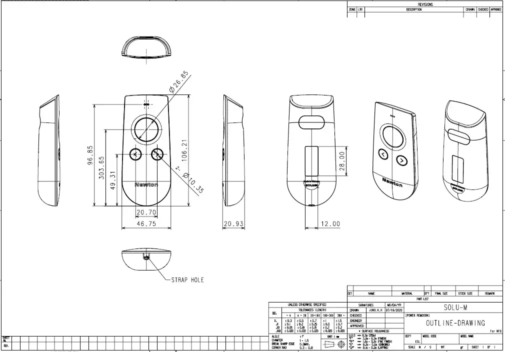
- Outline Dimension: 46.75mm X 106.21mm X 20.91mm
- RoHS Compliant
Application
Retail industry with electronic display and platform, solutions, and services Intelligently communicating, managing, and optimizing price and product informations.
* FCC Information to User
This equipment has been tested and found to comply with the limits for a Class B digital device, pursuant to Part 15 of the FCC Rules. These limits are designed to provide reasonable protection against harmful interference in a residential installation. This equipment generates, uses and can radiate radio frequency energy and, if not installed and used in accordance with the instructions, may cause harmful interference to radio communications. However, there is no guarantee that interference will not occur in a particular installation. If this equipment does cause harmful interference to radio or television reception, which can be determined by turning the equipment off and on, the user is encouraged to try to correct the interference by one of the following measures:
- Reorient or relocate the receiving antenna.
- Increase the separation between the equipment and receiver.
- Connect the equipment into an outlet on a circuit different from that to which the receiver is connected.
- Consult the dealer or an experienced radio/TV technician for help.
Caution
THE GRANTEE IS NOT RESPONSIBLE FOR ANY CHANGES OR MODIFICATIONS NOT EXPRESSLY APPROVED BY THE PARTY RESPONSIBLE FOR COMPLIANCE. SUCH MODIFICATIONS COULD VOID THE USER’S AUTHORITY TO OPERATE THE
EQUIPMENT
IMPORTANT NOTE: FCC RF Radiation Exposure Statement
This equipment complies with FCC RF radiation exposure limits set forth for an uncontrolled environment. This equipment should be installed and operated with a minimum distance of 20 centimeters between the radiator and your body. This transmitter must not be co-located or operating in conjunction with any other antenna or transmitter. This device complies with part 15 of the FCC Rules, Operation is subject to the following two conditions:
- This device may not cause harmful interference.
- This device must accept any interference received, including interference that may cause undesired operation.
Physical Dimension


Label Specification
Back Label: 28mmX12mm
Label Color: Silver
FCC ID; 2AFWN-ELOSONBBXO
R-R-SLU-ELOSONBBXO
MODEL: ELOSONBBX0O
MPD: APR.17.2019
S/N2000000 1623GDA001
Product information is indicated in a printed sticker label. The information consists of Model (model name), MFD(manufacturing date), S/N(serial number)
CE & KC certification mark, FCC ID and Manufaturer.
- FCC ID: 2AFWN-EL090NBBX0
- R-C-SLU-EL900ABBX0
- Model Name : EL090NBBX0/WWW
- MFD : (month).(date).(year) ex) APR.17.2017
- S/N : Daily Production Quantity (6 digits) & Serial Number Information & Bar-code (hexadecimal 10 digits)
Cautions for Treatment
Provisions should be made to protect against any damage to the product caused by Improper handling. The purchaser assumes any responsibility for damage to the product caused by improper handling. This RF device operates on the 13.56MHz frequency band and can produce radio interference. The device, therefore, may not be used for applications where safety of human lives is concerned.
Usage Environment
Take extra cautions when using this RF device in the vicinity of other electronic devices and appliances. Most electronic devices and appliances use electromagnetic waves. Electromagnetic waves emitted by this RF device can affect other electronic devices and appliances.
If using the device in an explosion hazard area, follow all safety regulations, instructions, and signals.
Storage and Use
- Moisture and liquids can damage internal parts and circuit boards if allowed to enter into the device itself.
- Do not place or store the product on a sloped surface. The product may slide and fall off the surface and damaged.
- Use the product in temperatures ranging from 0 to 40. Parts and circuits may be damaged if used or stored under temperature extremes.
- Avoid areas with strong magnetism or subject to magnetism.
- Contact between the device and a magnetic object can lead to malfunctions.
- Do not place the product near heat-producing kitchen appliances like a stove or a microwave or in the vicinity of highly pressurized containers.
- External impact to the product, such as from being dropped, can damage the product.
- Twisting and bending the product can damage the exterior casing and the internal components.
- If this product operates abnormally in eliminating battery or replacing battery, you should discharge it by contacting battery terminal (+) and (-).
This product uses 13.56MHz frequency band for wireless communication network. Radio communications can be limited or affected by other applications which share same frequency band. Frequent use of communication can reduce battery life time. Hereby, SOLUM CO.,LTD. declares that this EL090NBBXO is in compliance with the essential requirements and other relevant provisions of directive 1999/5/EC
ISED Information to User
This device complies with Industry Canada’s licence-exempt RSSs. Operation is subject to the following two conditions:
- This device may not cause interference; and
- This device must accept any interference, including interference that may cause undesired operation of the device
- PMN(Product Marking Name) : NFC Remote Controller
- FVIN(Firmware Version Identity Number) : 6.0

















