sinope TH1310WF 3600W Smart Floor Heating Thermostat Installation Guide
Warnings
The installation of this thermostat must be performed by a certified electrician and comply with the national and local electrical codes and regulations.
Before starting the installation of your new thermostat, please make sure that the breakers for your heating system are off at the main electrical panel!
INSTALL YOUR THERMOSTAT
- Unlock and lift the thermostat cover.

- Connect the heating floor by using the wire connectors load / line located on the back of the thermostat. Connect the ground wire to the screw in the electrical box intended for this purpose.

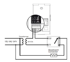
- Connect the sensor. (Only for control applications in F mode or with floor limit.)

- Use the screws to secure the thermostat to the electrical box.

- Replace the cover and lock

- Power up the thermostat. After performing a test sequence, the thermostat should display the floor temperature. If not, refer to the trouble- shooting guide in this manual.

USER SETTINGS
Increasing or lowering the temperature
To adjust the temperature, press
or
. The requested temperature will blink to confirm the new setpoint.

Leaving the standby mode
When the thermostat is on standby, press any button to turn back ON the thermostat. The thermostat will resume operation under its last program settings.
A thermostat that is placed on standby before a power failure will be on standby by default when power is restored.
All of the thermostat’s settings can be set through the Neviweb app.
However, if you have not created your account and wish to change the temperature format or the control cycle, you need to:
Get the setpoint to its minimum and hold the
button for 10 seconds to access the menu.
Press the
or
button to change the setting.

Press the
and
buttons simultaneously to save and go to the next parameter. Continue to press until the end of the list to exit the menu.

The following table lists the settings that can be changed directly on the thermostat.
You can change more settings through the Neviweb application.
Settings which can be modified directly on the device:

The thermostat offers 2 temperature regulation modes:
F mode (default): Regulates the floor temperature by means of an external temperature sensor with the possibility to limit ambient temperature.
A mode: Regulates ambient temperature with the possibility to limit floor temperature by means of an external temperature sensor.
Maximum limit of the ambient temperature (F mode)
Thermostat limits floor heating so as not to exceed the set ambient temperature limit
Maximum floor temperature limit (A mode)
The thermostat limits floor heating to the set temperature to ensure it does not exceed the selected limit. Ideal for protecting engineered wood floors.
Minimum floor temperature limit (A mode)
The thermostat limits the minimum temperature of the floor in order to keep it at a comfortable temperature.
This parameter can only be used when a floor sensor is connected to the thermostat.
Assigning the auxiliary output (A mode)
The thermostat provides an auxiliary output that has three functions which
are set from the user settings.
15 sec function: Short cycle auxiliary output (15 seconds). Used for a heater
controlled through an electronic relay (SSR).
15 min function: Long cycle auxiliary output (15 minutes). Used for a heater controlled through an electromechanical relay or equipped with a fan.
In the 15 sec and 15 min functions, the thermostat controls the ambient temperature with the floor. Once the floor temperature has reached its limit, if the desired ambient temperature is not reached, the auxiliary output activates the heating device to reach the set temperature. (The auxiliary output acts as a second heating stage.)
EXP function: Auxiliary output to connect several heating floors (TR1310 sold separately).
OFF function (default): Disables the auxiliary output.
When installing your floor heating system: add a second sensor in the floor whose tip can be stored in the thermostat housing. This additional sensor can be plugged in and used as a replacement without altering your floor heating system.

To disconnect a thermostat from a network, refer to the disconnection procedure on the back of this guide.
CONNECT AN EXPANSION UNIT (TR1310)
It is possible to connect up to 10 expansion units to the same device. (EXP function)

CONNECT THE AUXILIARY OUTPUT
Second heating stage (15 sec / 15 min functions)

CONNECT YOUR THERMOSTAT TO YOUR APPLICATION
- If you do not have an account yet, download the Neviweb app for iOS or Android to open an account and add your device.


- Tap the
then select “Add Device”
- Follow the steps of the Installation Wizard
DISCONNECT YOUR THERMOSTAT FROM THE WI-FI ROUTER OR THE NEVIWEB APP
To disconnect your thermostat from the Wi-Fi router press the
and
buttons simultaneously for 10 seconds. The
symbol will disappear from the display.

To remove your thermostat from Neviweb, press Delete in the thermostat settings.
GROUND FAULT PROTECTION
The thermostat is equipped with a ground fault protection that can detect a current leakage of 5 mA. When a current leakage is detected, the ground fault protection is triggered and quickly interrupts the power supply to prevent any serious injuries.
Resetting the ground fault protection
The RESET button warning light turns ON (red) when the ground fault protection is triggered. If the RESET button warning light turns ON during normal operation of the thermostat, simply press the RESET button to reset the ground fault protection. The light will turn OFF. If for any reason this situation occurs again, cut the power to the heating system from the main electrical panel and ask a qualified electrician to verify the installation.
Testing the ground fault protection
This thermostat has an Auto Test which periodically verifies the correct operation of the protection circuit. You can also do this manually:
- Press the TEST button. If the RESET button’s, red warning light does not turn ON, the test has failed. Cut the power to the heating system from the main electrical panel and ask a qualified electrician to verify the installation.
- Press the RESET button to restart the thermostat’s base.

TROUBLESHOOTING GUIDE
What should I do if the E1F code appears on my thermostat display?
The E1F code means that the thermostat is in “Floor” mode and there is no connected sensor. If your thermostat is not intended to control an heated floor, change the thermostat’s control mode for the “A mode”
TECHNICAL SPECIFICATIONS
Operating voltage: 120/208/240 Vac, 50/60 Hz
Maximum load:
1800 W @ 120 V / 15 A
3120 W @ 208 V / 15 A
3600 W@ 240 V/ 15 A
Setpoint range: 5 °C to 36 °C (41 °F to 96 °F)
Display range: 0 °C to 50 °C (32 °F to 99 °F)
Resolution: ± 0.5 °C (± 1 °F)
Storage: -20 °C to 50 °C (-4 °F to 122 °F)
Auxiliary output: 24 Vac/Vdc / 0.1 A
GFCI protection: Class A (5mA)
Protocole : Wi-Fi
Standard: IEEE 802.11 b/g/n
Frequency: 2.4 GHz
Controlling this HomeKit-enabled accessory automatically and away from home requires a HomePod, Apple TV, or iPad set up as a home hub. It is recommended that you update to the latest software and operating system.

Use of the Works with Apple badge means that an accessory has been designed to work specifically with the technology identified in the badge and has been certified by the developer to meet Apple performance standards. Apple is not responsible for the operation of this device or its compliance with safety and regulatory standards.
HomeKit is a trademark of Apple Inc.
Neviweb® is a registered trademark of Sinopé Technologies Inc. in Canada and the United States.
Apple and the Apple logo are trademarks of Apple Inc., registered in the U.S. and other countries.
App Store is a service mark of Apple Inc., registered in the U.S. and other countries. Google Play and the Google Play logo are trademarks of Google Inc.
The Wi-Fi CERTIFIED™ Logo is a certification mark of Wi-Fi Alliance®
Trasmitter module IC: 21098-ESPWROOM32 / FCC ID: 2AC7Z-ESPWROOM32
This device complies with Industry Canada license exempt RSS standard(s). Operation is subject to the following two conditions:
(1) this device does not cause interference, and (2) this device must accept any interference, including interference that may cause undesired operation of the device.
This equipment has been tested and found to comply with the limits for a Class B digital device, pursuant to part 15 of the FCC Rules. These limits are designed to provide reasonable protection against harmful interference in a residential installation. This equipment generates, uses and can radiate radio frequency energy, and if not installed and used in accordance with the instructions, may cause harmful interference to radio communications. However, there is no guarantee that interference will not occur in a particular installation. If this equipment does cause harmful interference to radio or television reception, which can be determined by turning the equipment OFF and ON, the user is encouraged to try to correct the interference by one or more of the following measures:
Reorient or relocate the receiving antenna.
Increase the separation between the equipment and receiver.
Connect the equipment into an outlet on a circuit different from that to which the receiver is connected.
Consult the dealer or an experienced radio/TV technician for help.
3-year limited warranty
SINOPE TECHNOLOGIE INC. warrants the components of their products against defects in material and workmanship for a 3-year period from the date of purchase, under normal use and service, when proof of purchase of such is provided to the manufacturer. This warranty does not cover any transportation costs that may be incurred by the consumer. Nor does it cover a product subjected to misuse or accidental damage. The obligation of SINOPÉ TECHNOLOGIE INC., under the terms of this warranty, will be to supply a new unit and this releases the manufacturer from paying the installation costs or other secondary charges linked to replacing the unit or the components.
For more information, visit our Website:





























