
TH1300ZB
Installation Guide
Smart Floor Heating
Thermostat (3600 W)
zigbee 3.0
Warnings
The installation of this thermostat should be made by a certified electrician and must be installed in conformity with the national and local Electrical Codes.
Before starting the installation of your new thermostat, please make sure that the breakers for your heating system are off at the main electrical panel!
INSTALL YOUR THERMOSTAT
- Unlock and lift the thermostat cover.

- Connect the heating floor by using the wire connectors load/line located on the back of the thermostat. Connect the ground wire to the screw in the electrical box intended for this purpose.

- Connect the sensor. (Only for control applications in F mode or with floor limit.)

- Use the screws to secure the thermostat to the electrical box.

- Replace the cover and lock.

- Power up the thermostat. After performing a test sequence, the thermostat should display the floor temperature. If not, refer to the troubleshooting guide in this manual.

USER SETTINGS
Increasing or lowering the temperature
To adjust the temperature, press ↓or↑. The requested temperature will blink to confirm the new setpoint.
All the parameters of your thermostat can be programmed through Neviweb or the interface of your compatible Zigbee gateway.
However, if your thermostat is not connected to you gateway and you wish to change the temperature format or the control cycle, you need to:
Get the setpoint to its minimum and hold the ↓ button for 10 seconds to access the menu.
Press the ↓or↑ button to change the setting.
Press the and buttons simultaneously to save ↓and ↑ go to the next parameter. Continue to press until the end of the list to exit the menu.
The following table lists the settings that can be changed directly on the thermostat.
You can change other settings through Neviweb or the application of your compatible Zigbee gateway. *
Settings that can be modified on the device directly:
| # | Name | Parameters & settings | Display |
| 1 | Load | Load power 0 watt to 3600 watt | ![]() |
| 2 | Display | Temperature format °C or °F (default: °C) | ![]() |
| 3 | Control | Control mode An (Air). F (Floor) (default F) | ![]() |
| 4 | Limit Floor Max | Maximum floor temperature 5 °C to 36 °C (default: OFF) | ![]() |
| 5 | Aux | Assignment of auxiliary output OFF. EXP. 15 sec 15 Mn (default: OFF) | ![]() |
| 6 | Sensor | Floor sensor 10Kor 12K (default 10K) | ![]() |
3) The thermostat offers 2 temperature regulation modes:
F mode (default): Regulates the floor temperature by means of an external temperature sensor with the possibility to limit ambient temperature.
A mode: Regulates ambient temperature with the possibility to limit floor temperature by means of an external temperature sensor.
4) Maximum floor temperature limit (A-mode)
The thermostat limits floor heating to the set temperature to ensure it does not exceed the selected limit. Ideal for protecting engineered wood floors.
5) Assigning the auxiliary output (A-mode):
The thermostat provides an auxiliary output that has three functions which are set from the user settings.
15-sec function: Short cycle auxiliary output (15 seconds). Used for a heater controlled through an electronic relay (SSR).
15 min function: Long cycle auxiliary output (15 minutes). Used for a heater controlled through an electromechanical relay or equipped with a fan.
In the 15 sec and 15 main functions, the thermostat controls the ambient temperature with the floor. Once the floor temperature has reached its limit, if the desired ambient temperature is not reached, the auxiliary output activates the heating device to reach the set temperature. (The auxiliary output acts as a second heating stage.)
EXP function: Auxiliary output to connect several heating floors
(TR1310 sold separately).
OFF function (default): Disables the auxiliary output.
When installing your floor heating system: add a second sensor in the floor whose tip can be stored in the thermostat housing. This additional sensor can be plugged in and used as a replacement without altering your floor heating system.
* Available settings may vary depending on your gateway.
** To disconnect a thermostat from a network, refer to the disconnection procedure on the back of this guide.
CONNECT AN EXPANSION UNIT (TR1310)
It is possible to connect up to 10 expansion units to the same device. (EXP function)
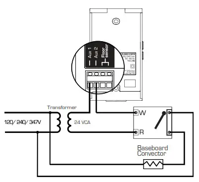
CONNECT THE AUXILIARY OUTPUT
Second heating stage (15 sec / 15 min functions)
ADD YOUR THERMOSTAT TO THE GT130 GATEWAY AND NEVIWEB
- If you do not have an account yet, download the Neviweb app for iOS or Android to open an account and add your device.


- Tap the
then select “Add Device”
- Follow the steps of the Installation Wizard
CONNECT YOUR THERMOSTAT TO A COMPATIBLE ZIGBEE SYSTEM
- Initiate the connectivity session of your compatible Zigbee hub by referring to the device’s user guide.

- Connect all your thermostats the same way, by going to the next closest thermostat.

- Connect your thermostat to the network by pressing simultaneously on the ↓ and↑ buttons.
On the thermostat display:
Flashes: Connecting
Remains lit: Connected
If the connectivity fails, the symbol
will disappear from the display. Refer to our Website to troubleshoot the unit.
- When all the thermostats are connected, close the connectivity session of your compatible Zigbee hub.

DISCONNECT YOUR THERMOSTAT FROM A COMPATIBLE ZIGBEE SYSTEM
To disconnect your thermostat from the Zigbee compatible hub, press the ↓ and↑ buttons simultaneously for 10 seconds. The symbol will disappear from the display.
GROUND FAULT PROTECTION
The thermostat is equipped with ground fault protection that can detect a current leakage of 5 mA. When a current leakage is detected, the ground fault protection is triggered and quickly interrupts the power supply to prevent any serious injuries. Resetting the ground fault protection
The RESET button warning light turns ON (red) when the ground fault protection is triggered. If the RESET button warning light turns ON during normal operation of the thermostat, simply press the RESET button to reset the ground fault protection. The light will turn OFF. If for any reason this situation occurs again, cut the power to the heating system from the main electrical panel and ask a qualified electrician to verify the installation.
Testing the ground fault protection
This thermostat has an Auto Test which periodically verifies the correct operation of the protection circuit. You can also do this
manually:
- Press the TEST button. If the RESET button’s red warning light does not turn ON the test has failed. Cut the power to the heating system from the main electrical panel and ask a qualified electrician to verify the installation.
- Press the RESET button to restart the thermostat’s base.

TROUBLESHOOTING GUIDE
What should I do if the E1F code appears on my thermostat display?
The E1F code means that the thermostat is in “Floor” mode and there is no connected sensor. If your thermostat is not intended to control a heated floor, change the thermostat’s control mode for the “A mode”.
TECHNICAL SPECIFICATIONS
Operating voltage: 120/208/240 Vac, 50/60 Hz
Maximum load:
1800 W @ 120 V / 15 A
3120 W @ 208 V / 15 A
3600 W @ 240 V / 15 A
Setpoint range: 5 °C to 36 °C (41 °F to 96 °F)
Display range: 0 °C to 50 °C (32 °F to 99 °F)
Resolution: ± 0.5 °C (± 1 °F)
Storage: -20 °C to 50 °C (-4 °F to 122 °F)
Auxiliary output: 24 Vac / Vdc / 0.1 A
GFCI protection: Class A (5mA) Zigbee profile 3.0
Frequency: 2.4 GHz
Transmission power: +20 dBm
Receiver sensitivity: -108 dBm

Transmitter Module IC : 22394-ZBM1501 / FCC ID:2AK2T-ZBM1501 This device complies with Industry Canada license-exempt RSS standard(s). Operation is subject to the following two conditions: (1) this device does not cause interference, and (2) this device must accept any interference, including interference that may cause undesired operation of the device. This equipment has been tested and found to comply with the limits for a Class B digital device, pursuant to part 15 of the FCC Rules. These limits are designed to provide reasonable protection against harmful interference in a residential installation. This equipment generates, uses and can radiate radio frequency energy, and if not installed and used in accordance with the instructions, may cause harmful interference to radio communications. However, there is no guarantee that interference will not occur in a particular installation. If this equipment does cause harmful interference to radio or television reception, which can be determined by turning the equipment OFF and ON, the user is encouraged to try to correct the interference by one or more of the following measures:
Reorient or relocate the receiving antenna.
Increase the separation between the equipment and receiver.
Connect the equipment into an outlet on a circuit different from that to which the receiver is connected.
Consult the dealer or an experienced radio/TV technician for help.
3-year limited warranty
SINOPE TECHNOLOGIES INC. warrants the components of their products against defects in material and workmanship for a 3-year period from the date of purchase, under normal use and service, when proof of purchase of such is provided to the manufacturer. This warranty does not cover any transportation costs that may be incurred by the consumer. Nor does it cover a product that has been improperly installed, misused or accidentally damaged.
The obligation of SINOPÉ TECHNOLOGIES INC., under the terms of this warranty, will be to supply a new unit and this releases the manufacturer from paying the installation costs or other secondary charges linked to replacing the unit or the components.
For more information, visit our Website: www.sinopetech.com



































