niko 70980 Dali Relay Module

Product Description

The DALI relay module is according to standard EN 623896-208 (device type 7) for connection of a DALI bus and controlled with DALI commands. The relay module must be connected to a DALI bus. It can be for a DALI bus belonging to a stand-alone DALI master presence detector for daylight control eg type 41750, 41751. It is also possible to connect the relay module to a DALI bus belonging to other DALI systems.
Function
The relay module contains one relay for connection of eg. standard illumination without dimming.
Safety notes
Ensure that the electrical lines are de-energized before installation. Installation is only permitted by electricians in compliance with local legislation.
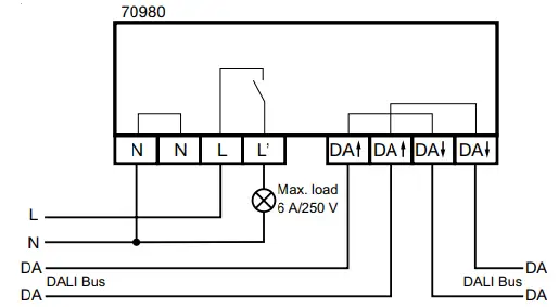
Installation
- Mounting:
The relay module must be mounted in a closed installation space such as junction box or similar. - Connection:
All cables must be connected before connecting the relay module to power supply. Connect the relay module according to the connection diagram (3).
- Status:
When the relay module has been activated, i.e. relay is ON, the red LED will illuminate as status (2).
Settings
The parameters in must be set with DALI software the remote control 41934 or by the Züblin App. The relay module can be configured with address when connecting the DALI master detector.
The DALI Relay Module must be installed together with the 4175x sensors and the ballast. The 4175x sensor addresses the DALI Relay Module identical as the connected DALI ballasts during the initialization of the DALI devices. The red LED is activated when the zone must be defined for the DALI Relay Module. If the zone is set to 1-3, the Relay Module is activated identically as the light for zones 1-3. If the DALI Relay Module is set to zone 4 it acts according to the setting on the 4175x sensor for zone 4. This can be light, HVAC or Cut-Off (see manual of 4175x sensor for more details).
Non-supported DALI commands:
- EN 62386-102: 129 and 275
- EN 62386-208: 224, 229, 246, 249 and 250
Factory settings:
- DALI values:
- Fade time 2,8 sec.
- Min level 100% (step 254)
- Max level 100% (step 254)
- Power on level 100% (step 254)
- System failure level 100% (step 254)
- Up Switch-On Threshold 0,1% (step 1)
- Up Switch-Off Threshold MASK (step 255)
- Down Switch-Off Threshold MASK (step 255)
- Down Switch-Off Threshold Off
Technical Data
| Supply voltage | 230 V ~ 50 Hz |
| Relay switching power | 1380 W, 6 A 720 VA, 3 A LED 300 W |
| Power consumption | 5.5 mA |
| Protection type | IP20 |
| Temperature range | -5 °C to +40 °C |
| Installation height | 1–3 m |
| Dimensions | 44x44x35 mm |



















