HUFFY Motorcycle Ride On Owner’s Manual
Safety and Warnings
This product meets ASTM F963 and CPSIA requirements for electric vehicles.
IMPORTANT! Before using the unit for the fi rst time the battery needs to be charged for at least 8 to 12 hours – no more than 20 hours. Only an adult who has read and understands the safety warnings should handle, charge or recharge of the battery (see Operation section).
Troubleshooting
Troubleshooting Guide:
| Problem | Possible Cause | Solution |
| Vehicle does not run | Battery low on power | Recharge battery (see Battery: Recharge interval and time) |
| Thermal fuse has tripped | Let Fuse reset (approx. 5 minutes) | |
| Battery connector or wires are loose | Check that the battery connectors are firmly plugged into each other. If wires are loose around the motor call Customer Service. | |
| Battery is dead | Replace battery (see Battery: Replacement and Disposal) | |
| Electrical system is damaged | Call Customer Service. | |
| Motor is damaged | Call Customer Service. | |
| Vehicle does not run very long | Battery is under charged. | Check that the battery connectors are firmly plugged into each other when recharging (see Battery: Recharge interval and Time) |
| Battery is old | Replace battery (see Battery: Replacement and Disposal) | |
| Vehicle runs sluggishly | Battery low on power | Recharge battery (see Battery: Replacement and Disposal) |
| Battery is old | Replace battery (see Battery: Replacement and Disposal) | |
| Vehicle is overload | Reduce weight on vehicle (see user requirements and Safety Warnings) | |
| Vehicle is being used in harsh conditions | Avoid using vehicle in harsh conditions (see User Requirements and Safety Warnings) | |
| Vehicle will not run when foot pedal is pressed and shift lever is in the forward or backward position | Poor contact of wires or connec- tors | Check that the battery connectors are firmly plugged into each other. If wires are loose around the motor call Customer Service. |
| “Dead Spot” on motor | A dead spot means the electric power is not being delivered to the terminal connection and the vehicle needs repair. Call Customer Service. | |
| Difficult shifting from forward to reverse or vice-versa | Attempting to shift while the vehicle is in motion | Completely stop the vehicle and shift (see Use: Manual Operation) |
| Loud grinding or clicking noises coming from motor or gear box | Motor or gears are damaged | Call Customer Service. |
| Drive Wheel is partially engaged | Check drive wheel – to motor engagement. | |
| Battery will not recharge | Battery connector or adapter connector is loose | Check that the battery connectors are firmly plugged into each other. |
| Charger not plugged in | ||
| Charger is not working | Check that the battery charger is plugged into a working wall outlet. | |
| Battery is dead | Replace battery. | |
| Charger feels warm when recharging | This is normal and not a cause for concern | If excessively hot, unplug and replace. |
Safety & Warnings
WARNING – TO AVOID SERIOUS INJURY:
Here are basic, common sense safe riding practices you should read aloud to your child and anyone who may use the vehicle.
It is the responsibility of the adult to educate the child, determine if they are fi t to operate the vehicle, and supervise use.
To avoid serious injury or death follow these safety rules and guidelines:
- Adult assembly required. Choking hazard to children under the age of 3 years – contains small parts. Keep small children away when assembling. Keep poly bags away from child.
- After complete assembly, remove and dispose of all protective material and poly bags. Be sure to remove all packaging materials and parts from underneath the vehicle body.
- To reduce the risk of injury, continuous adult supervision is required while using the vehicle.
- It is the responsibility of the adult to educate the child and determine if they are capable of operating the vehicle safely.
- Ensure child uses common sense and safe practices when using the vehicle.
- Before using the vehicle the child must understand the controls and safety issues. They must also demonstrate the capability and skill to handle the vehicle and operate its controls to avoid falls or collisions.
- Riders should always wear a properly fi tted helmet that complies with U.S. Consumer Product Safety Commission CPSC) Standard 16 CFR 1203.
- If equipped, child should always use properly and securely attached Seat Belt.
- Always wear shoes.
- Never allow more than one (1) rider.
- SEATED MODELS: Always sit in the seat when using the vehicle. Do not stand on sideboards. Do not stand on or in vehicle while moving.
- FOOT/FENDER BRAKE MODELS: Fender can become hot after use. Do Not touch with hand.
- MODELS WITH NO BRAKES: Motor friction will gradually stop the unit.
- Self-locking nuts and other self-locking fixings may lose their eff ectiveness when reused.
- Body parts such as hands, legs, hair and clothing can get caught in moving parts. Never place a body part near a moving part or wear loose clothing while using the vehicle
- Do not use the vehicle in an unsafe manner or at an unsafe speed. Examples include but are not limited to:
- Always use vehicle in a safe, secure environment on fl at, smooth paved surfaces only.
- Never use in roadways, near motor vehicles, on or near steep inclines or steps, swimming pools or other bodies of water.
- Do not pull or push the vehicle with another vehicle or similar device.
- Do not tow anything behind the vehicle.
- Do not drive into fixed objects, which may cause the wheels to spin, causing the motor to overheat.
- Never use near streets, water, swimming pools, hills, steps, drop-off s, sloped surfaces or driveways, wet areas, flammable vapors, in alleys, at night or in the dark.
- Do not use the vehicle in unsafe conditions such as snow, rain, loose dirt, mud sand or fine gravel. This may result in unexpected action such as tip over and skidding. Using the vehicle in loose dirt, mud, sand, or fine gravel may damage the electronics and gear box inside the vehicle.
- Do not overload the vehicle. Do not drive in very hot weather, components may overheat. Do not allow water or other liquids to come in contact with the battery or other electric components.
- Obey all local traffic and scooter riding laws and regulations.
- Do not tamper with the electrical system. Doing so may create a short, causing the fuse to trip or other damage including fi re.
- RISK OF FIRE. Do not bypass fuse. Replace only with original size and type.
- There are additional hazards of using the vehicle in areas other than private grounds.
- Only use authorised replacement parts.
- Before each ride, check that the steering system is correctly adjusted and that all connection components are fi rmly secured and not broken
- Refer to the Assembly Manual for the correct techniques for use and for braking
- While using the product, keep hands and fi ngers away from wheels and other moving parts to avoid danger of pinching or entrapment.
- If wheels or bearings are worn and do not spin freely, replace with original equipment.
- Non-rechargeable batteries are not to be recharged
- Batteries are to be inserted with the correct polarity
- The supply terminals are not to be short-circuited
- Batteries are only to be charged by adults or by children at least 8 years old
- The battery chargers used with the toy are to be regularly examined for damage to the cord, plug, enclosure and other parts, and in the event of such damage, they must not be used until the damage has been repaired.
WARNING: ALWAYS WEAR YOUR HELMET WHEN RIDING THIS PRODUCT!
- Helmet should sit level on your head and low on your forehead. Exposed forehead can result in serious injury.
- Adjust the strap sliders below the ear on both sides.
- Buckle the chin strap. Adjust strap until it is snug.
- No more than two fingers should fi t between the strap and your chin.
- A proper fitting helmet should be comfortable and not rock forward/backward or side to side.


Drive Battery Replacement and Disposal
The drive battery will eventually lose the ability to hold a charge. Depending on the amount of use, and varying conditions, the battery should operate for one to three years. Follow these steps to replace and dispose the battery:
- Remove left side Lower Engine Cover (3 screws)
- Carefully lift the battery.
- Depending on the condition of the battery (i.e.: leakage) you may want to wear protective rubber gloves before removal.
- Do not lift the battery by its connectors or cables.
- Disconnect the battery connectors.
- Place the dead battery in a plastic bag.

IMPORTANT!- The sealed lead-acid battery must be recycled or disposed of in an environmentally sound manner.
- Do not dispose of battery in a fi re. The battery may explode or leakacid.
- Do not dispose of the battery in household trash. The incineration, land
filling or mixing of sealed lead-acid batteries with household trash is prohibited by law. - Return an exhausted battery to a federal or state approved lead- acid battery recycler, such as a local seller of automotive batteries (check local battery disposal regulation.
NOTE: Replacement batteries are available at most battery supply stores. Document battery size and type (found on battery).
- Install replacement battery and reconnect the connectors.
- Replace Engine Cover and 3 screws.
Battery storage
The drive battery should be charged when depleted, or if not used regularly, once a month. Failure to charge the battery as directed will cause permanent damage to the battery and will void the warranty.
Follow these guidelines if the battery is removed:
- Do not store battery in extreme hot or cold temperatures.
- Wipe the battery clean with a dry cloth prior to storage. Wash cloth separate from other clothes.
Maintenance
Maintenance Repair and Service
GENERAL: The vehicle should be checked for damage, missing or badly worn parts before each use. If any part of the product does not operate properly – discontinue use.
- Check the tightness of the fasteners before each use. Replace any fasteners that are damaged.
- Inspect the product frequently. Failure to inspect the product and to make repairs or adjustments, as necessary, can result in injury to the rider or to others. Make sure all parts are correctly assembled and adjusted as written in this manual and any “Special Instructions”.
- Immediately replace any damaged, missing, or badly worn parts.
- Make sure all fasteners are correctly tightened as written in this manual and any “Special Instructions”. Parts that are not tight enough can be lost or operate poorly. Over tightened parts can be damaged. Make sure any replacement fasteners are the correct size and type.
- Check the tightness of the wheels:
NOTE: If the drive wheel is not tight, it will not engage the gears and the vehicle will not run. - Ensure the battery bracket is securely in place before use.
- Store the vehicle indoors. Keep it away from sources of heat, such as stoves and heaters.
- Keep the product clean and free of dirt, dust and water. This will prolong the useful life of the product.
- Clean the vehicle with a soft, dry cloth. To restore shine to plastic parts, use a non-wax furniture polish. Do not use automotive wax, abrasive cleaners or wash the vehicle with soap and water.
NOTE: If the instructions in this manual or any “Special Instructions” are not sufficient for you, please contact customer service.
CAUTION: Self-locking nuts and other self locking devices may lose their effectiveness when re-used.
Radio Frequency Information (charger/adapter/controller)
WARNING: Changes or modifications to this unit not expressly
approved by the party responsible for compliance could void the user’s authority to operate the equipment.
This device complies with Part 15 of the FCC Rules. Operation is subject to the following two conditions:
- this device may not cause harmful interference, and
- this device must accept any interference received, including interference that may cause undesired operation.
NOTE: This equipment has been tested and found to comply with the limits for a Class B digital device, pursuant to Part 15 of the FCC Rules. These limits are designed to provide reasonable protection against harmful interference in a residential installation. This equipment generates, uses and can radiate radio frequency energy and, if not installed and used in accordance with the instructions, may cause harmful interference to radio communications. However, there is no guarantee that interference will not occur in a particular installation. If this equipment does cause harmful interference to radio or television reception, which can be determined by turning the equipment off and on, the user is encouraged to try to correct the interference by one or more of the following measures:
- Reorient or relocate the receiving antenna.
- Increase the separation between the equipment and receiver.
- Connect the equipment into an outlet on a circuit diff erent from that to which thereceiver is connected.
- Consult the dealer or an experienced radio/TV technician for help.
BATTERY & CHARGER WARNINGS

The following safety hazards may result in serious injury or death to the user of the
vehicle:
- Battery Charger for Indoor use only.
- Use of a battery or charger other than the supplied rechargeable battery and charger may cause a fi re or explosion. Only use the supplied rechargeable battery (or lead-acid or lithium suitable replacement) and charger with the vehicle.
- Using the rechargeable battery and charger for any other product may result in overheating, fire or explosion. Never use the rechargeable battery and charger with another product. Explosive gases are created during charging. Charge the battery in a well ventilated area.
- Do not charge the battery near heat or flammable materials.
- Contact between the positive and negative terminals may result in fi re or explosion. Avoid direct contact between the terminals. Picking up the batter by the wires or charger can cause damage to the battery and may result in a fi re. Always pick up the battery by its case or handles.
- Battery must be handled by adults only. Liquids on the battery may cause fi re or electric shock. Always keep all liquids away from the battery and keep the battery dry.
- Contact or exposure to battery leakage (lead acid) may cause serious injury. If contact or exposure occurs immediately call your physician. If the chemical is on the skin or in the eyes, flush with cool water for 15 minutes. If the chemical was swallowed, immediately give the person water or milk. Do not give water or milk if the patient is vomiting or has a decreased level of alertness. Do not induce vomiting.
- Battery Posts, terminals and related accessories contain lead and lead compounds (acid), chemicals known to cause cancer, reproductive harm and are toxic and corrosive. Never open the battery.
- Tampering or modifying the electric circuit system may case a shock, fi re or explosion and permanently damage the system. Exposed wiring and circuitry in the charger may cause electric shock. Always keep the charger housing closed.
- Non-rechargeable batteries are not to be recharged
- Batteries are to be inserted with the correct polarity
- The supply terminals are not to be short-circuited
- Batteries are only to be charged by adults or by children at least 8 years old
- The battery chargers used with the toy are to be regularly examined ford amage to the cord, plug, enclosure and other parts, and in the event of such damage, they must not be used until the damage has been repaired.
NOTE: It is not necessary to remove the battery from the vehicle for charging.
IMPORTANT! Before using the unit for the fi rst time the battery needs to be charged for 8 to 12 hours – never longer than 20 hours, Only an adult who has read and understands the safety warnings should handle, charge or recharge of the battery.
Parts View

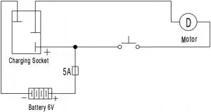
Charging the Drive Battery:
IMPORTANT! Before using the unit for the fi rst time the battery needs to be charged for at least 8 to 12 hours – no more than 20 hours. Once battery is depleted, recharge for 8 to 12 hours – no more than 20 hours.
IMPORTANT!
Check the drive battery and charger (supply cord, connector) for wear and damage before charging. Do not charge the battery if damage has occurred. Only replace with the same type and voltage rechargeable battery and charger supplied by the manufacturer.
- Only use the rechargeable battery (or equivalent replacement) and charger supplied with your vehicle.
- Always turn power off and charge battery after riding.
- The drive battery should be charged when depleted, or if not used regularly, once a month. Failure to charge the battery as directed will cause permanent damage to the battery and will void the warranty
STEPS:
- Turn power switch OFF.
- Locate Charging Port A.
- Plug Charger plug into unit Charging Port.
- Plug Charger into Wall outlet B.
- When battery is fully charged, unplug charger from the wall outlet and disconnect from charger port.
NOTE: The charger may feel warm during the charging. If excessively hot, unplug and replace.
NOTE: This product has charging protection: When charging, all functions are turned OFF.

Operation
How to Operate the Motorcycle

- Press the Power button A to go FORWARD.
- Release the Power button and motor friction will gradually stop the vehicle.
NOTE: On equipped models, Headlight will light when Power Button is pressed.
| # | Description | # | Description |
| 1 | Body | 11 | Axle Locknuts (x2) |
| 2 | Handlebar Set | 12 | Fork Ends (x2) |
| 3 | Grip Set | 13 | Axle Spacer Small |
| 4 | Instrument Panel | 14 | Wheel |
| • M4 Attach Screws (x2) | 15 | Axle Spacer Large | |
| 5 | Fork Attach Bolt | 16 | Foot Peg Shaft |
| 6 | Fork Attach Locknut | 17 | Foot Peg (x2) |
| 7 | Plaque (styles may vary) |
| |
| • M4 Attach Screws (x3) | 18 | Training Wheels and Hardware set | |
| 8 | Fork Assembly |
| |
| 9 | Front Axle |
| |
| 10 | Axle Washers (x4) |
| |
| 19 | Hand Guard set (if equipped) | ||
| |||
|
Assembly
Tools Recommended
- Adjustable Wrench

- Open-end Wrenches

- Phillips Screwdriver

Wiring and Battery
- NON HEADLIGHT OPTION

- HEADLIGHT OPTION

Install the Instrument Panel:

STEPS:
- Fit the Instrument Panel A down between handlebars fully as shown..
- Install two Screws B into Fork Mount C as shown. Tighten securely. Do not over tighten.
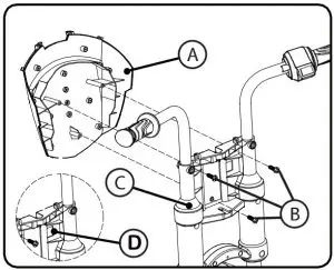
Attach the Front Fork:
- Attach Fork by fitting Fork Mount A over frame Body B as shown – lining up top and bottom Fork Mount holes with Body.
- Holding Steering Nut C in place in Fork Mount cut-out, insert Pivot Bolt D down through Fork and Body.
- Using a wrench or socket,tighten Pivot Bolt D securely. Do not over-tighten.

CAUTION: Make sure Fork turns easily back and forth from left stop to right stop.
- Firmly connect the Motor Connector Plugs E as shown.
- Firmly connect the Headlight Connector Plugs F (if equipped).
CAUTION: Make sure fork turns fully left or right without pinching or damaging wires or connectors.
Install Training Wheels and Foot Pegs:
Installing the Training Wheels:
- Remove the two nuts A B and one washer C from the side of the rear Axle.
- Install the training wheel D, washer C and both nuts AB. Tighten securely.
- Repeat for opposite side.

Installing the Foot Pegs:
NOTE: Foot Peg Shaft passes through the Body.
- Install Peg A on Shaft B in direction shown. Attach with screw C as shown. Tighten securely.
- Repeat for opposite side.

Install Hand Guards (if equipped):
- Install each Hand Guard A onto handlebar as shown
- Attach with Screws B and Lock nuts C as shown. – tighten securely.

WARNING: DO NOT REMOVE TRAINING WHEELS. This vehicle is not intended to be used without training wheels and serious injury may result.
Install the Front Tire:
NOTE: Directions are shown looking at front of Fork Assembly.
- Start by inserting Axle A, Locknut B and Washer C through Left Fork Leg D just far enough to place one Washer C and SHORT Bushing E in position.
- Position Wheel with Disc Brake F on LEFT side onto Axle end – making sure washer and short bushing stay in place.
- Slide Axle through Wheel just far enough to place LONG bushing G and Washer C in place as shown.
- Slide Axle fully through the right fork leg
- Install Washer C and Locknut H. Tighten both Nuts securely so that threads are fully through the Locknuts.

CAUTION: Make sure Wheel spins freely and easily. If Wheel is too tight, it can damage the drive motor.
Install the Front Plaque:
NOTE: Plaque styles may vary.
STEPS:
- Position the Plaque A in front of the fork and align the 3 attach points as shown.
- Install 3 Screws B through Fork Brace C and into Plaque attach points as shown.
- Tighten Screws evenly and securely. Do not over-tighten.
- Put the Headlight Connector through the Bracket Hole D (if equipped).

Limited Warranty – US
General:
Part or model specifi cations are subject to change without notice.
This Limited Warranty is the only warranty for the product. ALL WARRANTIES OTHER THAN STATED HEREIN ARE DISCLAIMED INCLUDING IMPLIED WARRANTIES OF MERCHANTABILITY AND FITNESS FOR A PARTICULAR PURPOSE, TO THE EXTENT ALLOWABLE BY APPLICABLE LAW. ALL LIABILITY FOR INCIDENTAL, PUNITIVE, SPECIAL, OR CONSEQUENTIAL DAMAGES ARE EXPRESSLY DISCLAIMED, TO THE EXTENT ALLOWABLE BY APPLICABLE LAW.
The only uses for this product are described in this manual. Warranty registration is not required. The Limited Warranty extends only to the original consumer and is not transferable to anyone else. What does this Limited Warranty cover? This Limited Warranty covers defects in workmanship and materials for all parts of the
product except those indicated below as not warranted.
What must you do to keep the Limited Warranty in eff ect? This Limited Warranty is eff ective only if:
- Product is completely and correctly assembled.
- Product is used under normal conditions for its intended purpose (see the following section for excluded activities).
- Product receives all necessary maintenance and adjustments.
- Product is used for general transportation and recreational use only.
What is not covered by this Limited Warranty?
This product is designed for recreational use only. This Limited Warranty does not cover normal wear and tear, normal maintenance items, or any damage, failure, or loss that is caused by improper assembly, maintenance, adjustment, storage, or use of the product. This Limited Warranty does not extend to future performance. This Limited Warranty will be void if the product is ever:
- Used in any competitive sport
- Used for stunt riding, jumping, aerobatics or similar activity
- Modified ed in any way
- Modifi ed with the addition of a motor
- Ridden by more than one person at a time
- Rented, sold, or given away
- Used in a manner contrary to the instructions and warnings in this Owner’s Manual
What will The Manufacturer do?
Manufacturer’s sole and exclusive obligation under this Limited Warranty is to repair and/or replace, at its sole option, any covered defect in workmanship or materials.
How do you get service?
Contact the Customer Service Department.
- See included list for Customer Contact information
What rights do you have?
This Limited Warranty gives you specific legal rights. You may also have other rights which vary from State to State.
For how long does this Limited Warranty last?
- When used in this Limited Warranty, the phrase “for life” means for as long as the original consumer owns the product.
- Drive Battery – 90 days
- Electronics – 90 days
- All other Components – 6 months
Customer Services
To Order Parts (US), go to:
(CANADA), Visit : http://www.huff ybikes.com/parts
For email, go to http://www.huff ybikes.com/contact
For Assembly Help:





























