HUFFY BIKES CR8-R Electric Mini Motorcycle Bike
Back Cover:
- Return and Service Contact information
- Registration QR Code Link
- Assembly QR Code Link
WARNING – TO AVOID SERIOUS INJURY:
- The user must be 14+ years
- Not for children with a body mass of more than 130 lb (60 kg).
- Never allow more than 1 rider
- Never reach speeds over 19 MPH / 30 KPH
WARNING – RISK OF FIRE AND ELECTRIC SHOCK: - No user serviceable parts. Contact information for servicing the personal e-mobility device shall be provided.
CAUTION: Wheels may leave marks on some types of flooring or surfaces. Use with supervision.
IMPORTANT! Before using the unit for the first time the battery needs to be charged for at least 3.5 to 5 hours – no more than 20 hours. Only an adult who has read and understands the safety warnings should handle, charge or recharge of the battery (see Operation section).
This product meets ASTM F2641 and CPSIA requirements for electric vehicles.
Warnings and Safety
WARNINGS:
All of these safety rules and guidelines must be followed or serious injury or death may occur to the user. Keep this product away from small children.
- Adult assembly required. Choking hazard to children under the age of 3 years – contains small parts. Keep small children away when assembling.
- To reduce the risk of injury, adult supervision is required. Never use in roadways, near motor vehicles, on or near steep inclines or steps, swimming pools or other bodies of water; always wear shoes, and never allow more than one (1) rider.
- RISK OF FIRE. Do not bypass fuse. Replace only with size and type.
- Unit shall not be modifi ed from original design and confi guration.
- Unit shall not be operated to perform racing, stunt riding, or other maneuvers, which may cause loss of control, or may cause uncontrolled operator/passenger actions or reactions.
- Do not allow hands, feet, hair, body parts, clothing, or similar articles to come in contact with moving parts, wheels, or drivetrain, while the engine is running.
- Body parts such as hands, legs, hair and clothing can get caught in moving parts. Never place a body part near a moving part or wear loose clothing while using the vehicle.
- Always use vehicle in a safe, secure environment on fl at, smooth paved surfaces only.
- Do not use the vehicle in an unsafe manner or at an unsafe speed. Not intended for jumps. Examples include but are not limited to:
- Do not pull or push the vehicle with another vehicle or similar device.
- Do not tow anything behind the vehicle.
- Do not drive into fixed objects, which may cause the wheels to spin, causing the motor to overheat.
- Never use near streets, water, swimming pools, hills, steps, drop-off s, sloped surfaces or driveways, wet areas, fl ammable vapors, in alleys, at night or in the dark.
- Do not use the vehicle in unsafe conditions such as snow, rain, loose dirt, mud sand or fi ne gravel. This may result in unexpected action such as tip over and skidding. Using the vehicle in loose dirt, mud, sand, or fi ne gravel may damage the electronics and gear box inside the vehicle.
- Product shall not be operated to perform racing, stunt riding, or other maneuvers, which may cause loss of control, or may cause uncontrolled operator/passenger actions or reactions.
- Vehicle Cautions: Do not overload the vehicle. Do not drive in very hot weather, components may overheat. Do not allow water or other liquids to come in contact with the battery or other electric components. Do not tamper with the electrical system. Doing so may create a short, causing the fuse to trip or other damage including fi re.
- Foot/Fender Brake can become hot after use. Do Not touch with hand.
- Before each cycle of operation, the operator must perform the pre-operation checks including the following items:
- Check that any guards and pads originally supplied are in proper place and in serviceable condition.
- Ensure that the area that the unit is to be operated in is safe and suitable for safe operation;
- Ensure that the braking system is functioning properly;
- Ensure that all safety labels are in place and understood by the operator and any passenger;
- Ensure that any and all axle guards, chain guards, or other covers or guards supplied by the manufacturer are in place and in serviceable condition;
- Ensure that tires are in good condition, inflated properly, and have sufficient tread remaining.
- Before using the vehicle the user must understand the controls and safety issues. They must also
WARNINGS – continued
demonstrate the capability and skill to handle the vehicle and operate its controls to avoid falls or collisions. It is the responsibility of the adult to educate the child and determine if they are capable of operating the vehicle safely and that safe practices are used when using the vehicle.
- Operators shall adhere to all recommendations and instructions, as well as comply with all laws and ordinances:
- Units without headlights shall be operated only with adequate daylight conditions of visibility;
- Owners are encouraged to highlight (for conspicuous) using lighting, reflectors, and for low-riding units, signal flags on flexible poles.
- Persons with the following conditions shall be cautioned not to operate the unit:
- Those with heart conditions;
- Pregnant women;
- Persons with head, back, or neck ailments, or prior surgeries to those areas of the body;
- Persons with any mental or physical conditions that may make them susceptible to injury or impair their physical dexterity or mental capabilities to recognize, understand, and perform all of the safety instructions and to be able to assume the hazards inherent in unit use.
- Operators shall always use appropriate protective clothing and equipment, including but not limited to a helmet, with appropriate certification. Proper shoes required.
- Components shall be maintained and repaired in accordance with this manual and use only authorized replacement parts with installation performed by dealers or other skilled persons.
- Avoid sharp bumps, drainage grates, and sudden surface changes.
- Avoid streets and surfaces with water, sand, gravel, dirt, leaves, and other debris. Wet weather impairs traction, braking, and visibility.
Additional Safety Warnings:
- It is the responsibility of the adult to educate the child and determine if they are capable of operating the vehicle safely.
- Before using the vehicle the child must understand the controls and safety issues. They must also demonstrate the capability and skill to handle the vehicle and operate its controls to avoid falls or collisions.
- After complete assembly, remove and dispose of all protective material and poly bags. Keep poly bags away from child. Be sure to remove all packaging materials and parts from underneath the vehicle body.
- Ensure child uses common sense and safe practices when using the vehicle.
- An adult must unfold and fold this product (as equipped).
- This vehicle is intended for recreational & entertainment USE ONLY. Should ONLY be used in areas designated as such.
- Personal e-mobility devices not intended for use in high altitude locations, which may require increased electrical spacings in electrical circuits, and are not intended for use at elevations greater than 2000 m above sea level.
ALWAYS WEAR YOUR HELMET WHEN RIDING THIS PRODUCT!
Always read the user manual that comes with your helmet to make sure it is fitted and attached properly to the wearer’s head according to the fitting instructions described in the user manual.
Lithium-Ion Battery & charger Warnings:
The following safety hazards may result in serious injury or death to the user of the vehicle:
- Battery Charger for Indoor use only. Use of a battery or charger other than the supplied rechargeable battery and charger may cause a fi re or explosion. Only use the supplied rechargeable battery (or lead-acid or lithium suitable replacement) and charger with the vehicle.
- Using the rechargeable battery and charger for any other product may result in overheating, fi re or explosion. Never use the rechargeable battery and charger with another product.
- Explosive gases are created during charging. Charge the battery in a well ventilated area.
- Do not charge the battery near heat or flammable materials.
- All large lithium batteries are a potential fi re risk and should be charged in a safe place, preferably in the middle of a garage fl oor.
- Never charge a lithium battery unsupervised.
- Only an adult who has read and understands the safety warnings should handle, charge or recharge of the battery.
- Contact between the positive and negative terminals may result in fi re or explosion. Avoid direct contact between the terminals. Picking up the battery by the wires or charger can cause damage to the battery and may result in a fi re. Always pick up the battery by its case or handles.
- Battery must be handled by adults only. Liquids on the battery may cause fi re or electric shock. Always keep all liquids away from the battery and keep the battery dry.
- Contact or exposure to battery leakage may cause serious injury. If contact or exposure occurs immediately call your physician. If the chemical is on the skin or in the eyes, flush with cool water for 15 minutes. If the chemical was swallowed, immediately give the per-son water or milk. Do not give water or milk if the patient is vomiting or has a decreased level of alertness. Do not induce vomiting.
- Battery Posts, terminals and related accessories contain lead and lead compounds (acid), chemicals known to cause cancer, reproductive harm and are toxic and corrosive. Never open the battery.
- Tampering or modifying the electric circuit system may case a shock, fi re or explosion and permanently damage the system. Exposed wiring and circuitry in the charger may cause electric shock. Always keep the charger housing closed.
- Non-rechargeable batteries are not to be recharged.
- Batteries are to be inserted with the correct polarity.
- The supply terminals are not to be short-circuited.
- Batteries are only to be charged by adults.
- The battery chargers used with the product are to be regularly examined for damage to the cord, plug, enclosure and other parts, and in the event of such damage, they must not be used until the damage has been repaired.
Parts Assembly

| # | Description | # | Description |
| 1 | Vehicle Body | 9 | Bolt (x5) |
| 2 | Mudguard/Fender | 10 | Screw (x6) |
| 3 | Head Cover | 11 | Washer (x4) |
| 4 | Wheel – Front | 12 | Lithium Battery |
| 5 | Fork | 13 | Instruction manual |
| 6 | Foot Rest (pair) | 14 | Battery Charger |
| 7 | Front Axle | 15 | Allen Wrench |
| 8 | Nut (x4) |
Introduction to Assembly
This Owner’s Manual may be made for several different style products.
- Some illustrations may vary slightly from the actual product.
- Follow instructions completely.
- If the product has any parts that are not described in this manual, look for separate “Special Instructions” that are supplied with the unit.
- All features, components and accessories are not included on all models.
- Use the Index page to locate specific sections of this manual.
- Please read through this entire manual before beginning assembly or maintenance.
- If you are not confident with assembling this unit, contact customer service.
- Do not modify or transform the vehicle in any way.
WARNING: Keep small parts away from children during assembly.
NOTE: All of the directions (right, left, front, rear, etc.) in this manual are as seen by the rider while seated.
Do not dispose of the carton and packaging until you complete the assembly of the product. This can prevent accidentally discarding parts of the unit.
Gather these and any supplied tools before starting assembly. (metric)
Torque Table – Recommended Torque:
Use of a torque wrench is recommended. Recommended torque for each fastener is listed below. In addition to tightening to the recommended torque, please ensure the parts of the product are sufficiently tightened by performing the functional tests (in the component assembly sections of the owner’s manual) on each component as it is tightened.
NOTE: Please check that all fasteners on the product are torqued according to the table below:
| Recommended Torque for clean, dry threads: | How to Measure: | |
| Fastener Size | Torque (ft-lb / N•m) | Screw or bolt size is determined by the width at the THREADS as shown. |
| .236 in (6 mm) | 7-11.1 ft-lb (9.5-15 N•m) | ![]() |
| .314 in (8 mm) | 17-18.5 ftlbs (23-25 N•m) | |
| .393 in (10 mm) | 33-36.9 flubs (44.7-50 N•m) | |
Assembly

STEPS:
- Position the fork A against the neck frame as shown.
- Put washer B and locknut C fully on Bolt D and insert down through fork and neck assembly.
- Install bottom washer B and locknut E.
- Tighten both locknuts fully and securely.
- Tighten both left and right bolts F securely.
- Turn fork fully left to right to make sure it turns freely.

STEPS (remove clamps and bolts if needed q:
- Put handlebars A into position as shown.
- Make sure the brake wiring harness B is routed to the left side of handlebars and the throttle wiring harness C is to the right side of handlebars.
- Place two clamps D over handlebars so that clamps line up.
- Install 4 bolts E evenly and securely so that handlebar does not move.

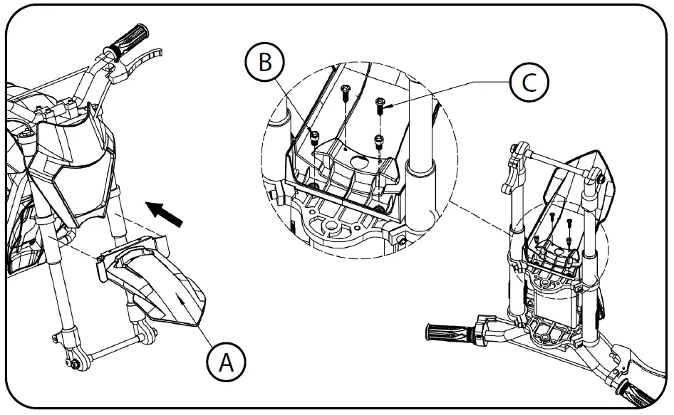
STEPS :
- Position faceplate A as shown against fork and under fork braces B.
- Install 4 screws C evenly and securely so that faceplate does not move.

STEPS (with unit up side down):
- Position mudguard A under fork so that all mounting holes line up.
- Install two bolts B and two screws C evenly and securely.

STEPS :
- Position wheel A inside fork B with one bushing C on each side of wheel.
- Insert axle D through fork, bushings and wheel as shown.
- Install both washers E and axle nuts F fully and securely.
- Make sure wheel spins freely.

STEPS :
- Position footrest A as shown so that mounting holes line up.
- Install 3 bolts B fully and securely.
- Repeat for opposite side.

Connect Drive Battery :
- Remove rear seat screw A.
- Lift up rear of seat B and remove seat.
- Locate and firmly connect drive battery connector C and install battery as shown.
- Replace seat and seat screw.

Operation

OPERATION (make sure child understands these instructions):
- Press the Power Switch button A to turn unit ON.
- Adjust Throttle Grip B to control speed.
- Release Throttle and press and hold Brake Lever C to stop the vehicle. Allow extra stopping distance in wet weather or on slopes.
NOTE: Driving on grass may trigger the fuse to stop the vehicle.
WARNING: While riding keep both hands on the handlebars and both feet on the footrests. When stopping place both feet on the ground.
Charging the Drive Battery:
IMPORTANT! Before using the unit for the first time the battery needs to be charged for at least 3.5 to 5 hours – no more than 20 hours. Once battery is depleted, recharge for 3.5 to 5 hours – no more than 20 hours.
IMPORTANT!
Check the drive battery and charger (supply cord, connector) for wear and damage before charging. Do not charge the battery if damage has occurred. Only replace with the same type and voltage rechargeable battery and charger supplied by the manufacturer.
- Only use the rechargeable battery (or equivalent replacement) and charger supplied with your vehicle.
- Always turn power off and charge battery after riding.
- The drive battery should be charged when depleted, or if not used regularly, once a month. Failure to charge the battery as directed will cause permanent damage to the bat-tery and will void the warranty.
STEPS:
- Ensure power is OFF.
- Remove Seat A.
- Pull out Battery B just far enough to disconnect Plug C.
- Plug Battery into Charger Cable D.
- Plug Charger into Wall outlet E.
- When battery is fully charged, un-plug charger from the wall outlet and disconnect from charger port.
- Reinstall battery in reverse order.
NOTE: The charger may feel warm during the charging. If excessively hot, unplug and replace.
NOTE: This product has charging protection: When charging, drive functions are turned OFF.


Drive Battery Replacement
FOLLOW THESE STEPS IF THE BATTERY NEEDS TO BE REPLACED:
NOTE: Batteries are installed, mounted and wired differently depending on model. Make a simple drawing on paper (or take pictures) how your battery is installed and how Red and Black wires are connected.
NOTE: Access and remove Battery as shown in previous section.
- Depending on the condition of the battery (i.e.: leakage) you may want to wear protective rubber gloves before removal.
- Do not lift the battery by its connectors or cables.
- Do not try to disassemble battery.
- Place the dead batteries in a plastic bag.
- Install replacement battery in same position and orientation as originals.
- Re-connect all wires/connectors in original positions.
WARNING: Ensure no wires are pinched or bound up. - Re-install Seat and seat screw as shown in previous section.
Maintenance Repair and Service
GENERAL: The vehicle should be checked for damage, missing or badly worn parts before each use. If any part of the product does not operate properly – discontinue use.
- Check the tightness of the fasteners before each use. Replace any fasteners that are damaged.
- Inspect the product frequently. Failure to inspect the product and to make repairs or adjustments, as necessary, can result in injury to the rider or to others. Make sure all parts are correctly assembled and adjusted as written in this manual and any “Special Instructions”.
- Immediately replace any damaged, missing, or badly worn parts.
- Make sure all fasteners are correctly tightened as written in this manual and any “Special Instructions”. Parts that are not tight enough can be lost or operate poorly. Over tightened parts can be damaged. Make sure any replacement fasteners are the correct size and type.
- Check the tightness of the wheels:
NOTE: If the drive wheel is not tight, it will not engage the gears and the vehicle will not run. - Ensure the battery bracket is securely in place before use.
- Prolonged exposure to UV-rays, rain, and outdoor elements may damage the enclosure materials. Store the vehicle indoors when not in use. Keep it away from sources of heat, such as stoves and heaters.
- Keep the product clean and free of dirt, dust and water. This will prolong the useful life of the product.
- Clean the vehicle with a soft, dry cloth. To restore shine to plastic parts, use a non-wax furniture polish. Do not use automotive wax, abrasive cleaners or wash the vehicle with soap and water.
NOTE: If the instructions in this manual or any “Special Instructions” are not sufficient for you, please contact customer service.
CAUTION: Self-locking nuts and other self-locking devices may lose their effectiveness when re-used.
Lithium-Ion Battery Storage and Disposal
Do not leave batteries unused for extended periods of time, either in the product or in storage. When a battery has been unused for 6 months, check the charge status and charge or dispose of the battery as appropriate.
STORAGE:
- Charge or discharge the battery to approximately 50% of capacity before storage.
- Charge the battery to approximately 50% of capacity at least once every six months.
- Remove the battery and store it separately from the product.
- Store the battery at temperatures between 5 °C and 20 °C (41 °F and 68 °F).
- Do not store battery in extreme hot or cold temperatures.
- Wipe the battery clean with a dry cloth prior to storage. Wash cloth separate from other clothes.
BATTERY DISPOSAL:
- Lithium-Ion batteries must be recycled or disposed of in an environmentally sound manner.
- Lithium-Ion batteries are subject to disposal and recycling regulations that vary by country and region. Always check and follow your applicable regulations before disposing of any battery.
- Do not dispose of battery in a fi re. The battery may explode or leak acid.
- Do not dispose of the battery in household trash. The incineration, land filling or mixing of sealed Li-ion/lead-acid batteries with household trash is prohibited by law.
- Return an exhausted battery to a federal or state approved Li-ion/lead-acid battery recycler. (check local battery disposal regulations).
Troubleshooting Guide
The following are examples of potential problems. Completely read through this manual and the troubleshooting guide table before calling. If you still need help resolving the problem please contact Customer Service.
NOTE: Vehicle should be turned off and fully charged before doing troubleshooting.
| Problem | Possible Cause | Solution |
| Vehicle does not run when switch is activated | Battery wires not connected or are loose | Connect battery wires according to assembly instructions, Check that the battery connectors are firmly plugged into each other. If wires are loose around the motor call Customer Service. |
| Battery low on power | Recharge battery (see Battery: Recharge interval and time) | |
| Battery Charger still plugged in | Unplug Battery Charger from unit and wall | |
| Thermal fuse has tripped | Let Fuse reset | |
| Battery is dead | Replace battery (see Battery: Replacement and Disposal) | |
| Electrical system or motor is damaged | Call Customer Service. | |
| Vehicle does not run very long or runs sluggishly | Battery is undercharged. | Check that the battery connectors are firmly plugged into each other when recharging (see Battery: Recharge interval and Time) |
| Battery is old and cannot be fully charged | Replace battery (see Battery: Replacement and Disposal) | |
| Vehicle is overloaded | Reduce weight on vehicle (see user requirements and Safety Warnings) | |
| Vehicle is being used in harsh conditions | Avoid using vehicle in harsh conditions (see User Requirements and Safety Warnings) | |
| Vehicle makes loud noise when in use | Chain is dry (on chain drive models) | Lubricate chain with light oil. |
| Loud grinding or clicking noises coming from motor or gear box | Motor or gears are damaged | Call Customer Service. |
| Drive Wheel is partially engaged | Check drive wheel – to motor engagement. | |
| Battery will not recharge | Battery connector or adapter connector is loose | Check that the battery connectors are firmly plugged into each other. |
| Charger is not working | Check that the battery charger is plugged into a working wall outlet. | |
| Battery is dead | Replace battery. | |
| Charger feels warm when recharging | This is normal and not a cause for concern | If excessively hot, unplug and replace. |
BEFORE YOU CALL SUPPORT:
- What is the model and date code?
- When was the product purchased?
- Has the product ever worked for a time or has never worked at all since purchase?
- Yes, When did the product last operate correctly?
- No, were the battery wires connected?
- How long was the battery charged?
- Is the charger plugged into the unit when you try to operate the product?
- (The unit will not operate with charger plugged in)
- Do any lights or sounds come on when you power the product on?
- Yes, Does the lights and sounds go away when you press the drive switch?
- When you press the drive switch, does an electric motor start?
- Yes, Did you check that the correct drive wheel was installed?
- Yes, Does the insert in the gearbox rotate?
Radio Frequency Information (if applicable)
WARNING: Changes or modifications to this unit not expressly approved by the party responsible for compliance could void the user’s authority to operate the equipment. This device or charger/adapter complies with Part 15 of the FCC Rules. Operation is subject to the following two conditions: (1) this device may not cause harmful interference (2) this device must accept any interference received, including interference that may cause undesired operation.
NOTE: This equipment has been tested and found to comply with the limits for a Class B digital device, pursuant to Part 15 of the FCC Rules. These limits are designed to provide reasonable protection against harmful interference in a residential installation. This equipment generates, uses and can radiate radio frequency energy and, if not installed and used in accordance with the instructions, may cause harmful interference to radio communications.
However, there is no guarantee that interference will not occur in a particular installation. If this equipment does cause harmful interference to radio or television reception, which can be determined by turning the equipment off and on, the user is encouraged to try to correct the interference by one or more of the following measures: Reorient or relocate the receiving antenna; Increase the separation between the equipment and receiver; Connect the equipment into an outlet on a circuit different from that to which the receiver is connected; Consult the dealer or an experienced radio/TV technician for help.
Limited Warranty – US
General:
Part or model specifications are subject to change without notice.
This Limited Warranty is the only warranty for the product. ALL WARRANTIES OTHER THAN STATED HEREIN ARE DISCLAIMED INCLUDING IMPLIED WARRANTIES OF MERCHANTABILITY AND FITNESS FOR A PARTICULAR PURPOSE, TO THE EXTENT ALLOWABLE BY APPLICABLE LAW. ALL LIABILITY FOR INCIDENTAL, PUNITIVE, SPECIAL, OR CONSEQUENTIAL DAMAGES ARE EXPRESSLY DISCLAIMED, TO THE EXTENT ALLOWABLE BY APPLICABLE LAW. The only uses for this product are described in this manual. Warranty registration is not required. The Limited Warranty extends only to the original consumer and is not transferable to anyone else. What does this Limited Warranty cover? This Limited Warranty covers defects in workmanship and materials for all parts of the product except those indicated below as not warranted.
What must you do to keep the Limited
Warranty in effect?
This Limited Warranty is effective only if:
- Product is completely and correctly assembled.
- Product is used under normal conditions for its intended purpose (see the following section for excluded activities).
- Product receives all necessary maintenance and adjustments.
- Product is used for general transportation and recreational use only.
What is not covered by this Limited Warranty?
This product is designed for recreational use only. This Limited Warranty does not cover normal wear and tear, normal maintenance items, or any damage, failure, or loss that is caused by improper assembly, maintenance, adjustment, storage, or use of the product. This Limited Warranty does not extend to future performance.
This Limited Warranty will be void if the product is ever:
- Used in any competitive sport.
- Used for stunt riding, jumping, aerobatics or similar activity.
- Modified in any way.
- Modified with the addition of a motor.
- Ridden by more than one person at a time.
- Exceeds weight limit.
- Rented, sold, or given away.
- Used in a manner contrary to the instructions and warnings in this Owner’s Manual.
What will The Manufacturer do?
Manufacturer’s sole and exclusive obligation under this Limited Warranty is to repair and/or replace, at its sole option, any covered defect in workmanship or materials.
How do you get service?
Contact the Customer Service Department.
- See included list for Customer Contact information.
What rights do you have?
This Limited Warranty gives you specific legal rights. You may also have other rights which vary from State to State.
For how long does this Limited Warranty last?
- When used in this Limited Warranty, the phrase “for life” means for as long as the original consumer owns the product.
- Drive Battery – 90 days
- Electronics – 90 days
- All other Components – 6 months
[ USA ]
PLEASE – BEFORE RETURNING TO STORE:
Contact Huff y Customer Service.
- We are glad to assist you
- with any parts or assembly problems you might have!
- For Fast Customer Service and email:
www.huffybikes.com/contact - OR TEL: 1 800 872 2453 (US)
- To Order Parts:
- www.huffybikes.com/parts
[ CANADA ]
PLEASE – BEFORE RETURNING TO STORE:
Contact Huff y Customer Service.
We are glad to assist you with any parts or assembly problems you might have!
AVANT DE RETOURNER AU MAGASIN :
- Canada : Call / Appelez : 1-800-872-2453
- Or Email / : [email protected]
- Or visit / : www.huffybikes.com/global-contacts
[ MÉXICO ]
ANTES DE DEVOLVER EL PRODUCTO A LA TIENDA:
- www.huffybikes.com.mx
- O LLAME AL TEL:
- 800 1 HUFFY 1 (800 1 48339 1)
- (Mexico only)
- [email protected]



















