
SITFIT MOTORIZED UNDER DESK ELLIPTICAL
SF-E3959
USER MANUAL

IMPORTANT! Please retain the owner’s manual for maintenance and adjustment instructions.
Your satisfaction is very important to us, PLEASE DO NOT RETURN UNTIL YOU HAVE CONTACTED
US: [email protected] or 1- 877 – 90SUNNY (877-907-8669).
![]()
IMPORTANT SAFETY INSTRUCTIONS
Thank you for purchasing the Sitfit Motorized Elliptical. Please read the operating instructions carefully before use, especially the safety precautions.
When using an electrical appliance, basic precautions should always be followed, including the following:
Read all instructions before using this appliance.
DANGER – To reduce the risk of electric shock:
Always unplug this appliance from the electrical outlet immediately after using and before cleaning.
WARNING – To reduce the risk of burns, fire, electric shock, or injury to person(s):
- This product’s rated voltage is 120V, rated power is 220W.
- An appliance should never be left unattended when plugged in. Unplug from outlet when not in use, and before putting on or taking off parts.
- Do not stand on the elliptical, only use the elliptical while sitting.
- Use this appliance only for its intended use as described in this manual. Do not use attachments not recommended by the manufacturer.
- This appliance is not intended for use by person with reduced physical, sensory or mental capabilities, or lack of experience and knowledge, unless they have been given supervision or instruction concerning use of the appliance by a person responsible for their safety. Keep children and pet away from this machine. The equipment is designed for adult use only.
- Never operate this appliance if it has a damaged cord or plug, if it is not working properly, if it has been dropped or damaged, or dropped into water. Return the appliance to a service center for examination and repair.
- Do not carry this appliance by supply cord or use cord as a handle.
- Keep the cord away from heated surfaces.
- Never operate the appliance with the air openings blocked. Keep the air openings free of lint, hair, and other objects.
- Never drop or insert any object into any opening.
- Do not use outdoors.
- Do not operate where aerosol (spray) products are being used or where oxygen is being administered.
- To disconnect, turn all controls off, then unplug from outlet.
- To reduce the risk of injury, place the appliance on a flat, horizontal, and stable surface. Do not place or use the appliance on a slippery surface.
- To reduce the risk of injury, do not use the appliance with wet shoes, wet feet, or socks.
- To reduce the risk of injury, do not use the appliance if the surface is wet. If the appliance surface becomes wet, dry the surface before using.
- Turn off the power after each use. After using or before cleaning the appliance, unplug the power supply from the outlet.
- Do not cover while using the machine, to avoid motor overheating and cause malfunction or damage.
- Be aware how you are feeling. If you feel uncomfortable or experience any adverse symptoms, stop using the appliance immediately.
- Do not use the appliance if it is damaged or defective.
- This appliance is not suitable for therapeutic use. Do not use other medical electronic equipment, such as pacemakers or EKG machines.
- Do not use the appliance in wet or dusty environment. Do not use it in a humid environment, such as bathroom.
- Keep the appliance away from direct sunlight.
- Do not operate the appliance with wet hands.
- Do not allow water and other liquids to touch the control switch.
- Do not place the power cord under the appliance or any heavy object.
- Do not wind the power cord around the appliance. That could damage the power cord, and cause electric shock or electrical fire.
- If the power plug is loose, do not use the appliance.
- If there is a power surge during use, stop using the appliance. Sudden restoration of power could cause injury to you.
- Consult your physician before use, especially if you have any medical conditions such as diabetes.
- Connect this appliance to a properly grounded outlet only. See Grounding Instructions.
- Use the equipment on a solid, flat-level surface with a protective cover for your floor or carpet. To ensure safety, the equipment should have at least 2 feet (60 CM) of free space all around it.
SAVE THESE INSTRUCTIONS
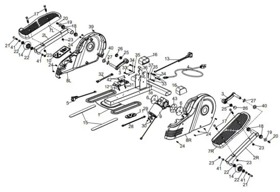
EXPLODED DIAGRAM

PARTS LIST
| No. | Description | Spec. | Qty | No. | Description | Spec. | Qty | |
| 1 | Main Frame | 1 | 22 | Bearing | 4 | |||
| 2R | Pedal Tube (R) | 1 | 23 | Nylon Nut | M8 | 6 | ||
| 2L | Pedal Tube (L) | 1 | 24 | Screw | ST4.2*15 | 10 | ||
| 3 | Crank | 2 | 25 | Flange Nut | M10 | 2 | ||
| 4 | Power Cord | 1 | 26 | End Cap | 2 | |||
| 5 | Power Switch | 1 | 27 | Rubber Washer | 2 | |||
| 6 | Rubber Pad | 2 | 28 | 3P Data Line | 1 | |||
| 7L/R | Pedal | 2 | 29 | Sensor | 1 | |||
| 8L/R | Belt Cover | 2 | 30 | Screw | M3x8 | 2 | ||
| 9 | Motor | 1 | 31 | Fixing Bolt | 4 | |||
| 10 | Console | 1 | 32 | 6P Data Line | 1 | |||
| 11 | Remote Control | 1 | 33 | Screw | M5x16 | 6 | ||
| 12 | Controller | 1 | 34 | Spring Washer | Φ2.7*Φ4.2*1.1 | 6 | ||
| 13 | Outlet | 1 | 35 | Flat Washer | Φ5.5*Φ10*1 | 6 | ||
| 14 | Slide Wheel | 2 | 36 | Screw | M4x10 | 1 | ||
| 15 | Silicone Pad | 2 | 37 | Spring Washer | Φ2.2*Φ3.4*0.8 | 1 | ||
| 16 | End Cap | 2 | 38 | Non-Slip Pad | 1 | |||
| 17 | Bolt | M8*45*15 | 4 | 39 | Screw | ST3.5*15 | 1 | |
| 18 | Alloy Wrap | 4 | 40 | Flat Washer | Φ16.2xΦ28×1.2 | 2 | ||
| 19 | Flat Washer | Φ8.2*Φ25*1.5 | 2 | 41 | Sleeve | 4 | ||
| 20 | Screw | M8*16 | 2 | 42 | Screw | M3*5 | 4 | |
| 21 | Hex Bolt | M8*45*15 | 2 | 43 | Washer | Φ70*1.0 | 1 |
Ordering Replacement Parts (U.S. and Canadian Customers Only)
Please provide the following information in order for us to accurately identify the part(s) needed:
- The model number (found on the cover of the manual)
- The product name (found on the cover of the manual)
- The part number found on the “EXPLODED DIAGRAM” and “PARTS LIST” (found near the front of the manual)
Please contact us at [email protected] or 1- 877 – 90SUNNY (877-907-8669).
IMPORTANT ELECTRICAL INFORMATION
WARNING:
This elliptical requires a power source of 120V in order to properly operate. For your safety as well as the safety of others, please verify that the power source is correct before powering in the equipment. Any power supply source above or below this level could cause significant damage to the equipment and/or user.
GROUNDING METHODS:
This elliptical must be grounded. Should the elliptical malfunction or break down, grounding provides a path of least resistance for electric current to reduce the risk of electric shock. This product is equipped with a plug that has an equipment-grounding conductor and a grounding plug. The plug must be plugged into an appropriate outlet that is properly installed and grounded in accordance with all local codes and ordinances.
This elliptical is for use on a nominal 120V circuit and has a grounding plug (Figure A). Ensure that the elliptical is connected to an outlet with the same configuration as the plug. Do not use an adaptor for this product.
DANGER:
Improper connection of the equipment can result in a risk of electric shock. Check with a qualified electrician or serviceman if you are unsure whether the product has been properly grounded. Do not modify the plug provided with the product. If it will not fit the outlet, have a proper outlet installed by a qualified electrician.
WARNING!
- NEVER use a ground fault circuit interrupt (GFCI) wall outlet with this elliptical.
- NEVER operate the elliptical using a generator or UPS power supply.
- NEVER remove any cover on this elliptical without first disconnecting the Power Cord (No. 4).
- NEVER expose the elliptical to rain or moisture. This elliptical is not designed for outdoor use or use in any high humidity environment.
GROUNDING METHOD

BATTERY INSTALLATION & REPLACEMENT

BATTERY INSTALLATION:
- Press the arrow at point a of the battery seat and buckle point b of the battery seat, then pull out the battery seat.
Take out the 1pc CR2032 3V battery that is included inside the manual bag. - Install the 1pc battery into the battery seat with the positive end facing up.
- Put the battery seat back.
The installation is complete!
BATTERY REPLACEMENT:
- Press the arrow at point a of the battery seat and buckle point b of the battery seat, then pull out the battery seat.
- Take out the old battery from the battery seat.
- Install the new battery, CR2032 3V into the battery seat with the positive pole facing up.
- Put the battery seat back.
The replacement is complete!
Dispose of the old battery according to your regional guidelines.
DISPLAY CONSOLE

ELECTRICAL INFORMATION
Rated Voltage: 120V
FUNCTION KEYS
| Start/Pause | Start and pause machine |
| Mode | Changes between automatic and manual |
| Direction | Changes the direction forward or backward |
| Speed+/- | Select key for increasing or decreasing speed (18 speed levels) |
WARNINGS AND INSTRUCTIONS
- Do not stand on the elliptical. Only use while seated in a chair.
- If the elliptical is tilted over 45 degrees, it will auto stop.
- If the elliptical detects problems during exercise, it will auto stop within 10 seconds.
Failure to follow above all warnings and instructions could result in serious injury or death, and cause the machine to stop and make an alarm sound. When the display console shows “ERR”, press the Start/Pause button to reset automatically. If the “ERR” no longer appears, continue to use it normally. If the code continues to appear, please contact customer service.
OPERATING INSTRUCTIONS

- Plug in the power cord. Turn on the power switch. The machine will beep and LED display will show “OFF“. This is standby mode.
- Press the Start/Pause button on the console or the remote control to start the elliptical, it will begin in manual mode. Display will show L1. Press the Start/Pause button for longer than 5 seconds, the elliptical will clear all the LED display information.
- Under the manual mode, press the Speed “+” button to increase the speed from L1 to L18. Or press the Speed “–” button to decrease the speed from L18 to L1.
Level Speed (MPH) Rotate Speed (RPM) Level Speed (MPH) Rotate Speed (RPM) L1 0.674 32 L10 1.412 67 L2 0.737 35 L11 1.496 71 L3 0.843 40 L12 1.559 74 L4 0.948 45 L13 1.622 77 L5 1.032 49 L14 1.685 80 L6 1.074 51 L15 1.749 83 L7 1.180 56 L16 1.791 85 L8 1.285 61 L17 1.854 88 L9 1.369 65 L18 1.896 90 - Under the manual mode, press the Direction button to change the direction forward or backward.
- Under the manual mode, the LED display will alternate display between speed level, speed, and time.
- Press the Mode button on the console or the remote control to change the mode from manual mode to automatic mode P1, press again from P1 to P2 mode, press again from P2 to P3, then press again from P3 back to the manual mode.
- Under the automatic mode, there are P1/P2/P3 modes included. Different modes have different speeds and working directions, see below details.
P1 MODE: Based on speed Level 1, the pedals move 13 times forward, 13 times backward, 13 times forward based, 13 times backward, and so on.
P2 MODE: The pedals move forward first then the speed will be increasing from Level 1 to Level 9 gradually. When the speed reaches Level 9, the speed will be decreasing from Level 9 to Level 1. When the speed reaches Level 1, the pedals change to move backward and the speed will be increasing from Level 1 to Level 9 gradually. When the speed reaches Level 9, the speed will be decreasing from Level 9 to Level 1. When the speed reaches Level 1, the pedals change to move forward and repeat the operation.
P3 MODE: The pedals move forward first then the speed will be increasing from Level 1 to Level 18 gradually. When the speed reaches Level 18, the speed will be decreasing from Level 18 to Level 1. When the speed reaches Level 1, the pedals change to move backward and the speed will be increasing from Level 1 to Level 18 gradually, when the speed reaches Level 18, the speed will be decreasing from Level 18 to Level 1. When the speed reaches Level 1, the pedals change to move forward and repeat the operation. - The machine will stop automatically after working continuously for 30 minutes. At the stop moment, the LED display will show “OFF” and then show the exercise mode and data.
NOTE: After finishing using, please turn off the switch and disconnect the power.
DISPLAY REMOTE CONTROL

FUNCTION KEYS
| Start/Pause | Start and pause the machine |
| Mode | Changes between automatic and manual |
| Direction | Changes the direction forward or backward |
| Speed+- | The select key for increasing or decreasing speed (18-speed levels) |
REMOTE CONTROL NOTICE:
If the Remote Control (No. 11) does not activate the Sitfit Motorized Elliptical, or if you have a replacement remote, the Remote Control (No. 11) and Sitfit Motorized Elliptical will need to be paired.
REMOTE CONTROL PAIRING METHOD:
- Restart the Sitfit Motorized Elliptical, press and hold down the Mode button and Direction button at the same time, and you will hear three “beep” sounds.
- Press and hold down the Mode button on the Remote Control (No. 11) immediately for about 3 seconds. Hearing a “Beep” indicates that the pairing is successful. During the pairing, the Remote Control (No. 11) should be as close to the Sitfit Motorized Elliptical as possible.
Caution: The user is cautioned that changes or modifications not expressly approved by the party responsible for compliance could void the user’s authority to operate the equipment.
This device complies with Part 15 of the FCC Rules. Operation is subject to the following two conditions: (1) this device may not cause harmful interference, and (2) this device must accept any interference received, including interference that may cause undesired operation.
NOTE: This equipment has been tested and found to comply with the limits for a Class B digital device, pursuant to Part 15 of the FCC Rules. These limits are designed to provide reasonable protection against harmful interference in a residential installation. This equipment generates, uses, and can radiate radio frequency energy and, if not installed and used in accordance with the instructions, may cause harmful interference to radio communications. However, there is no guarantee that interference will not occur in a particular installation.
If this equipment does cause harmful interference to radio or television reception, which can be determined by turning the equipment off and on, the user is encouraged to try to correct the interference by one or more of the following measures:
— Reorient or relocate the receiving antenna.
— Increase the separation between the equipment and receiver.
— Connect the equipment into an outlet on a circuit different from that to which the receiver is connected.
— Consult the dealer or an experienced radio/TV technician for help.
FCC Radiation Exposure Statement
This equipment complies with FCC radiation exposure limits set forth for an uncontrolled environment.
This equipment should be installed and operated with a minimum distance of 20cm between the radiator and your body.
This transmitter must not be co-located or operating in conjunction with any other antenna or transmitter.
USER-MAINTENANCE INSTRUCTION
Caution: There are no serviceable parts in the appliance, any servicing should be performed by an authorized service person.
When the appliance is not in use, disconnect the power supply, and store of the power cord and the total appliance in a dry location where children cannot touch or in play area(s).
WARNING
The elliptical is intended to use in a sitting position only, do not stand on the elliptical.
Failure to follow all warnings and instructions could result in serious injury or death.

USE ONLY WHILE SITTING.
DO NOT STAND ON THE ELLIPTICAL!
CONNECT WITH US
FOR FITNESS ARTICLES, VIDEOS & WORKOUTS

https://sunnyhealthfitness.com/pages/sign-up

| OSUNNYHEALTHANDFITNESS | |
| @SUNNYHEALTHFITNESS | |
| @SUNNYHEALTHFIT | |
| /SUNNYHEALTHFITNESS | |
| /SUNNYHEALTHANDFITNESS |


















