SUNNY Health Fitness SF-E3959 Electric Under Desk Elliptical
IMPORTANT SAFETY INFORMATION
When using an electrical appliance, basic precautions should always be followed, including the following:
Read all instructions before using this appliance.
DANGER
To reduce the risk of electric shock:
Always unplug this appliance from the electrical outlet immediately after using and before cleaning.
WARNING
To reduce the risk of burns, fire, electric shock, or injury to persons:
- To reduce the risk of electric shock, this appliance has a polarized plug (one blade is wider than the other). This plug will fit in a polarized outlet only one way. If the plug does not fit fully in the outlet, reverse the plug. If it still does not fit, contact a qualified electrician to install the proper outlet. Do not change the plugin any
- This product’s rated voltage is 110V, rated power is 220W, 30
- An appliance should never be left unattended when plugged Unplug from the outlet when not in use, and before putting on or taking off parts.
- Do not stand on the elliptical, only use the elliptical while
- Close supervision is necessary when this appliance is used by, on, or near children, invalids, or disabled persons. Keep children away from appliances. This is for adult use
- Use this appliance only for its intended use as described in this manual. Do not use attachments not recommended by the
- Never operate this appliance if it has a damaged cord or plug, if it is not working properly, if it has been dropped or damaged, or dropped into water. Return the appliance to a service center for examination and
- Do not carry this appliance by supply cord or use cord as a
- Keep the cord away from the heated
- Never operate the appliance with the air openings blocked. Keep the air openings free of lint, hair, and the like.
- Never drop or insert any object into any
- Do not use
- Do not operate where aerosol (spray) products are being used or where oxygen is being administered.
- To disconnect, turn all controls off, then unplug from
- To reduce the risk of injury, place the appliance on a flat, horizontal, and stable surface. Do not place or use the appliance on a slippery
- To reduce the risk of injury, do not use the appliance with wet shoes, wet feet, or
- To reduce the risk of injury, do not use the appliance if the surface is wet. If the appliance surface becomes wet, dry the surface before
- Turn off the power after each use. After using or before cleaning the appliance, unplug the power supply from the
- Do not cover while using, to avoid motor overheating and cause malfunction or
- Be aware how you are If you feel uncomfortable or experience any adverse symptoms, stop the using the appliance immediately.
- Do not use the appliance if it is damaged or
- This appliance is not suitable for therapeutic use. Do not use with other medical electronic equipment, such as pacemakers or EKG
- Do not use the appliance in wet or dusty Do not use in humid environments, such as bathroom.
- Keep the appliance away from direct sunlight.
- Do not operate the appliance with wet hands.
- Do not allow water and other liquids to touch control switch.
- Do not place the power cord under the appliance or any heavy object.
- Do not wind the power cord around the appliance. That could damage the power cord, cause electric shock or electrical fire.
- If the power plug is loose, do not use the appliance.
- If there is a power surge during use, stop using the appliance. Sudden restoration of power could cause injury to you.
- Consult your physician before use, especially if you have any medical conditions such as diabetes.
FCC STATEMENT
Caution: The user is cautioned that changes or modifications not expressly approved by the party responsible for compliance could void the user’s authority to operate the equipment.
This device complies with Part 15 of the FCC Rules. Operation is subject to the following two conditions: (1) this device may not cause harmful interference, and (2) this device must accept any interference received, including interference that may cause undesired operation.
NOTE:
This equipment has been tested and found to comply with the limits for a Class B digital device, pursuant to Part 15 of the FCC Rules. These limits are designed to provide reasonable protection against harmful interference in a residential installation. This equipment generates, uses and can radiate radio frequency energy and, if not installed and used in accordance with the instructions, may cause harmful interference to radio communications. However, there is no guarantee that interference will not occur in a particular installation.
If this equipment does cause harmful interference to radio or television reception, which can be determined by turning the equipment off and on, the user is encouraged to try to correct the interference by one or more of the following measures:
- Reorient or relocate the receiving antenna.
- Increase the separation between the equipment and receiver.
- Connect the equipment into an outlet on a circuit different from that to which the receiver is connected.
- Consult the dealer or an experienced radio/TV technician for help.
FCC Radiation Exposure Statement
This equipment complies with FCC radiation exposure limits set forth for an uncontrolled environment. This transmitter must not be co-located or operating in conjunction with any other antenna or transmitter.
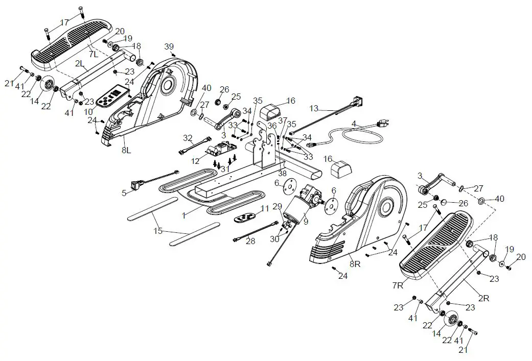
EXPLODED DIAGRAM
PARTS LIST
| No. | Description | Spec. | Qty | No. | Description | Spec. | Qty | |
| 1 | Main Frame | 1 | 21 | Hex Bolt | M8*45*15 | 2 | ||
| 2R | Pedal Frame (R) | 1 | 22 | Bearing | 4 | |||
| 2L | Pedal Frame (L) | 1 | 23 | Nylon Nut | M8 | 6 | ||
| 3 | Crank | 2 | 24 | Screw | ST4.2*15 | 10 | ||
| 4 | Power Cable | 1 | 25 | Flange Nut | M10 | 2 | ||
| 5 | Power Switch | 1 | 26 | End Cap | 2 | |||
| 6 | Rubber Pad | 2 | 27 | Rubber Washer | 2 | |||
| 7L/R | Pedal | 2 | 28 | 3P data line | 1 | |||
| 8L/R | Belt Cover | 2 | 29 | Sensor | 1 | |||
| 9 | Motor | 1 | 30 | Screw | M3x8 | 2 | ||
| 10 | Control panel | 1 | 31 | Fixing bolt | 4 | |||
| 11 | Remote Control | 1 | 32 | 6P data line | 1 | |||
| 12 | Controller | 1 | 33 | Screw | M5x16 | 6 | ||
| 13 | Outlet | 1 | 34 | Spring Washer | Φ2.7*Φ4.2*1.1 | 6 | ||
| 14 | Slide Wheel | 2 | 35 | Flat Washer | Φ5.5*Φ10*1 | 6 | ||
| 15 | Silicone Pad | 2 | 36 | Screw | M4x10 | 1 | ||
| 16 | End Cap | 2 | 37 | Spring Washer | Φ2.2*Φ3.4*0.8 | 1 | ||
| 17 | Bolt | M8*45*15 | 4 | 38 | Non-Slip Pad | 1 | ||
| 18 | Alloy Wrap | 4 | 39 | Screw | ST3.5*15 | 1 | ||
| 19 | Flat Washer | Φ8.2*Φ25*1.5 | 2 | 40 | Flat Washer | Φ16.2xΦ28×1.2 | 2 | |
| 20 | Screw | M8*16 | 2 | 41 | Sleeve | 4 |
Ordering Replacement Parts (the U.S. and Canadian Customers Only)
Please provide the following information in order for us to accurately identify the part(s) needed:
- The model number (found on the cover of the manual)
- The product name (found on the cover of the manual)
- The part number found on the “EXPLODED DIAGRAM” and “PARTS LIST” (found near the front of the manual)
Please contact us at [email protected] or 1- 877 – 90SUNNY (877-907-8669).
OPERATING INSTRUCTIONS
ELECTRICAL INFORMATION
- Rated Voltage: 110V
SAFETY NOTES
- Do not stand on a cycle. Only use while seated in a
- chair. If the cycle is tilted over 45 degrees, it will auto stop.
- If the cycle detects problems during exercise, it will auto stop within 10 seconds.
REMOTE CONTROL FUNCTION KEYS
Power switch 
- Plugin the power. Turn on the power switch. Cycle beeps and the LED
display shows “OFF“. It is in standby mode. - Press the POWER button on the remote control to start the cycle, it works from manual mode. Display shows L1. Press the POWER button longer than 5 seconds, the cycle will clear all the LED display information.
- Under the manual mode, press the SPEED + button to increase the speed from L1 to L18. Or press the SPEED – button to decrease the speed from L18 to L1.
- Under the manual mode, press the DIRECTION button to change the forward or backward direction.
- Under the manual mode, the LED display will show next information after 6 seconds from speed level to time, from time to RPH, then from RPH to speed level. It stops after 30minutes.
- Press the Mode button on the remote control to change the mode from manual mode to auto mode P1, press again from P1 to P2 mode, press again from P2 to P3, then press again from P3 back to the manual mode.
- Under the automatic mode, there’re P1/P2/P3 modes included. All the modes will include speed increase stage, reverse direction, speed decrease stage, reverse direction, speed increase stage, and keep repeating. P1 will have 2 different speed levels, P2 will have 9 different speed levels, and P3 will have 18 different speed levels. Each speed level will continue for 15seconds before changing to the next speed level.
For example, P1 works logically:
Speed Level 1 forward direction 15seconds, Speed level 2 forward direction 15seconds, Speed level 2 backward direction 15seconds, Speed level 1 backward direction 15seconds, then back to Speed Level 1 forward direction 15seconds, and keep repeating. - After each 30minutes of running, the circle will stop automatically and the LED display will show “OFF”.
NOTE:
After finishing using it, pls turn off the switch and disconnect the power.
BATTERY REPLACEMENT
Press the arrow to squeeze point A of the battery seat (NO.11A), buckle point B of the battery seat (NO.11A), and pull out b battery seat (NO.11A). Take out the old battery (NO.11B), but the new battery into the battery seat (NO.11A), and finally, I nsert it into the Remote Control(NO.11).
























