soils S5-GC S5 Three Phase Inverter

Introduction
Product Description
Solis three-phase inverter is suitable for utility-scale PV projects.
This manual covers the three phase inverter model listed below:
S5-GC25K, S5-GC30K, S5-GC33K, S5-GC36K, S5-GC40K, S5-GC40K-HV, S5-GC50K-HV, S5-GC15K-LV, S5-GC20K-LV, S5-GC23K-LV
Packaging
When you receive the inverter, please ensure that all the parts listed below are included:
If anything is missing, please contact your local Solis distributor.
Safety Instructions
Safety Symbols
Safety symbols used in this manual, which highlight potential safety risks and important safety information, are listed as follows:
- WARNING:
WARN ING symbol indicates important safety instructions, which if not correctly followed, could result in serious injury or death. - NOTE:
NOTE symbol indicates important safety instructions, which if not correctly followed, could result in some damage or the destruction of the inverter. - CAUTION:
CAUTION, RISK OF ELECTRIC SHOCK symbol indicates important safety instructions, which if not correctly followed, could result in electric shock. - CAUTION:
CAUTION, HOT SURFACE symbol indicates safety instructions, which if not correctly followed, could result in burns.
General Safety Instructions
- WARNING:
Please don’t connect PV array positive(+) or negative(-) to ground, it could cause serious damage to the inverter. - WARNING:
Electrical installations must be done in accordance with the local and national electrical safety standards. - WARNING:
To reduce the risk of fire, over-current protective devices (OCPD) are required for circuits connected to the Inverter.
The DC OCPD shall be installed per local requirements. All photovoltaic source and output circuit conductors shall have disconnects that comply with the NEC Article 690, Part II. All Solis three phase inverters feature an integrated DC switch. - CAUTION:
Risk of electric shock. Do not remove cover. There is no user serviceable parts inside. Refer servicing to qualified and accredited service technicians. - CAUTION:
The PV array (Solar panels) supplies a DC voltage when they are exposed to sunlight. - CAUTION:
Risk of electric shock from energy stored in capacitors of the Inverter. Do not remove cover for 5 minutes after disconnecting all power sources (service technician only). Warranty may be voided if the cover is removed without unauthorized. - CAUTION:
The surface temperature of the inverter can exceed 75°( (167°F).
To avoid risk of burns, DO NOT touch the surface when inverter is operating. The inverter must be installed out of reach of children.
Notice For Use
The inverter has been constructed according to the applicable safety and technical guidelines. Use the inverter in installations that meet the following specifications only:
- Permanent installation is required.
- The electrical installation must meet all the applicable regulations and standards.
- The inverter must be installed according to the instructions stated in this manual.
- The inverter must be installed according to the correct technical specifications.
- To startup the inverter, the Grid Supply Main Switch (AC) must be switched on, before the solar panel’s DC isolator shall be switched on. To stop the inverter, the Grid Supply Main Switch (AC) must be switched off before the solar panel’s DC isolator shall be switched off.
Notice for Disposal
This product shall not be disposed of with household waste. They should be segregated and brought to an appropriate collection point to enable recycling and avoid potential impacts on the environment and human health. Local rules in waste management shall be respected .
Overview
Front Panel Display
LED Status Indicator Lights
Keypad
There are four keys in the front panel of the lnverter(from left to right): ESC, UP, DOWN and ENTER keys. The keypad is used for:
- Scrolling through the displayed options (the UP and DOWN keys);
- Access to modify the adjustable settings (the ESC and ENTER keys).
LCD
The two-line Liquid Crystal Display (LCD) is located on the front panel of the Inverter, which shows the following information:
- Inverter operation status and data;
- Alarm messages and fault indications.
- Service messages for operator;
Product handing and storage
Product handling
Please review the instruction below for handling the inverter:
- The red circles below denote cutouts on the product package.
Push in the cutouts to form handles for moving the inverter (see Figure 4.1 ).
- Open the carton, then two people handle both sides of inverter through the area denoted dotted line. ( see figure 4.2).

NOTE:
Be careful to lift the inverter. The weight is around 45kg.
Product Storage
If the inverter is not to be installed immediately, storage instructions and environmental conditions are below:
- Use the original box to repackage the inverter, seal with adhesive tape with the desiccant inside the box.
- Store the inverter(s) in a clean and dry place, free of dust and dirt.
- Storage temperature must be between -40°C and 70°C and the humidity should be between 0 and 95% non-condensing.
- Stack no more than three (3) inverters high.
- Keep box(es) away from corrosive materials to avoid damage to the inverter enclosure.
- Inspect packaging regularly. If packaging is damaged(wet, pest damage, etc), repackage the inverter immediately.
- Store the inverter(s) on a flat, hard surface – not inclined or upside down.
- After long-term storage, the inverter needs to be fully examined and tested by qualified service or technical personnel before using.
- Restarting after a long period of non-use requires the equipment to be inspected and, in some cases, the removal of oxidation and dust that has settled inside the equipment will be required.
Select a Location for the Inverter
To select a location for the inverter, the following criteria should be considered:
WARNING: Risk of fire
Despite careful construction, electrical devices can cause fires.
- Do not install the inverter in areas containing highly flammable materials or gases.
- Do not install the inverter in potentially explosive atmospheres.
- Do not install in small closed spaces where air can not circulate freely. To avoid overheating, always make sure the flow of air around the inverter is not blocked.
- Exposure to direct sunlight will increase the operational temperature of the inverter and may cause output power limiting. Gin long recommends inverter installed to avoid direct sunlight or raining.
- To avoid over heating ambient air temperature must be considered when choosing the inverter installation location. Gin long recommends using a sun shade minimizing direct sunlight when the ambient air temperature around the unit exceeds 104 ° F/40° C.

NOTE:
Nothing should be stored on or placed against the inverter
Installation
- Install on a vertical surface or structure capable of bearing the weight.
- Please install the inverter vertically. If the inverter cannot be mounted vertically, it may be tilted backward to 15 degrees from vertical.
- For multiple inverters are installed on site, a minimum clearance of 500mm,should be kept between each inverter and any other mounted equipment. The bottom of the inverter must be at least 500mm from the ground or floor. See figure 5.2.
- Visibility of the LED status indicator lights and LCD display screen should be considered.

Mounting the Inverter Back hanging plate size:
Refer to figure 5.4 and figure 5.5. Inverter shall be mounted vertically. The steps to mount the inverter are listed below.
- Refer to Figure 5.4, the holes for expansion bolt based on the hole diameter of bracket (M 10*70), using the percussion drilling with the 10mm drill need to stay vertically on the wall. And the drill hole must be vertically on the wall. And all drill holes’ depth is 60mm.
- Make sure the bracket is horizontal. And the mounting holes (in Figure 5.4) are marked correctly. Drill the holes into wall at your marks.
- Use the suitable expansion screws to fix the bracket on the wall.

- WARNING:
The inverter must be mounted vertically. - Lift the inverter and hang it on the bracket, and then slide down to make sure they match perfectly.

- If the installation position is high, the inverter cannot be directly mounted on the mounting plate, and the hoisting rope is hoisted through the two lifting holes. ( The rope needs to meet the load-bearing requirements of this product ) .

Electrical Connections
Inverter designs quick-connect terminal, so top cover needn’t open during electrical connection. The sign meaning located the bottom of inverter, as shown below in table 5.1. All electrical connections are suit for the local or national standard.
The electrical connection of the inverter must follow the steps listed below:
- Switch the Grid Supply Main Switch (AC) OFF.
- Switch the DC Isolator OFF.
- Connect the inverter to the grid.
- Assemble PV input connector to the Inverter.
Grounding
To effectively protect the inverter, two grounding methods must be performed. Connect the AC grounding cable (Please refer to section 5.3.3)
Connect the external grounding terminal.
To connect the grounding terminal on the heat sink, please follow the steps below:
- Prepare the grounding cable: recommend to use the;;,, 16mm2 outdoor copper-core cable.
- Prepare OT terminals: M6.
Important:
For multiple inverters in parallel , all inverters should be connected to the same ground point to eliminate the possibility of a voltage potential existing between inverter grounds. - Strip the ground cable insulation to a suitable length(see Figure 5.12).

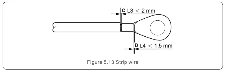
Important:
B (insulation stripping length) is 2mm-3mm longer than A (OT cable terminal crimping area) 2mm-3mm. - Insert the stripped wire into the OT terminal crimping area and use the hydraulic clamp to crimp the terminal to the wire (see Figure 5.13).

Important:
After crimping the terminal to the wire, inspect the connection to ensure the terminal is solidly crimped to the wire.5. Remove the screw from the heat sink ground point. - Connect the grounding cable to the grounding point on the heat sink,and lighten the grounding screw, Torque is 3-4Nm(see figure 5.14 ).

Important:
For improving anti-corrosion performance, after ground cable installed, apply silicone or paint is preferred to protect.
Connect PV side of inverter
Before connecting inverter, please make sure the PV array open circuit voltage is within the limit of the inverter.
Before connection, please make sure the polarity of the output voltage of PV array matches the “DC+” and “DC-” symbols.
Please use appropriate DC cable for PV system
| Cable type | Cross section (mm2 ) | |
| Range | Recommended value | |
| Industry generic PV cable ( model :PV1-F ) | 4.0~6.0 (12~10AWG) | 4.0 (12AWG ) |
The steps to assemble the DC connectors are listed as follows:
- Strip off the DC wire for about 7mm, disassemble the connector cap nut. (see Figure 5.17)
- Insert the wire into the connector cap nut and contact pin. (see Figure 5.18)
- Crimp the contact pin to the wire using a proper wire crimper. (see Figure 5.19)
- Insert metal connector into top of connector, and tighten nut with torque 3-4 Nm (see figure 5.20).
- Measure PV voltage of DC input with multimeter, verify DC input cable polar (see figure 5.21 ), and ensure each string of PV voltage in range of inverter operation. Connect DC connector with inverter until hearing a slight clicking sound indicates connection succeed. (see figure 5.22)

Caution:
If DC inputs are accidently reversely connected or inverter is faulty or not working properly, it is NOT allowed to turn off the DC switch as it will damage the inverter and even leads to a fire disaster. The correct actions are:
- Use a clip-on ammeter to measure the DC string current.
- If it is above 0.5A, please wait for the solar irradiance reduces until the current decreases to below 0.5A.
- Only after the current is below 0.5A, you are allowed to turn off the DC switches and disconnect the PV strings.
Please note that any damages due to wrong operations are not covered in the device warranty.
Connect grid side of inverter
For the AC connection, 10-35mm2 cable is required to be used. Please make sure the resistance of cable is lower than 1 .Sohm.
| Cable specification | Copper-cored cable | |
| Traverse cross sectional area (mm2 ) | Range | 10-35 |
| Recommended | 25 | |
| Cable outer diameter (mm) | Range | 22-32 |
| Recommended | 27 | |
NOTE:
For reliable connection, recommend customer select corresponding Euro type connectors based on wiring specification to connect the terminal.
The steps to assemble the AC grid terminals are listed as follows:
- Strip the end of AC cable insulating jacket about 80mm then strip the end of each wire. (as shown in figure 5.23)

NOTE: S2 (insulation stripping length) should be as long as S1 (AC terminal cable compression area). - Strip the insulation of the wire past the cable crimping area of the OT terminal, then use a hydraulic crimp tool to crimp the terminal. The crimped portion of the terminal must be insulated with heat shrinkable tube or insulating tape.
- Leave the AC breaker disconnected to ensure it does not close unexpectedly
- Remove the 4 screws on the inverter junction box and remove the junction box cover .
- Insert the cable through the nut, sheath, and AC terminal cover. Connect the cable to the AC terminal block in turn, using a socket wrench. Tighten the screws on the terminal block. The torque is 3~4Nm (as shown in Figure 5.24).

Inverter monitoring connection
The inverter can be monitored via Wi-Fi or GPRS. All Solis communication devices are optional (Figure 5.25). For connection instructions, please refer to the Solis Monitoring Device installation manuals
Monitoring system for multiple inverters
Multiple inverters can be monitored by RS-485 daisy chain configuration. (See figure 5.26).
RS485 Connection
Install the RS485 communication cables through the terminal block as shown in Figure 5.27. Recommended cable cross sectional area is 0.2 – 1.5mm2 , the cable outer diameter is 5mm -10mm.
| NO. | Port definition | Description |
| RS485A1 IN | RS485A 1,RS485 differential signal+ | |
| 2 | RS485B1 IN | RS485B 1,RS485 differential signal- |
| 3 | RS485A2 OUT | RS485A2 ,RS485 differential signal+ |
| 4 | RS485B2 OUT | RS485B2,RS485 differential signal- |
Terminal block connection
- Use a wire stripper to peel off the insulation layer of the communication cables to a certain length as shown in Figure 5.28.
- Screw off the covers of “COM2” and “COM3” on the inverter as shown in Figure 5.29.

- Insert the communication cables into the “COM2” and “COM3” ports.
- Fasten the cables onto the pluggable terminals provided in the accessory package.
- Match the pluggable terminals to the terminal block in the inverter and press to fasten it.
After cable installation, please remember to fasten the screws of the AC terminal cover in case of water damage.
Max. over current protection device (OCPD)
To protect the inverter’s AC grid connection conductors, Solis recommends installing breakers that will protect against overcurrent. The following table defines OCPD ratings for the Solis Three phase inverters.
| Inverter | Rated voltage(V) | Rated output current (Amps) | Current for protection device (A) |
| S5-GC25K | 220/380,230/400 | 38.0/36.1 | 50 |
| S5-GC30K | 220/380,230/400 | 45.6/43 .3 | 63 |
| S5-GC33K | 220/380,230/400 | 50.1/47.6 | 63 |
| S5-GC36K | 220/380,230/400 | 54.7/52.0 | 80 |
| S5-GC40K | 220/380,230/400 | 60.8/57.7 | 80 |
| S5-GC40K-HV | 480 | 48.1 | 63 |
| S5-GC50K-HV | 480 | 60.1 | 80 |
| S5-GC15K-LV | 220 | 39.4 | 63 |
| S5-GC20K-LV | 220 | 52.5 | 80 |
| S5-GC23K-LV | 220 | 60.4 | 80 |
Meter Connection(optional)
The inverter can work with a three phase smart meter to achieve Export Power Management function and/or 24hour consumption monitoring function.
NOTE
- To achieve Export Power Management function, the smart meter can be installed on either grid side or load side.
- To achieve 24hour consumption monitoring function, the smart meter can only be installed on grid side.
Two types of meters are supported:
Direct Insert Type Meter – Max input current 80A(DTSD1352-Direct Insert Type). External CT Type Meter – 150A/5A CTs are supplied(DTSD1352-External CT Type). Customer can place the order for a suitable meter from Solis Sales Reps.
Below are the connection diagrams of different meters connecting to different locations. Detailed settings please refer to Section 7.5.12



Logic interface connection
Logic interface is required by some local regulations that can be operated by a simple switch or contactor(Not available in South Africa).
When the switch is closed the inverter can operated normally. When the switch is opened, the inverter will reduce it’s output power to zero within 5s.
Pin5 and Pin6 of RJ45 terminal is used for the logic interface connection.
Please follow below steps to assemble RJ45 connector.
- lnsert the network cable into the communication connection terminal of RJ45.

- Use the network wire stripper to strip the insulation layer of the communication cable. According to the standard line sequence of figure 5.35 connect the wire to the plug of RJ45, and then use a network cable crimping tool to make it light.

- Connect RJ45 to DRM (logic interface) .
After wire connection, please refer chapter 7 .5.9.1 to enable the logic interface function .
Start the Inverter
To start up the Inverter, the following steps must be strictly followed:
- Switch the grid supply main Switch (AC) ON first.
- Switch the DC switch ON. If the voltage of PV arrays is higher than the start-up voltage, the inverter will initialize. The red LED power will light.
- When both the DC and the AC sides supply to the inverter, it will be ready to generate power. Initially, the inverter will check both its internal parameters and the parameters of the AC grid, to ensure that they are within acceptable limits. At the same time, the green LED will flash and the LCD displays the information of INITIALIZING.
- After 30-300 seconds (depending on local requirements), the inverter will start to generate power. The green LED will be on continually and the LCD displays GENERATING.
WARNING:
Do not touch the surface when the inverter is operating. It may be hot and cause burns.
Stop the Inverter
To stop the inverter, the steps below must be followed in the exact order outlined.
- Select “Grid Off” in the Advanced Setting of Inverter LCD.
- Turn off the AC Switch between Solis inverter and Grid.
- Wait approximately 30 seconds (during this time, the AC side capacitors are dissipating energy). If the inverter has DC voltage above the start-up threshold, the red POWER LED will be lit. Switch the DC switch OFF.
- Confirm all LED’s switch OFF (-one (1) minute).
CAUTION
Although the inverter DC disconnect switch is in the OFF position and all the LED’s are OFF, operators must wait five (5) minutes after the DC power source has been disconnected before opening the inverter cabinet. DC side capacitors can take up to five (5) minutes to dissipate all stored energy.
Operation
In normal operation, LCD screen alternatively shows inverter power and operation status (see Figure 7 .1 ). The screen can be scrolled manually by pressing the UP/DOWN keys. Pressing the ENTER key gives access to Main Menu.
Main Menu
There are four submenus in the Main Menu (see Figure 7 .1 ):
- Information
- Settings
- Advanced Info.
- Advanced Settings
Information
The Solis three Phase Inverter main menu provides access to operational data and information. The information is displayed by selecting “Information” from the menu and then by scrolling up or down.
Lockscreen
Pressing the ESC key returns to the Main Menu. Pressing the ENTER key locks (Figure 7.2(a)) or unlocks (Figure 7.2 (b)) the screen.
Settings
The following submenus are displayed when the Settings menu is selected:
- Set Time
- Set Address
Set Time
This function allows time and date setting. When this function is selected, the LCD will display a screen as shown in Figure 7.3.
Press the UP/DOWN keys to set time and data. Press the ENTER key to move from one digit to the next (from left to right). Press the ESC key to save the settings and return to the previous menu.
Set Address
This function is used to set the address when muti inverters are connected to three monitor.
The address number can be assigned from “01 “to “99”(see Figure 7.4 ). The default address number of Solis Three Phase Inverter is “01 “.
- Press the UP/DOWN keys to set the address. Press the ENTER key to save the settings.
- Press the ESC key to cancel the change and return to the previous menu
Advanced Info – Technicians Only
NOTE:
To access to this area is for fully qualified and accredited technicians only.
Enter menu “Advanced Info.” and “Advanced settings” (need password).
Select “Advanced Info.” from the Main Menu. The screen will require the password as below:
The default password is “001 0”.
Please press “down” to move the cursor, press “up” to select the number. After enter the correct password the Main Menu will display a screen and be able to access to the following information.
- Alarm Message
- Running message
- Version
- Daily Energy
- Monthly Energy
- Yearly Energy
- Daily Records
- Communication Data
- Warning Message
The screen can be scrolled manually by pressing the UP/DOWN keys. Pressing the ENTER key gives access to a submenu. Press the ESC key to return to the Main Menu.
Alarm Message
The display shows the 100 latest alarm messages (see Figure 7.6). Screens can be scrolled manually by pressing the UP/ DOWN keys. Press the ESC key to return to the previous menu
Running Message
This function is for maintaince person to get running message such as internal temperature, Standard No.1,2,etc. Screens can be scrolled manually by pressing the UP/DOWN keys.
Version
The screen shows the model version of the inverter. And the screen will show the software ver by pressing the UP and DOWN at the same time.(see Figure 7.7).
Daily Energy
The function is for checking the energy generation for selected day.
- Press DOWN key to move the cursor to day, month and year, press UP key to change the digit.
- Press Enter after the date is fixed.

Press UP/DOWN key to move one date from another.
Monthly Energy
The function is for checking the energy generation for selected month.
- Press DOWN key to move the cursor to day and month, press UP key to change the digit.
- Press Enter after the date is fixed.

- Press UP/DOWN key to move one date from another.
Yearly Energy
The function is for checking the energy generation for selected year
- Press DOWN key to move the cursor to day and year, press UP key to change the digit.
- Press Enter after the date is fixed.

- Press UP/DOWN key to move one date from another.
Daily Records
The screen shows history of changing settings. Only for maintance personal.
Communication Data
The screen shows the internal data of the Inverter (see Figure 7 .14 ), which is for service technicians only.
Warning Message
The display shows the 100 latest warn messages (see Figure 7 .15). Screens can be scrolled manually by pressing the UP/ DOWN keys. Press the ESC key to return to the previous menu.
Advanced Settings – Technicians Only
NOTE: To access to this area is for fully qualified and accredited technicians only. Please follow 7.4 to enter password to access this menu.
Select Advanced Settings from the Main Menu to access the following options:
- Select Standard
- Grid ON/OFF
- 24H Switch
- Clear Energy
- Reset Password
- Power Control
- Calibrate Energy
- Special Settings
- STD. Mode Settings
- Restore Settings
- HMI Update
- Internal EPM Set
- External EPM set
- Restart HMI
- Debug Parameter
- DSP Update
- Compensation Set
- 1/V Curve
Selecting Standard
This function is used to select the grid’s reference standard (see Figure 7 .16).
- Press the UP/DOWN keys to select the standard (G59/3, UL-480V, VDE0126, AS4 777-15,AS4777-02, CQC380A, ENEL, UL-380V, MEX-CFE, C10/11 and “User-Def” function).
- Press the ENTER key to confirm the setting.
- Press the ESC key to cancel changes and returns to previous menu.
NOTE: This function is for technicians use only.
Selecting the “User-Def” menu will access to the following submenu (see Figure 7 .17),
NOTE: The ” User-Def” function can be only used by the service engineer and must be allowed by the local energy supplier.
Below is the setting range for “User-Def”. Using this function, the limits can be changed manually.
| OV-G-V1: 220—374V | OV-G-F1 : 50.1-65Hz |
| OV-G-V1-T : 0.01—300S | OV-G-F1-T: 0.01- –300S |
| OV-G-V2: 220—374V | OV-G-F2 : 50.1-65Hz |
| OV-G-V2-T : 0.01—300S | OV-G-F2-T : 0.01—300S |
| UN-G-V1: 110—277V | UN-G-F1: 45-59.9Hz |
| UN-G-V1-T : 0.01—300S | UN-G-F1-T : 0.01—300S |
| UN-G-V2: 110—277V | UN-G-F2: 45-59.9Hz |
| UN-G-V2-T : 0.01—300S | UN-G-F2-T : 0.01—300S |
| Startup-T: 10-600S | Restore-T: 10-600S |
Press the UP/DOWN keys to scroll through items. Press the ENTER key to edit the highlighted item. Press the UP/DOWN keys again to change the setting. Press the ENTER key to save the setting. Press the ESC key to cancel changes and returns to the previous menu.
NOTE
For different countries, the grid standard needs to be set as different according to local requirements. If there is any doubt, please consult Solis service technicians for details.
Grid ON/OFF
This function is used to start up or stop the power generation of Solis Inverter.
Screens can be scrolled manually by pressing the UP/DOWN keys. Press the ENTER key to save the setting. Press the ESC key to return to the previous menu.
24H Switch
This function controls the 24H hours consumption function enable or disable.
NOTE:
When this is enabled, the inverter LCD will still be alive at night with the power LED light on. If the grid is in malfunction at night, the system can’t recover even after the grid is back to normal but the consumption data will still be recorded in the meter. Until the sunrise, the system will start to work again while the meter data can be uploaded to the Solis monitoring system to calibrate the load consumption data.
Clear Energy
Clear Energy can reset the history yield of inverter
These two functions are applicable by maintenance personnel only, wrong operation will prevent the inverter from working properly.
Reset Password
This function is used to set the new password for menu “Advanced info.” and “Advanced information” (see Figure 7.20).
Enter the right password before set new password. Press the DOWN key to move the cursor, Press the UP key to revise the value. Press the ENTER key to execute the setting.
Press the ESC key to return to the previous menu.
Power control
Active and reactive power can be set through power setting button.
There are 5 item for this sub menu:
- Set output power
- Set Reactive Power
- Out_P With Restore
- Rea_P With Restore
- Select PF Curve
This function is applicable by maintenance personnel only, wrong operation will prevent the inverter from reaching maximum power.
Calibrate Energy
Maintenance or replacement could clear or cause a different value of total energy. Use this function could allow user to revise the value of total energy to the same value as before. If the monitoring website is used the data will be synchronous with this setting automatically
Press the DOWN key to move the cursor, Press the UP key to revise the value. Press the ENTER key to execute the setting. Press the ESC key to return to the previous menu.
Special Settings
This function is applicable by maintenance personnel only, wrong operation will prevent the inverter from reaching maximum power.
STD Mode settings
There are 6 setting under STD. Mode settings.
- Working Mode Set
- Power Rate Limit
- Freq Derate Set
- 10mins Voltage Set
- Power Priority
- lnitial Settings
This function is applicable by maintenance personnel only, wrong operation will prevent the inverter from reaching maximum power.
Enable logic interface settings
When select G98 or G99 standard to use the logic interface function, please follow below settings to enable the DRM. ORM default setting is “OFF” , if ORM set “ON”, but the logic interface is un-connected to the switch or the switch is open, the inverter HMI will display “Limit by ORM” and the inverter output power will be limited to zero.
- Select Initial Settings
- Select DRM and set it “ON”
Restore Settings
There are 5 items in initial setting submenu.
Restore setting could set all item in 7.5.8 special setting to default.
The screen shows as below:
- Press the Enter key to save the setting after setting grid off.
- Press the ESC key to return the previous mean.
HMI Update
This function is used for updating the LCD program
This function is applicable by maintenance personnel only, wrong operation will prevent the inverter from reaching maximum power
Internal EPM Set
NOTE:
- This section includes two functions related to the smart meter.
- Please refer to section 5.3.6 for detailed connection diagrams.
- Function 1: Internal Export Power Management Function
- Inverters can work with a smart meter to dynamically limit the export power of the system. Zero injection can be achieved. Smart meter can be installed either on the grid side OR the load side.
- Function 2: 24 Hour Consumption Monitoring Function Only applicable if Solis monitoring system is used. Inverters can work with a smart meter to monitor the load consumption data for the whole day and the data will be displayed on the Solis monitoring system. Smart meter can only be installed on the grid side.
NOTE: Please refer to below instructions for different user scenarios.
Scenario 1. Only Function 1 is required
- Step 1: Refer to Section 5.3.6 to connect the smart meter on the grid side or load side.
- Step 2: Select the Section 7.5.12.1 Mode Select as Option 2(Meter in Load) or
Option 3 (Meter in Grid) accordingly. - Step 3: Configure the Section 7 .5.12.2 to set the allowed backflow power.
- Step 4: Configure the Section 7 .5.12.3 to enable the failsafe function (If necessary). Step 5: Configure the Section 7 .5.12.4 to modify the work mode (If necessary).
Scenario 2. Both Function 1 and 2 are required
Using a Smart Meter:
- Step 1: Refer to Section 5.3.6 to connect the smart meter on the grid side.
- Step 2: Select the Section 7 .5.12.1 Mode Select as Option 3(Meter in Grid).
- Step 3: Select the Section 7.5.3 24H Switch as “Enable”.
- Step 4: Configure the Section 7 .5.12.2 to set the allowed backflow power.
- Step 5: Configure the Section 7 .5.12.3 to enable the failsafe function (If necessary). Step 6: Configure the Solis monitoring system (Please refer to the manual of monitoring
device).
If customer does not want to enable the export power control function, please change the “backflow power” to the max output power of the inverter in Step 4 OR simply select the mode as “consumption monitor” in Step 2 and skip Step 4-5.
Select EPM Settings from the Main Menu to access the following options:
- Mode Select
- Backflow Power
- FaiI safe ON/OFF
- Backflow Work Mode
Mode Select
There are 4 settings in this menu as below:
- OFF
- Meter in Load
- Meter in Grid
- Consumption Monitor
OFF: Functions are disabled
- Meter in Load: Solis Smart Meter is connected in the load branch circuit.
- Meter in Grid: Solis Smart Meter is connected in the grid connection point (The ba flow power is default as OW).
- Consumption Monitor: Solis Sma rt Meter is connected in the grid connection point (The ba flow power setting is not applicable).
Backflow Power
The setting is used to define the allowed expo rt power into the grid.
The setting range is between 00000W to 29900W.
Press the UP/DOWN keys to set data.Press the ENTER key to set ba ckflow power. Then press DOWN keys to move the curso r, press UP to change the number.
Press the ESC key to save the settings and return to the previous menu.
Fail safe ON/OFF
This setting is used to give out an ala rm (sto p inverter generation as well) when the Meter connection is lost during operation.
It can prevent potential ba ckflow power into the grid when the system loses control.
It is only mandatory to turn on this function when the inverter is installed in UK due to the G1 00 regulation. For other regions,customers can enable or disable the function as they desire.
NOTE:
When the failsafe function is ON and CT/Meter is disconnected somehow, the inverter will stop generation and give “Failsafe” alarm on the LCD. When the failsafe function is OFF and CT/Meter is disconnected somehow, the inverter will keep the output power as the last moment when the CT/Meter is still connected. After a restart, the inverter will output at full power without limit.
Backflow Work Mode
This submenu is used for set backflow work mode: 01 , 02. “01” is the default mode.
Mode “01 “, As shown in the figure 7 .28, the average limiting mode, the output power of each phase is the average of the three-phase load power, and ii is more than the phase of the lowest power in three phases.
Mode “02”, As shown in the figure 7.29 the per phase limiting mode, the inverter only generate the power that equals to one of three-phase load power that is the lowest load power of a certain phase.
External EPM Set
This setting should only be turned on when Solis external EPM device is used. Two options are available : 5G-EPM and Others-EPM.
5G-EPM Failsafe Option should be turned ON when 5G series EPM device is used Others-EPM Failsafe Option should be turned ON when 2G series EPM device is used Only one option can be activated each time.
Restart HMI
The function is used for restart the HMI.
This function is applicable by maintenance personnel only, wrong operation will prevent the inverter from reaching maximum power.
Debug Parameter
This function is used for manufacturer maintenance personnel only.
DSP Update
The function is used for update the DSP.
This function is applicable by maintenance personnel only, wrong operation will prevent the inverter from reaching maximum power.
Compensation Set
This function is applicable by maintenance personnel only, wrong operation will prevent the inverter from reaching maximum power.
1/V Curve
This function is used to scan the I/V characteristic curves of each PV strings.
Set 1/V Curve
This setting can set the scanning voltage start point and the voltage interval.
- Start_ V: The start voltage of the I/V scan. (Adjustable from 300V-1 000V) Interval_ V: The scanning voltage interval.{Adjustable from 1-1 00V) In total, 60 data points can be scanned.
1/V Curve Scan
Press “ENT” to start the I/V curve scan.
After it is completed, the screen will display “Scan OK” and then enter the following section.
AFCI function
Solis inverters have the built-in AFCI function which can detect the arc fault on the DC circuit and shut down the inverter to prevent a fire disaster.
Enable the AFCI function
The AFCI function can be enabled in the following.
Path: Advanced Setting -> Password: 0010 ->Special Settings -> AFCI Set -> AFCI ON/OFF -> ON
Warning:
The “AFCI Level” is reserved for Solis technicians ONLY. Do not change the sensitivity otherwise it will lead to frequent false alarms or malfunctions. Solis is not responsible for any further damages caused by unauthorized modifications.
NOTE:
The setting corresponds to the current status as well which can be used to inspect the ON/OFF state of the AFCI function.
Arc Fault
During the normal operation, if an DC arc is detected, the inverter will shut down and give out the following alarm:
- Installer needs to thoroughly inspect the DC circuit to ensure all the cables are correctly fastened.
- Once the DC circuit issue has been fixed or it is confirmed to be OK, press “ESC” for 3s and wait for the inverter to restart.
Solis Three Phase Inverter does not require any regular maintenance. However, cleaning the dust on heat-sink will help the inverter to dissipate the heat and increase its life time. The dust can be removed with a soft brush.
CAUTION:
Do not touch the inverter’s surface when it is operating. Some parts of the inverter may be hot and cause burns. Turn off the inverter (refer to Section 6.2) and wait for a cool-down period before any maintenance or cleaning operation.
The LCD and the LED status indicator lights can be cleaned with a damp cloth if they are too dirty to be read.
NOTE: Never use any solvents, abrasives or corrosive materials to clean the inverter.
Fan Maintenance
If the fan does not work properly, the inverter will not be cooled effectively. and it may affect the effective operation of the inverter .
Therefore, ii is necessary to clean or replace a broken fan as follows:
- Disconnect the AC power.
- Turn the DC switch to “OFF” position.
- Wait for 10 minutes at least.
- Disconnect all electric connection.
- Place the inverter on the platform.
- Remove the 4 screws on the fan plate and pull out the fan assembly slowly.

- Disconnect the fan connector carefully and take out the fan.
- Clean or replace the fan. Assemble the fan on the rack.
- Connect the electrical wire and reinstall the fan assembly. Restart the inverter.
Troubleshooting
The inverter is designed in accordance with the most important international grid-tied standards and safety and electromagnetic compatibility requirements. Before delivering to the customer, the inverter has been subjected to several tests to ensure its optimal operation and reliability.
In case of failure, the LCD screen will display an alarm message. In this case, the inverter may stop feeding into the grid. The failure descriptions and their corresponding alarm messages are listed in Table 9.1:
| Alarm Messa | Solution | |||||
| No power | Inverter no power on LCD | 1.Check PV input connections 2.Check DC input voltage (single phase >120V, three phase >350V) 3.Check if PV+/ – is reversed | ||||
| LCD show initializing all the time | Can not start-up | 1. Check if the connector on main board or power board are fixed. 2. Check if the DSP connector to power board are fixed. | ||||
| OV-G-V01/02/03/04 | Over grid voltage | 1. Resistant of AC cable is too high. Change bigger size grid cable 2. Adjust the protection limit if it’s allowed by electrical company. | ||||
| UN-G-V01/02 | Under grid voltage | 1.Use user define function to adjust the protection limit if it’s allowed by electrical company. | ||||
| OV-G-F01/02 | Over grid frequency | |||||
| UN-G-F01/02 | Under grid frequency | |||||
| G-IMP | High grid impedance | |||||
| NO-GRID | No grid voltage | 1.Check connections and grid switch. 2.Check the grid voltage inside inverter terminal. | ||||
| OV-DC01/02/03/04 | Over DC voltage | 1.Reduce the module number in series | ||||
| OV-BUS | Over DC bus voltage | 1.Check inverter inductor connection 2.Check driver connection | ||||
| UN-BUS01/02 | Under DC bus voltage | |||||
| GRID-INTF01/02 | Grid interference | 1.Restart inverter 2.Change power board | ||||
| OV-G-I | Over grid current | |||||
| IGBT-OV-I | Over IGBT current | |||||
| DC-INTF OV-DCA-I | DC input overcurrent | 1. Restart inverter 2. ldentify and remove the string to the fault MPPT 2.Change power board | ||||
| IGFOL-F | Grid current tracking fail | 1.Restart inverter or contact installer. | ||||
| IG-AD | Grid current sampling fail | |||||
| INI-FAULT | Initialization system fault |
1.Restart inverter or contact installer. | ||||
| DSP-B-FAULT | Comm. failure between main and slave DSP | |||||
| 12Power-FAULT | 12V power supply fault | |||||
| Alarm Messa | Solution | |||||
| OV-TEM | Over Temperature | 1.Check inverter surrounding ventilation. 2.Check if there’s sunshine direct on inverter in hot weather. | ||||
| PV ISO-PRO 01/02 | PV isolation protection | 1. Remove all DC input, reconnect and restart inverter one by one. 2. ldentify which string cause the fault and check the isolation of the string. | ||||
| ILeak-PRO 01/02/03/04 | Leakage current protection | 1. Check AC and DC connection 2. Check inverter inside cable connection. | ||||
| RelayChk-FAIL | Relay check fail | 1.Restart inverter or contact installer. | ||||
| DCinj-FAULT | High DC injection current | |||||
| AFCI self-detection (model with AFCI module) | AFCI module self-detect fault | 1.Restart inverter or connect technician. | ||||
| Arcing protection (model with AFCI module) | Detect arc in DC circuit | 1. Check inverter connection whether arc exists and restart inverter. | ||||
|
Screen OFF with DC applied |
Inverter internally damaged | 1. Do not turn off the DC switches as it will damage the inverter. 2. Please wait for the solar irradiance reduces and confirm the string current is less than 0.5A with a clip-on ammeter and then turn off the DC switches. 3. Please note that any damages due to wrong operations are not covered in the device warranty. | ||||
NOTE:
If the inverter displays any alarm message as listed in Table 9.1; please turn off the inverter (refer to Section 6.2 to stop your inverter) and wait for 5 minutes before restarting it (refer to Section 6.1 to start your inverter). If the failure persists, please contact your local distributor or the service center. Please keep ready with you the following information before contacting us.
- Serial number of Solis Three Phase Inverter;
- The distributor/dealer of Solis Three Phase Inverter (if available);
- Installation date.
- The description of problem (i.e. the alarm message displayed on the LCD and the status of the LED status indicator lights. Other readings obtained from the Information submenu (refer to Section 6.2) will also be helpful.);
- The PV array configuration (e.g. number of panels, capacity of panels, number of strings , etc.);
- Your contact details.
Specifications
| Model | S5-GC25K |
| Max. DC input voltage (Volts) | 1100 |
| Rated DC voltage (Volts) | 600 |
| Start-up voltage (Volts) | 180 |
| MPPT voltage range (Volts) | 200-1000 |
| Max. input current (Amps) | 3*32 |
| Max short circuit input current (Amps) | 3*50 |
| MPPT number/Max input strings number | 3/6 |
| Rated output power (Watts) | 25000 |
| Max. output power (Watts) | 27500 |
| Max. apparent output power (VA) | 27500 |
| Rated grid voltage (Volts) | 3/N/PE, 220/380, 230/400 |
| Rated grid output current (Amps) | 38.0/36.1 |
| Max. output current (Amps) | 41.8 |
| Power Factor (at rated output power) | 0.8Ieading-0.Slagging |
| THDi (at rated output power) | <3% |
| Rated grid frequency (Hertz) | 50/60 |
| Max.efficiency | 98.5% |
| EU efficiency | 98.1% |
| Dimensions (W*H*D) | 647*629*252mm |
| Weight | 37kg |
| Topology | Transformerless |
| Self consumption (night) | <1W |
| Operating ambient temperature range | -25′(-+60′( |
| Relative humidity | 0-100% |
| Ingress protection | IP66 |
| Cooling concept | Intelligent redundant fan-cooling |
| Max.operation altitude | 4000m |
|
Grid connection standard | G98 or G99, VDE-AR-N 4105 / VOE V 0124, EN 50549-1, VOE 0126 / UTE C 15 / VFR:2019, RD 1699 / RD 244 / UNE 206006 / UNE 206007-1, CEI 0-21, C10/11, NRS 097-2-1, TOR, EIFS 2018.2, IEC 62116, IEC 61727, IEC60068, IEC 61683, EN 50530 |
| Safty/EMC standard | IEC/EN 62109-1/-2, IEC/EN 61000-6-1/-2/-3/-4 |
| DC connection | MC4 connector |
| AC connection | OT Terminal |
| Display | LCD, 2×20 Z |
| Communication connections | RS485, Optional: Wifi, GPRS,USB* |
| Warranty | 5 years (extand to 20 years) |
| Model | S5-GCJ0K |
| Max. DC input voltage (Volts) | 1100 |
| Rated DC voltage (Volts) | 600 |
| Start-up voltage (Volts) | 180 |
| MPPT voltage range (Volts) | 200-1000 |
| Max. input current (Amps) | 3*32 |
| Max short circuit input current (Amps) | 3*50 |
| MPPT number/Max input strings number | 3/6 |
| Rated output power (Watts) | 30000 |
| Max. output power (Watts) | 33000 |
| Max. apparent output power (VA) | 33000 |
| Rated grid voltage (Volts) | 3/N/PE, 220/380, 230/400 |
| Rated grid output current (Amps) | 45.6/43.3 |
| Max. output current (Amps) | 50.2 |
| Power Factor (at rated output power) | 0.8Ieading-0.Slagging |
| THDi (at rated output power) | <3% |
| Rated grid frequency (Hertz) | 50/60 |
| Max.efficiency | 98.5% |
| EU efficiency | 98.1% |
| Dimensions (W*H*D) | 647*629*252mm |
| Weight | 37kg |
| Topology | Transformerless |
| Self consumption (night) | <1W |
| Operating ambient temperature range | -25′(-+60′( |
| Relative humidity | 0-100% |
| Ingress protection | IP66 |
| Cooling concept | Intelligent redundant fan-cooling |
| Max.operation altitude | 4000m |
|
Grid connection standard | G98 or G99, VDE-AR-N 4105 / VOE V 0124, EN 50549-1, VOE 0126 / UTE C 15 / VFR:2019, RD 1699 / RD 244 / UNE 206006 / UNE 206007-1, CEI 0-21, C10/11, NRS 097-2-1, TOR, EIFS 2018.2, IEC 62116, IEC 61727, IEC60068, IEC 61683, EN 50530 |
| Safty/EMC standard | IEC/EN 62109-1/-2, IEC/EN 61000-6-1/-2/-3/-4 |
| DC connection | MC4 connector |
| AC connection | OT Terminal |
| Display | LCD, 2×20 Z |
| Communication connections | RS485, Optional: Wifi, GPRS,USB* |
| Warranty | 5 years (extand to 20 years) |
| Model | S5-GC33K |
| Max. DC input voltage (Volts) | 1100 |
| Rated DC voltage (Volts) | 600 |
| Start-up voltage (Volts) | 180 |
| MPPT voltage range (Volts) | 200-1000 |
| Max. input current (Amps) | 3*32 |
| Max short circuit input current (Amps) | 3*50 |
| MPPT number/Max input strings number | 3/6 |
| Rated output power (Watts) | 33000 |
| Max. output power (Watts) | 36300 |
| Max. apparent output power (VA) | 36300 |
| Rated grid voltage (Volts) | 3/N/PE, 220/380, 230/400 |
| Rated grid output current (Amps) | 50.1/47.6 |
| Max. output current (Amps) | 55.1 |
| Power Factor (at rated output power) | 0.8Ieading-0.Slagging |
| THDi (at rated output power) | <3% |
| Rated grid frequency (Hertz) | 50/60 |
| Max.efficiency | 98.6% |
| EU efficiency | 98.2% |
| Dimensions (W*H*D) | 647*629*252mm |
| Weight | 37kg |
| Topology | Transformerless |
| Self consumption (night) | <1W |
| Operating ambient temperature range | -25′(-+60′( |
| Relative humidity | 0-100% |
| Ingress protection | IP66 |
| Cooling concept | Intelligent redundant fan-cooling |
| Max.operation altitude | 4000m |
|
Grid connection standard | G98 or G99, VDE-AR-N 4105 / VOE V 0124, EN 50549-1, VOE 0126 / UTE C 15 / VFR:2019, RD 1699 / RD 244 / UNE 206006 / UNE 206007-1, CEI 0-21, C10/11, NRS 097-2-1, TOR, EIFS 2018.2, IEC 62116, IEC 61727, IEC60068, IEC 61683, EN 50530 |
| Safty/EMC standard | IEC/EN 62109-1/-2, IEC/EN 61000-6-1/-2/-3/-4 |
| DC connection | MC4 connector |
| AC connection | OT Terminal |
| Display | LCD, 2×20 Z |
| Communication connections | RS485, Optional: Wifi, GPRS,USB* |
| Warranty | 5 years (extand to 20 years) |
| Model | S5-GC36K |
| Max. DC input voltage (Volts) | 1100 |
| Rated DC voltage (Volts) | 600 |
| Start-up voltage (Volts) | 180 |
| MPPT voltage range (Volts) | 200-1000 |
| Max. input current (Amps) | 4*32 |
| Max short circuit input current (Amps) | 4*50 |
| MPPT number/Max input strings number | 4/8 |
| Rated output power (Watts) | 36000 |
| Max. output power (Watts) | 39600 |
| Max. apparent output power (VA) | 39600 |
| Rated grid voltage (Volts) | 3/N/PE, 220/380, 230/400 |
| Rated grid output current (Amps) | 54.7/52.0 |
| Max. output current (Amps) | 60.2 |
| Power Factor (at rated output power) | 0.8Ieading-0.Slagging |
| THDi (at rated output power) | <3% |
| Rated grid frequency (Hertz) | 50/60 |
| Max.efficiency | 98.7% |
| EU efficiency | 98.3% |
| Dimensions (W*H*D) | 647*629*252mm |
| Weight | 37kg |
| Topology | Transformerless |
| Self consumption (night) | <1W |
| Operating ambient temperature range | -25′(-+60′( |
| Relative humidity | 0-100% |
| Ingress protection | IP66 |
| Cooling concept | Intelligent redundant fan-cooling |
| Max.operation altitude | 4000m |
|
Grid connection standard | G98 or G99, VDE-AR-N 4105 / VOE V 0124, EN 50549-1, VOE 0126 / UTE C 15 / VFR:2019, RD 1699 / RD 244 / UNE 206006 / UNE 206007-1, CEI 0-21, C10/11, NRS 097-2-1, TOR, EIFS 2018.2, IEC 62116, IEC 61727, IEC60068, IEC 61683, EN 50530 |
| Safty/EMC standard | IEC/EN 62109-1/-2, IEC/EN 61000-6-1/-2/-3/-4 |
| DC connection | MC4 connector |
| AC connection | OT Terminal |
| Display | LCD, 2×20 Z |
| Communication connections | RS485, Optional: Wifi, GPRS,USB* |
| Warranty | 5 years (extand to 20 years) |
| Model | S5-GC40K |
| Max. DC input voltage (Volts) | 1100 |
| Rated DC voltage (Volts) | 600 |
| Start-up voltage (Volts) | 180 |
| MPPT voltage range (Volts) | 200-1000 |
| Max. input current (Amps) | 4*32 |
| Max short circuit input current (Amps) | 4*50 |
| MPPT number/Max input strings number | 4/8 |
| Rated output power (Watts) | 40000 |
| Max. output power (Watts) | 44000 |
| Max. apparent output power (VA) | 44000 |
| Rated grid voltage (Volts) | 3/N/PE, 220/380, 230/400 |
| Rated grid output current (Amps) | 60.8/57.7 |
| Max. output current (Amps) | 66.9 |
| Power Factor (at rated output power) | 0.8Ieading-0.Slagging |
| THDi (at rated output power) | <3% |
| Rated grid frequency (Hertz) | 50/60 |
| Max.efficiency | 98.7% |
| EU efficiency | 98.3% |
| Dimensions (W*H*D) | 647*629*252mm |
| Weight | 37kg |
| Topology | Transformerless |
| Self consumption (night) | <1W |
| Operating ambient temperature range | -25′(-+60′( |
| Relative humidity | 0-100% |
| Ingress protection | IP66 |
| Cooling concept | Intelligent redundant fan-cooling |
| Max.operation altitude | 4000m |
|
Grid connection standard | G98 or G99, VDE-AR-N 4105 / VOE V 0124, EN 50549-1, VOE 0126 / UTE C 15 / VFR:2019, RD 1699 / RD 244 / UNE 206006 / UNE 206007-1, CEI 0-21, C10/11, NRS 097-2-1, TOR, EIFS 2018.2, IEC 62116, IEC 61727, IEC60068, IEC 61683, EN 50530 |
| Safty/EMC standard | IEC/EN 62109-1/-2, IEC/EN 61000-6-1/-2/-3/-4 |
| DC connection | MC4 connector |
| AC connection | OT Terminal |
| Display | LCD, 2×20 Z |
| Communication connections | RS485, Optional: Wifi, GPRS,USB* |
| Warranty | 5 years (extand to 20 years) |
| Model | S5-GC40K-HV |
| Max. DC input voltage (Volts) | 1100 |
| Rated DC voltage (Volts) | 600 |
| Start-up voltage (Volts) | 180 |
| MPPT voltage range (Volts) | 200-1000 |
| Max. input current (Amps) | 4*32 |
| Max short circuit input current (Amps) | 4*50 |
| MPPT number/Max input strings number | 4/8 |
| Rated output power (Watts) | 40000 |
| Max. output power (Watts) | 44000 |
| Max. apparent output power (VA) | 44000 |
| Rated grid voltage (Volts) | 3/PE, 480 |
| Rated grid output current (Amps) | 48.1 |
| Max. output current (Amps) | 53.0 |
| Power Factor (at rated output power) | 0.8Ieading-0.Slagging |
| THDi (at rated output power) | <3% |
| Rated grid frequency (Hertz) | 50/60 |
| Max.efficiency | 98.8% |
| EU efficiency | 98.4% |
| Dimensions (W*H*D) | 647*629*252mm |
| Weight | 37kg |
| Topology | Transformerless |
| Self consumption (night) | <1W |
| Operating ambient temperature range | -25′(-+60′( |
| Relative humidity | 0-100% |
| Ingress protection | IP66 |
| Cooling concept | Intelligent redundant fan-cooling |
| Max.operation altitude | 4000m |
|
Grid connection standard | G98 or G99, VDE-AR-N 4105 / VOE V 0124, EN 50549-1, VOE 0126 / UTE C 15 / VFR:2019, RD 1699 / RD 244 / UNE 206006 / UNE 206007-1, CEI 0-21, C10/11, NRS 097-2-1, TOR, EIFS 2018.2, IEC 62116, IEC 61727, IEC60068, IEC 61683, EN 50530 |
| Safty/EMC standard | IEC/EN 62109-1/-2, IEC/EN 61000-6-1/-2/-3/-4 |
| DC connection | MC4 connector |
| AC connection | OT Terminal |
| Display | LCD, 2×20 Z |
| Communication connections | RS485, Optional: Wifi, GPRS,USB* |
| Warranty | 5 years (extand to 20 years) |
| Model | S5-GC50K-HV |
| Max. DC input voltage (Volts) | 1100 |
| Rated DC voltage (Volts) | 600 |
| Start-up voltage (Volts) | 180 |
| MPPT voltage range (Volts) | 200-1000 |
| Max. input current (Amps) | 4*32 |
| Max short circuit input current (Amps) | 4*50 |
| MPPT number/Max input strings number | 4/8 |
| Rated output power (Watts) | 50000 |
| Max. output power (Watts) | 55000 |
| Max. apparent output power (VA) | 55000 |
| Rated grid voltage (Volts) | 3/PE, 480 |
| Rated grid output current (Amps) | 60.1 |
| Max. output current (Amps) | 66.2 |
| Power Factor (at rated output power) | 0.8Ieading-0.Slagging |
| THDi (at rated output power) | <3% |
| Rated grid frequency (Hertz) | 50/60 |
| Max.efficiency | 98.8% |
| EU efficiency | 98.4% |
| Dimensions (W*H*D) | 647*629*252mm |
| Weight | 37kg |
| Topology | Transformerless |
| Self consumption (night) | <1W |
| Operating ambient temperature range | -25′(-+60′( |
| Relative humidity | 0-100% |
| Ingress protection | IP66 |
| Cooling concept | Intelligent redundant fan-cooling |
| Max.operation altitude | 4000m |
|
Grid connection standard | G98 or G99, VDE-AR-N 4105 / VOE V 0124, EN 50549-1 , VOE 0126 / UTE C 15 / VFR:2019, RD 1699 / RD 244 / UNE 206006 / UNE 206007-1, CEI 0-21, C10/11, NRS 097-2-1, TOR, EIFS 2018.2, IEC 62116, IEC 61727, IEC60068, IEC 61683, EN 50530 |
| Safty/EMC standard | IEC/EN 62109-1/-2, IEC/EN 61000-6-1/-2/-3/-4 |
| DC connection | MC4 connector |
| AC connection | OT Terminal |
| Display | LCD, 2×20 Z |
| Communication connections | RS485, Optional: Wifi, GPRS,USB* |
| Warranty | 5 years (extand to 20 years) |
| Model | S5-GC15K-LV |
| Max. DC input voltage (Volts) | 1100 |
| Rated DC voltage (Volts) | 600 |
| Start-up voltage (Volts) | 180 |
| MPPT voltage range (Volts) | 200-1000 |
| Max. input current (Amps) | 3*32 |
| Max short circuit input current (Amps) | 3*50 |
| MPPT number/Max input strings number | 3/6 |
| Rated output power (Watts) | 15000 |
| Max. output power (Watts) | 16500 |
| Max. apparent output power (VA) | 16500 |
| Rated grid voltage (Volts) | 3/PE, 220 |
| Rated grid output current (Amps) | 39.4 |
| Max. output current (Amps) | 43.3 |
| Power Factor (at rated output power) | 0.8Ieading-0.Slagging |
| THDi (at rated output power) | <3% |
| Rated grid frequency (Hertz) | 50/60 |
| Max.efficiency | 97.8% |
| EU efficiency | 97.3% |
| Dimensions (W*H*D) | 647*629*252mm |
| Weight | 37kg |
| Topology | Transformerless |
| Self consumption (night) | <1W |
| Operating ambient temperature range | -25′(-+60′( |
| Relative humidity | 0-100% |
| Ingress protection | IP66 |
| Cooling concept | Intelligent redundant fan-cooling |
| Max.operation altitude | 4000m |
|
Grid connection standard | G98 or G99, VDE-AR-N 4105 / VOE V 0124, EN 50549-1 , VOE 0126 / UTE C 15 / VFR:2019, RD 1699 / RD 244 / UNE 206006 / UNE 206007-1, CEI 0-21, C10/11, NRS 097-2-1, TOR, EIFS 2018.2, IEC 62116, IEC 61727, IEC60068, IEC 61683, EN 50530 |
| Safty/EMC standard | IEC/EN 62109-1/-2, IEC/EN 61000-6-1/-2/-3/-4 |
| DC connection | MC4 connector |
| AC connection | OT Terminal |
| Display | LCD, 2×20 Z |
| Communication connections | RS485, Optional: Wifi, GPRS,USB* |
| Warranty | 5 years (extand to 20 years) |
| Model | S5-GC20K-LV |
| Max. DC input voltage (Volts) | 1100 |
| Rated DC voltage (Volts) | 600 |
| Start-up voltage (Volts) | 180 |
| MPPT voltage range (Volts) | 200-1000 |
| Max. input current (Amps) | 3*32 |
| Max short circuit input current (Amps) | 3*50 |
| MPPT number/Max input strings number | 3/6 |
| Rated output power (Watts) | 20000 |
| Max. output power (Watts) | 22000 |
| Max. apparent output power (VA) | 22000 |
| Rated grid voltage (Volts) | 3/PE, 220 |
| Rated grid output current (Amps) | 52.5 |
| Max. output current (Amps) | 57.7 |
| Power Factor (at rated output power) | 0.8Ieading-0.Slagging |
| THDi (at rated output power) | <3% |
| Rated grid frequency (Hertz) | 50/60 |
| Max.efficiency | 97.8% |
| EU efficiency | 97.3% |
| Dimensions (W*H*D) | 647*629*252mm |
| Weight | 37kg |
| Topology | Transformerless |
| Self consumption (night) | <1W |
| Operating ambient temperature range | -25′(-+60′( |
| Relative humidity | 0-100% |
| Ingress protection | IP66 |
| Cooling concept | Intelligent redundant fan-cooling |
| Max.operation altitude | 4000m |
|
Grid connection standard | G98 or G99, VDE-AR-N 4105 / VOE V 0124, EN 50549-1 , VOE 0126 / UTE C 15 / VFR:2019, RD 1699 / RD 244 / UNE 206006 / UNE 206007-1, CEI 0-21, C10/11, NRS 097-2-1, TOR, EIFS 2018.2, IEC 62116, IEC 61727, IEC60068, IEC 61683, EN 50530 |
| Safty/EMC standard | IEC/EN 62109-1/-2, IEC/EN 61000-6-1/-2/-3/-4 |
| DC connection | MC4 connector |
| AC connection | OT Terminal |
| Display | LCD, 2×20 Z |
| Communication connections | RS485, Optional: Wifi, GPRS,USB* |
| Warranty | 5 years (extand to 20 years) |
| Model | S5-GC23K-LV |
| Max. DC input voltage (Volts) | 1100 |
| Rated DC voltage (Volts) | 600 |
| Start-up voltage (Volts) | 180 |
| MPPT voltage range (Volts) | 200-1000 |
| Max. input current (Amps) | 3*32 |
| Max short circuit input current (Amps) | 3*50 |
| MPPT number/Max input strings number | 3/6 |
| Rated output power (Watts) | 23000 |
| Max. output power (Watts) | 25000 |
| Max. apparent output power (VA) | 25000 |
| Rated grid voltage (Volts) | 3/PE, 220 |
| Rated grid output current (Amps) | 60.4 |
| Max. output current (Amps) | 65.0 |
| Power Factor (at rated output power) | 0.8Ieading-0.Slagging |
| THDi (at rated output power) | <3% |
| Rated grid frequency (Hertz) | 50/60 |
| Max.efficiency | 97.8% |
| EU efficiency | 97.3% |
| Dimensions (W*H*D) | 647*629*252mm |
| Weight | 37kg |
| Topology | Transformerless |
| Self consumption (night) | <1W |
| Operating ambient temperature range | -25′(-+60′( |
| Relative humidity | 0-100% |
| Ingress protection | IP66 |
| Cooling concept | Intelligent redundant fan-cooling |
| Max.operation altitude | 4000m |
|
Grid connection standard | G98 or G99, VDE-AR-N 4105 / VOE V 0124, EN 50549-1 , VOE 0126 / UTE C 15 / VFR:2019, RD 1699 / RD 244 / UNE 206006 / UNE 206007-1, CEI 0-21, C10/11, NRS 097-2-1, TOR, EIFS 2018.2, IEC 62116, IEC 61727, IEC60068, IEC 61683, EN 50530 |
| Safty/EMC standard | IEC/EN 62109-1/-2, IEC/EN 61000-6-1/-2/-3/-4 |
| DC connection | MC4 connector |
| AC connection | OT Terminal |
| Display | LCD, 2×20 Z |
| Communication connections | RS485, Optional: Wifi, GPRS,USB* |
| Warranty | 5 years (extand to 20 years) |
Grid standard selection guide
NOTE: Please check if the grid code setting comply with local requirement.
- For different countries and regions, corresponding grid code needs to be selected in the inverter LCD to meet the requirements of local network provider.
- This instruction indicates how to change the grid code and what code should be selected in different places.
- This following list illustrates the grid standard options in the inverter which are subject to change. It is for your reference only. If customer has any doubts or uncertainty, please consult Solis service department for confirmation.
- To set the correct grid code, please enter the following path:
- Advanced Settings -> Password:0010 -> Select Standard
- Detailed protection limits can be viewed when choosing the code.
- Please select “Save&Send” to enforce the code.
| Code in LCD | Country /Region | Comments | |
| VDE4015 | Germany | For German Low Voltage Grid . | |
| EN50549 PO | Poland | For Polish Low Voltage Grid | |
| EN50549 NL | Netherland | For Dutch Low Voltage Grid | |
| 4 | EN50438 L | General EN50438 Requirement. Possible to be used in Austria , Cyprus, Finland, Czech Republic , Slovenia , etc. | |
| 5 | EIFS- SW | Sweden | For Swedish Low Voltage Grid |
| 6 | France | France | For French Low Voltage Grid |
| 7 | C10/11 | Belgium | For Belgian Low Voltage Grid |
| 8 | NRS097 | South Africa | For South African Low Voltage Grid |
| 9 | CEI0-21 | Italy | For Italian Low Voltage Grid |
| 10 | EN50549L (EN50549-1) | General EN50549 -1 requirement which meets local requirements of most European countries | |
| 11 | G98 | UK | For UK Low Voltage Grid <16A |
| 12 | G99 | UK | For UK Low Voltage Grid >16A |
| NO. | Code in LCD | Country /Region | Comments |
| 13 | G98 NI | North Ireland | For North Ireland Low Voltage Grid <16A |
| 14 | G99 NI | North Ireland | For North Ireland Low Voltage Grid >16A |
| 15 | User-define | Customized Protection Limits | |
| 16 | Gen50 | Generator Connected , Frequency-Derating , 50Hz | |
| 17 | Gen 60 | Generator Connected , Frequency-Derating , 60Hz | |
| 18 | DK1 | East Denmark | For East Danish low voltage grid |
| 19 | DK2 | West Denmark | For West Danish low voltage grid |
| 20 | 50438IE | Irel and | For Irish low voltage grid |
| 21 | RD1699 | Spain | For Spanish low voltage grid |
| 22 | EN50549 | General EN50549 Requirement. Possible to be used in Cyprus , Finland, Czech Republic , Slovenia .Jamaica |
Gin long Technologies Co., Ltd.
No . 57 Jintong Road, Binhai Industrial Park, Xiangshan, Ningbo, Zhejiang, 315712, P.R.China.
Tel: +86 (0)574 65781806
Fax: +86 (0)574 65781606
Email: [email protected]
Web: www.ginlong.com
Please adhere to the actual products in case of any discrepancies in this user manual. If you encounter any problem on the inverter, please find out the inverter S/N
and contact us, we will try to respond to your question ASAP.




































