Aposun CHDS4A Series Universal Input Digital Panel Meter

Product Information
The CHDS4A series Universal Input Digital Panel Meter is a versatile instrument that can accept various types of signals including 4-20mA, 0-10V, 0-75mV, TC/RTD, and load cell. It is widely used in different applications such as temperature, pressure, weighting, resistance, current, and voltage measurement. This digital panel meter also provides 20-stage programmable settings for non-linear input. The input, output, and power supply are isolated from each other which ensures safety and accuracy in measurements. The instrument has a model number CHDS4A and comes in a standard size of 48W*48H mm. It features a universal input type with default input options of 4-20mA, 0-10V, and 0-75mV. The user can choose other input options by specifying them during ordering. The instrument has two options for aux power supply, 12V DC or 24V DC. There are three options for the alarm function – relay, solid state (SS), or none. The instrument also has an analog output function that can be chosen along with the alarm function.
Product Usage
Before using the CHDS4A series Universal Input Digital Panel Meter, it is essential to read the user manual carefully to understand its features and functions. Here are the steps to use the instrument:
- Connect the power supply according to the specifications mentioned in the manual.
- Select the input type that matches your signal source.
- If your signal is non-linear, set up the 20-stage programmable settings as per your requirement.
- Select the analog output or alarm function that suits your application.
- Once all functions are set up correctly, start measuring the signal.
It is important to note that the input, output, and power supply are isolated from each other, ensuring safety and accuracy in measurements. If you face any issues or have any questions about the instrument’s usage, please refer to the user manual or contact the manufacturer for assistance.
First of all, thank you for using our qualified products. Please read this manual carefully before use so that you can fully understand and properly use the instrument
Model number and ordering info
Note: Analog output and Alarm functions, you can choose any one of it.
Technical specifications
The instrument accepts many types of signals input as 4-20mA, 0-10V, 0-75mV, TC/RTD, load cell, etc.. This makes it is widely used in different applications , such as temperature, pressure, weighting, resistance, current and voltage measurement. We also provide 20-stage programmable setting for no-linear input. The input, output and power supply are isolated from each other.
| Power supply | 110/20V AC or 24V AC/DC Consumption: ≤5VA |
| Accuracy | 0.3%F.S ±2 digits |
| Sampling speed | ≤8 times/sec. |
| Alarm | Relay, 250V/3A AC or 30V/3A DC cos =1 |
| Input | refer to the input signal chart |
| Analog | 0-10V/4-20mA set output range by software |
| Aux. power | 12/24V 30mA DC |
Input signal chart
| Input signal | Temp range | Input impedance | Factory set |
| mA | 0~1mA,0-10mA, 4-20mA | ≤150Ω | 4-20mA |
| V(AV/DV) | 0~5V, 0-10V,0-500V | ≤200KΩ | 0-10V DC |
| mV | 0-10mV, ±100mV | ≤2MΩ | 0-75mV |
| RT | 0-400Ω, 0- 10KΩ | ≤0. 2mA | 0-400Ω |
| Cu50, Cu100 -50~150℃ | Indicate when order | ||
| PT | -200~650℃ | ≤0. 2mA | Pt100 |
| 10V | -10V ~ 10V | ≥200KΩ | 10V |
| 5V | -5V ~ 5V | ||
| 20mA | ±4mA~ 20mA | ||
| 0.2V | -0.2~ 0.2 |
Remark: the factory setting of the input signal is 4-20mA, 0-10V,0-75mV, If the customer needs other signal input, please contact the manufacturer or the local distributor.
Size and mounting

Panel description
- PV window: display PV and parameter notation
- Input Indication lamps:
- V(mV): signal input lamp
- ON: V signal
- flash: mV signal
- Ω(℃): signal input lamp
- ON: resistance signal
- flash: TC/RTD signal
- A(mA): signal input lamp
- ON: A signal flash: mA signal
- OUT: output indicate lam,:
- ON: active
- OFF: inactive

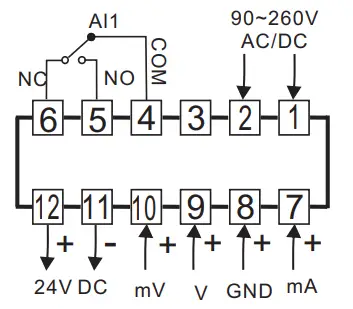
Wiring diagram
Model: CHDS4A-RB
Model: CHDS4A-IB
Remark: Above is a general wiring diagram. Please always refer to the connection diagram on the side of the controller.
Setting and programming
Power on initialization
Power on for self-checking and showing input type & display value range.
How to configure all configurable parameters
Zero point clearance
Remark: The instrument will return to the measuring estate if no a ny operation for 25 seconds
Press SET for 3 seconds to enter the parameter setting menu


Remark: The parameter values showed on this menu are the factory setting values.
Application examples
- Connection 2-wire pressure transmitter, request supply DC 24V/22mA auxiliary power, and have relay output, softwareselect mA input.

- Measure AC DC voltage input connection, example 600V AC, 500V DC

- Measure AC DC current input connection, example AA5A, DA5A

























