QTM-EAP10/QTM-EAP11 Device Manual v1.0.8
Quantum RTLS POE Anchor
ZEROKEY QTM-EAP10 Quantum RTLS POE Anchor
05-01-0002
Edition V1
October 2021
Copyright © Zero Key Inc. All rights reserved.
This manual is confidential and proprietary, and may not be reproduced, copied, transmitted, or translated into any language, in any form, or by any means, without the express written permission of ZeroKey Inc. (“ZeroKey”).
Product warranty or service will not be extended if: (1) the product is repaired, modified or altered, unless such repair, modification, or alteration is authorized in writing by ZeroKey; or (2) the serial number of the product is defaced or missing.
ZEROKEY PROVIDES THIS MANUAL “AS IS” WITHOUT WARRANTY OF ANY KIND, EITHER EXPRESS OR IMPLIED, INCLUDING BUT NOT LIMITED TO THE IMPLIED WARRANTIES OR CONDITIONS OF MERCHANTABILITY OR FITNESS FOR A PARTICULAR PURPOSE.
IN NO EVENT SHALL ZEROKEY, ITS DIRECTORS, OFFICERS, EMPLOYEES OR AGENTS BE LIABLE FOR ANY INDIRECT, SPECIAL, INCIDENTAL, OR CONSEQUENTIAL DAMAGES (INCLUDING DAMAGES FOR LOSS OF PROFITS, LOSS OF BUSINESS, LOSS OF USE OR DATA, INTERRUPTION OF BUSINESS AND THE LIKE), EVEN IF ZEROKEY HAS BEEN ADVISED OF THE POSSIBILITY OF SUCH DAMAGES ARISING FROM ANY DEFECT OR ERROR IN THIS MANUAL OR PRODUCT.
SPECIFICATIONS AND INFORMATION CONTAINED IN THIS MANUAL ARE FURNISHED FOR INFORMATIONAL USE ONLY, AND ARE SUBJECT TO CHANGE AT ANY TIME WITHOUT NOTICE, AND SHOULD NOT BE CONSTRUED AS A COMMITMENT BY ZEROKEY.
ZEROKEY ASSUMES NO RESPONSIBILITY OR LIABILITY FOR ANY ERRORS OR INACCURACIES THAT MAY APPEAR IN THIS MANUAL, INCLUDING THE PRODUCTS AND SOFTWARE DESCRIBED IN IT.
Products and corporate names appearing in this manual may or may not be registered trademarks or copyrights of their respective companies and are used only for identification or explanation and to the owners’ benefit, without intent to infringe.
Revision Tracking
| Rev | EC | Author | Reviewer | Approver | Change Notes | Date |
| V1.0.0 | N/A | Released to Baseline | 2021/10/25 | |||
| V1.0.1 | N/A | K. Fulton | Update to Regulatory Statements Add revision history table Add system diagram | 2021/12/10 | ||
| V1.0.2 | N/A | K. Fulton | Add power supply usage statement Add references to QTM-EAP10 and QTM-EAP11 Changed daisy chain units (10 for QTM-EAP10, 12 for QTM-EAP11) | 2022/01/27 | ||
| V1.0.3 | N/A | J. Wolf | Update compliance for ‘Class A’ device Updated System Diagram | 2022/08/04 | ||
| V1.0.4 | N/A | J. Wolf | Updated model naming format Added class A warning statement Updated certification wording Updated USB port wording | 2022/08/16 | ||
| V1.0.5 | N/A | J.Wolf | Updated DC Power Supply wording. | 2022/09/16 | ||
| V1.0.6 | N/A | J. Wolf | -Updated regulatory statement wording | 2022/10/21 | ||
| V1.0.7 | N/A | J. Wolf | -Added product name to title page – Added FCC Part 18 statement | 2022/11/01 | ||
| V1.0.8 | N/A | J. Wolf | -Updated FCC and ISED distance statements | 2022/12/07 |
Certification and Compliance
The radio used in this device has been certified for use according to Federal Communications Commission (FCC), Industry Canada (IC) and Conformity Europeans (CE) rules and regulations.
FCC Regulatory Statement
Model: QTM-EAP10, FCC ID: 2AX6LQTMEAP10
Model: QTM-EAP11, FCC ID: 2AX6LQTMEAP11
Caution: Changes or modifications to this unit not expressly approved by the party responsible for compliance could void the user’s authority to operate the equipment.
NOTE: This equipment has been tested and found to comply with the limits for a Class A digital device, pursuant to part 15 of the FCC Rules. These limits are designed to provide reasonable protection against harmful interference when the equipment is operated in a commercial environment. This equipment generates, uses, and can radiate radio frequency energy and, if not installed and used in accordance with the instruction manual, may cause harmful interference to radio communications. Operation of this equipment in a residential area is likely to cause harmful interference in which case the user will be required to correct the interference at his own expense.
Warning: Operation of this equipment in a residential environment could cause radio interference.
Operation is subject to the following two conditions:
- This device may not cause harmful interference, and
- this device must accept any interference received, including interference that may cause undesired operation.
However, there is no guarantee that interference will not occur in a particular installation. If this equipment does cause harmful interference to radio or television reception, which can be determined by turning the equipment off and on, the user is encouraged to try to correct the interference by one or more of the following measures:
- Reorient or relocate the receiving antenna.
- Increase the separation between the equipment and receiver.
- Connect the equipment into an outlet on a circuit different from that to which the receiver is connected.
- Consult the dealer or an experienced radio/TV technician for help.
This equipment must be installed and operated with a minimum distance 20 centimeters between the radiator and user’s body. This equipment has been evaluated to meet general RF exposure requirement at 20 centimeters distance.
This device complies with Part 18 of the FCC Rules.
ISED Regulatory Statement
Model: QTM-EAP10, IC: 26679-QTMEAP10
Model: QTM-EAP11, IC: 26679-QTMEAP11
CAN ICES-003(A)/NMB-003(A)
This device contains licence-exempt transmitter(s)/receiver(s) that comply with Innovation, Science and Economic Development Canada’s licence-exempt RSS(s). Operation is subject to the following two conditions:
- This device may not cause interference.
- This device must accept any interference, including interference that may cause undesired operation of the device.
Warning: Operation of this equipment in a residential environment could cause radio interference.
The device meets the exemption from the routine evaluation limits in section 2.5 of RSS 102 and compliance with RSS-102 RF exposure, users can obtain Canadian information on RF exposure and compliance.
This transmitter must not be co-located or operating in conjunction with any other antenna or transmitter. This equipment must be installed and operated with a minimum distance of 20 centimeters between the radiator and your body.
PREFACE
ABOUT THIS GUIDE
This guide contains the information you will need to operate a QTM-EAP10/QTM-EAP11 with the Quantum RTLS system.
WHERE TO FIND MORE INFORMATION
Refer to the following sources for additional information and for product and software updates.
- QTM-EAP10/QTM-EAP11 Resources
For more information and the most up to date user manual please visit our website https://zerokey.com) which contains additional product specifications, user documentation, and notices. - Included product documentation
Your product package includes documentation detailing the setup, configuration, and operation of the Quantum RTLS system.
CONVENTIONS USED IN THIS GUIDE
Take note of these symbols which indicate important information within this manual.
![]() | CAUTION: Important instructions to prevent damage or improper operation of the Smart Space system. |
| NOTE: Key information and helpful tips that | |
| CONFIG: Critical setup information that MUST be followed prior to operation of the system. |
TYPOGRAPHY
| Bold text | Indicates the name of a menu item, field, or important variable. |
| Italics | Emphasizes a word or a phrase. |
PRODUCT OVERVIEW
The QTM-EAP10/QTM-EAP11 is an Anchor node for the Quantum RTLS system. Anchors are the reference nodes of the tracking system. This Anchor node is the stationary, tracking reference node that should not be moved after system calibration.
2.1 DEVICE COMPONENTS

2.2 PHYSICAL CHARACTERISTICS
2.2.1 SIZE
Without mount: 32 mm tall, 119 mm wide and 66 mm deep.
2.2.2 WEIGHT
Without mount: 106 grams.
2.2.3 COMMUNICATION / POWER CONNECTORS
The unit requires active connection to power for operation and can be powered over ethernet or DC power.
The anchor unit is connected to a power via. Ethernet or DC power supply. When disconnected from power the unit will not remain powered on. There is no user-facing method to power off the unit, as it is intended to be always-on.
POE
The QTM-EAP10/QTM-EAP11 features ethernet ports to allow for Power over Ethernet (PoE) on permanent installations of the units. There are two ethernet ports available to allow for daisy chaining of devices. The port on the same side as the other connectors is used for power input, while the other ethernet port is used for power output to the next device in the chain.
It recommended to use a PoE-specific cable if using this method to power the device. For best outcomes, use a PoE-specific cable with 24 AWG conductor.
This device conforms to 802.3at Type 2 “PoE+” (30.0W).
The QTM-EAP10/QTM-EAP11 unit features two ethernet ports to support daisy chaining to power multiple devices in sequence. See section 3.3 for more information on daisy chain connections.
CAUTION: Use only an UL 60950-1 and IEC 62368-1: 2014 listed 802.3at Type 2 “PoE+” (30.0W) PoE capable power port.
DC POWER CONNECTOR
A DC power connector is available for permanent installations where PoE is not available.
CAUTION: Use only an UL 60950-1 and IEC 62368-1: 2014 listed 56V, 0.5A power supply. (Phishing Technology Co., Ltd. Type: PSAC30U-560L6 or equivalent)
USB
A micro-USB type connector is for factory testing purposes only.
CAUTION: Do not establish a connection between the device and a PC unless directed by a ZeroKey support member.
2.3 ALERTS, WARNINGS, AND INDICATORS
2.3.1 LIGHT ALERT
Upon boot-up, the QTM-EAP10/QTM-EAP11 LED will turn solid white for 1 second, then turn solid red for 1 second before entering idle state.
| COLOUR & PATTERN | MEANING |
| Solid green | On, idle – not positioning |
| Blinking green | On, normal operation – positioning |
| All LED’s (RGB) | DFU mode – receiving firmware update |
INSTALLATION
3.1 MOUNTING THE QTM-EAP10/QTM-EAP11
3.1.1 UNIVERSAL MOUNT

To use the universal mount:
- Line up the notches on the mount with the mounting holes on the bottom of the device
- Twist the mount in a clockwise direction 15 degrees until it clicks into place

- Adjust the universal mount to fit the installation location. For additional fitment options, the mount can be left flat, the sides can be removed using snips or side cutters, or the sides can be folded along the edge. If all edges are folded in, they can interlock with one another at the corners to assemble a universal shape. The “V” shaped groove on the short edge allows for mounting on round surfaces such as poles. There are holes on the sides and along the edges so that the unit can be secured with materials such as cable ties, Velcro, or wire.

- Mount the anchor so that the transducer is approximately pointed towards the area of interest.
Transducer can be adjusted afterwards.
NOTE: For more information on anchor network and placement requirements, see ZeroKey Support Materials at zerokey.com.
3.2 ADJUSTING THE TRANSDUCER
The transducer on the QTM-EAP10/QTM-EAP11 can be adjusted to allow for more flexible coverage of the tracked space. To adjust the transducer:
- Loosen the set screw next to the transducer
- Rotate the transducer to the desired orientation
- Tighten the set screw next to the transducer
NOTE: Avoid over-tightening the set screw, as it could cause damage to the transducer.
3.3 CONNECTING
The QTM-EAP10/QTM-EAP11 features two ethernet ports to allow for PoE via. daisy chain. Although not the only option for powering QTM-EAP10/QTM-EAP11 units, daisy chaining is the preferred method when deploying a permanent installation. The port on the same side as the other connectors is used for power input, while the other ethernet port is used for power output to the next device in the chain. For best outcomes, consider the following recommendations:
- The maximum number of units in one chain should not exceed 12 for the QTM-EAP11 and 10 for the QTM-EAP10
- Cable length should not exceed 100 m
- The ZeroKey pinout standard for pinout termination is 568A
- The devices must be powered via 802.3at Type 2, “PoE+” (25.52W) in order to reach maximum number daisy chained units.
- Connect all devices before powering on the system
Refer to Section 2.2.3 for input voltage requirements.
Once power has been supplied to the system, refer to section 2.3.1 to verify that all devices are on and on and have entered idle state. Before continuing to system calibration, ensure that the QTMEAP10/QTM-EAP11 device is detected by the Quantum RTLS Gateway.
3.4 CALIBRATION
Before regular system operation can occur, the network of Anchor nodes must go through a calibration via. the ZeroKey Configuration Tool.
NOTE: For more information on system calibration, see ZeroKey Support Materials at zerokey.com.
OPERATION
The QTM-EAP10/QTM-EAP11 is a Quantum RTLS Anchor node. In Quantum RTLS, the anchor unit performs as one of many reference nodes in the RTLS tracking system. In regular operation there is a network of 6 or more anchor nodes that have enough spatial diversity covering the tracked space to provide diverse ranging information to each mobile device to enable accurate positioning. Anchor nodes are mounted in permanent locations and must remain stationary after calibration and during system operation. There is no further need to physically interact with the QTM-EAP10/QTM-EAP11 during regular system operation.
PRODUCT CARE
5.1 GENERAL CARE
5.1.1 CLEANING
The device can be cleaned using a moistened soft cloth and nonabrasive hand/dish soap. DO NOT IMMERSE. Wipe dry to prevent any moisture build up.
5.1.2 OPERATING TEMPERATURE
This device is designed to operate from -20°C to +60°C ambient. Do not place the unit in direct sun for extended periods without proper ventilation as the unit may exceed the +60°C temperature.
REPAIRS AND DISPOSAL
6.1 FIRMWARE UPDATES
The QTM-EAP10/QTM-EAP11 can be updated with new firmware through our over-the-air reprogramming application to correct, improve, or add new features to enhance the unit’s performance.
Details on how to perform these updates is included with each update installation package.
6.2 OPERATION LOGS
The QTM-EAP10/QTM-EAP11 updates and maintains information concerning its operation and activities as it is being used around the site. This information is used to the monitor the health of the unit and improve the device performance. The information collected does not contain any personal information from the user.
6.3 REPAIRING DAMAGED DEVICE
Units that have been damaged or have failed to operate in the field can be returned for repair or replacement with a few exceptions. If the unit is intact but has ceased to operate, it can be returned via an RMA request to our repair center. Please contact your plan administrator for more information and an RMA form.
6.4 DISPOSAL OF DEVICE
The QTM-EAP10/QTM-EAP11 must be sent to an electronics recycling depot to reclaim the electronics.
Please contact your nearest electronics recycling company for details on their collection requirements.
APPENDIX A – SPECIFICATIONS
| Dimensions | 119 x 65.9 x 31.5 mm |
| Weight | 106 g |
| Input Voltage | 48.0-57.0v DC |
| Input Current | 50 mA max (QTM-EAP10), 70mA max (QTM-EAP11) |
| Output Voltage | 44-57v DC |
| Quiescent Current | 0.25 to 0.50 mA |
| Power-over-Ethernet | 802.3at type 2 “PoE+” |
| Ethernet Speed | 10/100 Mbps |
| Microcontroller | ARM Cortex-M4F @ 64MHz |
| Ethernet Port | 2 x RJ45 |
| USB | USB 2.0 (12Mbs) |
| DC Power Connector | 2.10mm ID 5.5mm OD, centre positive. |
| Peripherals | Status LED, temperature sensor |
| Mounting Options | Universal Mounting Plate, 2 sided tape |
| Operating Temperature | -20 to 60°C |
| Operating Humidity | 5 to 95% Non-Condensing |
| RF Modulation | GFSK |
| RF TX Power | 0-8 dBm |
| RF RX Sensitivity | -90 to -97 dBm |
| Ultrasonic Frequency Band | 50.0KHz +/- 0.1KHz |
| Ultrasonic Output | 96 dB SPL (max) |
| Ultrasonic Duty Cycle | 2.8% (min) 3.2% (max) |
| Certifications | FCC (US) / IC (Can) / CE (EU) / JRL (JP) / KC (KR) |
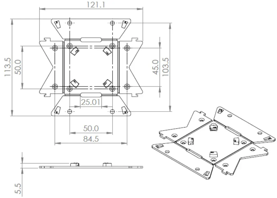
APPENDIX B – MECHANICAL DRAWINGS
QTM-EAP10/QTM-EAP11

UNIVERSAL MOUNT

APPENDIX C – SYSTEM DIAGRAM

NOTE:
Max cable between nodes 10 m
Max daisy chain length 100 m
Max # nodes in daisy chain 12(EAP10), 8(EAP11)
Recommended # nodes 10(EAP10), 8(EAP11)
Total power must not exceed switch capacity.




















