
KLINGER LDG Magnetic Inductive Flowmeter

Klinger LDG
Magnetic Inductive Flowmeter
Klinger LDG is a magnetic inductive flow meter for measuring flow on liquids with electrical conductivity.
The measurement principle is based on Faradays law on magnetic induction, it says, that an electrical voltage will be induced, when a conductor passes a magnetic field.
In the magnetic inductive flow meter is the liquid the electrical conductor, and the induced voltage directly proportional to the velocity of the liquid.
The program is primarily for application in water, wastewater, the refrigeration and energy sector, but can also used within a large number of industrial tasks.
The sensor part is fully welded, and very stable at the same time as it is insensitive to interference.
The construction is supplemented with a transmitter housing in IP67, a design that make the meter suitable for use in harsh Environments.
With Klinger LDG meter we offer you:
- High measurement accuracy in a large measuring range
- A maintenance-free measurement without moving parts
- A measurement that is independent of temperature, density, viscosity, concentration and conductivity.





- Instantaneous flow
- Alarm status
- Unit of measurement
- Summarized flow
- Keys for operation
- Infrared sensor (option)
Klinger LDG replaces your current flow meter:
- Installation dimensions that comply with ISO 13359.
- Choose from several types of lining for best price / performance ratio.
- Choose between compact or separate design both types in IP67 design.
- Easy setting of measuring range and output signals without the use of special tools / programs.
- Backlit LCD display, which can be read even during difficult relationship.
- Supplied with Danish and English operating instructions
Technical data
A magnetic flow meter is made up of a piece of pipe made of something not magnetic material. The tube is internally lined with a lining of non-conductive material.
In the measuring tube, the two measuring electrodes are placed so that they pass through the liner.
Lining and electrodes are the
only parts in contact with
the medium, and by choice must be taken taking into account that they can handle:
- Aggressiveness of the medium
- Press
- Temperature
- Temperature shock
Sizes PTFE: DN06…DN600
Hard Rubber: DN50…DN2200
Process Connection Flange EN 1092-1, JIS B2220 or ANSI 16.5
Pressure Rating (P nominel) DN10…DN25 ≤ 40 bar
DN32…DN150 ≤ 16 bar
DN200…DN60 ≤ 10 bar
DN700…DN2200 ≤ 6 bar
Media Liquid : Conductivity > 20uS/cm
Gas content < 5%
Solids content < 30%
Liner / temperature Polypropylene (PP): -5…+90 oC
Hard Rubber: -20 …+60 oC
PTFE: -20…+120 oC
PFA: -20 …+180 oC
Electrodes SS 316
Titanium
Tantalum
Hastelloy C22
Ranges 0.3-10m/s (table p.3)
Repatibility ±0.1%
Accuracy ±0.5% of actual value (V > 0,3m/s)
Option: ±0.2% of actual value (V > 0,3m/s)
Flow Directions Two-way (positive/negative)
Ambient conditions -20 …+60 oC / 5%-95% RH
Transmitter Compact w. display
Separate incl. 10m cable (other on request)
Output 4…20mA / scaled pulse
Option: HART, Modbus RS485 or Profibus DP
Power supply 110…240 VAC
24 VDC (20…26 VDC)
Power Consumption <20W

Ranges
Our magnetic flow meter can be set for measuring ranges from 0.3m / s up to 10m / s – it is recommended to choose a maximum flow between 4 and 6 m / s.

LDG can be delivered in dimensions up to DN 2.200mm – ask about measuring range for larger dimensions than stated.
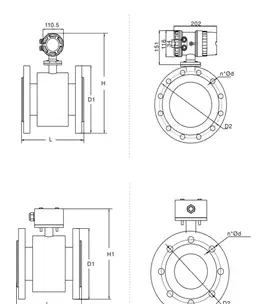
Installation
Klinger LDG are built so that the installation dimensions are in accordance with ISO 13359.
The table below shows the dimensions of the different dimensions (if you need another dimension, ask)


Order code

Other Flowmeters
LDGS – For Hygienic Applications

LDGC – Insertion meter




















