DIN-A-MITE Solid-State Power Controller
User Manual
DIN-A-MITE® Style B
Solid-State Power Controller
User’s Manual
DIN-A-MITE Solid-State Power Controller
Please consult this user’s manual when you place your new DIN-A-MITE into service. It contains all the necessary information to mount and wire the product into the application. This manual also contains all user-pertinent specifications and semiconductor fusing recommendations. Refer to national and local electrical code safety guidelines whenever you install electrical equipment.
This DIN-A-MITE product is capable of switching up to 40 amps single-phase; 33 amps 3-phase, 2-leg; and 22 amps 3-phase, 3-leg at 600VÅ (ac). (See the output rating curve in the specifications section of this manual.) The DIN- A-MITE is electrically touch-safe, and includes DIN rail or standard back panel mounting. An optional shorted SCR (silicon controlled rectifier) alarm feature is available on specific models. UL® 508-listed, C-UL® and CE with filter.
The DIN-A-MITE solid-state power controller is designed and manufactured by Watlow in Winona, Minnesota.
General Specifications
Operator Interface
- Command signal input and indication light
- Alarm output and indication light
- Input indicator LED
Amperage Rating
- See the output rating curve chart on page 3.
- Ratings are into a resistive heater load.
- Maximum surge current for 16.6 milliseconds, 380 A peak
- Maximum I 2t for fusing is 4000 A2s
- Latching current: 200mA minimum
- Holding current: 100mA minimum
- Off-state leakage 1mA at 25°C (77°F) maximum
- Power Dissipation: 1.2 watts per amp switched
- 200KA SCCR type 1 and 2 approved with the recommended fusing (see page 3)
Line Voltage
- 24 to 48V~ (ac) units: 20.4V~ minimum to 53V~ maximum
- 120 to 240V~ (ac) units: 48V~ minimum to 265V~ maximum
- 277 to 600V~ (ac) units: 85V~ minimum to 660V~ maximum
Control Mode, Zero-Cross
- Input Control Signal Type C: VÎ (dc) input contactor.
To increase service life, the cycle time should be less than 3 seconds. - Input Control Signal Type K: V~ (ac) input contactor.
To increase service life, the cycle time should be less than 3 seconds. - Input Control Signal Type F: 4 to 20mAÎ (dc) proportional variable time base control.
Input Command Signal
- AC contactor
24VÅ ±10%, 120VÅ +10%/-25%, 240VÅ (ac) +10%/-25% @ 25mA maximum per controlled leg - Do not use the DIN-A-MITE Vac-input models with a temperature controller that includes an RC snubber circuit across its output. Remove the RC snubber circuit before placing the DIN-A-MITE into service.
- DC Contactor
4.5VÎ to 32VÎ (dc): maximum current @ 4.5VÎ (dc) is 6.0mA per leg, plus 2mA per LED used. - Loop powered linear current
4mAÎ to 20mAÎ (dc): loop-powered. Input Type
F0 option only. (Requires current source with 8.0VÎ (dc) available. No more than two DIN-AMITE inputs connected in series)
Linearity (Input Control Signal Type F)
- Full on point 19.5 to 19.9mAÎ (dc), maximum voltage of 6.2V peak.
- ±5% input to output power accuracy, 0% to 100% of span (4.3 to 19.7mA).
- Temperature stability is less than 0.15%/°C change.
Alarm (not available on multizone models)
Shorted SCR Alarm Option
- Alarm state when the input command signal off and a 10 A or more load current is detected by the current transformer (two turns required for 5A and three turns for 2.5A).
Alarm output
- Energizes on alarm, non-latching
- Triac 24 to 240V~ (ac), external supply with a current rating of 300mA @ 25°C (77°F), 200mA @ 50°C (122°F), 100mA @ 80°C (176°F) and a holding current of 200µA with a latching current of 5mA typical.
Agency Approvals
- ROHS
- CE with proper filter:
2004/108/EC Electromagnetic Compatibility Directive EN 61326: Industrial Immunity Class A emissions 2006/95/EC Low Voltage Directive EN 50178 Safety Requirements Installation category III, pollution degree 2
UL®508 listed and C-UL ® , File E73741
Input Terminals
- Compression: Will accept 0.2 to 1.5 mm (24 to 16 AWG) wire 2
- Torque to 0.5 Nm (4.4 in-lb) maximum with a 3.5 mm (1/8 in) blade screwdriver
- Wire strip length 5.5 mm (0.22 in)
- Line and load wire insulation rating must be 75C or higher, copper conductor only
Line and Load Terminals
- Compression: Will accept 0.75 to 10 mm2 (18 to 8 AWG) wire
- Torque to 1.4 Nm (12 in-lb) with a 6.4 mm (1/4 in) blade screwdriver, or a Type 1A #2 Pozi driver.
- Retorque after 48 hours to minimize wire cold flow.
- Retorque line and load terminals every 3 to 6 months.
- Wire strip length 6.35 mm (0.25 in)
- Ground terminal use spade terminal for No. 8 screw, with upturned lugs.
Operating Environment
- See the output rating curve.
- 0 to 90% RH (relative humidity), non-condensing
- Storage temperature: -40 to +85°C (-40 to 185°F)
- Insulation only tested to 3,000 meters
DIN Rail Mount
- DIN EN 50022, 35 mm by 7.5 mm
- Minimum clipping distance: 34.8 mm (1.37 in)
- Maximum clipping distance: 35.3 mm (1.39 in)
Note: Mount cooling fins vertically.
Back Panel Mount
- Four mounting holes M4 (No. 8) fastener
Weight
- 0.7 kg (1.6 lb)
Specifications are subject to change without notice.
DIN-A-MITE B Ordering Information
To order, complete the code number on the right with the information below:
Note:
• Recommended fusing options to meet 200KA SCCR, type 1 and 2 approved. All other fuse and SCR combinations are defaulted to 5KA SCCR per UL508A and NEC guidelines.
| Recommended Fuse and Fuse Holder | ||||
| Fuse | Watlow Semiconductor | Bussmann Semiconductor | Watlow Combination | Bussmann Combination |
| 20A | 17-8020 | FWC20A1OF | 0808-0325-0020 | DFJ20 |
| 25A | 17-8025 | FWC25A14F | 0808-0325-0025 | DFJ25 |
| 32A | 17-8030 | FWP32A14F | 0808-0325-0030 | DFJ30 |
| 40A | 17-8040 | FWP40A14F | 0808-0325-0040 | DFJ40 |
| 50A | 17-8050 | FWP50A14F | 0808-0325-0050 | DFJ50 |
| Holders (single) | ||||
| Fuse | Watlow | Bussmann | Ferraz | Bussmann Combination |
| 20A | 17-5110 | – – – – | USM1i | – – – – |
| 25A | 17-5110 | – – – – | USM1i | – – – – |
| 32A | 17-5114 | – – – – | USM141i | – – – – |
| 40A | 17-5114 | – – – – | USM141i | —- |
| 15 to 30A | 0808-0326-1530 | – – – – | – – – – | CH30J1i |
| 35 to 60A | 0808-0326-3560 | – – – – | – – – – | CH60J1 i |
Current Rating Table
| Model | Current at 50°C (122°F) |
| DB10 | 35A |
| DB20, DB80 | 25A |
| DB30, DB90 | 17A |
Output Rating Curves

Mount
- Push the unit in and down to catch the rail hook on top of the rail.
- Rotate the bottom of the unit in toward the rail.
- The rail clasp will audibly “snap” into place. If the DIN-A-MITE does not snap into place, check to see if the rail is bent.
- Mount the cooling fins vertically.
Dismount
1. Press down on the release tab while rotating the unit up and away from the rail.
Unit Dimensions – Rail-Mounted

WARNING:
Only authorized and qualified personnel should be allowed to install and perform preventive and corrective maintenance on this unit. Failure to follow this guideline could result in damage to equipment, and personal injury or death.
WARNING: Hot surface, do not touch the heat sink. Failure to follow this guideline could result in personal injury.
Mount the cooling fins vertically.
![]()
WARNING: Use National Electric (NEC) or other country-specific standard wiring practices to install and operate the DIN-A-MITE. Failure to do so may result in damage to equipment and property, and/or injury or loss of life.
2 WARNING: Wiring examples show L2 in phase-to-phase, 200VÅ (ac) and above configuration. In phase-toneutral, 100 VÅ (ac) and above applications, L2 is neutral and must not be fused or switched. Failure to follow this guideline could result in personal injury or death.
3 WARNING: Only authorized and qualified personnel should be allowed to install and perform preventive and corrective maintenance on this unit. Failure to follow this guideline could result in damage to equipment, and personal injury or death.
4 WARNING: Do not use the DIN-A-MITE Vac-input models with a temperature controller that includes an RC snubber circuit across its output. Remove the RC snubber circuit before placing the DIN-A-MITE into service.
NOTE: Shorted SCR (silicon- controlled rectifier) alarm option not available with multizone input option.
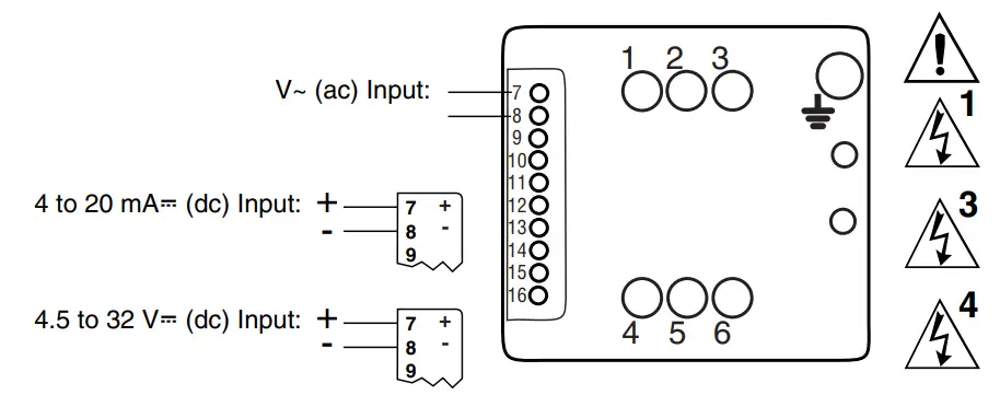
Input Wiring
(For models DB [1, 2, 3] _ – _ _ [C, F, K] _ – _ _ _ _)
Typical DIN-A-MITE Current Draw:
| 4.5Vdc | 9.0Vdc | 12.0Vdc | 24.0Vdc 32.0Vdc | 24.0Vdc 32.0Vdc | |
| DB20-24C0-0000 | 13.0mA | 14.0mA | 15.0mA | 16.0mA | 17.0mA |
| DB10-24C0-0000 | 8.0mA | 8.0mA | 9.0mA | 10.0mA | 10.0mA |
Multizone Input Wiring
(For models DB [8, 9] _ – _ _ [C, K] _ – _ _ _ _)
Multizone Output Wiring
(For models DB [8, 9] _ – _ _ [C, K] _ – _ _ _ _
NOTE: Independent loads do not have to be on the same phase.
NOTE: Terminals 2 and 5 not to exceed 40A.
NOTE: Use a grounding conductor terminal plate (fork terminal) having upturned lugs or the equivalent to hold the wire in position. Maximum 6 mm 2 (10 AWG) wire.
Torque Guidelines
- Properly torque line and load terminals to 1.4 Nm (12 in-lb).
- Retorque after 48 hours to minimize wire cold flow.
- Retorque line and load terminals every 3 to 6 months.
![]()
1 WARNING:
Use National Electric (NEC) or other country-specific standard wiring practices to install and operate the DIN-A-MITE. Failure to do so may result in damage to equipment and property, and/or injury or loss of life.
3 WARNING:
Only authorized and qualified personnel should be allowed to install and perform preventive and corrective maintenance on this unit. Failure to follow this guideline could result in damage to equipment, and personal injury or death.
NOTE:
Use a grounding conductor terminal plate (fork terminal) having upturned lugs or the equivalent to hold the wire in position. Maximum 6 mm 2 (10 AWG) wire.
Torque Guidelines
- Properly torque line and load terminals to 1.4 Nm (12 in-lb).
- Retorque after 48 hours to minimize wire cold flow.
- Retorque line and load terminals every 3 to 6 months.
Single-phase Output
3-phase, 2-leg Output
3-phase, 3-leg Output
![]()
1 WARNING:
Use National Electric (NEC) or other country-specific standard wiring practices to install and operate the DIN-A-MITE. Failure to do so may result in damage to equipment and property, and/or injury or loss of life.
NOTE: If you plan to wire multiple DIN-A-MITE alarm outputs, you need to include an intermediate relay for each DIN-A-MITE used.
2 WARNING:
Wiring examples show L2 in phase-to-phase, 200 VÅ (ac) and above configuration. In phase-toneutral, 100VÅ (ac) and above applications, L2 is neutral and must not be fused or switched. Failure to follow this guideline could result in personal injury or death.
3 WARNING:
Only authorized and qualified personnel should be allowed to install and perform preventive and corrective maintenance on this unit. Failure to follow this guideline could result in damage to equipment, and personal injury or death.
Torque Guidelines
- Properly torque line and load terminals to 1.4 Nm (12 in-lb).
- Retorque after 48 hours to minimize wire cold flow.
- Retorque line and load terminals every 3 to 6 months.
Current Transformer and Alarm Wiring
The Watlow DIN-A-MITE alarm option provides a common alarm output for shorted SCR conditions. This is a non-latching alarm.
A shorted SCR alarm is detected when there is no command signal and a load current is detected. The alarm output is then energized.
| Load Current 5 to 9A 10 to 30A | Passes of Load Wire Through the Current Transformer 2 1 |
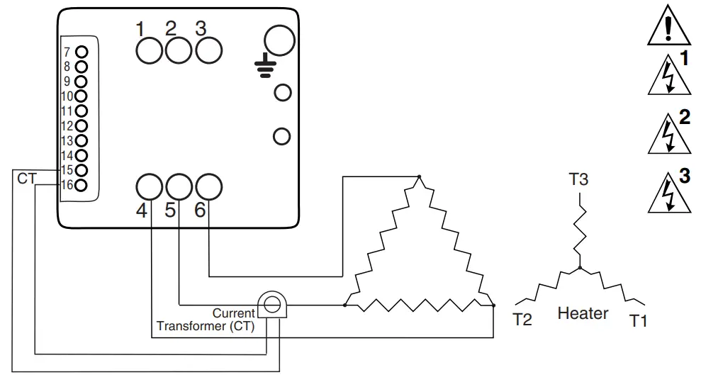
3-phase, 2-leg Current Transformer Wiring
3-phase, 3-leg Current Transformer Wiring
This configuration is for a 4 wire configured heater only!
![]()
1 WARNING:
Use National Electric (NEC) or other countryspecific standard wiring practices to install and operate the DIN-A-MITE. Failure to do so may result in damage to equipment and property, and/or injury or loss of life.
2 WARNING:
Wiring examples show L2 in phase-to-phase, 200 VÅ (ac) and above configuration. In phase-toneutral, 100 VÅ (ac) and above applications, L2 is neutral and must not be
fused or switched. Failure to follow this guideline could result in personal injury or death.
WARNING:
Only authorized and qualified personnel should be allowed to install and perform preventive and corrective maintenance on this unit. Failure to follow this guideline could result in damage to equipment, and personal injury or death.
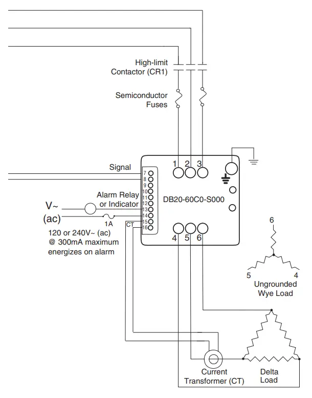
System Wiring Example
CR1 = High-Limit Contactor
Latching Alarm Option
(models DB _ _ – _ _ _ _ – S _ _ _ )
Alternative Latching Alarm Circuit
If there is a need for a latching alarm, the DIN-A-MITE alarm circuit could be used as shown at right in the latching alarm example. If the DIN-A-MITE triac alarm output energizes, it will energize the RY1 (external alarm relay) mechanical relay coil. Once the RY1 coil is energized it will latch on (via the RY1A normally open contact) until the
power to the relay is removed. You could cycle the power via a reset switch. The RY1B contact can be used for alarm signaling.
NOTE: If you plan to wire multiple DIN-A-MITE alarm outputs, you need to include an intermediate relay for each DIN-A-MITE used.
Torque Guidelines
- Properly torque line and load terminals to 1.4 Nm (12 in-lb).
- Retorque after 48 hours to minimize wire cold flow.
- Retorque line and load terminals every 3 to 6 months.
Ungrounded Delta or Wye Load
NOTE: The current transformer must be in the center uncontrolled leg on a 2-leg DIN-A-MITE.
3-phase, 2-leg DIN-A-MITE
Non-latching Alarm Option
(models DB_ _ – _ _ _ _ – S _ _ _ )
Shorted SCR (silicon-controlled rectifier) Alarm Non-latching Operation
The shorted SCR detector compares the input command signal and actual load current. If load current is present without an input signal then the shorted SCR alarm will energize the alarm triac output. This is a non-latching alarm. This output can be used to drive various indication devices, such as a coil, light, buzzer, etc. See the alternative latching circuit section below.
NOTE:
Use a grounding conductor terminal plate (fork terminal) having upturned lugs or the equivalent to hold the wire in position. Maximum 6 mm 2 (10 AWG) wire.
Declaration of Conformity
DIN-A-MITE® “B” Power Controller
WATLOW Electric Manufacturing Company
1241 Bundy Blvd. Winona, MN 55987 USA
Declares that the following products:
Designation: DIN-A-MITE® “B” Power Control
Model Numbers: DB (1, 2, 3, 4, 8 or 9) 0 – (02, 24 or 60)(CX, FX, K1, K2, K3) – (0 or S)(followed by any 3 letters or numbers) (where X = any number 0-9)
Classification: Power Control, Installation Category III, Pollution degree 2, IP20
Rated Voltage: 24 to 600 V~ (ac), 50 or 60 Hz
Meets the essential requirements of the following European Union Directives by using the relevant standards show below to indicate compliance.
2004/108/EC Electromagnetic Compatibility Directive
| EN 61326-1: 2013 | Electrical equipment for measurement, control and laboratory use – EMC requirements (Industrial Immunity, Class A 1,2,4 Emissions) Not for use in a Class B environment without additional filtering. |
| EN 61000-4-2:2009 | Electrostatic Discharge Immunity |
| EN 61000-4-3:2010 | Radiated Field Immunity 10V/m 80 MHz- 1GHz, 3V/m 1.4GHz-2.7GHz |
| EN 61000-4-4:2012 | Electrical Fast-Transient / Burst Immunity |
| EN 61000-4-5:2006 | Surge Immunity (Reviewed to IEC 61000-4-5 2014) |
| EN 61000-4-6:2014 | Conducted Immunity |
| EN 61000-4-11:2004 | Voltage Dips, Short Interruptions and Voltage Variations |
| EN 61000-3-2:2009 | Harmonic Current Emissions (Reviewed to IEC 61000-3-2 2014) |
| EN 61000-3-3:2013 | Voltage Fluctuations and Flicker3 ≤ 16A |
| EN 61000-3-11:2000 | Voltage Fluctuations and Flicker ≤ 75A with conditional connection |
NOTES
- Use of an external filter is required to comply with conducted emissions limits. See note 4 below.
- A Line Impedance Stabilization Network (LISN) was used for conducted emissions measurements.
- To comply with flicker requirements, command signal models F0 and F1 will require a reduced source impedance. Cycle time on ON/OFF models CX, and K1, K2, K3 may need to be up to 175 seconds at 16A or have a reduced source impedance.
EN 50178:1997
2006/95/EC Low-Voltage Directive
Electronic equipment for use in power installations.
Per 2012/19/EU W.E.E.E Directive Please Recycle Properly.
Compliant with 2011/65/EU RoHS2 Directive
Required External EMI Filters for DIN-A-MITE with More Than 6 Amp Loads
An external ElectroMagnetic Interference (EMI) filter must be used in conjunction with the DIN-A- MITE for loads in excess of six amperes (6A) at 150 to 250 KHz. Watlow has verified that a tank filter will suppress EMI created by SCR power controllers to comply with the conducted emissions limits.
DIN-A-MITE EMI Filters
| Description | Crydom Filter | Watlow Filter |
| Single-phase, 230VÅ (ac) | 1F25 | 14-0019 |
| Three-phase, 440VÅ (ac) | 3F20 | 14-0020 |

WARNING: Tank filters may suppress desirable communications carried on power lines in the 150 to 250 KHz region. The filters may suppress carrier current such as that used for infant monitors and medical alert systems. Verify that suppressed carrier current or other desirable communications on power lines creates no hazard to people or property. Failure to observe this warning could result in damage to property, and or injury to death for personnel.
WARNING: All filter installation and wiring must be performed by qualified personnel and conform to local and national electrical codes.
In-line power filters have been shown to properly suppress EMI; however, these filters must be rated for the entire load current and are generally more expensive than the tank filter specified. An In-line filter may be required if carrier current communications are used on site.
Joe Millanes
Name of Authorized Representative
Director of Operations
Title of Authorized Representative![]()
Winona, Minnesota, USA
Place of Issue
September 2014
Date of Issu
Warranty
The Watlow DIN-A-MITE is warranted to be free of defects in material and workmanship for 36 months after delivery to the first purchaser for use, providing that the units have not been misapplied. Since Watlow has no control over their use, and sometimes misuse, we cannot guarantee against failure. Watlow’s obligations hereunder, at Watlow’s option, are limited to replacement, repair or refund of purchase price, and parts which upon examination prove to be defective within the warranty period specified.
This warranty does not apply to damage resulting from transportation, alteration, misuse, abuse or improper fusing.
Technical Assistance
If you encounter a problem with your Watlow power controller, review your configuration information to verify that your selections are consistent with your application: inputs, outputs, alarms, limits, etc. Ask for an Applications Engineer. Please have the following information available when calling:
- Call Watlow Customer Service, (507) 4545300, for a Return Material Authorization (RMA) number before returning any item for repair. We need this information:
• Ship to address
• Bill to address
• Contact name
• Phone number
• Method of return shipment
• Your P.O. number
• Detailed description of the problem
• Any special instructions
• Name and phone number of person returning the product. - Prior approval and an RMA number from the Customer Service Department is needed when returning any product for credit, repair or evaluation. Make sure the RMA number is on the outside of the carton, and on all paperwork returned. Ship on a Freight Prepaid basis.
- After we receive your return, we will examine it and try to verify the reason for returning it.
- In cases of manufacturing defect, we will enter a repair order, replacement order or issue credit for material returned.
- To return products that are not defective, goods must be be in new condition, in the original boxes and they must be returned within 120 days of receipt. A 20 percent restocking charge is applied for all returned stock controls and accessories.
- If the unit is unrepairable, it will be returned to you with a letter of explanation. 7. Watlow reserves the right to charge for no trouble found (NTF) returns.
- Complete model number
- All configuration information
- User’s Manual
- Wiring diagram of your system
The DIN-A-MITE B User’s Manual is copyrighted by Watlow, Inc., © January 2016, with all rights reserved.
1.888.610.7664
WATLOW DIN-A-MITE Style B
User’s Manual
www.calcert.com
[email protected]















![Midea Smart Ac [cw058iu-awifi] User Manual Midea Smart Ac [cw058iu-awifi] User Manual](https://static-data1.manualsee.com/1/img/294/17740/2020/12/Midea-Smart-AC-CW058IU-AWIFI.png)



