Intelligent Cleaning Equipment ICE i15B Automatic Scrubber

Product Information
- The Automatic Scrubber is a commercial-grade machine designed for scrubbing hard floors in indoor environments. It is manufactured by ICE (International Cleaning Equipment) and is model i15B. The machine is equipped with various components such as a safety lock-out switch, control handle, trigger, squeegee vacuum hose, recovery tank cover, and more.
- For ordering parts and supplies, it is recommended to use ICE Company-supplied or equivalent parts. These can be ordered from authorized distributors. To identify the correct parts, you need to know the machine model and serial number, which can be found on the data label. Provide your name, company name, customer ID number, billing and shipping address, phone number, and purchase order number when placing an order.
- Proper disposal of packaging materials, old machine components (including batteries), and hazardous fluids is important to protect the environment. Follow local waste disposal regulations and remember to recycle whenever possible.
- Specifications and parts of the machine are subject to change without notice.
Product Usage Instructions
Safety Precautions
- Read and understand the operator’s manual before operating the machine.
- Do not use the machine in flammable or explosive areas.
- Ensure the machine is in proper operating condition before use.
- Avoid using the machine in outdoor areas.
- Do not use flammable materials in the tanks to prevent fire or explosion hazards.
- Make sure all safety devices are in place and functioning properly before starting the machine.
- Do not pick up flammable materials or reactive metals.
- Stop the machine on a level surface and turn it off before leaving or servicing.
- Read the operator’s manual thoroughly before servicing the machine.
- Use manufacturer-supplied or approved replacement parts.
- Secure the machine with wheel blocks before jacking it up for maintenance.
- Use an approved jack or hoist to safely elevate the machine.
- Disconnect batteries before working on the machine.
- Avoid moving parts and do not wear loose-fitting clothing while servicing the machine.
Machine Components
The Automatic Scrubber (model i15B) consists of the following components:
- Safety Lock-Out Switch
- Control Handle
- Trigger
- Squeegee Vacuum Hose
- Recovery Tank Cover
- Leveling Rod
- Main Power ON/OFF Switch
- Battery Discharge Indicator
- Vacuum Power ON/OFF Switch
- Clear Cover, Battery Charger
- And more (refer to the user manual for a complete list)
READ THE OPERATOR MANUAL CAREFULLY!
- IMPORTANT: To ensure full warranty protection, please fill out & return your warranty card.
- Please fill out at the time of installation for future reference.
- Model No.—————————————-
- Serial No.———————————————-
- Machine Options—————————————-
- Sales Rep.—————————————————
- Sales Rep. Phone No.————————————–
- Customer ID Number——————————————-
- Installation Date————————————————
HOW TO ORDER PARTS
- Only use ICE Company supplied or equivalent parts. Parts and supplies may be ordered from an authorized distributor.
- Identify the machine model.
- Identify the machine serial number from the data label.
- Ensure the proper serial number is used from the parts list.
- Identify the part number and quantity. Do not order by page or reference numbers.
- Provide your name, company name, customer ID number,billing and shipping address, phone number and purchase order number.
PROTECT THE ENVIRONMENT
Please dispose of packaging materials,old machine components such as batteries, hazardous fluids, including antifreeze and oil, in an environmentally safe way according to local waste disposal regulations.
Always remember to recycle.
SAFETY PRECAUTIONS
- This machine is intended for commercial use. It is designed exclusively to scrub hard floors in an indoor environment and is not constructed for any other use. Only use recommended accessories.
- All operators shall read, understand and exercise the following safety precautions:
- Do not operate machine:
- Unless you have read and understand the operators manual.
- In flammable or explosive areas.
- If not in proper operating condition.
- In outdoors areas.
- Before starting machine:
- Make sure all safety devices are in place and operate properly.
- When using machine:
- Go slow on inclines and slippery surfaces.
- Follow all safety guidelines.
- Be very careful when using the machine in reverse.
- Reduce speed when turning.
- Report and fix any damage to machine prior to operating it.
- Never allow children to play on or around.
- Do not operate on inclines that exceed 5%(3°).
- Before leaving or servicing machine:
- Stop on level surface.
- Turn off machine.
- When servicing machine:
- Read operators manual thoroughly prior to operating or servicing this machine.
- Use manufacturer supplied or approved replacement parts.
- Secure machine with wheel blocks prior to jacking the machine up.
- Use approved jack or hoist to safely elevate the machine.
- Disconnect batteries prior to working on machine.
- Avoid moving parts. Do not wear loose fitting clothing while servicing machine.
- WARNING: Fire or Explosion Hazard. Keep sparks and open flames away! Keep battery compartment open when charging.
- WARNING: Flammable materials can cause an explosion or fire. Do not use flammable materials in tanks.
- WARNING: Flammable materials or reactive metals can cause explosion or fire. Do not pick up.
MACHINE COMPONENTS
- Safety Lock-Out Switch
- Control Handle
- Trigger
- Squeegee Vacuum Hose
- Recovery Tank Cover
- ICE Logo
- Recovery Tank
- Bucket Fill Port/ Clean-Out Port
- Solution Tank
- Scrub head
- Bumper Rollers
- Caster,1.5Inch,Squeegee Blade Adjustment
- 10 Inch wheels
- Recovery Tank Drain Hose
- Squeegee Lift Lever
- Leveling Rod
- Main Power ON/OFF Switch
- Battery Discharge Indicator
- Vacuum Power ON/OFF Switch
- Clear Cover,Battery Charger
- Connector, On-Board Battery Charger
- Clean Water Tank Drain Cover
- Ball Valve
- Battery
- Vacuum Motor, 24VDC
- Brush Motor, 24VDC
- Solenoid, 24VDC
- Squeegee Assembly
- Filter Assembly
MACHINE OPERATION
FOR SAFETY: Do not operate machine unless operator manual is read and understood.
PRE-OPERATION
- IMPORTANT: To prevent vacuum system from clogging, sweep and dust-mop floor.
- Make sure battery is charged.
- Check that the brush and squeegee blades are installed.
SCRUBBING FLOORS
- FOR SAFETY: Before Operating machine,follow safety guidelines concerning wet floors.
- WARNING: Fire or Explosion Hazard, Do Not Use or Pick Up Flammable Materials.
- WARNING: Spinning Brush. Keep Hands Away.
- Pull the handle adjustment lever and adjust the handle to a comfortable operating height. Release the lever to lock the position.

- Press the main power switch to the on ( I ) position.

- Press the vacuum switch to the on ( I ) position.

- To begin scrubbing,first press the safety switch (1),pull the start triggers(2) and push or pull the machine in either direction .

- For heavily soiled areas, use the double scrub method. First scrub the soiled area with the vacuum switch turned off then scrub the area a second time with vacuum switch turned on.

MACHINE SET UP & INSTALLATION
UNCRATING MACHINE
- Be sure and check packing carton for any damage.
- Immediately report any damage to carrier. Check the contents of package to ensure that the following items are included:
- Machine
- 2-12V Batteries
- Squeegee assembly
- Battery Charger
- Brush
- Pad Driver
INSTALLING BATTERIES
The batteries are already in the machine upon delivery; However you will need to connect the cables to the battery posts.
WARNING: Fire or Explosion Hazard.
Keep sparks and open flames away! Keep battery compartment open when charging.
- Turn off the machine.
- Lift the Recovery tank (see machine components, p5 item #2) to access the battery compartment.
- Connect battery cables to posts as shown in drawing below.
RED to POSITIVE and BLACK to NEGATIVE
MACHINE SET UP
PRE-OPERATION CHECKS
- Sweep or dust mop the surface to be cleaned.
- Check battery meter to make sure batteries are fully charged. (See BATTERY CHARGING)
- Check that squeegee is properly installed.
- Check that brush / pad is properly installed.
MOUNTING THE SQUEEGEE ASSEMBLY
- Lower the Squeegee lift lever to the downward position.
- Mount the Squeegee assembly (see machine components, p5 item #28) to the squeegee pivot bracket. make sure the knobs are completely seated into the slots before securing knobs.
- Connect the vacuum hose to the squeegee assembly. Loop the hose by using the hose clip provided.
- Check the squeegee blades for proper adjustment.
FILLING THE SOLUTION TANK
- The machine is equipped with a Solution fill-port (see machine components, p5 item #8 )at the front of the Solution tank, you can fill the solution tank by using a hose or a bucket. When using the bucket, stop filling when the level reaches the bottom edge of the fill-port.
- NOTE: When filling the solution tank with a bucket, make sure that the bucket is clean. Do not use the same bucket for filling and draining the machine.
- WARNING: Do not put any flammable materials into solution tank. This can cause an explosion or a fire. Only use recommended cleaning chemicals. Contact your Simple Clean Scrubbers dealer for recommendations on proper chemicals.
WHILE OPERATING MACHINE
WARNING: Fire Or Explosion Hazard. Do Not Pick Up Flammable Materials Or Reactive Metals.
- Go slow on inclines and slippery surfaces. Do not operate the machine on inclines that exceed 5% (3°).
- Do not keep the machine in the same position with pad / brush spinning, keep the machine moving to prevent damage to the floor finish.
- If the squeegee assembly leaves streaks on the floor, raise the squeegee off the floor and wipe the blades down with a damp cloth. Pre-sweep the area to prevent leaving streaks on the floor.
- Pour a recommended defoamer into the recovery tank if excessive foam appears.
- WARNING: Do not allow foam to enter the float shut-off screen, vacuum motor damage will result. Foam will not activate the float shut-off screen.
- Occasionally check the Battery meter, the indicator displays the level of the batteries. When the meter is in the red, stop scrubbing and recharge the batteries.

- All green lights are at 100% level.
- Yellow lights on, green lights off: 50% level.
- The red light is on, other lights are off at 20% level, the machine should be stopped and the batteries should be recharged.
- Red light flash: the batteries have already been discharged deeply.
- When the solution tank runs empty, turn off the Brush motor switch and lift the brush head.
- Keep the squeegee down and continue to vacuum until all the dirty water is picked up.
- NOTE: See TANK DRAINING section to learn how to drain recovery and solution tanks
TANK DRAINING
- Turn off the machine.
- With the squeegee and scrub head in their “up” position, transport machine to approved area for draining tank(s).
DRAINING THE RECOVERY TANK
- Any time scrubbing is completed, or when refilling solution tank, the recovery tank should be drained and cleaned.
- WARNING: If the recovery tank is not drained when the solution tank has been refilled, foam or water may enter the float shutoff screen and cause damage to the vacuum motor.
- While holding the drain hose (see machine components, p5 item #10) upward, remove the cap and lower hose to drain.
- Open the recovery tank cover and rinse out the tank. Use a rag to remove any excess dirt. Clean the float shut-off screen and debris tray located in the recovery tank
DRAINING THE SOLUTION TANK
Any time scrubbing operation is completed, the solution tank should be drained and cleaned.
- Pull the solution clear tube(see machine components, p5 item #22) off the hose fitting, this will allow the solution to flow freely into a bucket or floor drain.
- Remove the cover of the filter assembly to drain the solution tank, check the filter screen and clean up it if necessary.
- Rinse the solution tank with clean water after every use. This will help prevent chemical buildup and clogging of the solution lines.
- After rinsing out the tank, securely reconnect the tank level hose to the hose fitting, replace the filter assembly cover and be sure the filter screen and the “O” ring is in the correct position
BATTERY CHARGING
WARNING: Fire Or Explosion Hazard. Batteries Emit Hydrogen Gas. Keep Sparks and Open Flame Away. Keep the Battery Compartment Propped Open When Charging.
- Transport the machine to a well-ventilated area.
- Turn the machine off.
- If charging wet, lead acid, batteries check the fluid level before charging.
- Connect the charger’s AC power supply cord to a properly grounded receptacle.
- The charger will automatically begin to charge, you can watch the charging status on the window (machine components, p5 item #20), once the charging cycle begins, the indicator lights will progress from red, yellow to green. When the green indicator light comes on, the charging cycle is done. Unplug the charger cord.
NOTE: The machine will not operate when charging.
PREVENTATIVE MAINTENANCE
- WARNING: Before performing any maintenance on the machine, be sure that the power is turned off, or the batteries are disconnected!
- WARNING: Repairs are to be completed by Authorized service centers only. Any repairs completed by unauthorized persons will void the warranty.
DAILY MAINTENANCE
- Remove pad driver/ brush and clean with approved cleaner.
- Drain recovery and solution tanks completely and rinse out with clean water. Visually check the recovery tank for debris and clean out as necessary.
- Raise the squeegee assembly off floor and wipe it down with a damp towel. Be sure to store the squeegee in the up position.
- Remove the float shut-off assembly and rinse it out with clean water.
- Clean machine with an approved cleaner and a damp towel.
- Recharge the batteries.
- Check the condition of the squeegee blade wiping edge, rotate blade if worn.
MONTHLY MAINTENANCE
- Clean the battery tops to prevent corrosion.
- Check for loose battery cable connections.
- Inspect and clean the recovery tank cover seal. Replace it if damaged.
- Lubricate all grease points and pivot points with silicon spray and approved grease.
- Check the machine for loose nuts and bolts.
- Check the machine for leaks.
MOTOR MAINTENANCE
- Contact your dealer for any motor maintnance.
- Motor should have the brushes checked every 250 hours. Brushes should be replaced when they are worn to a length of 10 mm or less.
- WARNING: Batteries emit hydrogen gas and an explosion o fire can result. Keep sparks and fire away from batteries at all times.
- WARNING: Whenever servicing batteries, be sure to wear protective gloves. Avoid contact with battery acid at all times.
- NOTE: For the best machine performance, keep batteries properly charged at all times. Do not let them sit in a discharged condition.
- Always follow the battery charging directions as outlined in the BATTERY CHARGING section of this manual.
- Keep battery tops and terminals free from corrosion. A strong solution of baking soda and water is the best way to keep the batteries corrosion free. DO NOT ALLOW THE BAKING SODA / WATER SOLUTION TO ENTER THE BATTERY CELLS.
- Use a wire brush with the baking soda solution to properly clean the battery posts and connections.
- Check battery connections for wear and loose terminals. Replace if necessary.
MACHINE STORAGE
- Always store the machine indoors.
- Always store the machine in a dry area.
- Always store the machine in its upright position.
- Always store the machine with the pad driver/ brush raised off the floor.
- Always store the machine with the squeegee assembly raised off the floor.
- If storing in an area which may reach freezing temperatures, be sure to drain all fluids from the machine prior to storage. Any damage caused by freezing temperatures will not be covered by the warranty.
- Drain the recovery tank.
- Drain the solution tank of all fluid.
BASIC TROUBLESHOOTING
| PROBLEM | CAUSE | SOLUTION |
| Machine will not operate | Batteries need to be charged | Charge batteries |
| Bad battery(s) | Replace battery(s) | |
| Loose battery cable | Tighten loose cable | |
|
Brush motor will not operate | Control handle trigger not pulled | Pull control handle trigger |
| Tripped brush motor blown fuses | Replace fuse | |
| Bad brush motor switch | Replace brush motor switch | |
| Faulty brush motor or wiring | Contact ICE service Dealer | |
| Worn motor carbon brushes | Contact ICE service Dealer | |
| Vacuum motor will not operate | Bad vacuum motor switch | Replace vacuum motor switch |
| Bad vacuum motor relay | Replace vacuum motor relay | |
| Faulty vacuum motor or wiring | Contact ICE service Dealer | |
| Worn Motor carbon brushes | Contact ICE service Dealer | |
| Little or no solu- tion flow | Ball valve is shut off | Turn on the ball valve |
| Clogged solution tank filter or solution hose | Clean solution tank filter or flush out solu- tion hose | |
| Clogged solution Solenoid valve | Remove valve and clean | |
|
Poor water pick up | Recovery tank is full | Drain recovery tank |
| Loose drain hose cap | Tighten cap | |
| Clogged float shut-off screen located in recovery tank | Clean screen | |
| Clogged squeegee assembly | Clean squeegee assembly | |
| Worn squeegee blades | Replace or rotate squeegee blades | |
| Incorrect squeegee blade deflection | Adjust squeegee blade height | |
| Loose vacuum hose connections | Secure hose connections | |
| Clogged vacuum hose | Remove clogged debris | |
| Damaged vacuum hose | Replace vacuum hose | |
| Recovery tank lid not in place | Properly position cover | |
| Damaged recovery tank cover seal | Replace seal | |
| Faulty vacuum motor | Contact ICE service Dealer | |
| Low battery charge | Recharge batteries | |
|
Short run time | Low battery charge | Fully recharge batteries |
| Defective batteries | Replace batteries | |
| Batteries need maintenance | See BATTERY MAINTENANCE | |
| Faulty battery charger | Repair or replace battery charger |
TECHNICAL SPECIFICATIONS
| MODEL | i15B Brush Assist |
| DIMENSIONS L | 31in / 790 mm |
| DIMENSIONS W | 18.5 in / 468 mm |
| DIMENSIONS H | 27 in / 690 mm |
| WEIGHT | 93.7 lbs / 42.5Kg |
| WEIGHT WITH BATTERIES | 140 lbs /63.5 Kg |
| RECOVERY TANK CAPACITY | 5Gal / 19 L |
| SOLUTION TANK CAPACITY | 4Gal / 15 L |
| SQUEEGEE WIDTH | 18 in / 450 mm |
| CLEANING PATH WIDTH | 15 in / 381 mm (Disk) |
| PRODUCTIVITY RATE | 13993 ft² /1300 ㎡ h |
| DRIVE SYSTEM | Brush Assisted |
| BRUSH MOTOR | 0.27hp / 0.2KW 140 RPM |
| VACUUM MOTOR | 0.54hp / 0.4KW |
| WATER LIFT – AIR FLOW | 45 in / 1,143 mm |
| BATTERIES | 2-12,33Ah @ 20 hr |
| RUN TIME PER CHARGE | 1.2 Hours |
| VOLTAGE DC | 24V |
| DECIBEL RATE AT OPERATOR’S EAR, INDOORS | 78dB(A) |
| GRADE LEVEL, MAX | 5% (3°) |
PARTS LIST
RECOVERY TANK GROUP
| DIA NO. | PART NUMBER | DESCRIPTION | SERIAL NUMBER | NO. REQ’D |
| 1 | 8401204 | RECOVERY LID | 1 | |
| 2 | 8401205 | LOWER LID OF RECOVERY TANK | 1 | |
| 3 | 1421409 | FLAT WASHER M4×∮9×0.8 | 8 | |
| 4 | 1321110 | SCREW,ST3.5×10 | 9 | |
| 5 | 8401207 | RECOVERY TANK COVER SEAL | 60037100101— 60037100460 | 1 |
| 8401217 | RECOVERY TANK COVER SEAL | 60037100461— | 1 | |
| 6 | 8401206 | RECOVERY TANK COVER SEAL | 1 | |
| 7 | 8401208 | FLOAT | 1 | |
| 8 | 1421425 | FLAT WASHER,∮4.3×∮25×1.5 | 1 | |
| 9 | 4010316 | ICE LOGO | 1 | |
| 10 | 8401201 | RECOVERY TANK | 1 | |
| 11 | 8401210 | VACUUM HOSE | 1 | |
| 12 | 8401211 | DRAIN HOSE | 1 | |
| 13 | 1962032 | CLAMP | 60037100101— 60037100460 | 1 |
| 1962033 | CLAMP | 60037100461— | 1 | |
| 14 | 8401215 | RECOVERY TANK COVER GROUP | 1 |
NOTES:
- DIA NO.5,8401207 and 8401217,the installation and use mode are fully compatible,Follow-up maintenance unified use 8401217;
- DIA NO.13,1962033 is optimized material, Follow-up maintenance unified use 1962033

SOLUTION TANK GROUP
| DIA NO. | PART NUMBER | DESCRIPTION | SERIAL NUMBER | NO. REQ’D |
| 1 | 1221612 | SCREW,M6×12 | 4 | |
| 2 | 1422616 | LOCK WASHER, M6 | 6 | |
| 3 | 1421616 | FLAT WASHER M6×∮16×1 | 4 | |
| 4 | 8401212 | VACUUM SEAL | 1 | |
| 5 | 8401213 | FILTER | 1 | |
| 6 | 8401203 | VACUUM MOTOR,24VDC | 1 | |
| 7 | 8401209 | MOUNTING PLATE | 1 | |
| 8 | 1421409 | FLAT WASHER M4×∮9×0.8 | 8 | |
| 9 | 1422411 | LOCK WASHER, M4 | 8 | |
| 10 | 1321213 | SCREW,ST4×13 | 4 | |
| 11 | 8310208 | ISOLATER, M6 | 60037100101—60037100203 | 4 |
| 8401145 | ISOLATER, M6 | 60037100204— | 4 | |
| 12 | 8401202 | FRONT FILL COVER | 1 | |
| 13 | 8050153 | CHAIN,FRONT COVER | 1 | |
| 14 | 1321110 | SCREW,ST3.5×10 | 2 | |
| 15 | 8401101 | SOLUTION TANK | 1 | |
| 16 | 8401121 | SOLUTION DRAIN CAP | 1 | |
| 17 | 8401102 | MAIN FRAME | 1 | |
| 18 | 1421824 | FLAT WASHER M8×∮24×2 | 4 | |
| 19 | 1422821 | LOCK WASHER, M8 | 6 | |
| 20 | 1021820 | SCREW,M8×20 | 6 | |
| 21 | 1421828 | FLAT WASHER M8×∮28×3 | 2 | |
| 22 | 8401108 | WHEEL,10 INCH | 2 | |
| 23 | 8401127 | BUSHING | 2 | |
| 24 | 1511525 | SCREW,M5×25,HEX SOCKET | 4 | |
| 25 | 4010405 | CORD WRAP | 2 | |
| 26 | 1221310GL | SCREW,M3×10,HEX HEAD | 4 | |
| 27 | 8401131 | HOSE CLAMP | 2 | |
| 28 | 1221410 | SCREW,M4×10 | 6 | |
| 29 | 8401133 | DECAL,SWITCH | 1 | |
| 30 | 6210503 | ROCKER SWITCH | 1 | |
| 31 | 1123305 | NUT,LOCK M3 | 2 | |
| 32 | 8401104 | REAR COVER | 1 | |
| 33 | 1222512 | SCREW,M5×12 | 2 |
| DIA NO. | PART NUMBER | DESCRIPTION | SERIAL NUMBER | NO. REQ’D |
| 34 | 8114707 | RELAY 40A | 2 | |
| 35 | 1123406 | NUT,LOCK M4 | 2 | |
| 36 | 8401107 | BATTERY CHARGER,24V,SPE | 60037100101—60037100723 | 1 |
| 8401109 | BATTERY CHARGER,24V,QQE | 60037100724— | 1 | |
| 37 | 8401103 | MOUNTING PLATE | 1 | |
| 38 | 8401132 | MOUNTING PLATE | 1 | |
| 39 | 1421612 | LOCK WASHER, M6 | 2 | |
| 40 | 1021616 | SCREW M6×16 | 2 | |
| 41 | 8401711 | BATTERY CONNECT CABLE,RED | 2 | |
| 42 | 8401712 | BATTERY CONNECT CABLE,BLACK | 1 | |
| 43 | 8401713 | BATTERY CONNECT CABLE,RED | 1 | |
| 44 | 8401710 | BATTERY (LEOCH AGMU1 (12V 35AH)) | 2 | |
| 45 | 8112030 | CHARGER CORD (FOR US) | 1 | |
| 46 | 8401906 | INDICATED LABEL | 60037100514— | 1 |
| 47 | 1421618 | FLAT WASHER M6×∮18×1.6 | 60037100204— | 4 |
| 48 | 8401147 | SHIELDED PIECE | 60037100514— | 1 |
| 49 | 1421510 | FLAT WASHER M5×∮10×1.0 | 2 | |
| 50 | 1123507 | NUT M5 | 2 |
NOTES:
- DIA NO.11,8401145 is optimized material. Follow-up maintenance unified use 8401145.
- DIA NO.47,1421618 FLAT WASHER, which is matching with 8401145(DIA NO.11).
- DIA NO.36,8401107 and 8401109, are different in the power interface position size.
So, the aftermarket component of the 8401107 is”8401109 1pc+8401103 1pc”, and the aftermarket component of the 8401109 is still “8401109 1pc”.
HANDLE ASSEMBLY
| DIA NO. | PART NUMBER | DESCRIPTION | SERIAL NUMBER | NO. REQ’D |
| 1 | 8014063 | BATTERY CAPACITY METER | 1 | |
| 2 | 1885301 | POWER CONTROL SWITCH | 1 | |
| 3 | 1211410 | SCREW, M4×10 | 4 | |
| 4 | 8401704 | DECAL, CONTROL PANEL | 1 | |
| 5 | 8401703 | CONTROL PANEL | 1 | |
| 6 | 1512625 | SCREW, M6×25 | 2 | |
| 7 | 1421616 | FLAT WASHER M6×∮16×1.0 | 4 | |
| 8 | 8401401 | THE HANDLE BACK COVER | 1 | |
| 9 | 1512635 | SCREW, M6×35 | 2 | |
| 10 | 1211512 | SCREW, M5×12 | 4 | |
| 11 | 1434500 | TOOTH WASHER,∮5 | 4 | |
| 12 | 8401402 | HANDLE TUBE | 1 | |
| 13 | 8401405 | CONTROL LINE PROTECTION RING | 1 | |
| 14 | 8401403 | PULL ROD | 1 | |
| 15 | 4010207 | SEAT,SPRING | 1 | |
| 16 | 4010216 | SEAL,SEAT | 1 | |
| 17 | 4010208 | SPRING,LEVELING | 1 | |
| 18 | 1111403 | NUT M4 | 1 | |
| 19 | 4010211 | INSERT | 1 | |
| 20 | 1511530 | SCREW, M5×30 | 4 | |
| 21 | 1511540 | SCREW, M5×40 | 2 | |
| 22 | 1521620 | SCREW, M6×20 | 4 | |
| 23 | 4010110 | SHAFT | 1 | |
| 24 | 4010114 | WASHER | 1 | |
| 25 | 1222512 | SCREW, M5×12 | 1 | |
| 26 | 1521845 | SCREW, M8×45 | 3 | |
| 27 | 5012416 | HANDLE,STAND,LEFT | 1 | |
| 28 | 1123608 | NUT M6 | 4 | |
| 29 | 1212410 | SCREW, M4×10 | 2 | |
| 30 | 4010212 | COVER | 2 | |
| 31 | 4010202 | COVER, SEAT GEAR | 1 | |
| 32 | 8401404 | GEAR | 1 | |
| 33 | 4010201 | MOUNTING BASE, GEAR | 1 | |
| 34 | 1123507 | NUT M5 | 8 | |
| 35 | 8401415 | MOUNTING BRACKET | 1 | |
| 36 | 1421510 | FLAT WASHER M5×∮10×1.0 | 2 | |
| 37 | 1422616 | LOCK WASHER, M6 | 4 | |
| 38 | 1421612 | FLAT WASHER M6×∮12×1.0 | 4 | |
| 39 | 5012415 | HANDLE,STAND, RIGHT | 1 | |
| 40 | 1421618 | FLAT WASHER M6×∮18×1.6 | 3 | |
| 41 | 8113111 | NYLON FLAT WASHER ∮12.9×∮25.4×0.8 | 2 |
| DIA NO. | PART NUMBER | DESCRIPTION | SERIAL NUMBER | NO. REQ’D |
| 42 | 8401411 | SQUEEGEE LIFT CABLE | 1 | |
| 43 | 8014101 | LIFTING CABLE SPACER | 1 | |
| 44 | 8401407 | HANDLE, SQUEEGEE LIFT | 1 | |
| 45 | 8401413 | AXLE SLEEVE | 1 | |
| 46 | 1021630 | HEX HEAD BOLT M6×30, SS | 1 | |
| 47 | 1021620 | HEX HEAD BOLT M6×20, SS | 1 | |
| 48 | 4010317 | SEAT, BALL | 1 | |
| 49 | 1211408 | SCREW, M4×8 | 2 | |
| 50 | 1123406 | NUT M4 | 1 | |
| 51 | 1421412 | FLAT WASHER M4×∮12×1.0 | 1 | |
| 52 | 4010304 | LEVELING ROD | 1 | |
| 53 | 8113104 | BALL KNOB M8 | 1 | |
| 54 | 4010330 | TRIGGER, SWITCH,RIGHT | 1 | |
| 55 | 4010331 | TRIGGER,SWITCH, LEFT | 1 | |
| 56 | 4010314 | PIN | 4 | |
| 57 | 1221406 | SCREW M4×6 | 2 | |
| 58 | 4010311 | CLAMP, CORD | 1 | |
| 59 | 4010323 | SPRING, SWITCH | 1 | |
| 60 | 1211325 | SCREW M3×25 | 2 | |
| 61 | 1434300 | TOOTH WASHER M3 | 2 | |
| 62 | 4010308 | SWITCH | 1 | |
| 63 | 4010307 | SAFETY, BUTTON | 1 | |
| 64 | 4010333 | SPRING, SAFTY | 1 | |
| 65 | 8401408 | FRONT COVER | 1 | |
| 66 | 4010316 | ICE, LOGO | 1 |
SCRUB HEAD GROUP
| DIA NO. | PART NUMBER | DESCRIPTION | SERIAL NUMBER | NO. REQ’D |
| 1 | 8401310 | BRUSH MOTOR,24VDC, KIT | 1 | |
| 2 | 8401303 | MOUNTING PLATE | 1 | |
| 3 | 1123810 | LOCK NUT M8 | 2 | |
| 4 | 1422821 | WASHER LOCK ∮8 | 5 | |
| 5 | 1421824 | FLAT WASHER M8×∮24×2.0 | 2 | |
| 6 | 1421816 | FLAT WASHER M8×∮16×1.0 | 2 | |
| 7 | 1021835 | SCREW M8×35 | 2 | |
| 8 | 1021620 | SCREW M6×20 | 2 | |
| 9 | 1422616 | WASHER LOCK ∮6 | 10 | |
| 10 | 1421616 | FLAT WASHER M6×∮16×1.0 | 2 | |
| 11 | 8401512 | CONNECTING ROD | 2 | |
| 12 | 1123608 | LOCK NUT M6 | 3 | |
| 13 | 8401511 | SQUEEGEE MOUNT BRACKET | 1 | |
| 14 | 8401515 | SPRING | 2 | |
| 15 | 1421622 | FLAT WASHER M6×∮22×2.0 | 2 | |
| 16 | 1421409 | FLAT WASHER M4×∮9×1.0 | 3 | |
| 17 | 1221410 | SCREW M4×10 | 3 | |
| 18 | 8401516 | SCREW | 1 | |
| 19 | 8401301 | BRUSH PLATE COVER | 1 | |
| 20 | 8401513 | BRACKET, BRUSH MOTOR | 1 | |
| 21 | 8401514 | MOUNT, BRUSH MOTOR | 1 | |
| 22 | 1421612 | FLAT WASHER M6×∮12×1.0 | 8 | |
| 23 | 1021616 | SCREW M6×16 | 8 | |
| 24 | 8401305 | BRUSH PLATE HOLDER | 1 | |
| 25 | 1421828 | FLAT WASHER M8×∮28×2.0 | 1 | |
| 26 | 1021825 | SCREW M8×25 | 1 | |
| 27 | 9050015 | 15″BRUSH | 1 | |
| 28 | 9040015 | 15″PAD DRIVER (OPTION) | 1 |

| DIA NO. | PART NUMBER | DESCRIPTION | SERIAL NUMBER | NO. REQ’D |
| 1 | 1127510 | NUT M5 | 6 | |
| 2 | 1421515 | FLAT WASHER M5×∮16×1.0 | 8 | |
| 3 | 8401504 | CLAMP ASSEMBLY,REAR | 1 | |
| 4 | 8401503 | SQUEEGEE BLADE,REAR,LINATEX | 1 | |
| 8401543 | SQUEEGEE BLADE,REAR,PU | 1 | ||
| 5 | 1021650 | HEX HEAD BOLT M6×50 | 2 | |
| 6 | 8401501 | SQUEEGEE HOUSING | 1 | |
| 7 | 1123507 | NUT M5 | 3 | |
| 8 | 8401517 | AXLE SLEEVE | 3 | |
| 9 | 8401518 | SQUEEGEE WHEEL,1.5INCH | 3 | |
| 10 | 1033535 | SCREW M5×35 | 3 | |
| 11 | 8401502 | SQUEEGEE BLADE,FRONT,LINATEX | 1 | |
| 8401542 | SQUEEGEE BLADE,FRONT,PU | 1 | ||
| 12 | 8401505 | CLAMP ASSEMBLY,FRONT | 1 | |
| 13 | 1033540 | SCREW M5×40 | 2 | |
| 14 | 1033545 | SCREW M5×45 | 4 | |
| 15 | 7000177 | KNOB | 2 | |
| 16 | 8401506 | PLATE,COUPLING | 1 | |
| 17 | 8401507 | ANGLE COUPLING | 1 | |
| 18 | 1421510 | FLAT WASHER M5×∮10×1.0 | 2 | |
| 19 | 1422513 | WASHER LOCK ∮5 | 4 | |
| 20 | 1321316 | SELF-TAPPING SCREW ST4.8×16 | 2 | |
| 21 | 1321310 | SELF-TAPPING SCREW ST4.8×10 | 2 | |
| 22 | 8411607 | BUMPER WHEEL | 2 | |
| 23 | 1421511 | FLAT WASHER M5×∮12×1.0 | 3 | |
| 24 | 8401500 | SQUEEGEE ASSEMBLY,LINATEX | 1 |
NOTES:
- DIA NO.4,8401503 is standard material and 8401543 is alternative material;
- DIA NO.11,8401502 is standard material and 8401542 is alternative material.

| DIA NO. | PART NUMBER | DESCRIPTION | SERIAL NUMBER | NO. REQ’D |
| 1 | 8018006 | BALL VALVE,3/8 | 1 | |
| 2 | 8401116 | ELBOW,3/8 | 3 | |
| 3 | 8401142 | CLAMP | 6 | |
| 4 | 8401134 | TUBING,ID=8MM L=300mm | 1 | |
| 5 | 8401115 | FILTER ASSEMBLY | 1 | |
| 6 | 8401111 | BASE,FILTER ASSEMBLY | 1 | |
| 7 | 8401114 | O RING | 1 | |
| 8 | 8401112 | SCREEN,FILTER | 1 | |
| 9 | 8401113 | CAP,FILTER ASSEMBLY | 1 | |
| 10 | 8401135 | TUBING,ID=8MM L=120mm | 1 | |
| 11 | 8401129 | ELBOW | 2 | |
| 12 | 1962016 | CLAMP | 4 | |
| 13 | 8401136 | TUBING,ID=12MM L=120mm | 2 | |
| 14 | 1221410 | SCREW M4×10 | 2 | |
| 15 | 1422411 | WASHER LOCK ∮4 | 2 | |
| 16 | 1421409 | FLAT WASHER M4×∮9×1.0 | 2 | |
| 17 | 8018007 | SOLENOID VALVE,24VDC | 1 | |
| 18 | 8401137 | TUBING,ID=12MM L=200mm | 1 | |
| 19 | 8401138 | TUBING,ID=8MM L=150mm | 1 |
WEARABLE PARTS
| DIA NO. | PART NUMBER | DESCRIPTION | NO. REQ’D |
| 1 | 8401108 | WHEEL, 10INCH, WITH BEARINGS | 2 |
| 2 | 8411607 | BUMPER WHEEL | 2 |
| 3 | 8401518 | SQUEEGEE WHEEL,1.5INCH | 3 |
| 4 | 8401502 | FRONT SQUEEGEE BLADE, LINATEX | 1 |
| 5 | 8401503 | REAR SQUEEGEE BLADE, LINATEX | 1 |
| 6 | 9040015 | PAD HOLDER, 15 INCH | 1 |
| 7 | 9050015 | BRUSH, 15 INCH | 1 |
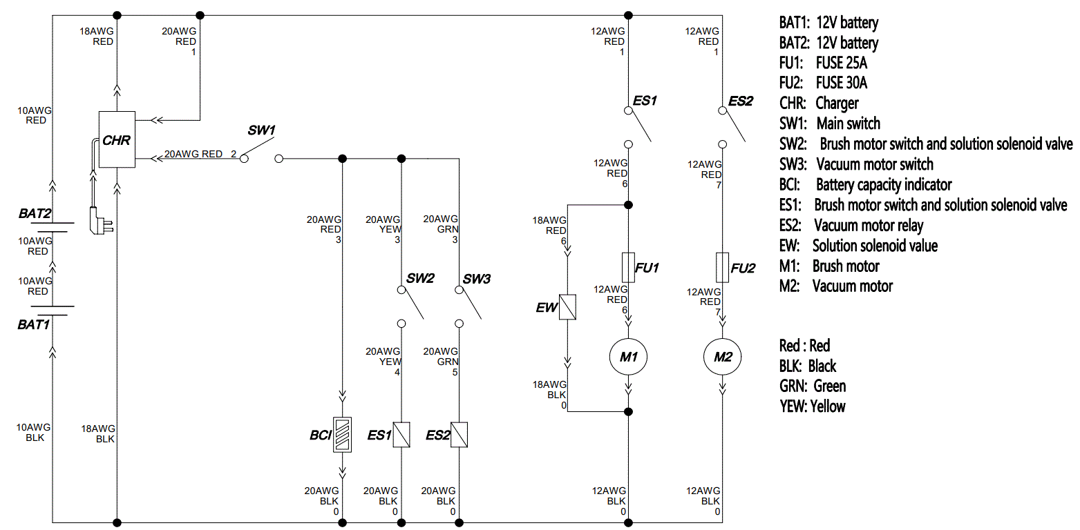
WIRING DIAGRAM
i15B
CERTIFICATE OF QUALIFIED
- MODEL:——————————–
- SERIAL NO:——————————
- INSPECTOR—————————————–
- DATE:————————————
- ICE Cobotics(Guangdong)Co.Ltd
- (TEL): (+86)769 8186 9000 (FAX)
- (+86)769 8186 3000
- www.icecobotics.com



























