
Installation and Instruction Manual
Touch Panel with
5.0 SIG Mesh
| Operation frequency | 2.4 GHz – 2.483 GHz |
| Transmission power | 4 dBm |
| Range (Typical indoor) | 10~30m |
| Protocol | |
| Operating voltage | 220~240VAC 50/60Hz |
| Stand-by power | <1.5W |
| Operation temperature | Ta: -20 0C ~ +50 0C |
| Relative humidity | 20% ~ 90% |
| IP rating | IP20 |
| EMC standard (EMC) | EN55015, EN61000, EN61547 |
| Safety standard (LVD) | EN60669-1/-2-1 AS/NZS60669-1/-2-1 |
| RED | EN300328, EN301489-1/-17 |
| Certification | CB, CE , EMC, RED, RCM |
Installation
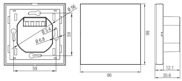
Mechanical Structure & Dimensions


Wiring Diagram

Wire Preparation

Rising clamp terminal.
To make or release the wire from the terminal, use a screwdriver to push down the button.
Download the App
Free App for set-up and commissioning

Web app/platform: iot.koolmesh.com
Operation


1 2 3 4 Scene Recall
Scenes are simply programmed using the App.
Create and name the scenes using the scenes menu, and then assign the scenes to buttons 1 2 3 4 from the device settings menu.
Senser take over
Press this button to quit manual override mode(Sensors will take over the control).
Clean Mode
Long press this button for more than 5s to go to clean mode (during this clean mode, the touch panel screen will be locked and does not respond to any touch), it will quit automatically after 1min.
The ON/OFF button has a configurable response via the App.
Permanent OFF (Occupancy sensor disabled).
Turning off via the ON/OFF button will suspend the entire system, including the occupancy sensor.
Pressing this button again will resume the last automatic profile selected, or pressing any other button on the control panel will wake up the system.
The touch panel HBP02 can keep the time running for up to 7-8 weeks against power failure.
Touch Indications
Three methods for successful touch indications:
Vibration / Beeper / LED indicator
Users can select any one, two, or all of them to indicate successful touch on HBP02 in the App.
Real-time Sustainability
The touch panel HBP02 can keep the time running for up to 7-8 weeks against power failure.
Additional Information / Documents
- To learn more about detailed product features/functions, please refer to
www.hytronik.com/download ->knowledge ->Introduction of App Scenes and Product Functions - Regarding precautions for Bluetooth product installation and operation, please kindly refer to
www.hytronik.com/download ->knowledge ->
Bluetooth Products – Precautions for Product Installation and Operation - Datasheet is subject to change without notice. Please always refer to the most recent release on
www.hytronik.com/products/bluetooth technology ->Bluetooth Accessories - Regarding Hytronik standard guarantee policy, please refer to
www.hytronik.com/download ->knowledge ->Hytronik Standard Guarantee Policy

Subject to change without notice.
HBP02-20210323-A0
















