Kelly Control KAC-8080N High Power Opto Isolated AC Induction Motor Controllers
Product Information
The Kelly KAC-8080N is a high-power optoisolated AC Induction Motor Controller that supports various devices including KAC72501-8080N, KAC72601-8080N, KAC72701-8080N, KAC96401-8080N, KAC96501-8080N, KAC96601-8080N, KAC11401-8080N, KAC11501-8080N, KAC14351-8080N, KAC14401-8080N, and KAC14451-8080N. It has extended fault detection and protection features and can monitor the battery voltage to prevent damage to the motor and the battery.
Product Usage Instructions
Chapter 1 – Introduction
Read the manual carefully and thoroughly before using the controller. If you have any questions, please contact the support center of Kelly Controls.
Chapter 2 – Features and Specifications
The Kelly KAC-8080N has extended fault detection and protection features. The beep sound pattern indicates the fault sources. Customers can read the error code or message in PC software or Android App also. It also monitors battery voltage and will stop driving if the battery voltage is too high and it will progressively cut back motor drive power as battery voltage drops until it cuts out altogether at the preset Low Battery Voltage setting.
Wiring and Installation
Mount the controller as per the instructions provided in the manual. Connect the controller as per the Connections diagram provided in the manual. Once you have connected the controller, perform an installation checklist to ensure the controller is installed correctly.
Programmable Parameters
The Kelly KAC-8080N has Vehicle Control Parameters, Motor Parameters, and Controller Control Parameters that can be programmed as per your requirements. Refer to the manual for the details of these parameters and how to program them.
Maintenance
Clean the controller regularly to ensure it works efficiently. Use the Configuration feature to program the controller as per your requirements. For any error codes or messages, refer to Table1: Error Codes in the manual. If you have any questions or concerns, please contact the support center of Kelly Controls.
Introduction
Overview
This manual introduces the Kelly AC induction motor controllers’ features, their installation and their maintenance. Read the manual carefully and thoroughly before using the controller. If you have any questions, please contact the support center of Kelly Controls.
Kelly’s programmable AC induction motor controllers provide efficient, smooth and quiet controls for small and midsize electric vehicles, such as golf carts, go-carts, stacking cars, forklifts, hybrid vehicles and electric boats, as well as industrial motor speed control. It uses high power MOSFET’s and, SVPWM and FOC technology to achieve efficiencies of up to 99% in most cases. A powerful microprocessor brings in comprehensive and precise control to the controllers. It also allows users to adjust parameters, conduct tests, and obtain diagnostic information quickly and easily. Customers can program the KAC-8080N controller on PC software and Android apps. There is one more choice for customers to program KAC-8080N controller now. The APP software is based on Tablet with Android OS. Customers may add a Z-TEK USB to RS232 cable for programming KAC-8080N controller if they want to use KAC App in Android Tablet.KAC-8080N controller can provide Bluetooth function which can be used to connect the controller to App in Android Phone. The Bluetooth is a separate converter which is a plug-and-play device into the controller programming port. Both PC software and Android APP can provide one screen to monitor the controller parameters. Sometimes people can use a small Android Tablet or Android Mobile Phone as display device.KAC-8080N controller can be connected by Bluetooth device on Android Phone or Tablet also. 
Features and Specifications
General functions
- Extended fault detection and protection. The beep sound pattern indicates the fault sources. Customers can read the error code or message in PC software or Android App also.
- Monitoring battery voltage. It will stop driving if the battery voltage is too high and it will progressively cut back motor drive power as battery voltage drops until it cuts out altogether at the preset “Low Battery Voltage” setting.
- Built-in current loop and over current protection.
- Configurable motor temperature protection range.
- Current cutback at low temperature and high temperature to protect battery and controller. The current begins to ramp down at 90℃ case temperature, shutting down at 100℃.
- The controller keeps monitoring battery recharging voltage during regenerative braking, progressively cutting back current as battery voltage rises then cutting off regen altogether when voltage goes too high.
- Maximum reverse speed and forward speed can be configured between 20% and 100 %respectively and separately.
- A 4pin connector to RS232 converter and USB to RS232 cable allows for
configuration, programming and software upgrades using tablet which should be based on Android OS.People can do the same operation and configuration on PC software by using a standard USB to RS232 cable instead.(Recommend using USB to RS232 cable from Kelly directly) - Provision of a +5 volt and +12V output to supply various kinds of sensors, including Hall effective throttle or pedal type.
- 4 switch inputs which are activated by connection to +12V. Default to forward
switch, throttle switch, brake switch and reversing switch. - 2 analog 0-5V inputs that default to throttle input and motor temperature input.
- Configurable motor over-temperature detection and protection with the recommended thermistor KTY84-130/150.
- Dual Channel A/B encoder input to support the speed control.
- We specify 8V-20V for power supply which must be isolated from main battery pack B+/B-. Usually customers can use 12V car battery or DCDC converter.
Caution: Regeneration has braking effect but does not replace the function of a mechanical brake. A mechanical brake is required to stop your vehicle. Regen IS NOT a safety feature! Controller may stop regen, without warning, to protect itself or the battery(it won’t protect you!).
Features
- Intelligence with powerful microprocessor.
- Synchronous rectification, ultra low drop and fast SVPWM and FOC to achieve very high efficiency.
- Electronic reversing.
- Voltage monitoring on 3 motor phases, bus, and power supply.
- Voltage monitoring on voltage sources 12V and 5V.
- Current sense on all 3 motor phases.
- Current control loop.
- Hardware over current protection.
- Hardware over voltage protection.
- Configurable limit for motor current and battery current.
- Low EMC.
- Battery protection: current cutback, warning, and shutdown at configurable high and low battery voltage.
- Friendly high-current terminals, and waterproof connectors for small signals.
- Thermal protection: current cut back, warning and shutdown at high temperature.
- Decelerating speed according to the brake rate when brake switch is active.
- Decelerating speed according to the brake rate at reverse. Configurable reversing accelerating function.
- Support three braking modes: release throttle braking, brake switch braking or reversing braking, neutral braking. Configurable brake time and brake release time in
the configuration program. Can program the regen amount in user program for different regen modes. - Configurable high pedal protection: the controller will not work if high throttle is detected at power on.
- Current multiplication: Take less current from battery, output more current to motor.
- Maximum heat dissipation. (By default, aluminum heat sink bottom plate on 300A controller, liquid cooling bottom plate on 400A controller, no heat dissipation plate on 200A controller. It will affect the output performance of the controllers if customers remove controller’s heat dissipation plate. So it is not recommended. )
- Easy installation: 3-wire potentiometer can work.
- Support Broadcast CAN bus function.
- Standard PC/Laptop computer to do programming. There is one more choice for customers to program KAC-8080N controller. Standard Tablet with Android OS to do programming. Need a Z-TEK USB to RS232 cable for connecting the controller to APP program in Tablet.
- User program provided. Easy to use. User program can be downloaded from our website for free.
Specifications
- Frequency of Operation: 10KHz
- Standby Battery Current: < 0.5mA.
- 5V Sensor Supply Current: 40mA.
- Controller logic supply voltage, Logic PWR: 8-20V.
- Configurable battery voltage range, B+.
- Max output frequency can reach up to 250Hz.
- Standard Throttle Input: 0-5 Volts (3-wire resistive pot), 1-4 Volts (hall active throttle).
- Full Power Operating Temperature Range: 0℃ to 70℃ (Mosfet temperature).
- Operating Temperature Range:-40℃ to 90℃, 100℃ shutdown (Mosfet temperature).
- Motor Current Limit, 1 minute: 200A-700A, depending on the model.
- Motor Current Limit, continuous: 80A-280A, depending on the model.
- Max Motor Current : Configurable.
Naming Regulations: The naming regulations of Kelly KAC-8080N AC induction motor controllers: KAC 12 201 8080N
KAC: Kell AC Induction motor controller based on SVPWM and FOC technology which is supposed to work with AC induction motor with dual channel A/B Encoder.
12:120V batteries. The rated voltage of AC motor is 120V/1.414=84.8V
8080N: Controller has a plastic cover with shunt and fuse. And KAC-8080N is designed by optoisolated technology. We specify 8-20V for power supply which should be isolated from main battery pack B+/B-.
| Kelly KAC-8080N AC Induction Motor Controller | |||||
| Model | 10 seconds Current(Amp) | Continuous Current(Amp) | Battery Voltage(Volt) | Max Operating Voltage(Volt) | Cooling Type(See note) |
| KAC72501-8080N | 500A | 200A | 24-72 | 86V | A |
| KAC72501-8080N | 500A | 250A | 24-72 | 86V | B |
| KAC72601-8080N | 600A | 240A | 24-72 | 86V | A |
| KAC72601-8080N | 600A | 300A | 24-72 | 86V | B |
| KAC72701-8080N | 700A | 280A | 24-72 | 86V | A |
| KAC72701-8080N | 700A | 350A | 24-72 | 86V | B |
| KAC96401-8080N | 400 | 160 | 24-96 | 115V | A |
| KAC96401-8080N | 400 | 200 | 24-96 | 115V | B |
| KAC96501-8080N | 500A | 200A | 24-96 | 115V | A |
| KAC96501-8080N | 500A | 250A | 24-96 | 115V | B |
| KAC96601-8080N | 600A | 240A | 24-96 | 115V | A |
| KAC96601-8080N | 600A | 300A | 24-96 | 115V | B |
| KAC11401-8080N | 400 | 160 | 24-110 | 132 | A |
| KAC11401-8080N | 400 | 240 | 24-110 | 132 | B |
| KAC11501-8080N | 500 | 200 | 24-110 | 132 | A |
| KAC11501-8080N | 500 | 300 | 24-110 | 132 | B |
| KAC14351-8080N | 350 | 140 | 24-144 | 173 | A |
| KAC14351-8080N | 350 | 210 | 24-144 | 173 | B |
| KAC14401-8080N | 400 | 160 | 24-144 | 173 | A |
| KAC14401-8080N | 400 | 240 | 24-144 | 173 | B |
| KAC14451-8080N | 450 | 180 | 24-144 | 173 | A |
| KAC14451-8080N | 450 | 270 | 24-144 | 173 | B |
| Note: There are two types of cooling heatsink. A: Aluminum Heatsink B: Aluminum Liquid Cooling Heatsink | |||||
Wiring and Installation
Mounting the Controller
The controller can be oriented in any position which should be as clean and dry as possible, if necessary, shielded with a cover to protect it from water and contaminants.
To ensure full rated output power, the controller should be fastened to a clean, flat metal surface with several screws. Applying silicon grease or some other thermal conductive material to contact surface will enhance thermal performance.Proper heat sinking and airflow are vital to achieve the full power capability of the controller. The case outline and mounting holes’ dimensions are shown in below Figure.
Figure 1: With Aluminum Heatsink at the bottom mounting holes’ dimensions (dimensions in millimeters) +/B+/B-/U/V/W:M8
Figure 2: With Aluminum Liquid Cooling Heatsink at the bottom mounting holes’ dimensions (dimensions in millimeters) +/B+/B-/U/V/W:M8
Figure 3: With Sealed Aluminium Housing mounting holes’ dimensions (dimensions in millimeters) +/B+/B-/U/V/W: M8
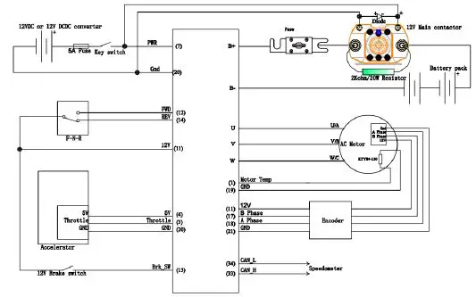
Connections
Pin definition of KAC-8080N Controller:
Figure 4: Definition for each I/O port
DJ7061Y-2.3-21 Pin Definition
- (34) CAN_L: Yellowish
- (33) CAN_H: Pale green
DJ7091Y-2.3-11 Pin Definition
- (3) Throttle: Throttle analog input, 0-5V. NavyGreen (20) RTN: Signal return or power supply return. Black (4) 5V: 5V supply output, <40mA. Purple
- (12) FWD: Forward switch White
- (11) 12V . Red
- (14) REV_SW: Reverse switch input. Gray
- (13) 12V brake switch. Brown
- (8) Speed signal . Blue
- (7) PWR: Controller power supply (input). Pink
DJ7021-1.5-21 Pin Definition
- (1) Temp: Motor temperature sensor input.
- Raddle.(19) RTN:Signal return. Black
DJ7041-1.5-21 Pin Definition
- (21) RTN:Signal return. Black
- (18) Encoder A phase output. Orange
- (17) Encoder B phase output. Green
- (11) 12V:12V Source. Pink
Notes:
- All RTN pins are internally connected.RTN or GND is isolated from B-.
- Switch to 12V is active. Open switch is inactive.
- Must need Dual A/B Channel Encoder to support speed control.
Caution:
- Do not apply power until you are certain the controller wiring is correct and has been double checked. Wiring faults will damage the controller.
- Ensure that the B- wiring is securely and properly connected before applying power.
- The preferred connection of the system contactor or circuit breaker is in series with the B+ line.
- All contactors or circuit breakers in the B+ line must have precharge resistors across their contacts. Lack of even one of these precharge resistors may severely damage the controller at the switch-on.
Wiring of KAC-8080N Motor Controller 
Figure 5: Standard Wiring for KAC-8080N Controller
Communication Port
A 4-pin connector to the RS232 converter is provided to communicate with the host computer for calibration and configuration. 
Figure 6: SM-4A to DB9(RS232) converter (Customers may add an USB to RS232 cable in addition)
Installation Check List
Before operating the vehicle, complete the following checkout procedures. Use Beep sound error code as a reference as listed in Table 1.
Caution:
- Put the vehicle up on blocks to get the drive wheels off the ground before beginning these tests.
- Do not allow anyone to stand directly in front of or behind the vehicle during the checkout.
- Make sure the PWR switch and the brake is off
- Use well-insulated tools.

- Make sure the wire is connected correctly.
- Turn the PWR switch on.The beeper will report some error codes if the wiring is not correct
- The fault code will be detected automatically at restarting.
- With the brake switch open, select a direction and operate the throttle. The motor should spin in the selected direction. Verify wiring or voltage and the fuse if it does not.
- The motor should run faster with increasing throttle. If not, refer to the Table 1 Error code, and correct the fault as determined by the fault code.
- Take the vehicle off the blocks and drive it in a clear area. It should have smooth acceleration and good power.
Programmable Parameters .

KAC-8080N Configuration program allow users to set parameters according to the vehicle actual working environment so as to be at its best.
There are three types of programmable parameters: vehicle control parameters,motor control parameters and controller parameters. The default parameters of the controller are not recommended for all applications. Make sure set the proper parameters before making any test to avoid danger. It is better if customers can provide the parameters of AC motor so that we can configure the controller for the motor before ship out.We need the motor parameters below.
- Rated Voltage AC voltage or DC Voltage. For example,72VDC/1.414=50.9VAC. Rated power
- Rated speed(RPM)
- Rated frequency
- Motor poles
- Pulses of Dual Channel A/B Encoder
Vehicle Control Parameters
- Low Volt: The min voltage of reporting this fault – Range 18~173 depending on model Controller will not operate when battery voltage is near the value so as to protect battery. Suggestion: Set according to the practical situation. By default, it is set at 18V.
- Over Volt: The max voltage of reporting this fault – Range 18~173 depending on model Controller will not operate when battery voltage is higher than the value so as to protect battery and controller.
- Suggestion: Set according to the practical situation.
| Controller Rated voltage | Under Voltage Range (V) | Over Voltage Range(V) | |
| 120V | 18~144 | 18~144 | |
| 144V | 18-173 | 18-173 | |
Figure 4.1
Current Percent: Phase Current Percent. Range: 20~100 Functional description: The max motor current is (The Value * Peak Current of the Controller). Suggestion: Factory default is 100%.
- Battery Limit: Battery Limit Current, Limit the max value of Battery Current. Range: 20~100 Functional description: Set max battery current so as to protect the battery. A lower value means a lower battery output current and better protective effect. But excessively low value will affect acceleration. Suggestion: Factory default is 100%.
- Battery weak: It is supposed to protect the batteries from over discharging. When battery voltage is at 1.15*Low voltage setting value, the controller starts to reduce the battery current to the battery current setting. The range is 0-100%.For example, if you set the low voltage at 40V and battery weak at 80%,the controller will start to reduce the current at 40V*1.15=52.9V.The battery current will be reduced to 80%.If you set up the battery limit at 60% and motor current percentage at 50%,the final battery current is controller peak current*50%*60%*80%=controller rated peak current*24% after weakening. TPS Low Err: Hall active pedal, if lower than the value, report the fault of TPS Type. Range: 0~20
- TPS High Err: Hall active pedal, if higher than the value, report the fault of TPS Type. Range: 80~100 As you may know, the output of hall throttle from Kelly is about from 0.86V to 4.2V. Our controller will report 3.3 error code if the output of hall throttle is below 0.5V or above 4.5V by default. The controller will think the hall throttle is shorted or damaged if the output is beyond the range from 0.5V to 4.5V.
You can adjust the threshold voltage below or above 0.5V.The controller will report the 3.3 code to protect the system according to different types of hall throttle.
Because there are many different hall throttle suppliers in the world. The initial output can not be always in the range of 0.5V to 4.5V. But it doesn’t make any differences if you choose 0-5V or 3-wire pot for the throttle type. That is to say, these two settings are only useful for hall active throttle or pedal when you chose throttle type at 2.
As the same goes, it is valid to adjust the high threshold voltage above 4.5V or below 4.5V. Usually the hall output voltage is 4.2V Max. If you adjust it to lower value which is near 4.2V,it may trigger the error code in normal way. - TPS Type: TPS Type, 1:0-5V 3-wire 0-5K pot,5K is normal,2K-20K can be used;2:Hall active throttle or pedal. Range: 1~2
- TPS Dead Low: TPS Dead Zone Low. Range: 5~40 Functional description: Set throttle effective starting point Suggestion: Set according to the practical situation, factory default is 20%*5V=1.0V.
- TPS Dead High: TPS Dead Zone High. Range: 60~95 Functional description: Set throttle effective ending point
- Suggestion: Set according to the practical situation, factory default is 80%*5V=4.0V.
- TPS Fwd MAP: It is used to adjust the acceleration rate in forward direction.
- TPS Rev MAP: It is used to adjust the acceleration rate in reversing direction.
- Max output Fre: Max output frequency of controller. Unit: Hz Functional description: It will affect the top speed of the motor.
- Suggestion: Set according to the practical situation, factory default is 250Hz.Please don’t set it 250Hz above.Range:1-250Hz
- Max Speed: Max Speed [rpm]. Range: 0~7500 By default, it is set at 4500.
- Max Fwd Speed %: The forward speed of the percentage of maximum speed. Range: 20~100 By default, it is set at 100%
- Max Rev Speed %: The reverse speed of the percentage of maximum speed. Range: 20~100 By default, it is set at 100%
- Start-up H-Pedal:
- Value range: Enable and Disable
- Functional description: If enabled, the controller will detect the current pedal status at power up. If the throttle got effective output, the controller will report the fault and not operate.
- Suggestion: Set according to the practical situation, factory default is Enable.
- Brake H-Pedal: Releasing Brake High Pedal Disable
- Value range: Enable and Disable
- Functional description: If enabled, the controller will detect the current pedal status when release the brake. If throttle got effective output, the controller will report fault and not operate. Suggestion: Set according to the practical situation, factory default is Disable.
- NTL H-Pedal: Neutral position High Pedal Disable. Only useful when Three gears switch function is enabled. If enable, the controller will detect the current pedal position or signal When the switch is in neutral position. If the throttle got effective output signal, the controller will not operate and report fault code. Suggestion: Set according to the practical situation, factory default is Disable.
- Foot Switch
- Value range: Enable and Disable
- Functional description: If enabled, the foot switch will be activated. The controller will not accept the throttle signal if the foot switch is turned off. Please see Figure 4.1.
- Suggestion: Set according to the practical situation, the factory default is disabled.
- Exchange Encoder phase
- Exchange Motor Phase Usually the controller has been configured according to the motor parameters before ship out. The motor parameters are provided by customers. We also can find the parameters from the nameplate of the motor.
If the motor still can not run or run on the opposite direction, please use the instructions below.
- We need to know the structure of the car.
- Motor: Most of the motors have the similar parameters on the marketing. So we just need to know the most important parameters.
They are rated voltage and Pulses of Encoder. We need to know if rated voltage is DC or AC side. Usually the pulses of encoder is 48 or 64.By default, it is 12V voltage for encoder on KAC controller. Please check the thermistor type. By default, KAC controller can support KTY84-130 /150. - The I/O port: It is about throttle type, throttle voltage. Usually it is hall active type throttle under 5V source.
By default, we used 12V to activate the brake switch, forward switch, reversing switch, etc.12V is provided by KAC controller. You also can customer external 12V as long as this 12V source has the same ground as the controller. - There is a speed signal(Pulse type) from the controller for speedometer. It is 4 pulses/rev by default.
- Please hook up the controller according to the wiring diagram in the user manual.
- Testing without load on the motor shaft.
- Please make sure the car or motor is off the ground. Please turn on the power supply. Please connect the controller to user program in computer or Android Tablet. Please fill the basic motor parameters and write them into the controller and reset the power supply.
- Please open the monitor screen in the user program. Please turn the car at neutral gear so that the motor will not run at all. Please check each I/O port and analog signal in the monitor screen. Please rotate the motor by manual a little to see if the encoder signal is variable.
- Please make sure the car is in neutral gear. Please open the monitor screen. Please don’t press the throttle pedal. Please check the AD value of throttle signal and make record. Please press the throttle to max position, please record the AD value of throttle accordingly. Please use AD/255 to define the throttle effective starting and ending position. Usually we take 20% for the throttle effective starting position and 80% for the throttle effective ending position.
- Please disable the anti slip function in the first parameter screen.
KAC controller only can work with F-N-R control. Customers must use forward switch and reversing switch at the same time to change the motor direction.
Please turn on the forward switch and check the monitor screen to see if the Setting Dir is at 0. Then please turn on the reversing switch to see if the Setting Dir is at 1 in the user program. You may not turn on or off both forward switch and reversing switch at the same time.
If both is OK, we have already found the correct switch signals for forward, neutral and reversing switch. It must fit this operation to find correct driving direction. Otherwise we need to check the wiring and setting again.
Please make sure the car is in neutral gear. Please try to rotate the motor wheel or shaft in the forward direction by manual. Please check if the Actual Dir value is at 0.
Please try to rotate the motor wheel or shaft in the reversing direction. Please check if the Actual Dir value is at 1.If both is yes, the direction is what we expected. Everything is fine. If the result is just opposite, please return to page of Vehicle parameter, Please change the current status of Exchange Encoder Phase in the user program. That is to say, if Exchange Encoder Phase is disabled, please enable it. If Exchange Encoder Phase is enabled, please disable it. Please reset the power supply to activate the settings after the current status of Exchange Encoder Phase is changed. Please turn the forward switch on and press the throttle pedal a little bit. If the motor can accelerate on forward direction gradually, everything is fine. If the motor accelerates on the reversing direction slowly, you need to return to Vehicle Parameter page again, please change the current status of Exchange Motor Phase item in the user program. Please test the motor driving again, if everything is fine, please turn power supply off, Please try to do more testing on road further.
Motor Parameters
- Motor Poles: Motor Poles, The pair pole number*2. Range: 2~128 Suggestion: Set according to the real motor poles on the nameplate of the motor, factory default is at 4.
- Speed Sensor Type:1:Dual Channel A/B Encoder2:Hall, 3:Resolver, 4:Line Hall. Range: 1~4 Different sensors type. By default, it is set at 1. Usually KAC controller should work with AC induction motor with Encoder
- Resolver Poles: Resolver Poles, The pair pole number*2. Range: 2~32 It is only used for the Resolver sensor type.
- Motor Temp Sensor: Motor Temp Sensor, 0:None, 1:KTY84-130 or 150. Range: 0~1 High Temp Cut Out °C: Motor High Temp Cut Out, nominal value 130°C. Range: 60~170 Resume °C: Motor High Temp Resume Temp, nominal value 110°C.The controller will resume work when the motor temp is at 110 degrees inside. Range: 60~170
- High Temp Str:If the temp of the motor is high, the controller will try to reduce the current to protect the motor. High Temp Str is at which temperature to start to reduce the current. By default, it is set at 100 degrees.High Temp Weak %:How many amps will be reduced when temp is at High Temp Str setting value.If you set it at 20%,it mean 20% of driving current will be reduced. The left current is 80% of driving.
Controller Control Parameters
- RLS_TPS Brk %: RLS TPS Braking Percent, the percent of Releasing Pedal BRK in max braking. Range: 0~50 This is used to adjust the regeneration current of releasing throttle regeneration mode type. The regeneration will happen as long as the throttle is released completely. Factory set is 0
- NTL Brk %: NTL Braking Percent, the percent of Neutral Braking in max braking. Range: 0~50 Only useful when you enable Three gears switch in user program.
The regen will happen when you turn F-N-R switch from Forward or backward to Neutral position. Factory set is 0 - Accel Time: Accel Time, the time of TPS Torque from 0 to max, accuracy 0.1s, 5 is equal to 0.5s. Range: 1~250 Factory set is 10
- Accel Rls Time: Accel Release Time, the time of TPS Torque from max to 0, accuracy 0.1s. Range: 1~250 Factory set is 1
- Brake Time: Brake Time, the time of Brake Torque from 0 to max, accuracy 0.1s. Range: 1~250 Factory set is 15
- Brake Rls Time: Brake Release Time, the time of Brake Torque from max to 0, accuracy 0.1s. Range: 1~250 Factory set is 1
- BRK_SW Brk %: BRK_SW Braking Percent, the percent of BRK_SW in max braking. Range: 0~50 The brake switch regeneration mode. You have to turn on the brake switch after the throttle is released for the regeneration to occur. Factory set is 10
- Change Dir brake: Value range:0-100 You can change the motor direction from forward direction to reversing switch while the motor is still running on KAC controller by default, vice versa. This item is used to set the regen current to help the motor change direction quickly. If you want to get swift direction, you may enable Change Dir brake item in user program. It will help the motor change the direction of motor quickly after you change the switch signal from forward to reversing or from reversing to forward.
Suggestion: factory default is Disable - Compensation %: It is used to help the motor can climb the slope well even if you just press the throttle pedal a little bit.
- IVT Brk Max Motor: Max motor speed limiting setting.
- IVT Brk Min Motor: Min motor speed limiting setting. You can change the motor direction from forward direction to reversing switch while the motor is still running on KAC controller by default,vice versa. In which speed range, you can operate the motor controller in this way.For example, if we up set IVT Brk Max Motor at 100RPM and IVT Brk Min Motor at 50RPM,that is to say, you only can change the motor direction while the motor is still running when the speed range is between 50RPM and 100RPM.If the speed range is beyond this range, the controller will not allow to change the motor direction while the motor is still running.
Maintenance
There are no user-serviceable parts inside the controllers. Do not attempt to open the controller as this will void your warranty. However, periodic, exterior cleaning of the controller should be carried out. The controller is a high powered device. When working with any battery powered vehicle, proper safety precautions should be taken that include, but are not limited to, proper training, wearing eye protection, avoidance of loose clothing, hair and jewelry. Always use insulated tools.
Cleaning
Although the controller requires virtually no maintenance after properly installation, the following minor maintenance is recommended in certain applications.
- Remove power by disconnecting the battery, starting with battery positive.
- Discharge the capacitors in the controller by connecting a load (such as a contactor coil, resistor or a horn) across the controller’s B+ and B- terminals.
- Remove any dirt or corrosion from the bus bar area. The controller should be wiped down with a moist rag. Make sure that the controller is dry before reconnecting the battery.
- Make sure the connections to the bus bars, if fitted, are tight. To avoid physically stressing the bus bars use two, well-insulated wrenches.
Configuration
You can configure the controller with a host computer through either an RS232 or USB port.
- Disconnect motor wiring from controller.
- Do not connect B+, throttle and so on. The controller may display fault code, but it doesn’t affect programming or configuration.
- Use straight through RS232 cable or USB converter provided by Kelly to connect to a host computer. Provide 12-24V to PWR(pin23) VS RTN(pin18)(Wire power supply return to any RTN pin).
- KAC controller needs a SM-4A to DB9(RS232) converter and USB to RS232 cable to communicate with the user program in PC or App in Android Tablet.You may use Z-TEK USB to RS232 cable if you want to use program in Tablet.Bluetooth converter can be used to connect the controller to Android App in Android Phone.
- Download the free configuration software from:
- http://www.kellycontroller.com/support.php.
Caution:
- Make certain that the AC Induction motor is stopped before trying to run the KAC Configuration Software! You may connect the motor to controller for debugging.
- Configuration software will be regularly updated and published on the website. Please U pdate your Configuration Software regularly. You must uninstall the older version before updating.
- You may try to find the correct driving direction before running the motor.
Broadcast CAN protocol between KAC-8080N controller and Instrument
- Overview
This protocol defines the messages sent from motor controller for instrument via CAN Bus in the automobile net work. - Normative reference
SAE J1939-21. - Physical interface
This protocol supports CAN 2.0B standard,the baud rate is 250Kbps.The unused or reserved Byte is defined as 0x00 in the database. - PDU Format(Protocol Date Unit)
There are two types of PDU format in SAE J1939-21.PDU1 Format(PS=Destination Address) and PDU2 Format(PS =Group Extension). PDU2 is a kind of transfer that doesn’t specify a particular target address(The PDU2 Format can communicate CAN Data Frames that are not destination specific.).This protocol uses PDU2 Format.
- Definition: P-Priority, R-Reserved, DP-Date page, PF-PDU Format, PS is particular PDU, SA-Source address
- Data Frame definition
| OUT | IN | ID | Comm unicati on period | Data | |||||||
| Controller | Instrument |
ID=10F8109A |
50ms | Positi on | Data | Comment | |||||
|
1Byte |
Driving direction | Bit1-bit0: 00–Neutr al01–For ward 10–Rever se Bit2-bit7: reserved | |||||||||
|
P |
R |
D P |
PF |
P S |
SA | 2Byte | LSB of speed in RPM | Motor RPM: 1rpm/bit | |||
| 3Byte | MSB of speed in RPM | ||||||||||
| 4Byte | Error code | See Table 1 | |||||||||
| 5Byte | Reserved | ||||||||||
| 4 | 0 | 0 | 24 8 | 16 | 15 4 | 6Byte | Reserved | ||||
| 7Byte | Reserved | ||||||||||
| 8Byte | Reserved | ||||||||||
Data Frame definition
| OUT | IN | ID | Comm unicati on Period | Data | |||||||
| Controller | Instrument | ID=10F8108D |
50ms | Positio n | Data | Commen t | |||||
| 1Byte | LSB of battery voltage |
0.1V/bit | |||||||||
|
P |
R |
D P |
PF |
P S |
SA | 2Byte | MSB of battery voltage | ||||
| 3Byte | LSB of motor current |
0.1A/bit | |||||||||
| 4Byte | MSB of motor current | ||||||||||
| 5Byte | LSB of motor temp |
0.1℃/bit | |||||||||
|
4 |
0 |
0 |
24 8 |
16 |
14 1 | 6Byte | MSB of motor temp | ||||
| 7Byte | LSB of controller temp |
0.1℃/bit | |||||||||
| 8Byte | MSB of controller temp | ||||||||||
Table1: Error Codes
Beep sound Codes
| Beep keeps sounding | 1. Software is still upgrading or identifying angle operation 2. Throttle signal is higher than the preset „dead zone‟ at Power On. Fault clears when throttle is released. |
Beep sound Codes
| Beep Code | Explanation | Solution | |
| 1,3 | Overcurrent error | May be caused by some transient fault condition like a temporary over-current, momentarily high or low battery voltage. This can happen during normal operation. | |
| 1,4 | Over temperature | The controller temperature has exceeded 100℃. The controller will be stopped but will restart when temperature falls below 80℃. | |
| 1,6 | Hall galvanometer sensor error | Hall galvanometer device is damaged or defective inside the controller. This error code is only valid for KAC-8080N controller | |
| 1,7 | Speed sensor error | Please check the wiring or connection of encoder of the motor The encoder sensor could be damaged | |
| 1,9 | Low voltage error | The controller will clear after 5 seconds if battery volts returns to normal. If the voltage between B+ and B- is lower than the Low Voltage Setting, the controller will report this error code. Check battery volts & recharge if required. | |
| 1,10 | Over voltage error | Battery voltage is too high for the controller. Check battery volts and configuration. Regeneration over-voltage. Controller will have cut back or stop regen. This only accurate to ± 2% upon Overvoltage Setting. | |
| 1,11 | Motor over-temperature | Motor temperature has exceeded the configured maximum. The controller will shut down until the motor temperature cools down | |
| 1,13 | Acceleration throttle is malfunction | When the throttle is repaired, a restart will clear the fault. The choice of Throttle Type does not match the | |
| actual throttle you are using. | |||
| Customers may read error message in PC software or Android Tablet | |||
Contact Us:
- Kelly Controls
- Home Page:
- http://www.KellyController.com .
- Download user manual,instructions and user program: www.kellycontroller.com/support.php.
- E-mail: [email protected].
- Phone: (01) 224 637 5092
Kelly Control KAC-8080N High Power Opto Isolated AC Induction Motor Controllers





















