Electrolux ECVI4262AS 42 Inch Island Mount Range Hood

Welcome to Electrolux! Thank you for choosing our appliance.
For Customer Care support and webshop visit: www.electrolux.com/support/
For extended version of User Manual visit: www.electrolux.com/manuals/
SAFETY INSTRUCTIONS
Do not attempt to install or operate this appliance until you have read the safety instructions in this manual. Safety items throughout this manual are labelled with a Danger, Warning, or Caution based on the risk type.
DEFINITIONS
This is the safety alert symbol. It is used to alert you to potential personal injury hazards. Obey all safety messages that follow this symbol to avoid possible injury or death.
DANGER:
DANGER indicates an imminently hazardous situation which, if not avoided, will result in death or serious injury.
WARNING:
DANGER indicates an imminently hazardous situation which, if not avoided, will result in death or serious injury.
CAUTION:
CAUTION indicates a potentially hazardous situation which, if not avoided, could result in minor or moderate injury.
CHILD SAFETY
Packing materials:
- Packing cartons covered with rugs, bedspreads,plastic sheets, or stretch wrap may become airtight chambers and can quickly cause suffocation.
- Remove the protective film covering the appliance before putting it into operation.
Destroy or recycle the appliance’s carton, plastic bags, and any other exterior wrapping material immediately after the product is unpacked. Children should never play with these items. Danger of suffocation!
IMPORTANT
CAREFULLY BEFORE INSTALLATION AND USE.
INSTALLATlON MUST COMPLY WITH ALL LOCAL CODES.
IMPORTANT: Save these instructions for the Local Electrical Inspector’s use.
INSTALLER: Please leave these instructions with this appliance for the owner.
OWN ER: Please retain these instructions for future reference.
DANGER:
Always switch off the electricity supply at the mains during installation and maintenance.|
WARNING:
To reduce the risk of fire, electric shock, or injury to persons, observe the following:
- FOR RESIDENTIAL USE ONLY
- Use this appliance only in the manner intended by the manufacturer. If you have questions, contact the manufacturer.
- Installation work and electrical wiring must be done by qualified person(s )in accordance With all applicable codes & standards, including fire-rated construction.
- Sufficient air is needed for proper combustion and exhausting of gases through the flue (chimney) of fuel burning equipment to prevent back-drafting. Follow the heating equipment manufacturers guideline and safety standards such as those published by the National Fire Protection Association (NFPA), the American Society for Heating, Refrigeration and Air Conditioning Engineers (ASH RAE), and the local code authorities.
- When cutting or drilling into wall or ceiling, do not damage electrical wiring and other hidden utilities (e.g. gas pipes).
- Ducted systems must always be vented to the outdoors. always be vented to the outdoors.
WARNING:
Before servicing or cleaning the unit, switch power off at service panel and lock service panel disconnecting means to prevent power from being switched on accidentally. When the service disconnecting means cannot be locked, securely fasten a prominent warning device, such as a tag,to the service panel.
CAUTION:
For general ventilating use only. DO NOT use to exhaust hazardous or explosive materials or vapors.
CAUTION:
To reduce risk of fire and to properly exhaust air, be sure to duct air outside – do not vent exhaust air into spaces within walls, ceilings, attics, crawl spaces, or garages.
WARNING:
To reduce the risk of fire, use only metal duct work Install this hood in accordance with all requirements specified.
WARNING:
To reduce the risk of fire or electric shock, do not use this hood with any external solid state speed control device.
WARNING:
To reduce the risk of a cooker top grease fire:
- Never leave surface units unattended at high settings. Boilovers cause smoking and greasy spillovers that may ignite. Heat oils slowly on low or medium settings.
- Always turn hood on when cooking over high heat.
WARNING:
- Do not use the range hood without the grease filters, or if the filters are excessively greasy.
- Use proper pan size. Always use cookware appropriate for the size of the surface element.
WARNING:
To reduce the risk of injury to persons, in the event of a cooker top grease fire, observe the following:
- Smother flames with a close-fitting lid,cookie sheet, or other metal tray, then turn off the gas burner or the electric element. Be careful to prevent burns. If the flames do not go out immediately, evacuate and call the fire department.
- Never pick up a flaming pan – you may be burned.
- Do not use water, including wet dishcloths or towels – a violent steam explosion will result.
- Use an extinguisher only if:
- You know you have a class ABC extinguisher, and you already know how to operate it.
The fire is small and contained in the area where it started.
The fire department is being called.
You can fight the fire with your back to an exit.
CAUTION:
Always leave safety grills and filters in place.
ELECTRICAL REQUIREMENTS
IMPORTANT
Observe all governing codes and ordinances.
CAUTION:
To Reduce The Risk Of Fire And Electric Shock, Install This Rangehood Only With Integral Blowers Manufactured by Chinabest Home Appliance Co., Ltd, Model CTH03-128D.
It is the customer’s responsibility:
- to contact a qualified electrical installer.
- to assure that the electrical installation is adequate and in conformance with National Electrical Code, ANSI/NFPA 70 – latest edition*,or CSA Standards C22.1-94, Canadian Electrical Code, Part 1 and C22.2 No.0-M91-latest edition** and all local codes and ordinances.
If codes permit and a separate ground wire is used, it is recommended that a qualified electrician determines that the ground path is adequate. - Do not ground to a gas pipe.
- Check with a qualified electrician if you are not sure range hood is properly grounded.
- Do not have a fuse in the neutral or ground circuit.
IMPORTANT
Save installation instructions for electrical inspector’s use.
The range hood must be connected with copper wire only.
The range hood should be connected directly to the fused disconnect ( or circuit breaker) box through metal electrical conduit.
Wire sizes must conform to the requirements of the National Electrical Code ANSI/NFPA 70 – latest edition”, or CSA Standards C22.1-94, Canadian Electrical Code Part 1 and C22.2 No.0-M91 – latest edition** and all local codes and ordinances.
A U.L.- or C.S.A.-listed conduit connector must be provided at each end of the power supply conduit (at the range hood and at the junction box).
Copies of the standards listed may be obtained from:
- National Fire Protection Association Battery march Park Quincy, Massachusetts 02269
- CSA International 8501 East Pleasant Valley Road Cleveland, Ohio 44131-5575
Power requirement:
PARTS SUPPLIED
| No | Part | Qty. | |
| 1. | ![]() | Range hood | |
| 2. | ![]() | Truss part | |
![]() | Upper chimney | 3.1 | |
| 3. | + Lower chimney | + 3.2 | |
| 4. | ![]() | Wire cover | |
| 5. | ![]() | Wire cap | 3 |
| 6. | ![]() | Long screws ST6x70 | 4 |
| 7. | ![]() | Short screw M4x10 | 5 |
| I No. I Part Qty. | |||
| 8. | ![]() | Washer 8×16 | 4 |
| 9. | ![]() | Assembly template | |
| 10. | ![]() | Side supporting bracket | 2 |
| 11. | ![]() | Front and back supporting bracket | 2 |
| 12. | ![]() | Sponge strip | 4 |
OPTIONAL ACCESSORIES
|
1. |
|
Recirculation kit with screws Elux PN: EHl62RKT | |
|
2. | ![]()
| 8′ extension chimney Elux PN:EHI08X62AS | |
| 12′ extension chimney Elux PN:EHl12X62AS | |||
| 14′ extension chimney Elux PN:EHl14X62AS |
|
3. | ![]() |
Aluminum filter Service part NO.: 09073000027 | |
|
4. | ![]() | Charcoal filter Service part NO.: 09070400081 |
2 |
INSTALLING THE HOOD
Tools/Materials required
- Duct tape
- Wire nuts
- Tape to mount template
- 6″ rounded metal duct, length to suit
- installation
- Measuring tape
- Pliers
- Gloves to protect against sharp edges
- Knife
- Safety glasses
- Electric drill
- Strain relief
- Spirit level
- Phillips (Pozidrive) # 2 screwdriver+ torJC # 2
- Wire cutter/stripper
- Masking tape
- Hammer
- Saw, jig saw or reciprocating saw
IMPORTANT
We recommend that three people carry out the installation.
Preparation
- The vent hood should be on site before final framing and wall finishing. This will help to accurately locate the duct work and electrical service.
- Installation will be easier if the vent hood is installed before the cooktop and countertop are installed.
Ductwork and wiring locations:
- Determine the exact location of the vent hood.
- Plan the route for venting exhaust to the outdoors.
- Use the shortest and straightest duct route possible.For satisfactory performance duct run should not exceed 100′ equivalent length for any duct configurations.
- Refer to” Ductwork installation guidelines” chart to compute the maximum permissible length for duct runs to the outdoors (fig.1).

Ducting installation guidelines
- For safety reasons when ducting outdoors (not using a recirculation kit),ducting must vent directly outdoors (not into an attic, underneath the house, into the garage or into any enclosed space).
- Keep duct runs as short and straight as possible.
- Duct fittings (elbows and transitions) reduce air flow efficiency.
- Back to back elbow and “S” turns give very poor delivery and are not recommended.
- Use a suitable 6″ round duct.
- Flexible metal round ducts should only be used when no other duct fitting exists. limit use to short lengths and do not crush when making corners.
Removing the packaging
CAUTION
Remove the carton carefully.
Wear gloves to protect against sharp edges.
WARNING
Remove the protective film covering the product before putting into operation.
Ceiling Support Structures
- This vent hood is heavy. Adequate structure and support must be provided in all types of installations. Framing must support minimum 150 lbs load.
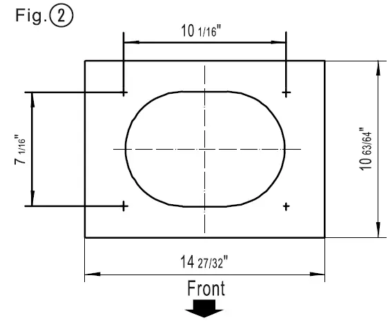
- At the hood location, adequate bracing is required to support the weight of the hood (fig. 2).

- Arrange cross framing in the ceiling to suit the existing structure (fig.3 ).
- Your ceiling joists will be like one of the following examples.
NOTE: Do not cut the duct opening shown on the template for the recirculating installation.
IMPORTANT
Framing must be capable of supporting 150 lbs.
Examples of possible ducting or air recirculation
IMPORTANT
This range hood is very heavy. Adequate structure and support must be provided in all types of installations.
Step 1
- Make sure that no cables or pipes will become damaged (e.g. electric, gas, water; test the areas in question with a cable detector).
- Using the template, mark and drill 4 holes into the ceiling. Measure as displayed in diagram (fig.5 ). The holes must be drilled into a wood structure capable to support 1501bs load.

NOTE
- The center of the template must match the center of the cooktop and the edges must be parallel to the sides of the cooktop.
- Have a suitable ladder ready so that you can easily reach up to the ceiling.
Step 2
Unscrew 16 screws between the two sections of the structure. Adjust extension of the hood support structure (dimension A), as the final height of the hood depends on this ,and remember that with installation completed to the hood must be at least 30″ above the cooktop.
- 1 With 8’/12’/14′ extension chimney kitnot supplied. Please call Electrolux at 1- 800-944-9044 (USA) or 1-800-265-8352 (Canada) to order this kit.
- 2 ” Dimension A” represents the height from the top of upper bracket to the top of lower bracket (fig.6 ).

Step 3
Fix the two sections of the structure using 16 screws.
NOTE
It is recommended to fix the supplied 4 supporting brackets (10, 11) with sponge strips(12)onto the lower brackets to make sure two flue covers fit closely(fig.7).
Step4
- Mount the truss part (2) onto the ceiling with 4 sets of long screws (6) and washers (8) (fig.8).
- Make sure the power cable for the range hood is routed inside the bracket.

IMPORTANT
Before mounting the truss part onto the ceiling, please remove the supporting plate firstly (fig.9). Remember to keep these screws which will be reused in step 8.
Steps
Depending on the ceiling height ensure required power cable length. See the table (fig.10) below for reference.
| Ceiling height | ||||
| 8 feet | 10 feet 12 feet 14 feet | |||
| Power cable length | 3 feet | 5feet | ?feet | 9feet |

- Loosen the 4 short screws from the junction box (fig.11).

- Connect the incoming positive, neutral and ground cables to the respective terminals. (fig.12).

- Mount the junction box onto the range hood using 4 short screws (fig.13).

Step6
Place the exhaust duct onto the outlet and secure it with duct tape (not provided) (fig.14).
Step7
Insert the top chimney into the truss (fig.15), secure it with two screws(7).lnsert the bottom chimney in its seat so that it completely covers the motor compartment and electrical connection box(fig.16).
CAUTION
Danger of injury. The chimney skirts may have some sharp edges.
Step8
Hook the hood body onto the truss, ensuring it fits properly, secure the body to the truss with 12 screws (7) then tighten it(fig.17).
IMPORTANT
Make sure the wire terminal passes though the hole on the air house (fig.16)
IMPORTANT
Before hooking the hood onto the truss, please make sure the aspiration plate and filter have been removed from the body to avoid it fall and injury to installer.
Step9
Connect as shown the wire terminal and the controller terminal(fig.18 ). Ensure the wire supplied cover secure firmly with three screws (7)(fig.19).

Step 10
Install the aspiration plate to the hood body.
- Fit the right bracket on the aspiration plate to the right fixed hinge(fig.20),then push the left hinge to the end to match the hole of the left bracket on the plate and release the hinge to lock them(fig.21).

Exhaust operation
Makeup Air
Local building codes may require the use of makeup air systems
when using ventilation systems greater
than specified C F M of a r movement. The speclocaleified C F M varies from locale to Consult your HVAC professional for specific requirements in your area.
Air recirculation operation
Recirculated air: Kitchen fumes are removed and after purification are fed back into the room through the upper ventilation openings. The purification takes place via metallic anti-grease filter. No wall breakthrough is required for recirculated air operation.
Installing range hood to the wall in recirculation mode
- For operation of the range hood with recirculation kit #EHRKT62AS is needed and can be purchased by calling 1- 800-944-9044 (USA) or 1-800-265-8352
- (Canada) Follow steps 1 to 4 from Installing range hood to the wall(Exhaust operation) chapter.
- Fix the recirculation plate to mounting plate with 4 supplied short screws(fig.22).Fix the recirculation box with 8 supplied short screws(fig.23 ).
Install charcoal filter to each side of the blower motor by inserting the filters onto the “T” shaped stud and twisting to lock them into place.Reinstall the grease filter close aspiration plate.(fig.24 ).

OPERATION
Press one of the speed.button to turn the appliance on.
| Button | Function |
![]() | Press button CD to switch the appliance off. |
![]() | Press button ‘\f. for low speed. |
![]() | Press button V. for medium speed. |
![]() | Press button V. for high speed. |
|
| Press button ·.¢.-to set the light to a low intensity. Press the second time to set the light to a medium intensity. Press the third time to set the light to a high intensity. Press the fourth time to turn the light off. |
NOTE
It is recommended to use the range hood while cooking and for several minutes after cooking to reduce humidity and odors inside your kitchen space.
- Turn on the range hood before starting to cook.
- Clean the filters frequently (refer to Cleaning and maintenance below).
- Use low speed for normal use and higher speed for strong odors or fumes.
SPECIAL FUNCTION
Heat sensor
- This product is equipped with a heat sensor that will automatically turn the vent fan ON at medium speed when high temperatures are detected (over 158° F or 70 ° C).
- If the vent fan is already running at low speed and high temperatures are detected, the vent fan will automatically change to medium speed.
- During this event, the vent fan speed can be changed manually to high speed, but not low speed or off.
- When the heat sensor detects a significant drop in temperature, then the appliance will operate normally.
CLEANING AND MAINTENANCE
Cleaning
DANGER
Always switch off the electricity supply at the breaker box during installation, cleaning, or maintenance.
NOTE
The efficiency of the range hood depends on the cleanliness of the intake and filters. Grease should not be allowed to accumulate on hood or filter.
Clean the appliance in the following intervals:
REGULARLY
Use a soft cloth moistened with hand-warm mildly soapy water or household cleaning detergent. Never use metal pads, chemical, abrasive material or stiff brush to clean the appliance.
MONTHLY
Aluminum filter: The filter collects grease, smoke and dust so the filter is directly affecting the efficiency of the range hood. If not cleaned, the grease residue(potential flammable) will saturate C on the filter. Clean it with household cleaning detergent. The filter is dishwasher safe. Recirculation box: clean the ventilation openings on the top sides.
EVERY 4-6 MONTHS
Charcoal filters:
- If the model is not vented to the outside, the air will be recirculated through disposable charcoal filters that help remove smoke and odors .
- The charcoal filters cannot be cleaned, they must be replaced regularly (depending on range hood usage).
- Note: Do not rinse or put charcoal filters in a dishwasher.
- Note: Charcoal filters are not included with the range hood.
IMPORTANT
Clean the filter every month to prevent risk of fire.
Maintenance
User service-Do not repair or replace any part of the appliance unless specifically recommended in the manual. All other servicing should be referred to a qualified technician.
IMPORTANT
Parts and accessories not provided with your hood, or for replacement,
can be purchased at www.electrolux.com or by calling 1-800-944-9044 (USA) or 1-800-265-8352 (Canada}.
TECHNICAL DATA
- Power supply: 120V-60HZ
- Motor power: 330W
- Lamp power: 24W for ECVl4262AS
TROUBLE SHOOTING
| Problem | Cause | Solution |
|
Excessive vibration. | The appliance in not fixed properly on the brackets. | Take down the appliance and check it is properly fixed. |
| The fan blade is damaged. | Switch off the appliance. Repair to be carried out by qualified service personnel only. | |
| The fan motor is not fixed tightly. | ||
| Light on, but fan does not work. | The fan blade is jammed. | |
| The motor is damaged. | ||
| Both light and fan do not work. | LED light strip broken. | Please call service. |
| Problem with electrical connection. | Check the electrical connection with an electrician. | |
|
Suction performance is not good. | Distance between the appliance and the cooking place too large. | Readjust the distance. |
| Metallic anti-grease filter is dirty. | Clean filters(see Cleaning and maintenance). | |
| Charcoal filter is dirty. | Charcoal filter(see Cleaning and maintenance). |
ENVIRONMENTAL PROTECTION
Waste electrical products should not be disposed of with household waste. Please recycle where facilities exist. Check with your local Authority or retailer for recycling advice.
WARRANTY INFORMATION
Your appliance is covered by a one year limited warranty. For one year from your original date of purchase, Electrolux will pay all costs for repairing or replacing any parts of this appliance that prove to be defective in materials or workmanship when such appliance is installed, used and maintained in accordance with the provided instructions.
Exclusions
This warranty does not cover the following:
- Products with original serial numbers that have been removed, altered or cannot be readily determined.
- Product that has been transferred from its original owner to another party or removed outside the USA or Canada.
- Rust on the interior or exterior of the unit.
- Products purchased “as-is” are not covered by this warranty.
- Products used in a commercial setting.
- Service calls which do not involve malfunction or defects in materials or workmanship, or for appliances not in ordinary household use or used other than in accordance with the provided instructions.
- Service calls to correct the installation of your appliance or to instruct you how to use your appliance.
- Expenses for making the appliance accessible for servicing, such as removal of trim,cupboards, shelves, etc., which are not a part of the appliance when it is shipped from the factory.
- Service calls to repair or replace consumable parts like grease or charcoal filters.
- Surcharges including, but not limited to, any after hour, weekend, or holiday service calls, tolls, ferry trip charges, or mileage expense for service calls to remote areas, including the state of Alaska.
- Damages to the finish of appliance or home incurred during installation, including but not limited to floors, cabinets, walls, etc.
- Damages caused by: services performed by unauthorized service companies; use of parts other than genuine Electrolux parts or parts obtained from persons other than authorized service companies; or external causes such as abuse, misuse, inadequate power supply, accidents, fires, or acts of God.
DISCLAIMER OF IMPLIED WARRANTIES;
LIMITATION OF REMEDIES
CUSTOMER’S SOLE AND EXCLUSIVE REMEDY UNDER THIS LIMITED WARRANTY SHALL BE PRODUCT REPAIR OR REPLACEMENT AS PROVIDED HEREIN. CLAIMS BASED ON IMPLIED WARRANTIES, INCLUDING WARRANTIES OF MERCHANTABILITY OR FITNESS FOR A PARTICULAR PURPOSE, ARE LIMITED TO ONE YEAR OR THE SHORTEST PERIOD ALLOWED BY LAW, BUT NOT LESS THAN ONE YEAR. ELECTROLUX SHALL NOT BE LIABLE FOR CONSEQUENTIAL OR INCIDENTAL DAMAGES SUCH AS PROPERTY DAMAGE AND INCIDENTAL EXPENSES RESULTING FROM ANY BREACH OF THIS WRITTEN LIMITED WARRANTY OR ANY IMPLIED WARRANTY. SOME STATES AND PROVINCES DO NOT ALLOW THE EXCLUSION OR LIMITATION OF INCIDENTAL OR CONSEQUENTIAL
DAMAGES, OR LIMITATIONS ON THE DURATION OF IMPLIED WARRANTIES, SO THESE LIMITATIONS OR EXCLUSIONS MAY NOT APPLY TO YOU.
THIS WRITTEN WARRANTY GIVES YOU SPECIFIC LEGAL RIGHTS. YOU MAY ALSO HAVE OTHER RIGHTS THAT VARY FROM STATE TO STATE.
If You Need Service
Keep your receipt, delivery slip, or some other appropriate payment record to establish the warranty period should service be required. If service is performed, it is in your best interest to obtain and keep all receipts. Service under this warranty must be obtained by contacting Electrolux at the addresses or phone numbers below.
This warranty only applies in the USA and Canada. In the USA, your appliance is warranted by Electrolux Major Appliances North America, a division of Electrolux Home Products, Inc. In Canada, your appliance is warranted by Electrolux Canada Corp. Electrolux authorizes no person to change or add to any obligations under this warranty. Obligations for service and parts under this warranty must be performed by Electrolux or an authorized service company. Product features or specifications as described or illustrated are subject to change without notice.
USA
1-877-435-3287
Electrolux Major Appliances
North America
10200 David Taylor Drive
Charlotte, NC 28262
Canada
1-800-265-8352
Electrolux Canada Corp.
5855 Terry Fox Way
Mississauga, Ontario, Canada
L5V3E4
















































