ROTOCLEAR Camera System with Rotating Window for Machine Interiors

Rotoclear C Basic
Betriebsanleitung Operating Manual
This manual is for machine interiors and was last revised on March 21, 2023. It replaces all prior revisions. Older revisions of the user manual are not automatically replaced. Find the current revision online at: www.rotoclear.com/en/CBasic-downloads.
Introduction
Thank you for purchasing our product. Please read this manual carefully and pay attention to the text and images in order to use the product correctly. Prior to startup, be sure to read the installation instructions. Rotoclear C Basic is a camera system for process monitoring in areas exposed to media. It can be employed in machine tools for the monitoring of the working area or the tool on the spindle. The system consists of a camera head and an HDMI unit. Keep this user manual securely stored at the operating location, as it is protected by copyrights held by Rotoclear GmbH.
Safety information
Before installing and operating the equipment, carefully read the user manuals for Rotoclear C Basic and the machine tool with its safety functions. These contain information about the design and safe use of the system. The manufacturer is not liable for problems caused by failure to comply with this user manual. Pay particular attention to note symbols.
Liability disclaimer
The manufacturer is not liable for losses such as fire, earthquake, third-party interference, or other accidents, nor for losses related to intentional or unintentional misuse, improper use, or use under non-compliant conditions. Rotoclear GmbH will bill for any resulting damage.
Important information
Rotoclear, Rotoclear C Basic, and “Insights in Sight” are registered trademarks of Rotoclear GmbH in Germany and other countries. The type plate is an integral element of the equipment. Any modification of the equipment and/or modification of the type plate or opening of the housings voids the conformity and warranty.
Improper use
Using the camera head in combination with an HDMI unit other than the one provided is at your own risk.
Data protection notice
The stream from the camera is usually displayed on a monitor. This means that it may be possible to view the area that the camera is viewing. This may mean that staff or service providers could be observed, for example during maintenance work. Depending on the laws of the country in which the camera system is being operated, this may touch on aspects related to data protection. Before putting the camera into operation, please ensure that any necessary measures related to data protection need to be taken.
Components
The HDMI unit is typically installed in the control cabinet or in a protected area meant for electronic devices and hence does not have a particular protected class. The unit is equipped with:
- A power connection (Fig. 1-A) with a blue signal light arranged below shows the status of the power supply
- One interface for the camera head (Fig. 1- B)
- An output for connecting an HDMI monitor (Fig. 1- C)
- Two USB ports (Fig. 1-D)
On the rear of the HDMI unit, there are additional connectors for power and communication (Fig. 2).
Product Usage Instructions
- Before using the Rotoclear C Basic camera system, read the user manuals for both the camera system and the machine tool with its safety functions.
- Install the HDMI unit in a protected area meant for electronic devices, such as the control cabinet.
- Connect the camera head to the HDMI unit using the interface provided.
- Connect an HDMI monitor to the output on the HDMI unit.
- Turn on power to the HDMI unit and check that the signal light is blue, indicating that the power supply is connected and working.
- The camera stream will be displayed on the connected monitor.
- Ensure that any necessary measures related to data protection are taken before putting the camera into operation.
- Any modification of the equipment and/or modification of the type plate or opening of the housings voids the conformity and warranty.
- Using an HDMI unit other than the one provided with the camera head is at your own risk.
Replaces all prior revisions. Older revisions of the user manual are not automatically replaced. Find the current revision online at: www.rotoclear.com/en/CBasic-downloads.
Introduction
Thank you for purchasing our product. Please pay attention to the text and images in this manual in order to use the product correctly. Prior to startup, be sure to read the installation instructions. Rotoclear C Basic is a camera system for process monitoring in areas exposed to media. It can be employed in machine tools for the monitoring of the working area or the tool on the spindle. The system consists of a camera head and an HDMI unit. Keep this user manual securely stored at the operating location of the equipment. This user manual is protected by copyrights held by Rotoclear GmbH.

Safety information Before installing and operating the equipment carefully read the user manuals for Rotoclear C Basic and the machine tool with its safety functions. These contain information about the design and safe use of the system. The manufacturer is not liable for problems caused by failure to comply with this user manual. Pay particular attention to note symbols.
Liability disclaimer
The manufacturer is not liable for losses such as fire, earthquake, third-party interference, or other accidents, nor for losses related to intentional or unintentional misuse, improper use, or use under non-compliant conditions. Rotoclear GmbH will bill any resulting damage.The manufacturer is not liable for any losses caused by use or failure to use this product, such as loss of business income. The manufacturer is not liable for consequences related to improper use.
Important information
This product is designed exclusively for the use of a camera head in combination with an HDMI unit. Any other use is at your own risk.
Rotoclear, Rotoclear C Basic and „Insights in Sight“ are registered trademarks of Rotoclear GmbH in Germany and other countries. The type plate is an integral element of the equipment. Any modification of the equipment and/or modification of the type plate or opening the housings voids the conformity and warranty.
Intended use
The intended use of the Rotoclear C Basic includes applications in machine tools and similar environments, where media such as cooling lubricants, oils, water, rinsing, and cleaning fluids are employed. When a camera is used in such an environment, the view is obscured or covered due to the existing media spraying onto the lens or protective window. That is why the Rotoclear C Basic is equipped with a rotating window in order to ensure a clear view
through the window. Particles or liquids that land on it are continuously flung off. This requires that the camera is in continuous operation, the sealing air is present and the rotor disc rotates constantly for the self-cleaning effect while the machine is switched on. The stream of cooling lubricant must not be aimed directly or targeted at the spinning window of the camera head.
Improper use
Avoid misuse of the camera system by using the camera system only in the intended environments. Fasten all components so that they are secured against falling down. Use the flex arm mount (magnetic mounting) only temporarily to determine the installation position. Avoid collisions with elements in the vicinity of the camera system, especially when moving the machine axes or performing work that requires entering the machine interior. Do not install sealing rings in the chamfers of the rotor outer ring of the camera head rotor. This is part of the sealing labyrinth and must be able to rotate freely after assembly. To mount the camera head on the flex arm mount, the plug-in connection for the sealing air must be removed. The sealing air is applied to the system at the cable gland. Read the operating instructions before commissioning and using the system
Data protection notice
The stream from the camera is usually displayed on a monitor. This means that it may be possible to view the area that the camera is viewing. This may mean that staff or service providers could be observed, for example during maintenance work. Depending on the laws of the country in which the camera system is being operated, this may touch on aspects related to data protection. Before putting the camera into operation, please verify whether any corresponding measures related to data protection need to be taken.
Components
HDMI unit
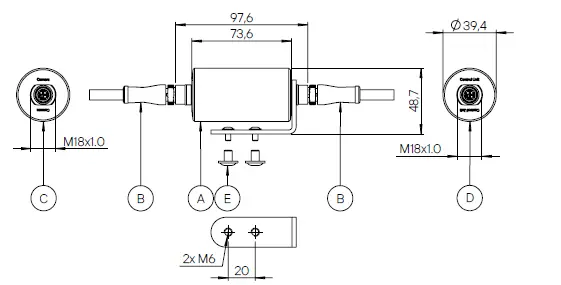
The HDMI unit is typically installed in the control cabinet or in a protected area meant for electronic devices and hence does not have a particular protected class. The unit is equipped with a power connection (Fig. 1-A) with a blue signal light arranged below showing the status of the power supply, one interface for the camera head (Fig. 1- B), an output for connecting an HDMI monitor (Fig. 1- C) and two USB ports (Fig. 1-D). On the rear of the HDMI unit, there is a clip for top-hat rail mounting. Camera head The camera head is usually installed in the application area. In assembly situations where the camera head‘s connection side on its rear is unprotected and exposed to fluids, it will be necessary to refer to the chapter „Startup“.

The connection takes place via the interface to the HDMI unit on the rear of the camera (Fig. 2-A). The cable (Fig. 2-A1) supplies the camera head with energy and is designed for control signals as well as data transfer with very high bandwidth. Hence, when laying the cables, ensure that no interfering signals are introduced, e.g. due to power cables that are laid in parallel, carrying alternating current and insufficiently shielded. The camera head has a ground connection point (Fig. 2-H). For the ground connection, it will be necessary to refer to the chapter „Startup“.
At the plug connector (Fig. 2-B), the camera head is supplied with sealing air so that the area between the window and the cover is kept free of the media in the environment. The Sealing air tube (Fig. 2-B1) has a diameter of 6 mm. In the event of incorrect configuration, contamination of the purge air, or if the rotating window is damaged, liquid might contaminate the area between the rotor and stator and obscure the camera‘s view, and will invalidate the warranty. Included in the scope of delivery is a covering cap. Use it to cover the front of the camera head temporarily in the event of damage if the machine is to be put into operation before it is repaired. When the covering cap is in use, deactivate the sealing air. The rotor (Fig. 2-C) is on the front, which is affixed via a center screw (Fig. 2-G) to the motor shaft, under which the LED lighting (Fig. 2-D) is located. Located between the LED modules is the camera lens (Fig. 2-E), which is protected by the protective window.

On the opposite side, a second lens may be installed depending on the model and configuration variant. In connection with the Rotoclear C Basic, this equipment variant corresponds to a camera head with focus F1. The sealing air is fed through the drill hole (Fig. 2-F) into the intervening rotor space. This drill hole must be kept free and must not be covered or closed in any way. The device must not be operated constantly under water or cooling lubricant, neither completely nor partially. If liquid enters the device, please check the installation parameters. Use Rotoclear C Basic only as intended. Rotoclear shall not be liable for any use that is not as intended
Scope of supply
The camera head is preconfigured to a defined focus position. Focus positions for close ranges and/or spindles with a focus range of 200-500 mm are available, as well as for far ranges from 500-6,000 mm. The Rotoclear C Basic product is supplied in shock-protected, environmentally friendly packaging. Upon receiving the product, please check that its contents are complete and undamaged. For return transport, use only the original packaging and dismantle the rotor! Please observe chapter
Packages
| Rotoclear C Basic | Single | Dual |
| Camera head (focus F1 / F2 / F1+F2) | 1 × | 1 × |
| HDMI Unit | 1 × | 1 × |
| Data cable (10 / 20 m) | 1 × | 1 × |
| Sealing air tube | 1 × | 1 × |
| Plug connector for sealing air | 1 × | 1 × |
| Top-hat rail clip | 1 × | 1 × |
| PCB plug connector | 1 × | 1 × |
| Power cable | 1 × | 1 × |
| Operating Manual de-en | 1 × | 1 × |
| Covering cap | 1 × | 2 × |
| Suction cup | 1 × | 1 × |
Accessories
| Flex arm mount (pre-wall mounting) | |
| Mount | 1 × |
| Sealing ring | 1 × |
| Screw M4 | 2 × |
| Usit ring M4 | 2 × |
| Screw M5 | 2 × |
| Usit ring M5 | 4 × |
| Spanner size 27-30 | 1 × |
| Spanner size 35-38 | 1 × |
| Flex arm mount (magnetic mounting) | |
| Mount | 1 × |
| Sealing ring | 1 × |
| Screw M4 | 2 × |
| Usit ring M4 | 2 × |
| Screw M5 | 2 × |
| Usit ring M5 | 4 × |
| Spanner size 27-30 | 1 × |
| Spanner size 35-38 | 1 × |
| Flex arm mount (through-wall mounting) | |
| Mount | 1 × |
| Sealing ring | 1 × |
| Screw M4x6 | 2 × |
| Usit ring M4 | 2 × |
| Spanner size 27-30 | 1 × |
| Spanner size 35-38 | 1 × |
| Ball mount | |
| Mount | 1 × |
| Clamping ring | 1 × |
| Counterpart Mount | 1 × |
| Sealing ring | 1 × |
| Screw M5 | 6 × |
| Usit ring M5 | 6 × |
| Tool for clamping ring | 1 × |
| Rotoclear C-Extender | |
| Signal amplifier | 1 × |
| Mount (Rotoclear C-Extender) | |
| Mount | 1 × |
| Screw M6 | 2 × |
| Screw M4 | 2 × |
Preparing the parts Remove the camera from the packaging. When unpacking, pay attention to cleanliness. Store all parts on a clean, shock-absorbing surface or in the original packaging. Handle the product with care. Do not touch the lens cover of the camera head (E, Figure 2) or the safety glass of the rotor to ensure unimpeded viewing conditions. Do not subject the camera, especially the glass-covered front to shock loads, as this may damage the bearing unit, rotor or other parts. The camera head is covered by a plastic cap. Remove the cap and keep it in a safe place where it is readily available for covering the camera in the event of damage, thereby protecting it from further damage.
Rotor assembly
Remove the rotor from its packaging and place it on the center flange of the camera head. Carefully hold the rotor in place using your hand and tighten the screw using a torque of 0,6 Nm. Never lock the rotor in place using a sharp object, such as a screwdriver. To remove the rotor, use the suction cup provided. Depending on the specific variant, the camera is preconfigured for a particular focus position. Please refer to the nameplate of the camera head for the focus position. The focus position can only be changed by the manufacturer later on because it is sealed to keep out media, particularly if the rotor fails due to damage from broken tools or workpiece parts. The rotor must be able to rotate freely; sealing is achieved by the sealing air. Therefore, do not install the enclosed sealing rings in the labyrinth of the rotor outer ring under any circumstances! These are intended for sealing at the holders. This will impair the function and the system may be damaged. If adjustment of the focus is required, please contact the manufacturer. Any attempt to open the housing of the camera head in order to adjust the focus position yourself will invalidate the warranty.
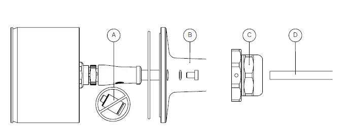
Installation of standard components Before beginning the installation work, it must be ensured that the machine is switched off by qualified specialist personnel and properly secured against being switched back on. Failure to observe this will result in a risk of injury. When performing tasks in the working area of the machine tool, there may be a risk of injury from slippery surfaces and sharp edges. Wear suitable protective equipment. Before beginning work, ensure that the compressed air components to be connected are switched off and ensure that the system is completely depressurized. Failure to observe this will result in a risk of injury. The assembly of the camera can be performed in various ways. Ensure that you install the camera head such that heat can be adequately dissipated by a metallic, heat-conducting surface. Installation in a sheet metal panel is sufficient for this purpose. The screw threads are located in a line with the positions of the camera lens(es) (Fig. 3-E1, or depending on configuration Fig. 3-E2). For output in landscape format, the screw positions (Fig. 3-C) must be located along a horizontal line. For portrait format, they must be along a vertical line.
Mounting the camera head
In addition to the optionally available mounting accessories (also see the sections „Flex arm mount“, „Ball mount“ and „Spindle mounting“), the camera can be mounted according to individual requirements. To seal the opening in the housing wall, insert the sealing ring into the groove (Fig. 3-D) provided (enclosed). As described above, two M4 threads (Fig. 3-C) are provided on the back of the housing as a mounting interface. For mounting, use the two M4 threads (Fig. 3-C) on the rear side at a distance of 51 mm. The screw-in depth may be max. 4 mm, the tightening torque max. 1.5 Nm. The cable connected to the interface (Fig. 3-A) as well as the sealing air tube (Fig. 3-B) can be left open in the space exposed to media, provided that they are protected against shavings or other sharp-edged parts. Make sure that the system is disconnected from the power supply. Connect the data cable firmly with the plug to the corresponding interface (Fig. 3-A) on the rear, such that the plug closes tightly. Connect the plug connector to your compressed air supply (Fig. 3-B).

When installing the camera head, please observe the safety regulations, including the grounding and the optional use of the pigtail cable for use in wet rooms, see the chapter Startup. HDMI unit The HDMI unit is typically installed on a top hat rail according to DIN EN 60715 in the control cabinet or in a protected area meant for electronic devices. Please note that, among other things, the HDMI unit with IP30 ingress protection is not protected against the ingress of fluids. For top-hat rail mounting, you can use the pre-mounted top-hat rail clip. It can be rotated in steps of 90° and affixed to the HDMI unit housing. This allows you to attach the HDMI unit in the desired position. Hang the upper flange of the top-hat rail clip on the upper edge of the top-hat rail (Fig. 4-1). Gently press the HDMI unit downwards, such that the spring element of the clip snaps into place at the bottom edge (Fig. 4-2). To remove the HDMI unit, use a screwdriver and gently pull the flange of the clip downwards. The device can now easily be moved upwards and removed. Do not open the housing of the control computer, as this will void all warranty claims.

Optimizations by the manufacturer
The product is subject to a continuous optimization process. At the manufacturer‘s discretion, changes can be made to geometry, connections and interfaces that do not change the basic concept of the product. The manufacturer is not obliged to actively inform about non-functional adjustments to the product.
Installation of supply lines
Lay the data cable (Fig. 2-B1) from the camera head and/or the adapter of the mount into the control cabinet and/or to the installation site of the HDMI unit. When doing so, ensure proper sealing at the transitions from areas exposed to media into protected areas and/or into the control cabinet. Connect the cable to the interface for the camera head with the label „Camera“. When laying the cable, ensure that no interfering signals from neighboring power cables can disrupt the transmission. We recommend using the cable provided. Please ensure the dryness and cleanliness as well as the correct configuration of the sealing air supplied. The camera head is equipped with a pressure sensor. It helps with the correct configuration of the sealing air and monitors it constantly. An incorrect configuration or damage to the system is detected and a warning is displayed in the user interface. It is not recommendable to orientate the camera head upwards due to the risk of fluids entering the labyrinth sealing in the case of insufficient air purge or fluids occurring while the machine is switched off.
If the rotor disk is damaged, please refer to the chapter „Changing the rotor“. Leaks due to contaminated or insufficient sealing air will impair the sight and the functioning of the camera. If necessary, pre-treat the sealing air using a service unit with a multi-stage filter system. Pay attention to the requirements for the sealing air which are indicated in the chapter „Technical data“ in the appendix. Both the camera head and the control computer have a connection for grounding (Fig. 2-H resp. Fig. 4-A). If grounding of the system according to applicable standards (such as IEC 60204-1:2019-06) is required in your installation situation, connect the control computer to the grounding conductor using a grounding cable. Make absolutely sure that all devices are connected to the same protective earth conductor.
Installation of a signal amplifier (accessory)
The length of the data cable connecting the camera head and the control unit is limited to the length of 20 m (see chapter „Technical Data“ in the appendix). With the signal amplifier Rotoclear C-Extender (fig. 5-A) it is possible to extend this length. Up to two signal amplifiers per camera head can be used in the feed line. Each of these adds to the maximum possible cable length without a signal amplifier: with one signal amplifier the maximum possible length is 2 × 20 m, with two signal amplifiers the maximum possible length is 3 × 20 m. Pay attention to the alignment according to the marked plugs. The data cable (fig. 5-B) connected to the side labeled „Camera“ (fig. 5-C) must point toward the camera head. The side labeled „Control Unit“ (Fig. 5-D) must point towards the control unit.

The electronics of the signal amplifier are protected against installation in the wrong orientation. In this case, however, the camera head is not recognized by the system. The signal amplifier is hot-pluggable and can be connected and disconnected during operation. There are M18×1.0 male threads on the connectors, which can be used for mounting with the separately available holder. The mount is equipped with two M6 threads. M4, as well as M6 screws (fig. 5-E), are included for the front or rear installation of the holder.
Installation of mounts (accessory)
Several mounts for installing the camera head in the internal chamber of the machine are available as optional accessories.
- The flex arm mount (trough-wall mounting) (Fig. 6-A) is ideal for installation in a sheet metal wall with a direct cable feed-through.
- The flex arm mount (pre-wall mounting) (Fig. 6-B) can be flexibly mounted on sheet metal walls or in solid materials, even in places where a direct cable feed-through through the housing wall is not possible.
- The flex arm mount (magnetic mounting) (Fig. 6-C) is ideal for simple and quick mounting without modification to the machine tool, in particular for tests or selecting a suitable installation location. For permanent installation, mounting is recommended.
- In the standard versions, an inclination of ± 40° (± 20° per joint) is possible for all variants of the flex arm mount. Extension pieces are available, each of which allows an additional inclination of ± 20°.
- The ball head mount (Fig. 6-D, shown without tool and without counter holder) is designed for installation in a Figure 6 sheet metal wall. Thanks to its flat and chip-repellent contours, comparatively few chip nests occur when using this mount. This mount is only compatible with camera heads with ball housing. The maximum inclination is ± 20° to the axis of the drill hole. The camera head can be installed with a rotation ranging from 0–360°.

Flex arm mount
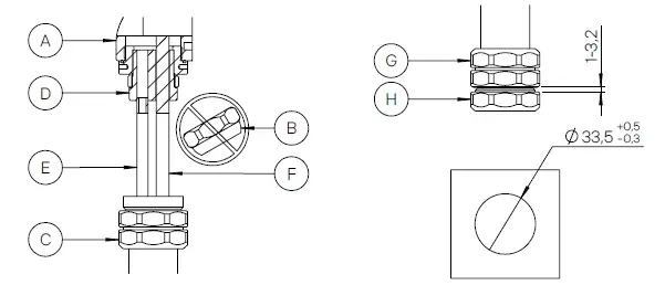
Several versions of the flex arm mount for installing the camera head in the internal chamber of the machine are available as optional accessories. CAD models of the various versions are available upon request. For mounting the camera head to the holder of the flex arm holder (Fig. 7-B), the plug-in connection for the sealing air (Fig. 7-A) on the rear of the camera head will need to be removed. It is outfitted with an internal hexagon drive. The sealing air tube (Fig. 7-D) is inserted into the 6 mm hole of the seal in the cable gland on all versions of the Flex arm holder and clamped in place by screwing the cable gland (Fig. 7-C). The sealing air flows through the entire flex arm mount into the camera head.
Connect the data cable (Fig. 8-B) to the M12 connector. Feed the loose end through the mount (Fig. 8-C) and place the camera head on the mount. Before doing this, insert the sealing ring (Fig. 8-D) into the groove provided. Screw the camera head in place using the enclosed M4 screws (Fig. 8-E1) and the corresponding Usit rings (Fig. 8-E2). You may loosen the nuts on the joints to perform alignment. Ensure that all connections have been tightened, as this protects the system against leaks and the ingress of cooling lubricant. Failure to ensure this may cause irreparable damage to the camera head. The tightening torque is 5 Nm.

Flex arm mount (through-wall mounting)
- For installation, a round hole must be drilled at a suitable location for the insertion of an M32 × 1.5.
- Feed the data cable (Fig. 8-B) through the hole and fit the mount (Fig. 8-C) with inserted seal (Fig. 8-F).
- From the opposite side, fit the metal parts of the cable bushing (Fig. 8-G1, G2) over the data cable.
- Now screw the housing (Fig. 8-G2) of the cable bushing into the mount (Fig. 8-C) fitted from the opposite side.
- Fit the seal (Fig. 8-G3) between the metal parts over the data cable. Be sure to select the corresponding hole size for the cable diameter.
- Screw the cable bushing together. Before it is tightened, insert the dummy plugs into the other two holes and the sealing air tube (Fig. 8-H) into the 6 mm hole.

Flex arm mount (pre-wall mounting)
There are several options for fixing the flex arm mount (pre-wall mounting) in place:
- in sheet metal: Insert the M6 screws through the sheet metal from the rear (Fig. 9-A) and fit the M6 Usit ring (Fig. 9-B) over them. Use it to screw the adapter in place.
- In solid material with M5 thread: In this case, insert the M5 × 20 screws (Fig. 9-C) with the M5 Usit ring (Fig. 9-D) fitted from the inside of the adapter and screw it to the receiving part via the prepared M5 threads.
- M5 threads are available on the rear for other types of mounting, see Figure. For this purpose, seal the holes on the rear of the adapter from the inside using the M6 screw (Fig. 9-E) with the M6 Usit ring (Fig. 9-B) attached, as
- described in 1, making sure that they are airtight. Now feed the data cable through the adapter from the angled side and screw the jointed section of the mount onto the adapter.
- Use the enclosed sealing ring to properly seal the screw connection. On the flat side, mount the cable bushing as described in the previous section. Seal the unused holes for other cable variants using the bolts and connect the sealing air tube to the 6 mm hole. Alternatively, a protective hose can also be mounted between the cable bushing and the adapter.

Cable
Figure 9bushings are available separately for feeding the cables through the machine wall.
Flex arm mount (magnetic mounting)
Alternatively, a saddle with two round magnets can also be screwed onto the adapter. This allows for easy and flexible and/or temporary installation, e.g. for testing purposes. As described under point 3 of the previous section, the adapter must be sealed in an airtight fashion using the M6 Dichtungsscrews. Please note that extremely powerful forces may result from the neodymium magnets used. Opposing poles attract and can strike each other. There is a risk of injury, e.g. of fingers getting clamped. Wear suitable protective equipment, such as gloves. Pay attention to the magnetic forces if you have medical circulatory support implanted. Do not hold the components directly in front of your body. Keep a minimum distance of 20 cm between the implant and the magnetic saddle.
Protective hose
A protective hose is available for the flex arm mount variants (Fig. 10-A) pre-wall mounting and magnetic mounting in order to be able to route the data cable and sealing airline in the machine interior protected from chips and cooling lubricants. The protective hose is not 100% protected against the penetration of cooling lubricants or oils. It mainly protects the internal lines from mechanical damage. The protective hose can also be combined with the Flex arm mount for through-wall mounting, however, for this mount, it is intended that the cables are routed directly through the sheet metal wall into a protected area. If the protective hose is combined with the flex arm mount (magnetic mounting) for temporary installation, make sure that the protective conduit is routed appropriately and fastened in such a way that the camera head is held securely. For installation, the mount is put into operation as described above. Instead of the nut (fig. 10-B) of the cable gland, the side of the protective hose with hose gland (fig. 10-C) is screwed onto the sealing rubber (fig. 10-D) of the cable gland without lock nut and clamped in the process. Make sure that the sealing air hose (Fig. 10-E) and data cable (Fig. 10-F) are correctly seated in the sealing rubber.

The opposite side of the protective hose is equipped with a hose fitting (Fig. 10-G) including a sealing ring and a lock nut (Fig. 10-H). The sealing ring seals against a sheet metal wall with a corresponding hole (33.5 mm). The hose fitting is passed through the sheet metal wall from the inside of the machine and fastened with the lock nut from the rear. The protective hose must not be exposed to sealing air. This is guided in the sealing airline up to the transition into the flex arm mount.
Ball head mount
Please note that the data cables and the sealing airline will need to be routed behind the sheet metal wall up to the installation point, and that there must be sufficient free space for the plug connections behind the sheet metal wall for installation. Upon request, CAD models can be provided to determine the installation space required. Please pay attention to the static bending radii of the data and sealing air tubes specified in the chapter „Technical data“ in the appendix.

There are two possibilities for installation
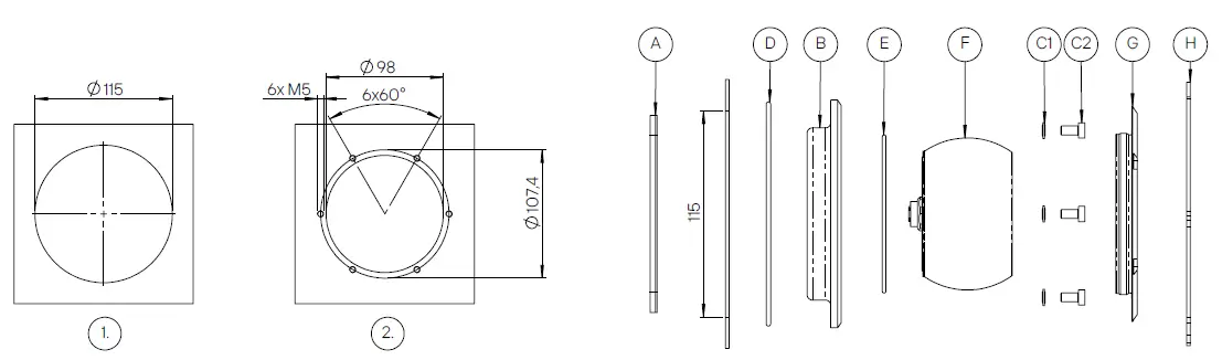
This installation variant is best suited for retrofits: Cut a hole measuring Ø 115 mm into the sheet metal wall. You can rent suitable tools for this purpose if Rotoclear or a certified distributor offers this service in your country. Insert the mount counterpart (Fig. 11-A) through the hole and fix it to the rear of the machine wall using the magnets provided as a mounting aid. Align the edges of the counterpart to the edge of the hole. Carefully fit the mount (Fig. 11-B) from the front, taking care that the counterpart does not fall down. Fix it in place using the M5 screws with attached M5 Usit rings (Fig. 11-C1, C2). Ensure that the seal (Fig. 11-D) is inserted correctly towards the sheet metal wall. Insert the inner sealing ring (Fig. 11-E) and pull the data cable and the sealing airline through the mount and connect both to the camera head with ball housing (Fig. 11-F). Fit the clamping ring (Fig. 11-G) and tighten it by hand such that you are still able to align the camera. Use the enclosed tool (Fig. 11-H) to tighten the clamping ring and lock the alignment of the camera. This installation variant is best suited for first-time installations: A round hole with a diameter of 98 mm and six M5 threads will need to be created in the sheet metal wall. The threads can be eyelets, with insert or welded nuts. Insert the mount (Fig. 11-B) into the hole and screw the mount in place as described in 1. using the screws provided, and insert the camera head.
Spindle mounting
The camera can be mounted in the area of the machine tool spindle, for example directly on the headstock, even if the machine tool spindle is designed to be mobile along an A and/or B axis. It is designed to record the movements that can occur at the spindle head. A special mount is not provided for this purpose. Use the options listed in the section „Mounting the camera head“ to mount the camera head. Startup This system is only to be put into operation when the machine in which it is installed complies with the provisions of Directive 2006/42/EC (Machinery Directive). Commissioning is only to be performed by qualified specialist personnel. During commissioning, components that are starting up or rotating pose a hazard. Avoid any contact during operation. Wear protective equipment, including safety glasses. Only connect and disconnect the camera head when the power is off to prevent damage to the system. Connect to an HDMI monitor or network according to the desired use. It is also possible to use both options in parallel. The camera is only to be put into operation when it is in an installed state, such that the heat can be dissipated adequately. The operation of the camera head being mounted in a thermally isolated fashion (small connecting area in combination with thermo-insulating material) is prohibited. Risk of burns due to temperatures exceeding 60 °C on the cylinder barrel surface of the camera head.
The camera head is supplied with a voltage of 48 VDC. According to the IEC 60204-1:2019-06 standard, a maximum of 15 VDC may be applied to the loose end of the cable when it is used in wet areas, such as in the tool spindle. In this case, the power supply is shut off when the connection between the HDMI unit and the camera head is severed. It is only when the camera head is reconnected that the necessary supply voltage is once again applied. The detection of the camera head is performed using a test signal that is below 15 VDC. If this is insufficient according to the machine manufacturer‘s risk assessment, a pigtail cable (Fig. 12-A) can be attached to the connector of the camera head and the connection made permanent, e.g. by means of a shrink hose (Fig. 12-B). Thus, an electrically safe connection for wet conditions is established. Instead of installing the data cable with two male ends, it is necessary to replace it with an extension cable with a female end pointing towards the camera head and one male end pointing toward the HDMI unit. Upon receipt of a direct inquiry, the manufacturer can provide the camera heads with a non-reversible pigtail cable and an extension cable. For organizing the interfaces, data cables and pigtail cables without the manufacturer, please refer to the necessary cable specifications see section „Interface“ in the chapter „Technical data“ in the appendix.

Connection options
The HDMI Unit can be connected to a monitor via HDMI. For the use of some functions, such as for switching the light on and off, a form of input will also be required. Connect an additional mouse or a monitor with touch functionality via USB with the HDMI unit. In principle, however, the device can also be operated without an additional input interface.

User interface
The control elements will be shown or hidden with a click respectively movement of the mouse or touch gesture on the live image. Clicking the button switches the light on or off. The state of the light is displayed by the button. Please note that the options, settings and range of functions described in this chapter may vary depending on the model or equipment variant. Availability may also depend on the firmware version installed. Always ensure that the latest available firmware version is installed (see chapter „Firmware update“). Firmware update The current version of the firmware is displayed in the lower right corner for some time after starting the system or when clicking or touch gestures. Always ensure that the firmware of the camera system is kept up to date. Each new firmware version may include new features, improvements and bug fixes that may also be relevant for security and safety. This process may take several minutes. During this time, it will not be possible to use or otherwise operate the camera system. After the update is complete, the camera will restart. Customer service for the product can only be provided for the current firmware version.
Prerequisite
- The firmware file has been downloaded from www.rotoclear.com/en/CBasic-downloads
- HDMI monitor is connected to the system.
Copy the firmware file to the root directory of a USB flash drive and insert it into a USB port on the HDMI unit. A message is displayed as soon as the USB flash drive is detected and firmware is found. The latest firmware found on the USB flash drive is offered for installation. Click on „update“ or wait until the timer has expired to start the update. Wait until the update is completed. The camera system will restart automatically. If you want to cancel the update process, click on „cancel“ or pull out the USB flash drive. Do not remove the USB flash drive or the power supply once the update process has started.
Recovery mode
If the camera is unable to start up or it is obvious that it is functioning incorrectly (for example, due to a faulty configuration, interrupted or failed update), it can be restored using recovery mode. If the firmware no longer starts up correctly, recovery mode will launch automatically. Recovery mode can also be initiated manually by interrupting the power supply 10 times in succession during the boot procedure (after approx. 1 Second). Download the firmware file from www.rotoclear.com/en/CBasic-downloads and copy it into the root directory of a USB flash drive. Insert the USB flash drive into a USB port. Recovery mode will detect the firmware file and automatically initiate the restore process.
SwipeZoom feature
With the mouse wheel or a zoom gesture, you can operate the zoom function. The zoomed section can be panned with a left click or a touch gesture.
Alignment sensor
The camera head is equipped with an alignment sensor that aligns the camera image automatically, for example when the camera head is mounted on the spindle in a moving position
Light
Integrated in the camera head are LEDs for illuminating the work area. It can be switched on and off via the button on the user interface. Note that a mouse or touchscreen must be connected to the HDMI unit for this. If no button is displayed, tap or click or move the mouse.
Disc rotation
The rotating disc should be halted temporarily for maintenance purposes (e.g. replacement or cleaning of the rotor, see chapter „Operation and maintenance“). To do this, switch off the power to the system during maintenance.
Self-diagnosis
The camera is equipped with various sensors for self-diagnosis. In the event of critical deviations from target values, a corresponding notification or warning is displayed in the interface. Please note that the camera head must not be operated in an uninstalled state. (See chapter „Commissioning“).
Normal operation
In normal operation, the camera head is typically mounted in the machine interior or in a media-affected environment, and the HDMI unit is typically mounted in the control cabinet. The rotor of the camera head rotates at approx. 4,000 rpm and is sealed from the environment by the supplied sealing air. In normal operation, the stream can be displayed on a separate monitor or one associated with the machine control. Operation and maintenance During operation of the machine, the Rotoclear C Basic must be switched on and the camera head must be permanently supplied with sealing air. Rotor Do not touch the rotating disk while it is rotating. Risk of minor injuries. The rotor disk may splinter upon impact or when encountering external forces. As a result of this, fragments of the glass disk may be flung outwards radially and lead to injuries. When performing tasks that may result in damage to the disk directly next to the camera head, keep a safe distance and wear protective goggles. The motor must not be permanently blocked mechanically (e.g. by dirt) and must be able to turn freely, otherwise, the rotor drive may be damaged (loss of warranty). In order to ensure safe and damage-free operation, please also observe the safety and warranty instructions in the chapters on installation and commissioning when operating the system.
Cleaning
Despite the self-cleaning ability of the rotating disk, the view through it may be impaired over time due to oil/cooling lubricant residue or hard water deposits. Clean the disk at regular intervals with a damp cloth. To do so, draw the cloth carefully and slowly from the inside to the outside using a finger while the motor is running. Repeat the procedure until the visibility is optimal. If it is particularly dirty, you can clean the window with glass cleaner or isopropyl alcohol.
Include the cleaning of the window in the maintenance plan of your machine. We recommend weekly cleaning, or more frequently depending on the environmental conditions. Please note that when the machine is switched on, the camera must also be in operation and/or the disk must rotate. Only then can the window clean itself constantly. For a clear view, it is essential that no medium can make contact with a stationary rotor window and dirty it. In particular, the vapor from cutting fluids tends to settle, dry out and leave stains on stationary surfaces.
Changing the rotor
An excessive amount of contaminants, damage, or breakage due to a crash with a broken tool or workpiece parts may make it necessary to remove the rotor for cleaning or replacement. Switch off the entire device incl. light, let it cool down for 5 minutes and remove the screw in the center after the rotor has run out. Apply a small vacuum lifting tool and pull off the rotor. Do not stick any tools or objects into the labyrinth gap which would easily damage the system and invalidate the warranty. Risk of cutting damage: when the rotor is damaged, wear cut-resistant gloves. and remove the screw in the middle after it has coasted to a standstill. We recommend keeping a replacement disk on hand and installing/cleaning it in alternation. This ensures a clear view of what is going on and hence optimal manufacturing conditions at all times. The rotor is a wear part. If the window is dirty or damaged due to chips or other parts, this does not constitute grounds for a claim. If the rotating disk is impacted by a part that has been flung off, the rotor will need to be replaced immediately. Never operate the camera head without a rotor installed. If the machine is to be operated in the interim, the camera head is to be securely protected against penetration and damage by chips, particles, oils, cooling lubricants and/or other media, and completely shut down. The provided covering cap can be used for this purpose. Otherwise, the Rotoclear C Basic may be damaged and become unusable. This will result in a loss of the warranty.
Decommissioning, disposal The WEEE Directive prohibits disposing of electronic and electrical equipment in household waste. This product and its components must either be recycled or disposed of separately. The user agrees to dispose of the product in accordance with applicable statutory regulations
Troubleshooting
No image is visible / The camera cannot be reached.
Check whether all cables are correctly connected and the system is supplied with power. For a connection via HDMI, check whether the monitor is correctly connected and switched on, and if the correct input source is selected.
For a connection via Ethernet, check in the connection overview of the network whether the device is connected correctly. If no DHCP server is available in the network, you can access the user interface using the pre-configured IP address.
Ensure that your company network does not have any access restrictions that could prevent a connection. In the case of doubt regarding this, please contact your network administrator.
The rotor is not rotating
Check whether the device is correctly connected and switched on. Check whether the rotor can turn freely and is not blocked. The RPM of the motor is shown in the settings. If the motor does not start up when the system is launched, please contact customer service.
The LED light is not working
Check whether the light is switched on in the settings. If only one of the two modules or none of them is working, please contact customer service. The window fogs up / liquid enters the intervening area between the rotor and the cover.
Check whether the sealing air is correctly connected and configured and whether there is an error message from the system. If the settings are correct, check the cleanliness of the sealing air according to the requirements indicated in the chapter „Technical data“ in the appendix. If it is too dirty, install a service unit to ensure the required purity of the sealing air. The image is fuzzy or unclear. Check whether the inside/outside of the rotor is dirty and clean it with a damp cloth. If necessary, use a suitable cleaning agent such as glass cleaner or isopropyl alcohol. Also, measure the working distance of the camera head and check whether it corresponds to the focus position of the lens. If the camera head is operated at an incorrect distance, no clear image can be displayed. The focus position can only be changed by the manufacturer because it is sealed to keep out media, particularly if the rotor fails due to damage from broken tool or workpiece parts. Either change the working distance or procure a camera head that has the right focus.
The stream has image interferences
Check whether your cables are laid such that there are no interfering signals, e.g. from power cables. Use only the data cable provided. Do not extend the cables, as every interface impacts the quality and reduces the maximum possible cable length.
Technical data
- HDMI unit
- Nominal voltage 24 VDC, Reverse polarity protection
- Power draw 36 W (max., with 1 camera head and 2 signal amplifiers)
- Output voltage 48 VDC (camera head supply)
- Detection signal < 15 VDC (camera head detection)
- Current 1.5 A (max., with 1 camera head and 2 signal amplifiers) HDMI 1 ×
- USB 2 × USB 2.0, each 500mA max.
- Data 1 × M12 x-coded (female)
- HotPlug yes Dimensions 172 × 42 × 82 (105 inkl. Clip) mm
- Housing Stainless steel, aluminum, steel
- Storage temp. –20 … +60 °C permitted
- Operating temp. +10 … +40 °C permitted
- FPGA temp. Normal operation: 0 … +85 °C, max. 125 °C permitted
- Mounting Clip for top hat rail EN 50022
- Weight approx. 0.7 kg
+49 6221 506-200 [email protected] www.rotoclear.com
References
Camera system for machine tools: Rotoclear C Basic
Insights into machine tools: Spinning window & camera system
Insights into machine tools: Spinning window & camera system
Kamera-System für Werkzeugmaschinen: Rotoclear C Basic
Camera system for machine tools: Rotoclear C Basic
SoftPerfect Network Scanner : fast, flexible, advanced




















