PERCO T-5 Electromechanical Tripod Turnstile User Manual
Dear customers!
We thank You for choosing the turnstile manufactured by PERCo You have purchased a high quality product, which will be long lasting in operation provided that installation and operation rules are observed.
The assembly and operation manual (hereinafter – the Manual) for the T-5 Electromechanical Tripod Turnstile (hereinafter – the turnstile) contains data on transportation, storage, installation, operation and maintenance of the product.
The installation and maintenance must be carried out by qualified personnel in strict accordance with this Manual Abbreviations used in the Manual:
- ACS – access control system;
- RC-panel – remote control panel;
- WRC – wireless remote control;
- CLB – control logic board.
APPLICATION
The turnstile is designed for managing pedestrian flows at entrance points of industrial facilities, banks, administrative buildings, retail outlets, railway terminals, airports, etc. To ensure fast and convenient passage it is recommended to install one turnstile per 500 people working same shift, and on the basis of a passage pick of 30 persons/min (Ref. Section 3 for information on the throughput capacity of the turnstile).
OPERATION CONDITIONS
The turnstile with regard to resistance to environmental exposure complies with GOST 15150-69, category NF4 (operation in premises with climate control). Operation of the turnstile housing is allowed at ambient air temperature from +1°C to +50°C and at relative air humidity of up to 80% at +25°C.
TECHNICAL SPECIFICATIONS
Turnstile input DC voltage: 12 ±1.8 V
Turnstile power consumption: max. 8.5 W
Consumption current: max. 0.7 A
Throughput of the turnstile in the single passage mode: 30 persons/min
Throughput of the turnstile in the free passage mode: 60 persons/min
Passageway width: with barrier arms AS-05: 500 mm
with barrier arms AS-04, AA-04: 600 mm
Barrier arm rotation force: max. 3.5 kgf
RC-panel cable length: min. 6.61 m
Ingress Protection Rating: IP41 (EN 60529)
Electric shock protection class: III (IEC 61140)
Mean time to failure: min. 4,000,000
Mean lifetime: 8 years
Overall dimensions of the turnstile (length × width × height):
with established barrier arms: 280×260×1026 mm
with barrier arms AS-05 : 739×736×1026 mm
with barrier arms AS-04, AA-04: 870×836×1026 mm
Net weight: max. 22 kg
Maximum allowable cable length is 40 m (available on request)
DELIVERY SET
Standard delivery set
Basic equipment
Turnstile housing : 1
Barrier arm : 3
Note:
Barrier arm itemized separately in the price list, type is chosen by a Client at the time of order.
Mechanical release key : 2
RC-panel with cable : 1
Installation tools:
Plug: 5
Plug Ø16: 1
Nylon cable tie 100 mm : 5
Operational documentation:
Certificate: 1
Operation manual : 1
Optional equipment supplied on request
WRC kit 1 : 1
Siren (for alerts on unauthorized entry attempts): 1
Intrusion detector: 1
SORMAT PFG IRM10-15 anchor bolts: 4
PRODUCT DESCRIPTION
Main features
- The turnstile can be operated from the RC-panel or by a WRC as well as from an access control system via an ACS controller.
- The turnstile is supplied with safe voltage – maximum 14V.
- The turnstile has low power consumption – maximum 8.5W.
- The turnstile retains the set position for each direction when the power supply voltage is removed – the open passage direction remains open, the closed passage direction remains closed.
- The resetting mechanism ensures automatic reset of barrier arms to home position after each passage.
- Smooth and quiet operation of the turnstile is ensured by the damper.
- The optic rotation sensors are built into the turnstile housing to ensure accurate count inputs to an ACS.
- The mechanical release lock built into the turnstile housing ensures the turnstile manual unlocking with a key in emergency cases (providing free rotation of the barrier arms).
- The turnstile has relay outputs for connection of an intrusion detector and a siren.
- The turnstile can be configured to operate either in a pulse control mode or a potential control mode.
- The turnstile has galvanic decoupling of the outputs.
- A purpose-designed Fire Alarm control input is intended to unlock the turnstile at the Fire Alarm command (from a fire alarm for instance).
Design
The design of the turnstile is shown in Fig. 1. Numbers of the items hereinafter refer to the item numbers as shown in Fig. 1 unless stated otherwise.
WRC kit consists of a receiver and transmitters (tags) with operation range up to 40 m.
- turnstile housing;
- barrier arm;
- “open / locked” light indicators;
- cover;
- RC-panel / WRC / ACS controller;
- cable of the RC-panel / WRC / ACS controller;
- turnstile power supply;
- turnstile power cable;
- C power cable;
- mechanical release key;
- mechanical release lock;
- hub;
- rotation mechanism;
- plastic plug;
- PFG IR 10-15 anchor bolt
The turnstile consists of a turnstile housing (1) with a built-in control logic board (CLB), a RC-panel (5) and a set of barrier arms (2).
The turnstile housing (1) is a formed and welded metal structure with a cover (4). Inside the turnstile housing there is a Control Logic Board (CLB) and a resetting mechanism consisting of a resetting device (a pusher, springs and a roller), a control mechanism with optic rotation sensors and a locking device (key holt), and a mechanical release lock (11). The resetting mechanism houses rotation mechanism (13) which includes a damper, a rotation sensor disc and a hub (12) with three barrier arms (2).
The side panels of the turnstile are fitted with “Open / locked” light indicators (3) to show whether the passage is authorized (the indicator «green arrow» is on) or not (the red indicator is on).
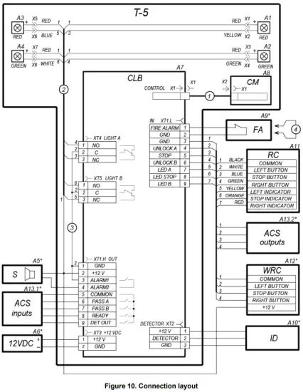
The turnstile power supply unit (7) is connected to the CLB with the cables (8) in accordance with the connection layout (Ref. Fig. 10).
The CLB (Fig. 2) contains:
- X1 (Control) connector to connect the control mechanism (connected to the X1 connector of the control mechanism with the turnstile cable);
- XT1.L (In) connector block to connect the RC-panel / WRC / inputs of an ACS controller as well as an emergency unblocking device;
- XT1.H (Out) connector block to connect a siren and outputs providing the turnstile status data to the ACS controller;
- XT2 (Detector) connector block to connect an intrusion detector;
- XT3 (+12VDC) connector block to connect the turnstile power supply;
- XT4 (Light A) and XT5 (Light B) connector blocks to connect “Open/closed” light indicators, one pair per each direction;
- J1 connector to select the turnstile control mode, the jumper is fixed — the pulse control mode, the jumper is not fixed — the potential control mode, the jumper is fixed at the factory before the delivery (see Clause 5.5);
- J2 connector for programming, not in use.
Control over turnstile
The turnstile can be operated from the following devices: the RC-panel, WRC, ACS controller.
The above devices can be connected to the turnstile as follows:
- any device separately;
- in any combination with each other;
- all devices simultaneously (in parallel).
Note:
At the parallel connection of the above devices to the turnstile the superposition of the control signals from them may occur. In that case the turnstile response will conform to response to the obtained combination of input signals (Appendix 1 and Appendix 2).
Connection of the stated devices is made with the cable (6) to the corresponding connector blocks XT1.L or XT1.H of the CLB in accordance with the connection layout (Fig.2 and Fig. 10).
The RC-panel is designed as a small desktop device with a shockproof ABS-plastic case and is intended for setting and indicating operating modes when the turnstile is operated manually.
1, 2, 3 – buttons LEFT, RIGHT, STOP for setting the passage mode; 4, 6 – green indicators «Left», «Right»; 5 – red indicator «Stop».
There are three control buttons on the RC front panel intended for setting the turnstile operating modes. The LED indicators are located above the buttons. The middle button on the RC-panel (hereinafter — the STOP button) is intended to set the turnstile to the “Always locked” mode. The left and the right buttons are intended to unlock the turnstile for passage in the chosen direction. The RC-panel is connected to the contacts GND, Unlock A, Stop, Unlock B, Led A, Led Stop and Led B of the XT1.L connector block.
If the turnstile orientation relatively to the operator’s terminal is not standard (e.g. the terminal is placed at the backside of the turnstile housing), the RC-panel orientation towards the turnstile can be changed by swapping the RC wires connected to the contacts Unlock A and Unlock B as well as contacts Led A and Led B accordingly (Fig. 2 and 10.).
The WRC is connected to the contacts GND, Unlock A, Stop and Unlock B of the XT1.L connector block. Power supply of the WRC is connected to the contact +12V of the XT1.H connector block. ACS controller outputs are connected to the contacts GND, Unlock A, Stop and Unlock B of the XT1.L connector block.
ACS controller inputs are connected to the contacts Common, PASS A, PASS B, Ready and Det Out of the XT1.H connector block.
Input and output control signals and their parameters
The CLB microcontroller processes the incoming commands (i.e. traces the status of the contacts Unlock A, Stop, Unlock B and Fire Alarm), keeps track of the signals from the optic sensors and from the intrusion detector (contact Detector), and based on those signals, generates commands to the control mechanism and to the external devices: indication on the RC-panel (Led A, Led Stop and Led B), the signal of hub turning in the corresponding direction (PASS A and PASS B), the signal of the turnstile ready for a next command (Ready), the alarm output signal (Alarm); and retransmits the signal of the current status of the intrusion detector (Det Out).
The turnstile is operated by input of a low-level signal relative to the GND contact at the contacts Unlock A, Unlock B and Stop of the connector block XT1.L while either a normally open relay contact or a circuit with open-collector output can be used as the control element. At emergency the turnstile unlocking is carried out by removing of a low-level signal relative to the GND contact from the Fire Alarm contact while either a normally closed relay contact or a circuit with open collector output can be used as the control element (Ref. Fig. 4 and 5).

Note:
For generating of a high-level signal at all the input contacts (Unlock A, Stop, Unlock B, Fire Alarm and Detector) 2kOhm resistors connected to the power supply bus “+ 5V” are used.
The control element must provide the following signal characteristics: the relay contact as the control element:
- minimum switched current : no more than 2mA;
- closed contact resistance : no more than 300 Ohm; the circuit with open-collector output as the control element:
- voltage at the closed contact (low – level signal at the CLB input): no more than 0.8V.
The relays “PASS A” (contacts PASS A and Common), “PASS B” (contacts PASS B and Common), “Ready” (contacts Ready and Common), “Detector” (contacts Det Out and Common) and “Alarm” (contacts Alarm 1 and Alarm 2) have normally open contacts. The “Common” contact, at that, is not connected to the turnstile power supply negative terminal. In the initial (inactive) state, when the power is on, the relay contacts PASS A, PASS B, Ready and Detector are closed (voltage is supplied to the relay coil) and the “Alarm” relay contacts are broken (voltage is not supplied to the relay coil). Opening/closing of “PASS A”, “PASS B”, “Ready”, “Detector” and “Alarm” relays are indicated by lighting up/going down of the red test indicators located near the corresponding relays (Fig. 2). The output cascades for “PASS A”, “PASS B”, “Ready”, “Det Out” and “Alarm” are the relay contacts with the following signal characteristics (Fig. 6):
- maximum commutation voltage : 42V DC;
- maximum switched current : 0.25A;
- closed contact resistance : no more than 0.15 Ohm.

Control modes
There are two modes of the turnstile control – a pulse control mode and a potential control mode.
They determine available operating modes of the turnstile (Table 3 and Table 4).
The control mode is set by the jumper on the J1 connector (the J1 connector location is shown on Figure 2: the jumper is installed – the pulse control mode, the jumper is not installed – the potential control mode). The jumper is installed at delivery.
Control over the turnstile is effected by input of the control signal to the turnstile at both control modes. The passage waiting time in the pulse control mode is 5 seconds regardless of the control signal duration. In the potential control mode the passage waiting time equals the duration of the control signal.
The pulse control mode is intended for the turnstile operation from the RC-panel, a WRC or an
ACS controller with outputs supporting the pulse control mode.
Standard control inputs: Unlock A, Unlock B and Stop.
Special control input: Fire Alarm.
Operating modes of the turnstile at this control mode are given in Table 3, algorithm of control signals is stipulated in Appendix 1.
The minimum input signal duration, when the operating mode can be changed, should be 100msec. The passage waiting time is 5 sec. and it does not depend on the input signal duration.
The turnstile operation from the special control input Fire Alarm is described in Clause 5.9.
The potential control mode is intended for the turnstile operation from an ACS controller with outputs supporting the potential control mode (for example, a lock controller).
Standard control inputs: Unlock A and Unlock B.
Special control inputs: Stop and Fire Alarm.
Operating modes of the turnstile at this control mode are given in Table 4; algorithm of control signals is stipulated in Appendix 2.
The minimum input signal duration, when the operating mode can be changed, should be 100msec. The passage waiting time is equal to a low-level signal duration (the turnstile remains open in the set direction if a low-level signal is supplied at the corresponding input by the moment of passage).
Once the low-level signal is supplied at the Stop input, both directions are closed for the period of the signal duration regardless of the signals level at the inputs Unlock A and Unlock B. At the lowlevel signal removing from the Stop input, the directions turn to the operating mode according to the signals level at the inputs Unlock A and Unlock B.
The turnstile operation from the special control input Fire Alarm is described in Clause 5.9.
Operation from the RC-panel
When the buttons on the RC-panel are pressed (the STOP button and the two other buttons
corresponding to the passage directions), contacting of the relevant Stop, Unlock A or Unlock B
with the GND occurs (i.e. forming of the low-level signal relatively to the contact GND).
Operation logic of the turnstile at the single passage in the A(B) direction at the pulse control
mode:
- When the button corresponding to the A (B) passage direction is pressed on the RC-panel, contacting the Unlock A(B) and the GND occurs (i.e. forming of the low-level signal on the contact Unlock A(B) relatively to the contact GND).
- The CLB microcontroller processes the incoming command and generates the command to the control mechanism, which opens the A (B) passage direction (lifts the upper (lower) edge of the key holt).
- The microcontroller traces the status of the optic rotation sensors, which become active/passive in a certain sequence at the barrier arm rotation, and counts the time passed since the moment of pushing the RC-panel button corresponding to the permitted passage direction A (B).
- At the barrier arms turning at 67° the microcontroller forms signal PASS A (B) (breaking the contacts PASS A (B) and Common takes place).
- After the barrier arms turning at 67° or after 5 seconds since the moment of pushing the RCpanel button corresponding to the permitted passage direction A (B), the microcontroller generates a command to the control mechanism, which closes the passage direction A (B) (drops the upper (lower) edge of the key holt).
- When the barrier arms reset to home position (barrier arms turning at 112°), the microcontroller removes the signal “PASS A (B)” (the “PASS A (B)” and “Common” contacting)
The “Always free” operating mode particularity: in this mode the command described in point 5, is not generated and the set passage direction remains open.
Operation from a WRC
Control over the turnstile from a WRC is similar to that from the RC-panel.
The buttons on a WRC tag act the same way as those on the RC-panel.
An assembly and operation manual for a WRC is supplied with the device.
Operation via an ACS controller
At the pulse control mode control over the turnstile via an ACS controller is similar to that with the RC-panel.
At the potential control mode control over the turnstile via an ACS controller is similar to that with the RC-panel and lies in forming of a low-level signal on the contacts Stop, Unlock A and Unlock B relatively to the contact GND.
The difference in the operation logic at the potential control mode and at the pulse control mode (the command on the closing of the passage is generated only at the moment of releasing the RC button, corresponding to the passage direction A(B). Therefore, for arranging single passages at the potential control mode it is recommended to remove the control low-level signal at the beginning of the “PASS” signal for the corresponding direction.
The passage through the turnstile in the A (B) direction is registered by a status of the outputs PASS A(B) and Common.
Optional external devices connected to the turnstile
The following external devices can be connected to the turnstile:
- intrusion detector and siren;
- emergency unblocking device.
An intrusion detector is connected to the XT2 connector block, and a siren is connected to the XT1.H connector block of the CLB according to the connection layout (Fig. 2 and 10). There should be normally closed contacts on the intrusion detector.
Attention!
Only the manufacturer should carry out the installation of the intrusion detector on the turnstile housing.
If while the turnstile is in a locked state (in the “Always locked” mode or in the “Both directions locked” mode, Tables 3 and 4) a signal from the intrusion detector comes, the “Alarm” signal is generated, which is disabled either after 5 sec. or after execution of any received command. The signal from the intrusion detector is ignored for the period of authorized unlocking of the turnstile in either or both directions).
A signal coming from the intrusion detector within 3 sec. after the “Always locked” / “Both directions locked” mode is set, is ignored.
A signal on current status of the intrusion detector is constantly transmitted to the Det Out and Common contacts of the CLB XT1.H connector block (Fig. 2).
The emergency unblocking device is connected to the XT1.L connector block of the CLB in accordance with the connection layout (Fig. 2 and Fig. 10). If the Fire Alarm input is not used, it is necessary to install a jumper between the contacts Fire Alarm and GND. This jumper is preset at the factory.
Operation of the turnstile under commands of an emergency unblocking device:
At the pulse control mode, when a low-level signal is removed from the Fire Alarm input, both passage directions open for the period of the signal absence. Other control commands are ignored at that. Once the low-level signal is supplied at the Fire Alarm input, the turnstile turns to the “Always locked” mode.
At the potential control mode, when a low-level signal is removed from the Fire Alarm input, both passage directions open for the period of the signal absence. Other control commands are ignored at that. Once the low-level signal is supplied at the Fire Alarm input, the passage directions turn to the operating mode in accordance with the signals level at the Unlock A, Unlock B and Stop inputs.
“Open/closed” light indicators
The “Open/closed” light indicators are connected to the connector blocks XT4 (Light A) and XT5 (Light B) of the CLB. Herein the Light A (Light B) relay is active (the voltage is applied to the relaycoil), when the green indicator corresponding to the authorized passage direction is on and the red indicator is off. The “Light A” (“Light B”) relay is passive (the voltage is not applied to the relay coil), when the green indicator corresponding to the authorized passage direction is off and the red indicator is on The response/release of the relays “Light A” and “Light B” can be detected by reaction of the red indicators installed near the relays (Ref. Fig. 2).
Output cascades for the “Light A” and the “Light B” relays are changeover relay contacts (Ref. Fig.7) with the following signal characteristics:
- maximum switched voltage: 30V DC;
- maximum switched voltage : 42V AC;
- maximum switched AC/DC: 3 A;
- closed contact resistance: no more than 0.15 Ohm.
Operation contingencies and response
The turnstile is capable to provide information on the following operation contingencies:
- unauthorized access;
- passage delay for more than 30 sec.;
- one or both optic sensors are out of order.
A special signal “Ready” is generated in each of the above cases.
In case of unauthorized access, the “Ready” signal is formed as follows. At 8° arm rotation one of the optic sensors (Fig. 12) becomes active; the output contacts Ready and Common get broken (the beginning of the signal). When the barrier arms return to home position, the both optic sensors become passive and the output contacts Ready and Common get closed (the signal completion).
In case of delay of an authorized passage for more than 30 sec. the signal “Ready” is formed as follows. If within 30 seconds from the beginning of passage determined by the arm rotation at no less than 8° (i.e. activation of one of the optic sensors) the barrier arms do not return to home position, the output contacts Ready and Common get broken (the beginning of the signal). When the barrier arms return to home position, the both optic sensors become passive and the output contacts Ready and Common get closed (the signal completion).
When one or both of the optical sensors become out of order, the output contacts Ready and Common get broken (the beginning of the signal “Ready”). After fault removal the closing of the contacts Ready and Common is renewed.
MARKING AND PACKAGING
The turnstile is marked by a label placed on the housing interior wall. The marking contains the product name, the model abbreviation, the date of manufacture, the serial number and technical characteristics.
Also on the underside of the cover (4) of the turnstile there is a sticker with a connection layout.
When it is necessary to access the label, unscrew the fixing four bolts (Allen key SW3) of the cover (4) on the front and the back surfaces of the turnstile housing).
The complete delivery set of the turnstile (Ref. Section 4.1) is packed in a transportation box, which keeps it undamaged during the transportation and storage.
- Box dimensions (length × width × height): 114×32×32 cm
- Grosse weight: max. 26 kg
SAFETY REQUIREMENTS
Installation safety requirements
The installation should be only carried out by the qualified personnel after the careful study of this Manual.
Caution!
- All the cables should be connected up when the power supply is switched off from the AC mains.
- Use only the serviceable tools for installation.
- Observe general electrical safety rules when laying out the cables.
See certificates of the power supply units for the safety requirements to those power supply units.
Operation safety requirements
Observe general electrical safety rules when operating the turnstile.
Do not use!
- Do not use the turnstile under conditions that do not comply with the requirements of Chapter 2 of this Manual.
- Do not use the turnstile at supply voltage that does not comply with the requirements of Chapter 3 of this Manual.
See certificates of the power supply units for the safety requirements to those power supply units.
INSTALLATION INSTRUCTIONS
Follow the safety requirements during the installation (Section 7.1).
Installation details
Correct turnstile installation provides its functionality and lifetime. Please carefully study and follow the installation instructions.
It is recommended:
To mount the turnstile on steady and level concrete (grade 400 or higher), stone or similar foundations at least 150 mm thick.
To level the foundation so that the anchoring points of the turnstile lie in the same plane.
To apply reinforcing elements (300×300×300 mm) for installation on less steady foundation (frame foundation, for example).
Passageway arrangement (Fig. 8):
To ensure accurate passage tracking, when the turnstile is operated from an ACS, it is recommended to create the passage area in such a way that the barrier arms should turn in the direction of movement at the angle no less than 70°.
The turnstile is equipped with the resetting device that operates as follows:
- when the barrier arm is turning at the angle of more than 60°±5° the reset is effected in the direction of movement and the turn of barrier arm to counter direction is not possible (blocking of reverse passage);
- when the barrier arm is turning at the angle less than 60°±5° the reset is effected in the counter to the movement direction (reset to home position).

Installation tools
- 1.2 – 1.5 kW hammer drill;
- Ø16 mm hard-alloy drill bit for anchor bolts;
- Floor chaser for electric raceway;
- Cross-head screwdriver;
- Flat slot screwdriver №2;
- S17, S13, S10 socket wrenches;
- Allen key SW3;
- Plumb line and level;
- Hard wire 1.5 m long for cable pulling;
- Measuring tape (2 m);
- Slide caliper.
Note:
It is allowed to use other testing equipment and measuring tools provided the equipment in use ensures the required parameters and measurement accuracy.
Cable length
Table 1. Cables, used at the installation
| № | Equipment | Cable length, m, max | Cable type | Cross- section, mm, min | Example |
| 1 | Power supply | 10 | Twin cable | 0.2 | AWG 24; HO5VV-F 2×0.2 |
| 25 | Twin cable | 0.75 | AWG 18; HO5VV-F 2×0.75 | ||
| 50 | Twin cable | 1.5 | AWG 16; HO5VV-F 2×1.5 | ||
| 2 |
| 30 | Twin cable | 0.2 | RAMCRO SS22AF-T 2×0.22 CQR-2 |
| 3 | RC-panel | 40 | Eight core cable | 0.2 | CQR CABS8 8×0.22c |
| 4 | ACS controller | 30 | Six core cable | 0.2 | CQR CABS6 6×0.22c |
Installation procedure
Attention!
The manufacturer will not accept liability for any damage or otherwise loss resulting of improper installation and will dismiss any claims by the customer should the installation be not carried out in strict accordance with this Manual.
- Unpack the turnstile, check the completeness as per Section 3 of the Certificate.
- Make the holes for anchor bolt sleeves for the turnstile housing installation (Fig. 9).
- Insert sleeves for anchor bolts into the holes so that they do not stick out above the floor surface. Set up the housing and fix it with the M10 bolts using the S17 socket wrench. Put the plastic plugs (14) in their places.
Note:
If you lay out cables under the floor surface, make an electric raceway to the cables laying zone of the turnstile housing (option 1 or 2 in Fig. 9). Fix the housing after laying the cables in the electric raceway and inside the turnstile housing. - Remove the cover (4) as follows:
- using the SW3 hexagon socket wrench, unscrew the bolts fixing the cover;
- remove the cover and place it on a stable level surface.
- Place the power supply unit (7) in its designated location (refer to its documentation installation instructions).
- Connect the power cable (8) from the turnstile power supply (7) to the CLB XT3 connector block. Connect the RC-panel cable (6) to the CLB XT1.L connector block. Connect cables of all the other devices to the corresponding CLB connector blocks (ref. Fig. 2 and Fig. 10).
- Check the accuracy, reliability and safety of all electrical connections. Using nylon cable ties included in the delivery set, fix all the cables in two points: to the special opening on the turnstile housing horizontal plane and to the special opening on the mechanical release lock inside the turnstile housing. Return the cover (4) back in its operative position in the order reverse to its removal.
- To mount the barrier arms into the run position, remove the cover from the hub (12) after unscrewing the screw. Fit the barrier arm (2) into the mounting hole on the hub (12) and fasten it with the bolt. Put a spring washer under the bolt head. The bolts must be tightened so as to ensure reliable fixation of the barrier arms without a gap. Repeat the same for the other barrier arms.
- Carry out a test power-up of the turnstile according to Section 9). Check operation of an intrusion detector and a siren (if included in the delivery set) as described below.
After the power-up wait until the test indicator inside the intrusion detector turns off (from 10 to 50 sec). The turnstile should be in the “Always locked” operating mode at the pulse control mode or in the “Both directions closed” mode at the potential control mode. Put your hand before the intrusion detector. The continuous siren alarm will sound when the intrusion detector activates. To cancel the alarm, press any button on the RC-panel, otherwise the sound will stop in 5±0.5 sec.
Once the installation and tests are completed, the turnstile is ready for operation.
Connection layout

Table 2. Legend to Fig. 10
| Legend | Item | Q-ty |
| A1, A3 | Light indicators “Closed”, red | 2 |
| A2, A4 | Light indicators “Open”, green | 2 |
| A5* | Siren, 12V DC | 1 |
| A6* | Turnstile power supply | 1 |
| A7 | CLB | 1 |
| A8 | Control mechanism | 1 |
| A9* | Emergency unblocking device (Fire Alarm) | 1 |
| A10* | Intrusion detector | 1 |
| A11 | RC-panel | 1 |
| A12* | Wireless remote control kit | 1 |
| A13* | Access control system | 1 |
| 1 | Turnstile cable | 1 |
| 2 | Light indicators cable | 1 |
| 3 | Cable | 1 |
| 4 | Wire jumper. Installed when the emergency unblocking device (A9) is not connected. Installed on default | 1 |
* Available upon request
OPERATION INSTRUCTIONS
Operating the device observe safety requirements described in Section 7.2.
Attention!
- Do not move through the turnstile passage area any objects with dimensions exceeding the width of the passageway.
- Do not jerk and hit any elements of the turnstile in order to prevent their mechanical deformation.
- Do not dismantle or adjust mechanisms ensuring operation of the turnstile.
- Do not use substances that may cause mechanical damage or corrosion of the surfaces for cleaning the turnstile.
Turnstile power-up
Connect the turnstile power supply (7) to the mains with electric parameters as per its documentation.
Turn the power supply (7) on. The red light indicators on the side panels of the turnstile are on, the red indicator above the STOP button on the RC-panel (5) is on. After the turnstile power-up the reset sate of the turnstile is closed, provided the mechanical release lock (11) is locked with the key (10).
Turnstile operating modes at the pulse control mode
Setting of the operating modes by the RC-panel and the corresponding indication are detailed in
Table 3. Please notice that:
- the passage directions are independent of each other, i.e. setting an operating mode in one direction will not change an already set operating mode in another;
- the “Single passage in the set direction” operating mode can be changed to the “Always free” mode for the same direction or to the “Always locked” mode;
- the “Free passage in the set direction” operating mode can be changed to the “Always locked” mode only.
In the single passage mode, the turnstile will be automatically locked after the passage in the authorized direction is completed. If the passage has not occurred within 5 sec., the turnstile will be automatically locked as well. When passage is authorized for both directions, after one passage is completed, a countdown of the passage waiting time (5 sec.) for another direction starts.
Note:
Pressing the button on the RC-panel corresponds to the low-level signal supply to the respective contacts of the XT1.L connector block (Unlock A, Unlock B, Stop) relative to the contact GND.
Table 3. Pulse control mode (the jumper is set on the J1 connector)
| № | Turnstile operating modes | Actions to do | RC-panel indication | Turnstile indication | Turnstile response after barrier arms turn |
| 1 | Always locked (closed for entry and exit) | Press the STOP button on the RC- panel. | The red indicator above the STOP button is on. | Red indicator is on. | Turnstile is locked for both directions |
| 2 | Single passage in the set direction (open for passage by one person in the chosen direction) | Press the button on the RC-panel corresponding to the chosen passage direction. | The green indicator above the button corresponding to the chosen passage direction is on. | The “Green arrow” indicator for the authorized direction is on. | Turnstile gets unlocked for the single passage in the set direction. After that turnstile gets locked. The opposite direction remains locked. |
| 3 | Bi-directional single passage (open for a single passage in each direction) | Press both the left and the right buttons on the RC-panel simultaneously. | The two green indicators (left and right) are on. | The “Green arrow” indicators for both directions are on. | Turnstile gets unlocked for a single passage in both directions. After this the turnstile gets locked for each passage accordingly. |
| 4 | Free passage in the set direction (open in the chosen direction) | Press the STOP button and the button corresponding to the chosen passage direction simultaneously. | The green indicator above the button corresponding to the chosen passage direction is on. | The “Green arrow” indicator for the authorized direction is on. | Turnstile is unlocked for the free passage in one direction. The opposite direction remains locked. |
| 5 | Free passage in the set direction and single passage in the opposite direction (open for free passage in the chosen direction and a single passage in another) | Carry out actions stated in Clauses 2 and 4 of the present table in any order. | The two green indicators (left and right) are on. | The “Green arrow” indicators for both directions are on. | Turnstile is unlocked for free passage in one of the directions. Turnstile is unlocked for a single passage in another direction. After that the turnstile gets locked. |
| 6 | Always free (open for entry and exit) | Press all the three buttons on the RC-panel simultaneously. | The two green indicators (left and right) are on. | The “Green arrow” indicators for both directions are on. | Turnstile is unlocked for free passage in both directions. |
Turnstile operating modes at the potential control mode
Setting of the operating modes by the RC-panel and the corresponding indication are detailed in Table 4. Please notice that the passage directions are independent of each other, i.e. setting an operating mode in one direction will not change an already set operating mode in another.
Table 4. Potential control mode (the jumper is taken off the J1 connector)
| № | Turnstile operating modes | Signal levels on the contacts should be provided | RC-panel indication | Turnstile indication | Turnstile response after barrier arms turn |
| 1 | Both directions are closed (closed for entry and exit) | High level on the contacts Unlock A and Unlock B or low level on the contact Stop. | The red indicator above the STOP button is on. | Red indicator is on. | Turnstile is locked for both directions |
| 2 | One of the passage directions is open (open for free passage in the chosen direction; closed in the opposite direction) | Low level on the contact corresponding to the chosen passage direction, high level on the other contacts | The green indicator above the button corresponding to the chosen passage direction is on. | The “Green arrow” indicator for the authorized direction and the red indicator for another direction are on. | The turnstile is unlocked in the authorised direction and remains open after the passage is completed, if the low level signal is supplied to the contact corresponding to the set passage direction. |
| 3 | Both directions are open (open for entry and exit) | Low level on the contacts corresponding to the both passage directions, high level on the contact Stop | The two green indicators (left and right) are on. | The “Green arrow” indicators for both directions are on. | The turnstile is unlocked and remains open in the authorised direction after the passage is completed, if the low level signal is supplied to the respective contact. |
For the ACS outputs note the following:
- High level – contacts of the output relay are broken or the output transistor is closed;
- Low level – contacts of the output relay are closed or the output transistor is open.
EMERGENCY ACTIONS
Attention!
For a fast safe escape from the facilities in case of fire, natural disaster or other emergencies, an emergency exit is often required. Such an exit can be arranged by means of the BH-02 anti-panic hinged sections.
Emergency exit by use of anti-panic barrier arms
An additional emergency exit can be arranged by means of anti-panic barrier arms. The design of the barrier arms enables arranging of a free escape passage without any special means or tools.
To make the passageway free, just pull the horizontal barrier arm along its axis outwards the hub until released, then fold the arm down (ref. Figure 11).
Unblocking of the turnstile with a mechanical release key
The key override option allows the operating technician to unlock both directions of the turnstile if there is need to override the access control system or in case of emergency or power failure.
To unlock the turnstile, it is necessary to insert the key (10) into the lock (11), turn it at 90° clockwise and then take out. Then the barrier arms can be freely turned in both directions.
Deactivating mechanical unblocking of the turnstile in the reverse order.
Turnstile automatic unlocking
In case the fire breaks out or in any other emergency situation, the turnstile can be turned to Fire Alarm mode by the emergency unlocking device. In this mode the turnstile unlocks for passage in both directions. Other commands at this mode are ignored (Sect. 5.9).
TROUBLESHOOTING
Possible faults to be corrected by the users themselves are listed in Table 5.
Table 5. Possible faults and remedy
| Fault | Most possible cause | Remedy |
| When power-up, the turnstile does not work, light indication on the turnstile housing and the RC-panel is off. | No supply voltage to the CLB | Turn off the turnstile power supply from the mains, remove the cover (4). Check the power cable serviceability and reliability of its connection to the CLB XT3 connector block. |
| The turnstile is not controlled in one of the directions, light indication on the turnstile housing and the RC-panel is on. | The CLB does not receive a control signal corresponding to this direction. | Turn off the turnstile power supply from the mains, remove the cover (4). Check the RC-panel / WRC kit / ACS controller cable serviceability and reliability of its connection to the CLB XT1.L and XT1.H connector blocks. |
All other faults shall be cleared by the manufacturer or his representatives only.
MAINTENANCE
The turnstile maintenance is required once a year or in events of malfunction. Maintenance must be undertaken only by a qualified technician well acquainted with the Manual.
Prior to the turnstile maintenance works turn off the turnstile power supply from the mains:
- using the SW3 socket wrench, unscrew the bolts fixing the cover (4);
- remove the cover and place it on even stable surface.
Inspect the resetting device (the pusher, the springs and the roller), the optic rotation sensors for the barrier arms and the damper (Ref. Fig. 12).
Using a clean rag soaked with alcohol gasoline blend, remove dirt and stains, when necessary, from the rotation sensor disc; make sure the dirt does not get into the operating clearances of the optical sensors.
Lubricate the following parts with machine oil:
- four bushes of the resetting device (two on the rotation axis of the pusher, two on the fastening axis of the springs);
- holes in the fastening parts of the springs;
- lock cylinder of the mechanical lock (11) through the keyhole.
Avoid the ingress of lubricant on the arm rotation sensor disc and the roller surfaces.
Check the reliability of the cable connections to the CLB connector blocks; tighten the fixing bolts when necessary.
Return the cover (4) back in its operative position in the order reverse to its removal. Make sure the barrier arms (2) are secured in place and, if necessary, tighten the bolts of the barrier arms.
Check the reliability of the turnstile housing fastening to the floor, tighten the anchor bolts with S17 socket wrench when necessary:
- remove plastic plugs (14) out of the holes in the turnstile housing base;
- tighten the anchor bolts (15) with the S17 socket wrench;
- return the plastic plugs back on their places.
If during the operational maintenance some components are found defective, please apply to the PERCo Technical Support Department (the PERCo TSD).
TRANSPORTATION AND STORAGE
The turnstile in the original package should be transported in closed freight containers or in other closed type cargo transport units.
During storage and transportation, the identical boxes can be stacked no more than 5 layers high (70 kg-f maximum load).
The turnstile should be stored in dry indoor facilities at the ambient air temperatures from-40°C to +45°C and relative air humidity up to 80% at +15°C.
After transportation or storage at temperatures below zero or in high air humidity, prior to the installation the product must be kept unpacked for no less than 24 hours indoors in the climate conditions as per given in Section 2.
Appendix 1. Control signal algorithm at pulse control mode
The following commands can be formed by sending a low-level signal to the contacts Unlock A, Stop and Unlock B of the XT1.L connector block relatively to the contact GND (The command is a signal active front (signal transfer from the high level to the low level) at any of the contacts at presence of the corresponding signal levels at the other contacts):
Always locked (closed for entry and exit) –
Active front is at contact Stop while there is a high level at contacts Unlock A and Unlock B.
Both passage directions get closed at this command.
Single passage in direction A (open for passage of one person in direction A) –
Active front is at contact Unlock A while there is a high level at contacts Stop and Unlock B.
At this command passage direction A opens either for 5 sec. or until the passage has been made in this direction or until the command “Always locked”, and the status of passage direction B does not change. The command is ignored if at the moment of its receipt the status of passage direction A was “Always free”.
Single passage in direction B (open for passage of one person in direction B) –
Active front is at contact Unlock B while there is a high level at contacts Stop and Unlock A.
At this command passage direction B opens either for 5 sec. or until the passage has been effected in this direction or until the command “Always locked”, and the status of passage direction A does not change. The command is ignored if at the moment of its receipt the status of passage direction B was “Always free”.
Single passage in both directions (open for single passage of one person at a time in each direction) –
Active front is at contact Unlock A while there is a low level at contact Unlock B and a high level at contact Stop, or active front is at contact Unlock B while there is a low level at contact Unlock A and a high level at contact Stop.
At this command the both passage directions open either for 5 sec. each or until the command “Always locked” is received. The command is ignored for the passage direction, which status at the moment of its receipt was “Always free”.
Free passage in direction A (open for free passage in direction A) –
Active front is at contact Unlock A while there is a low level at contact Stop and a high level at contact Unlock B, or active front is at contact Stop while there is a low level at contact Unlock A and a high level at contact Unlock B.
At this command passage direction A opens until the command “Always locked” is received and the status of passage direction B does not change.
Free passage in direction B (open for free passage in direction B) –
Active front is at contact Unlock B while there is a low level at contact Stop and a high level at contact Unlock A, or active front at contact Stop while there is a low level at contact Unlock B and a high level at contact Unlock A.
At this command passage direction B opens until the command “Always locked” is received and the status of passage direction A does not change.
Free passage (open for passage in both directions) –
Active front is at contact Unlock A while there is a low level at contacts Unlock B and Stop, or active front is at contact Unlock B while there is a low level at contacts Unlock A and Stop, or active front is at contact Stop while there is a low level at contacts Unlock A and Unlock B.
The both directions open at this command until the command “Always locked” is received.
Note! For the RC-panel:
- active front — pressing of the relevant button on the RC-panel;
- low level — the relevant button on the RC-panel has been pressed;
- high level — the relevant button on the RC-panel has not been pressed.
Appendix 2. Control signal algorithm at potential control mode
Both directions are closed (closed for entry and exit) –
There is a high level at contacts Unlock A and Unlock B or there is a low level at contact Stop.
The both passage directions close at this command.
Direction A is open (open for passage in direction A) –
There is a low level at contact Unlock A while a high level is present at contacts Stop and Unlock B.
At this command direction A opens up to the elimination of low-level signal from contact A or until the command “Both directions closed” is received, and the status of direction B does not change.
Direction B is open (open for passage in direction B) –
There is a low level at contact Unlock B while there is a high level at contacts Stop and Unlock A.
At this command direction B opens up to the elimination of low-level signal from contact B or until the command “Both directions closed” is received, and the status of direction A does not change.
Both directions are open (open for entry and exit) –
There is a low level at contacts Unlock A and Unlock B while there is a high level at contact Stop.
The both directions open at this command up to the elimination of low-level signal from one of the contacts A (B) or until the command “Both directions closed” is received.
Note! For an ACS controller outputs:
- low level — either contacts of the output relay are closed or the output transistor is open;
- high level — either contacts of the output relay are broken or the output transistor is closed.
PERCo
Polytechnicheskaya str., 4, block 2
194021, Saint Petersburg Russia
Tel: +7 812 247 04 64
E-mail: [email protected]
[email protected]




















