ASUS X570-E- ROG -STRIC- Gaming- Wifi II- PRODUCT
Quick start guide
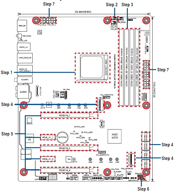
Step 1
- Install the CPU
- Installer sentralprosessoren (CPU)

STEP 2
- Install the CPU fan

Motherboard Layout
Step 3
- Install memory modules
- Installer minnemoduler

Australia statement notice
From 1 January 2012 updated warranties apply to all ASUS products, consistent with the Australian Consumer Law. For the latest product warranty details please visit http://www.asus.com/support/. Our goods come with guarantees that cannot be excluded under the Australian Consumer Law. You are entitled to a replacement or refund for a major failure and compensation for any other reasonably foreseeable loss or damage. You are also entitled to have the goods repaired or replaced if the goods fail to be of acceptable quality and the failure does not amount to a major failure. If you require assistance please call ASUS Customer Service 1300 2787 88 or visit us at http://www.asus.com/support/
India E-waste (Management) Rules 2016
This product complies with the “India E-Waste (Management) Rules, 2016” and prohibits use of lead, mercury, hexavalent chromium, polybrominated biphenyls (PBBs) and polybrominated diphenyl ethers (PBDEs) in concentrations exceeding 0.1% by weight in homogenous materials and 0.01 % by weight in homogenous materials for cadmium, except for the exemptions listed in Schedule II of the Rule.
Regional notice for Turkey
AEEE Yönetmeliğine Uygundur.
Step 4
- Install storage devices. To install M.2 refer to user manual.
- Montere lagringsenheter. Se bruksanvisningen for installasjon av M.2.
Step 5
- Install expansion card(s)

Step 6
- Install the system panel connector
Step 7
- Install ATX power connectors

Step 8
- Connect input/output devices

Step 9
- Power on the system and install the operating system and drivers




























